Глава 30. Цепи формирования сигнала

ЦЕЛИ

После изучения этой главы студент должен быть в состоянии:

• Перечислить способы, с помощью которых можно изменить форму сигнала.

• Объяснить зависимость формы сигнала от вида частотных характеристик формирующих цепей.

• Дать определения длительности импульса, скважности, времени нарастания и времени спада амплитуды сигнала, отрицательного и положительного выбросов, а также «звона».

• Объяснить, как работают дифференцирующие и интегрирующие цепи.

• Описать цепи фиксации и ограничения.

• Описать различия между моностабильным и бистабильным мультивибраторами.

• Нарисовать схемы цепей формирования сигналов.

В электронике иногда бывает нужно изменить форму сигнала. Синусоидальный сигнал превратить в прямоугольный, прямоугольный в импульсный, а импульсный в прямоугольный. Форму сигнала можно проанализировать с помощью двух методов. Анализ формы сигнала посредством анализа его амплитуды в каждый момент времени, называется анализом временных характеристик. Анализ формы сигнала посредством разложения его на составляющие синусоиды, называется анализом частотных характеристик. Частотный анализ предполагает, что все периодические сигналы могут быть разложены на сумму синусоид.

30-1. НЕСИНУСОИДАЛЬНЫЕ СИГНАЛЫ

На рис. 30-1 изображены три основные формы сигналов, представленные в виде функций времени. Этими тремя формами являются: синусоидальная, прямоугольная и пилообразная. Хотя все эти три формы различны, они имеют одинаковый период или частоту. С помощью различных электронных цепей эти формы могут быть превращены одна в другую.

Рис. 30-1. Три основные формы периодического сигнала: (А) синусоидальная, (Б) прямоугольная, (В) пилообразная.

Периодичность — это главное свойство всех колебаний. Согласно концепции частотных характеристик все периодические сигналы состоят из синусоид. Другими словами, любой периодический сигнал может быть сформирован путем сложения некоторого количества синусоид, имеющих различные амплитуды, фазы и частоты. Важность синусоид в том, что только они не могут быть искажены RC, RL и LC цепями.

Частота синусоиды, равная частоте периодического сигнала, называется частотой основной гармоники. Частоту основной гармоники также называют первой гармоникой.

Частоты высших гармоник кратны частоте основной гармоники. Частота второй гармоники вдвое выше частоты основной гармоники, частота третьей гармоники втрое выше частоты основной гармоники и т. д. На рис. 30-2 приведена основная частота 1000 герц и несколько ее гармоник.

Рис. 30-2. Основная частота 1000 герц и некоторые ее гармоники.

Гармоники могут комбинироваться бесконечным числом способов и составлять любое периодическое колебание. Тип и число гармоник, необходимых для составления сигнала, зависит от формы этого сигнала. Например, на рис. 30-3 изображен сигнал прямоугольной формы.

Рис. 30-3. Сигнал прямоугольной формы.

Рис. 30-4 показывает, как прямоугольный сигнал может быть сформирован из комбинации основной гармоники и бесконечного числа нечетных гармоник, пересекающих ось координат в фазе с основной частотой.

Рис. 30-4. Формирование сигнала прямоугольной формы методом сложения его частотных составляющих.

Рис. 30-5 показывает формирование пилообразного сигнала. Он состоит из основной частоты и четных и нечетных гармоник, пересекающих ось координат со сдвигом по фазе на 180 градусов относительно основной частоты.

Рис. 30-5. Формирование сигнала пилообразной формы методом сложения его частотных составляющих.

Осциллограф выводит на экран временные характеристики сигналов. Анализатор спектра (рис. 30-6) выводит на экран частотные характеристики сигнала. Анализ частотных характеристик может быть использован для определения влияния цепей на форму сигнала.

Рис. 30-6. Анализатор спектра.

Периодические сигналы — это сигналы, повторяющиеся через определенные промежутки времени. Период сигнала измеряется интервалом времени от любой точки цикла до такой же точки следующего цикла (рис. 30-7).

Рис. 30-7. Период сигнала.

Длительность импульса — это длина импульса по оси времени.

Рис. 30-8. Длительность импульса сигнала.

Скважность — это отношение длительности импульса к его периоду. Скважность может быть представлена как процентное отношение времени существования импульса в течение каждого периода к периоду.

Все импульсы имеют время нарастания и время спада. Время нарастания — это время, требуемое для увеличения импульса от 10 % до 90 % от величины максимальной амплитуды. Время спада — это время, за которое импульс уменьшается от 90 % до 10 % от величины максимальной амплитуды (рис. 30-9).

Рис. 30-9. Время нарастания импульса и время спада импульса измеряются на уровнях 10 % и 90 % от максимальной амплитуды сигнала.

Форма отрицательных и положительных выбросов и «звон», т. е. возникновение высокочастотных затухающих колебаний, показаны на рис. 30–10.

Рис. 30–10. Положительный выброс, отрицательный выброс и «звон».

Положительный выброс наблюдается, когда передний фронт импульса превышает его максимальное значение. Отрицательный выброс имеет место, когда задний фронт импульса превышает его минимальное значение. Оба эти явления наблюдаются при возникновении затухающих колебаний (при ударном возбуждении), и известны, как «звон». Явления эти нежелательны, но существуют вследствие несовершенства цепей.

30-1. Вопросы

1. Дайте определение концепции частотных характеристик.

2. Как конструируются следующие колебания согласно концепции частотных характеристик?

а. Прямоугольные колебания

б. Пилообразные колебания.

3. Что такое периодическое колебание?

4. Что такое скважность?

5. Нарисуйте примеры положительного выброса, отрицательного выброса и «звона» в применении к реальному сигналу.

30-2. ЦЕПИ ФОРМИРОВАНИЯ СИГНАЛА

RC цепь может изменять форму сложных сигналов так, что выходная форма будет совсем не похожа на входную. Величина искажения определяется постоянной времени RC цепи. Тип искажения определяется выходной компонентой, включенной параллельно выходу. Если параллельно выходу включен резистор, то цепь называется дифференцирующей. Дифференцирующая цепь используется в цепях синхронизации, для получения узких импульсов из прямоугольных, а также для получения переключающих импульсов и меток. Если параллельно выходу включен конденсатор, то цепь называется интегрирующей. Интегрирующая цепь используется в цепях формирования сигналов в радио, телевидении, радиолокаторах и в компьютерах.

На рис. 30–11 изображена дифференцирующая цепь.

Рис. 30–11. Дифференцирующая цепь.

Напомним, что сложные сигналы состоят из основной частоты и большого числа гармоник. Когда сложный сигнал поступает на дифференцирующую цепь, она влияет на каждую частоту по разному. Отношение емкостного сопротивления (Хс) к R для каждой гармоники различно. Это приводит к тому, что каждая гармоника сдвигается по фазе и уменьшается по амплитуде в разной степени. В результате исходная форма сигнала искажается. На рис. 30–12 показано, что происходит с сигналом прямоугольной фор- мы, прошедшим дифференцирующую цепь. На рис. 30–13 показано влияние различных постоянных времени RC цепи.

Рис. 30–12. Преобразование сигнала прямоугольной формы на выходе дифференцирующей цепи.

Рис. 30–13. Влияние различных постоянных времени на форму выходного сигнала дифференцирующей цепи.

Интегрирующая цепь подобна дифференцирующей, за исключением того, что параллельно выходу включен конденсатор (рис. 30–14). На рис. 30–15 показано, как изменяется форма прямоугольного сигнала, прошедшего интегрирующую цепь. Интегрирующая цепь искажает сигнал не так, как дифференцирующая.

Рис. 30–14. Интегрирующая цепь.

Рис. 30–15. Преобразование сигнала прямоугольной формы на выходе интегрирующей цепи.

На рис. 30–16 показано влияние различных постоянных времени RC цепи.

Рис. 30–16. Влияние различных постоянных времени на форму выходного сигнала интегрирующей цепи.

Другим типом цепи, изменяющим форму сигнала, является ограничитель сигнала (рис. 30–17). Цепь ограничения может быть использована для обрезания пиков приложенного сигнала, для получения прямоугольного сигнала из синусоидального, для удаления положительных или отрицательных частей сигнала или для поддержания амплитуды входного сигнала на постоянном уровне. Диод смещен в прямом направлении и проводит ток в течение положительного полупериода входного сигнала. В течение отрицательного полупериода входного сигнала диод смещен в обратном направлении и ток не проводит. На рис. 30–17 показана форма сигнала на входе ограничителя: отрицательная часть входного сигнала обрезана. Цепь является, по существу, однополупериодным выпрямителем.

Рис. 30–17. Последовательный диодный ограничитель.

Рис. 30–18. Выходной сигнал при перемене полярности диода в цепи ограничителя.

Используя напряжение смещения можно регулировать величину обрезаемого сигнала. На рис. 30–19 изображен последовательный ограничитель со смещением. Диод не может проводить до тех пор, пока входной сигнал не превысит напряжение смещения.

Рис. 30–19. Последовательный диодный ограничитель со смещением.

На рис. 30–20 показан выходной сигнал, полученный в результате перемены полярности диода и напряжения смещения в последовательном ограничителе.

Рис. 30–20. Выходной сигнал при перемене полярности диода и источника смещения в смещенном последовательном диодном ограничителе.

Цепь параллельного ограничения выполняет те же функции, что и последовательный ограничитель (рис. 30–21). Разница состоит в том, что диод включен параллельно выходу. Эта цепь обрезает отрицательную часть входного сигнала.

Рис. 30–21. Параллельный диодный ограничитель.

На рис. 30–22 показано влияние перемены полярности диода. Параллельный ограничитель может быть смещен для изменения уровня ограничения сигнала, как показано на рис. 30–23 и рис. 30–24.

Рис. 30–22. Перемена полярности диода в параллельном диодном ограничителе.

Рис. 30–23. Параллельный диодный ограничитель со смещением.

Рис. 30–24. Перемена полярности диода и источника смещения в смещенном параллельном диодном ограничителе.

Если необходимо ограничить сигнал и с положительной, и с отрицательной сторон, используются два смещенных диода, включенных параллельно выходу (рис. 30–25). Это позволяет получить выходной сигнал с амплитудой, не превышающей заранее определенный положительный и отрицательный уровень. При таком преобразовании выходной сигнал приобретает форму, близкую к прямоугольной. Следовательно, эта цепь называется генератором прямоугольных колебаний.

Рис. 30–25. Ограничитель, используемый для ограничения сигнала и с положительной, и с отрицательной сторон.

На рис. 30–26 изображена другая схема ограничителя, ограничивающего сигнал как с положительной стороны, так и с отрицательной с помощью двух стабилитронов. Выходной сигнал ограничен с двух сторон напряжениями стабилизации стабилитронов. Между этими пределами ни один стабилитрон не проводит и входной сигнал проходит на выход.

Рис. 30–26. Другая схема ограничителя, ограничивающая амплитуду сигнала как с положительной стороны, так и с отрицательной.

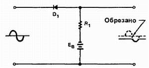
Иногда желательно изменить уровень отсчета постоянного тока для сигнала переменного тока. Уровень отсчета постоянного тока — это уровень, относительно которого измеряется сигнал переменного тока. Фиксатор может использоваться для фиксации верхнего или нижнего значения сигнала при заданном постоянном напряжении. В отличие от ограничителя сигнала, фиксатор не изменяет форму сигнала. Диодный фиксатор (рис. 30–27) называют восстановителем постоянной составляющей. Эта цепь обычно используется в радиолокаторах, телевидении, телекоммуникациях и в компьютерах. В изображенной цепи на вход подан сигнал прямоугольной формы. Назначение цепи — ограничить максимальное значение сигнала напряжением 0 вольт без изменения формы сигнала.

Рис. 30–27. Диодный фиксатор.

30-2. Вопросы

1. Нарисуйте схемы следующих RC цепей:

а. Дифференцирующей;

б. Интегрирующей.

2. Каковы функции дифференцирующей и интегрирующей цепей?

3. Нарисуйте схемы следующих цепей:

а. Ограничителя;

б. Фиксатора.

4. Каковы функции ограничителя и фиксатора?

5. Для чего применяются следующие цепи:

а. Дифференцирующая;

б. Интегрирующая;

в. Ограничитель;

г. Фиксатор.

30-3. ЦЕПИ СПЕЦИАЛЬНОГО НАЗНАЧЕНИЯ

Префикс моно- означает одно. Моностабильный мультивибратор имеет только одно стабильное состояние. Его иначе называют ждущим мультивибратором, так как он выдает только один выходной импульс для каждого входного импульса. Выходной импульс обычно длиннее входного. Следовательно, эта цепь может также называться расширителем импульсов. Обычно схема используется, как логический элемент в компьютерах, электронных схемах управления и в коммуникационном оборудовании.

На рис. 30–28 изображена схема моностабильного мультивибратора.

Рис. 30–28. Моностабильный мультивибратор.

Цепь обычно находится в стабильном состоянии. Под воздействием входного пускового сигнала, она переключается в нестабильное состояние. Время нахождения схемы в нестабильном состоянии определяется постоянной времени RC цепочки, состоящей из резистора R2 и конденсатора С1. Конденсатор С2 и резистор R5 образуют дифференцирующую цепь, преобразующую входной импульс в положительный и отрицательный пики. Диод D1 позволяет пройти только отрицательному пику, включающему цепь.

Бистабильный мультивибратор — это мультивибратор, имеющий два стабильных состояния (би- означает два). Эта цепь требует двух входов для завершения полного цикла.

Импульс, поданный на один вход устанавливает цепь в одно из стабильных состояний. Импульс на другом входе переустанавливает цепь в другое стабильное состояние. Эта цепь часто называется триггером из-за своего режима работы.

Основная триггерная схема генерирует прямоугольные колебания для использования в качестве стробирующих или синхронизирующих сигналов для операций переключения в схемах двоичных счетчиков (рис. 30–29).

Рис. 30–29. Основная схема триггера.

В сущности, это два транзисторных усилителя, у которых выход каждого транзистора связан со входом другого. Когда на вход установки подается входной сигнал, транзистор Q1 открывается и запирает транзистор Q2. Когда транзистор Q2 закрыт, он подает положительный потенциал на базу транзистора Q1,удерживая его в открытом состоянии. Если теперь подать импульс на вход сброс, транзистор Q2 откроется, запирая транзистор Q1. Запертый транзистор Q1 удерживает транзистор Q2 открытым.

Триггеры, собранные из дискретных компонентов, в настоящее время применяются редко. Однако интегральные микросхемы триггеров находят широкое применение. Это, возможно, наиболее важная цепь в цифровой электронике, используемая для деления частоты, хранения данных, их счета и обработки.

Другую бистабильную цепь представляет собой триггер Шмитта (рис. 30–30).

Рис. 30–30. Основная схема триггера Шмитта.

Одним из применений триггера Шмитта является преобразование синусоидальных, пилообразных и других колебаний в колебания прямоугольной формы. Эта цепь отличается от обычного бистабильного мультивибратора тем, что одна из цепей связи заменена резистором (R3), общим для обоих эмиттеров, и это обеспечивает дополнительное восстановление сигналов для ускорения работы цепи и спрямляет передний и задний фронты выходных импульсов.

30-3. Вопросы

1. Что такое моностабильный мультивибратор?

2. Нарисуйте схему ждущего мультивибратора.

3. Что такое бистабильный мультивибратор?

4. Нарисуйте схему триггера.

5. Чем триггер Шмитта отличается от стандартного бистабильного мультивибратора?

РЕЗЮМЕ

• Форма сигналов может быть изменена с помощью различных электронных цепей.

• Частотный анализ показывает, что все периодические сигналы состоят из синусоид.

• Периодические сигналы имеют одинаковую форму во всех циклах.

• Только синусоиды не искажаются RC, RL и LC цепями.

• Частотный анализ показывает, что несинусоидальные периодические сигналы состоят из синусоид основной частоты и комбинации четных и нечетных гармоник.

• Прямоугольные периодические колебания состоят из основной частоты и бесконечного количества нечетных гармоник.

• Пилообразные периодические колебания состоят из основной частоты и четных и нечетных гармоник, пересекающих ось координат со сдвигом по фазе на 180 градусов по отношению к основной частоте.

• Период сигнала измеряется интервалом времени от любой точки цикла до такой же точки следующего цикла.

• Длительность импульса — это длина импульса по оси времени.

• Скважность — это отношение длительности импульса к его периоду.

• Время нарастания импульса — это время, необходимое для увеличения импульса от 10 % до 90 % от величины максимальной амплитуды.

• Время спада импульса — это время, за которое импульс уменьшается от 90 % до 10 % от величины максимальной амплитуды.

• Положительный выброс, отрицательный выброс и «звон» нежелательны в цепи и существуют вследствие несовершенства цепей.

• RC цепь может быть использована для изменения формы сложного колебания.

• Если параллельно выходу RC цепи подключен резистор, то цепь называется дифференцирующей.

• Если параллельно выходу RC цепи подключен конденсатор, то цепь называется интегрирующей.

• Цепи ограничения используются для обрезания пиков приложенного сигнала или для поддержания постоянной амплитуды.

• Цепи фиксации используются для фиксации верхнего или нижнего значения сигнала при заданном постоянном напряжении.

• Моностабильный мультивибратор (ждущий мультивибратор) выдает только один выходной импульс для каждого входного импульса.

• Бистабильные мультивибраторы имеют два стабильных состояния и называются триггерами.

• Триггер Шмитта — это бистабильный мультивибратор специального назначения.

Глава 30. САМОПРОВЕРКА

1. Опишите принципы частотного анализа формы периодических сигналов.

2. Почему в цепях формирования сигналов имеют место такие проблемы, как положительный выброс, отрицательный выброс и «звон*?

3. Опишите, где используются интегрирующие и дифференцирующие цепи.

4. Как можно изменить уровень постоянной составляющей сигнала?

5. Объясните разницу между функциями моностабильной и бистабильной цепи.

6. Каково значение триггера?

Более 800 000 книг и аудиокниг! 📚

Получи 2 месяца Литрес Подписки в подарок и наслаждайся неограниченным чтением

ПОЛУЧИТЬ ПОДАРОК