Глава 34. Последовательные логические цепи

ЦЕЛИ

После изучения этой главы студент должен быть в состоянии:

• Описать функции триггера.

• Перечислить основные типы триггеров.

• Нарисовать схематические обозначения триггеров.

• Описать, как триггеры используются в цифровых цепях.

• Описать, как работает счетчик и сдвиговый регистр.

• Перечислить различные типы счетчиков и сдвиговых регистров.

• Нарисовать схематические обозначения счетчиков и сдвиговых регистров.

• Перечислить применения счетчиков и сдвиговых регистров.

Последовательные логические цепи состоят из цепей, требующих синхронизации и устройств памяти. Основным строительным блоком для последовательных логических цепей являются триггеры. Триггеры могут быть соединены вместе и образовывать счетчики, сдвиговые регистры и устройства памяти.

Триггеры принадлежат к категории цифровых цепей, которые называются мультивибраторами. Мультивибратор — это цепь с положительной обратной связью, имеющая два активных устройства, рассчитанных таким образом, что одно устройство проводит ток, в то время как другое устройство закрыто. Мультивибраторы могут хранить двоичные числа, импульсы счета, синхронизировать арифметические операции и выполнять другие полезные функции в цифровых системах.

Существуют три типа мультивибраторов: бистабильные, моностабильные и астабильные. Бистабильные мультивибраторы называются триггерами.

34-1. ТРИГГЕРЫ

Триггер — это бистабильный мультивибратор, на выходе которого может быть либо высокое, либо низкое напряжение, то есть либо 1, либо 0. На выходе триггера остается высокое или низкое напряжение до тех пор, пока на вход не будет подан пусковой сигнал.

Основным триггером является RS-триггер. Он образован двумя перекрестно-связанными элементами НЕ-ИЛИ или НЕ-И (рис. 34-1).

Рис. 34-1. Основная схема триггера.

RS-триггер имеет два выхода Q и Q- и два управляющих входа, R (Reset — сброс) и S (Set — установка). На выходах триггера уровни всегда противоположны или дополняющие: если Q = 1, то Q- = 0 и наоборот.

Для того чтобы понять работу цепи, предположим что выход Q, вход R и вход S имеют низкий уровень сигнала. Низкий уровень выхода Q связан с одним из входов элемента 2. На входе S также низкий уровень сигнала. На выходе элемента 2 высокий уровень. Этот высокий уровень связан со входом элемента 1, удерживая его выход на низком уровне. Когда на выходе Q появляется низкий уровень, говорят, что триггер находится в исходном состоянии (RESET). Он остается в этом состоянии неопределенно долго, до тех пор, пока на вход S элемента 2 не будет подан высокий уровень. Когда это произойдет, на выходе элемента 2 появится низкий уровень, а он связан со входом элемента 1. Поскольку на входе R элемента 1 низкий уровень, на его выходе низкий уровень изменится на высокий. Этот высокий уровень связан со входом элемента 2, обеспечивая на выходе Q- низкий уровень. Когда на выходе Q высокий уровень, говорят, что триггер находится в единичном (SET) состоянии. Он остается в этом состоянии до тех пор, пока на вход R не будет подан высокий уровень, переводящий триггер в исходное состояние.

«Недопустимое» или «неразрешенное» состояние имеет место, когда одновременно на оба входа, R и S,_подается высокий уровень. В этом случае выходы Q и Q- пытаются перейти в низкое состояние, но Q и Q- не могут быть одновременно в одинаковом состоянии без нарушения работы триггера. При одновременном отключении высокого уровня со входов R и S, оба выхода пытаются перейти в состояние с высоким уровнем. Поскольку всегда логические элементы немного отличаются друг от друга, то один из них перейдет в состояние с высоким уровнем раньше. Это заставит другой элемент перейти в состояние с низким уровнем. В этом случае имеет место непредсказуемый режим работы и, следовательно, состояние выходов триггера не может быть определено.

На рис. 34-2 изображена таблица истинности для работы RS-триггера. На рис. 34-3 изображено упрощенное схематическое обозначение RS-триггера.

Рис. 34-2. Таблица истинности для RS-триггера.

Рис. 34-3 Логическое обозначение RS-триггера.

Другим типом триггера является триггер с синхронизирующим входом. Он отличается от RS-триггера тем, что для его работы необходим дополнительный вход. Третий вход называется тактовым (или синхронизирующим) входом (CLK). На рис. 34-4 изображена логическая схема триггера с синхронизирующим входом. Сигнал высокого уровня на любом из входов входного блока триггера активизирует триггер, заставляя его изменить состояние. Входной блок, называемый «управляющим элементом», управляет или направляет тактовые импульсы на входы элементов триггера.

Рис. 34-4. Логическая схема тактируемого RS-триггера.

Триггер с синхронизирующим входом управляется логическими состояниями входов R и S при наличии тактового импульса. Изменение состояния триггера происходит только по переднему фронту тактового импульса. Передний фронт тактового импульса — это переход в положительном направлении (от низкого к высокому), что означает возрастание амплитуды импульса от нулевого напряжения до положительного значения. Это называется запуск по положительному фронту (фронту импульса, запускающему цепь).

Пока уровень на тактовом входе низкий, уровни входов R и S могут изменяться, не влияя на состояние триггера.

Входы R и S становятся чувствительными только в течение тактового импульса. Это называется синхронной работой. Триггер работает синхронно с тактовым сигналом.

Синхронная работа важна в компьютерах и калькуляторах, когда каждый шаг выполняется в определенном порядке. На рис. 34-5 изображен логический символ, используемый для обозначения тактируемого RS-триггера.

Рис. 34-5. Логическое обозначение тактируемого RS-триггера.

D-триггер полезен, когда должен быть сохранен только один бит данных (1 или 0). На рис. 34-6 изображена логическая схема D-триггера. Он имеет один вход для данных и вход для тактовых импульсов. D-триггер также называют триггером с задержкой. Вход D задерживает один тактовый импульс перед изменением уровня выхода (Q).

Рис. 34-6. Логическая схема и обозначение D-триггера.

Иногда D-триггер имеет вход PS (предустановка) и вход CLR (очистка). Когда на вход предустановки подан низкий уровень (0), он устанавливает выход Q в состояние 1. Когда на вход очистки подан 0, Q также устанавливается 0.

D-триггеры, соединенные вместе, образуют сдвиговые регистры и регистры памяти. Эти регистры широко используются в цифровых системах.

Наиболее широко используемый триггер — это JK-триггер. Он обладает всеми особенностями триггеров других типов. Логическая схема и обозначение JK-триггера показаны на рис. 34-7.

Рис. 34-7. Логическая схема и обозначение JK-триггера.

J и К — это входы. Важная особенность JK-триггера состоит в том, что при подаче на оба входа J и К высокого уровня сигнала, повторяющиеся тактовые импульсы заставляют выход переключаться или изменять состояние. Два асинхронных входа, PS (предустановка) и CLR (очистка), блокируют синхронные входы, входы данных J и К и вход тактовых импульсов. JK-триггеры широко используются во многих цифровых цепях, особенно в схемах счетчиков. Счетчики можно найти почти в каждой цифровой системе.

Защелка — это устройство, служащее временным буфером памяти. Оно используется для сохранения данных после удаления входного сигнала. D-триггер является хорошим примером защелки. Для защелки также могут быть применены другие типы триггеров.

Защелка используется на входах семисегментных индикаторов. Без защелки изображенная информация будет исчезать вместе с исчезновением входного сигнала. При наличии защелки информация сохранится на экране до тех пор, пока не будет обновлена.

На рис. 34-8 изображена 4-разрядная защелка.

Рис. 34-8. Четырехразрядная защелка.

Это устройство содержит 4 D-триггера, заключенных в один корпус интегральной микросхемы. Входы Е (разрешение) подобны тактовому входу D-триггера. Данные фиксируются, когда уровень на входе разрешения становится низким, то есть равным 0. Когда уровень на входе разрешения высокий, или 1, уровни выходов повторяют уровни входов. Это означает, что выход будет изменяться при любом изменении состояния входа; например, если на входе высокий уровень, то на выходе тоже появится высокий уровень; если на входе низкий уровень, то на выходе тоже появится низкий уровень. В таком состоянии защелка называется прозрачной.

34-1. Вопросы

1. Что такое триггер?

2. Каковы различные типы триггеров?

3. Что такое синхронизируемый триггер?

4. В чем отличие между асинхронным входом и синхронным входом?

5. Что такое защелка?

34-2. СЧЕТЧИКИ

Счетчик — это логическая схема, способная считать последовательность чисел или состояний при активизации тактовым импульсом. Выход счетчика показывает двоичное число, хранящееся в счетчике в любой данный момент времени. Количество отсчетов, которое совершает счетчик перед возвращением в исходное состояние, называется коэффициентом счета счетчика.

Триггер может работать как простой счетчик, будучи соединенным, как показано на рис. 34-9.

Рис. 34-9. JK-триггер, установленный для счета.

Предположим, что сначала триггер находится в исходном состоянии. Тогда первый тактовый импульс установит его в единичное состояние (Q = 1). Второй тактовый импульс переведет триггер в исходное состояние (Q = 0). Поскольку триггер имеет два состояния, то он может определить только два уровня тактовых импульсов.

На рис. 34–10 изображена форма выходных импульсов триггера.

Рис. 34–10. Форма входных и выходных импульсов JK-триггера, установленного для счета.

Заметим, что уровень на выходе Q высокий (1) после каждого нечетного импульса, и низкий (0) после каждого четного импульса. Следовательно, когда на выходе высокий уровень, прошло нечетное количество импульсов. Когда на выходе низкий уровень, импульсов либо не было вообще, либо прошло их четное количество. Какой из этих случаев имел место — неизвестно.

Простой триггер имеет ограниченную последовательность счета, 0 и 1. Для увеличения емкости счетчика необходимы дополнительные триггеры. Максимальное количество двоичных состояний, которым может обладать счетчик, зависит от количества триггеров в счетчике. Оно может быть выражено следующей формулой:

N = 2n,

где N — максимальное количество состояний счетчика, n — количество триггеров в счетчике.

Двоичные счетчики делятся на две категории: асинхронные и синхронные, в зависимости от того, как используется последовательность тактовых импульсов.

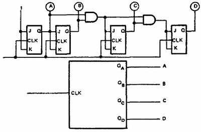
Асинхронный означает неодновременный. По отношению к операциям счета асинхронность означает, что триггеры изменяют свое состояние неодновременно. Это обусловлено тем, что источник тактовых импульсов не соединен с тактовым входом каждого разряда. На рис. 34–11 изображен двухразрядный счетчик, соединенный для работы в асинхронном режиме. Каждый триггер счетчика называется разрядом.

Рис. 34–11. Двухразрядный счетчик.

Заметим, что выход Q- первого разряда связан с тактовым входом второго разряда. Второй разряд изменяет свое состояние только при изменении состояния выхода первого разряда. Вследствие задержки сигнала триггером, второй триггер изменяет свое состояние неодновременно с подачей тактового импульса. Следовательно, два триггера переключаются неодновременно, что является результатом асинхронного режима работы.

Асинхронные счетчики обычно называют счетчиками пульсаций. Входной тактовый импульс сначала принимает первый триггер. Второй триггер не реагирует на сигнал в тот же самый момент, вследствие его задержки первым триггером. В многоразрядном счетчике задержка имеет место на каждом триггере, так что влияние входного тактового импульса как бы «пульсирует» проходя через счетчик.

На рис. 34–12 изображен трехразрядный двоичный счетчик и графики синхронизации для каждого разряда. Для отображения счетной последовательности приведена таблица истинности.

Рис. 34–12. Трехразрядный двоичный счетчик.

Синхронный означает одновременный. Синхронный счетчик — это счетчик, в котором все разряды получают тактовый импульс одновременно, что достигается параллельным соединением их тактовых входов (рис. 34–13).

Рис. 34–13. Двухразрядный синхронный счетчик.

Синхронный счетчик также называют параллельным счетчиком, так как тактовые входы всех триггеров соединены параллельно.

Синхронный счетчик работает следующим образом. Сначала счетчик устанавливается в исходное состояние, при этом оба триггера имеют на выходе состояние 0. Когда подается первый тактовый импульс, первый триггер переключается, и на его выходе появляется высокий уровень сигнала. Второй триггер не переключается вследствие задержки между подачей входного сигнала и реальным изменением состояния выхода. Следовательно, выходное состояние второго триггера не изменяется. Когда подается второй тактовый импульс, первый триггер переключается, и на его выходе появляется низкий уровень. Поскольку на входе второго триггера был высокий уровень, он переключается, и на его выходе появляется высокий уровень. После четырех тактовых импульсов счетчик вернется в исходное состояние. На рис. 34–14 изображена временная диаграмма работы двухразрядного синхронного счетчика для четырех тактовых импульсов.

Рис. 34–14. Форма входных и выходных импульсов двухразрядного синхронного счетчика.

На рис. 34–15 изображен трехразрядный двоичный счетчик и временная диаграмма его работы. На рис. 34–16 изображен четырехразрядный двоичный счетчик и его логическое обозначение.

Рис. 34–15. Трехразрядный двоичный счетчик и временная диаграмма.

Рис. 34–16. Логическая схема и обозначение четырехразрядного синхронного счетчика.

Одним из применений счетчиков является деление частоты. Простой триггер выдает один импульс на каждые два входных импульса. Следовательно, он является устройством для деления на 2, выходная частота которого вдвое меньше входной. Двухразрядный двоичный счетчик является устройством деления на 4, выходная частота которого вчетверо меньше входной тактовой частоты. Четырехразрядный двоичный счетчик является устройством деления на 16, выходная частота которого в 16 раз меньше входной тактовой частоты (рис. 34–17).

Рис. 34–17. Счетчик в качестве делителя частоты.

Двоичный счетчик с п разрядами делит тактовую частоту на 2n. Трехразрядный счетчик делит тактовую частоту на 8 (23), четырехразрядный на 16 (24), пятиразрядный на 32 (25) и т. д. Заметим, что коэффициент счета счетчика равен коэффициенту деления частоты.

Десятичные счетчики имеют коэффициент счета, равный десяти или десять состояний в последовательности счета. Обычным десятичным счетчиком является двоично-десятичный счетчик, выдающий последовательность в двоично-десятичном коде (рис. 34–18). Элементы И и ИЛИ регистрируют появление девятого состояния и возвращают счетчик в исходное состояние к началу следующего тактового импульса. На рис. 34–19 изображено логическое обозначение десятичного счетчика.

Рис. 34–18. Синхронный двоично-десятичный счетчик.

Рис. 34–19. Логическое обозначение десятичного счетчика.

Реверсивный счетчик может считать в любом направлении в пределах заданной последовательности. Его также называют двунаправленным счетчиком. Направление счета можно изменить на обратное в любой точке последовательности счета. Его обозначение показано на рис. 34–20.

Рис. 34–20. Логическое обозначение реверсивного счетчика.

На рис. 34–21 показана логическая схема реверсивного двоично-десятичного счетчика. Входы JK-триггеров управляются входом переключения направления счета через логические элементы.

Рис. 34–21. Логическая схема двоично-десятичного реверсивного счетчика.

Счетчики могут быть остановлены после любой счетной последовательности с помощью логического элемента или комбинации логических элементов. С выхода логического элемента подается обратная связь на вход первого триггера в счетчике пульсаций. Если обратная связь подает 0 на вход JK первого триггера (рис. 34–22), то это препятствует переключению первого триггера и, следовательно, останавливает счет.

Рис. 34–22. Низкий уровень, поданный на вход JK первого триггера, препятствует его переключению и останавливает счет.

34-2. Вопросы

1. Для чего служит счетчик?

2. Каков размер счетной последовательности восьмиразрядного счетчика?

3. Как работает асинхронный счетчик?

4. Чем синхронный счетчик отличается от асинхронного счетчика?

5. Как можно остановить счетчик в любой момент счета?

34-3. СДВИГОВЫЕ РЕГИСТРЫ

Сдвиговый регистр — это последовательная логическая цепь, широко используемая для временного хранения данных. Данные могут быть загружены в сдвиговый регистр и удалены оттуда либо в параллельной, либо в последовательной форме. На рис. 34–23 показаны четыре различных метода загрузки и чтения данных в сдвиговом регистре. Благодаря их способности перемещать данные по одному биту из одного места хранения в другое, сдвиговые регистры полезны при выполнении различных логических операций.

Рис. 34–23. Методы загрузки и чтения данных в сдвиговом регистре.

Сдвиговые регистры состоят из соединенных между собой триггеров. Триггеры обладают всеми функциями, необходимыми для регистра: их можно установить в исходное состояние, предустановить, переключить или управлять уровнями 1 или 0. На рис. 34–24 изображен основной сдвиговый регистр, состоящий из четырех триггеров. Он называется четырехразрядным сдвиговым регистром, так как состоит из четырех двоичных элементов хранения информации.

Рис. 34–24. Сдвиговый регистр, составленный из четырех триггеров.

Важной особенностью сдвигового регистра является то, что он может перемещать данные вправо и влево по отношению к исходному положению разрядов. Это эквивалентно умножению или делению записанного числа на определенный множитель. Данные сдвигаются на один разряд при подаче каждого тактового импульса. Тактовые импульсы полностью управляют работой сдвигового регистра.

На рис. 34–25 изображен типичный 4-разрядный сдвиговый регистр, состоящий из JK-триггеров.

Рис. 34–25. Типичный сдвиговый регистр, составленный из JK-триггеров.

Последовательные данные и их дополнения подаются на JK входы триггера А. Остальные триггеры соединены каскадно, то есть выходы одного подсоединены ко входам следующего. Переключатели всех триггеров соединены вместе, и по этой линии подаются тактовые импульсы. Поскольку все триггеры переключаются одновременно — цепь является синхронной. Кроме того, входы очистки каждого триггера соединены вместе и образуют линию сброса. Данные, поданные на вход, сдвигаются триггерами на один разряд по каждому тактовому импульсу. Например, если на вход сдвигового регистра подано двоичное число 1011, и подан сдвиговый импульс, то число, записанное в сдвиговом регистре, выдвигается на один разряд и теряется, тогда как новое число вдвигается на один разряд. На рис. 34–26 показана последовательность совершаемых действий при записи числа в сдвиговый регистр.

Рис. 34–26. Хранение числа в сдвиговом регистре.

Одним из наиболее частых применений сдвигового регистра является преобразование данных из последовательной формы представления в параллельную, и наоборот. На рис. 34–27 показано как данные в параллельном коде могут быть загружены в сдвиговый регистр. Для работы с данными в параллельном коде входные данные предустанавливаются в сдвиговом регистре. Когда данные находятся в сдвиговом регистре, они могут быть последовательно выдвинуты, как было описано ранее.

Рис. 34–27. Загрузка данных в сдвиговый регистр при использовании параллельного входа.

Для преобразования данных из последовательной формы представления в параллельную, они сначала помещаются в сдвиговый регистр с помощью тактовых импульсов.

Когда данные находятся в сдвиговом регистре, выходы отдельных триггеров контролируются одновременно, и данные направляются по назначению.

Сдвиговые регистры могут выполнять арифметические операции, такие как умножение или деление. Сдвиг двоичного числа, хранящегося в сдвиговом регистре, вправо, дает такой же эффект, что и деление этого числа на некоторую степень 2. Сдвиг двоичного числа, хранящегося в сдвиговом регистре, влево, дает такой же эффект, что и умножение этого числа на некоторую степень 2. Сдвиговые регистры предоставляют простой и недорогой способ выполнения умножения и деления чисел.

Сдвиговые регистры часто используются для временного хранения данных. Сдвиговые регистры, используемые для хранения данных, способны хранить одно или более двоичных слов. Для сдвиговых регистров, применяемых для этих целей, существуют три требования: во-первых, он должен быть в состоянии принимать и хранить данные, во-вторых, быть способен находить и читать эти данные по команде и, в-третьих, когда данные прочитаны, они не должны быть потеряны. На рис. 34–28 изображены внешние цепи, позволяющие сдвиговому регистру читать и обслуживать данные, хранящиеся в нем. Когда на линии чтения/записи высокий уровень, она позволяет поместить в сдвиговый регистр новые данные. После того, как данные помещены в регистр, уровень на линии чтения/записи становится низким, открывая элемент 2, позволяющий данным перезаписаться во время их чтения.

Рис. 34–28. Внешние цепи сдвигового регистра для обслуживания и чтения данных.

34-3. Вопросы

1. Каковы функции сдвигового регистра?

2. Что является важной особенностью сдвигового регистра?

3. Из каких логических элементов состоят сдвиговые регистры?

4. Где чаще всего применяются сдвиговые регистры?

5. Какие арифметические операции может выполнять сдвиговый регистр, и как он их выполняет?

РЕЗЮМЕ

• Триггер — это бистабильный мультивибратор, на выходе которого может быть либо низкий, либо высокий уровень сигнала.

• Триггеры бывают следующих типов:

а. RS;

б. тактируемый RS;

в. D;

г. JK.

• Триггеры используются в цифровых цепях в качестве счетчиков.

• Защелка — это временный буфер памяти.

• Счетчик — это логическая цепь, которая может считать последовательность чисел или состояний.

• Один триггер может сосчитать последовательность из двух чисел, 0 и 1.

• Максимальное число двоичных состояний счетчика может зависеть от количества триггеров, содержащихся в счетчике.

• Счетчики могут быть либо синхронными, либо асинхронными.

• Асинхронные счетчики называют счетчиками пульсаций.

• Синхронные счетчики тактируют все каскады одновременно.

• Сдвиговые регистры используются для временного хранения данных.

• Сдвиговые регистры состоят из соединенных вместе триггеров.

• Сдвиговые регистры могут перемещать данные влево или вправо.

• Сдвиговые регистры используются для преобразования данных из последовательной формы представления в параллельную, и наоборот.

• Сдвиговые регистры могут выполнять умножение и деление.

Глава 34. САМОПРОВЕРКА

1. Опишите, как RS-триггер изменяет состояния с высокого на выходе Q на высокое на выходе Q-.

2. В чем главное отличие D-триггера от тактируемого RS-триггера?

3. Из каких компонентов состоит счетчик, и как он сконструирован?

4. Нарисуйте схему счетчика, который считает до 10 и после этого повторяет счет.

5. Чем сдвиговый регистр отличается от счетчика?

6. Какие функции выполняет и для чего может использоваться сдвиговый регистр?

Более 800 000 книг и аудиокниг! 📚

Получи 2 месяца Литрес Подписки в подарок и наслаждайся неограниченным чтением

ПОЛУЧИТЬ ПОДАРОК