1.2. Сетевой миниатюрный

Янцев В. [2]

Габариты этого блока питания — 70х40х40 мм, выходное стабилизированное напряжение — 5 В ± 10 %, наибольший ток нагрузки — 200 мА. Принципиальная схема блока питания показана на рис. 2.

Рис. 2. Принципиальная схема сетевого миниатюрного блока питания

Первичная обмотка сетевого трансформатора подключается к сети переменного тока через гасящий конденсатор С1, а вторичная нагружена на диодный мост VD1. Выпрямленное напряжение с фильтрующего конденсатора С2 поступает на стабилизатор напряжения, выполненный по классической схеме на транзисторе VT1 и стабилитроне VD2. Выходное напряжение дополнительно сглаживается конденсаторами С3 по низкой частоте и С4 — по высокой. Резистор R1 предназначен для разряда гасящего конденсатора после отключения блока питания от электросети. Сопротивление резистора R2 обеспечивает оптимальный ток стабилитрона.

Трансформатор Т1 собирается на магнитопроводе Ш10х10.

Автор в статье приводит следующие намоточные данные трансформатора: первичная обмотка — 4600 витков провода ПЭВ-1 диаметром 0,1 мм, вторичная обмотка — 250 витков провода ПЭВ-1 диаметром 0,3 мм.

Налаживание устройства сводится к подбору емкости конденсатора С1, на котором должно падать 100–120 В переменного напряжения. Кроме того, нужно подобрать сопротивление резистора R2: ток через него, который находится делением напряжения на конденсаторе С2 на сопротивление R2, должен быть примерно равен 30 мА.

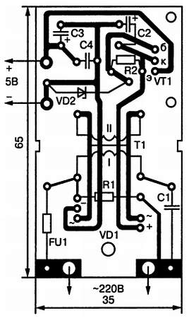
Все элементы схемы размещаются на печатной плате, как показано на рис. 3.

Рис. 3. Печатная плата сетевого миниатюрного блока питания

Более 800 000 книг и аудиокниг! 📚

Получи 2 месяца Литрес Подписки в подарок и наслаждайся неограниченным чтением

ПОЛУЧИТЬ ПОДАРОК