2.5. Испытатель мощных транзисторов

Белоусов А. [11]

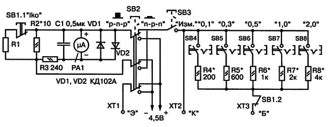
Этот прибор позволяет измерять обратный ток коллектор-эмиттер IКЭ, обратный ток коллектора IКБО, а также статический коэффициент передачи тока в схеме с общим эмиттером h21Э мощных биполярных транзисторов обеих структур. Принципиальная схема испытателя показана на рис. 13.

Рис. 13. Принципиальная схема испытателя мощных транзисторов

Выводы испытуемого транзистора подключаются к клеммам ХТ1, ХТ2, ХТЗ, обозначенных буквами «э», «к» и «б». Переключатель SB2 используется для переключения полярности питания в зависимости от структуры транзистора. Переключателями SB1 и SB3 пользуются в процессе измерений. Кнопки SB4-SB8 предназначены для изменения пределов измерения путем изменения тока базы.

Для измерения обратного тока коллектор-эмиттер нажимают кнопки SB1 и SB3. При этом отключается база контактами SB 1.2 и отключается шунт R1 контактами SB 1.1. Тогда предел измерения тока составляет 10 мА. Для измерения обратного тока коллектора отсоединяют вывод эмиттера от клеммы ХТ1, подключают к ней вывод базы транзистора и нажимают кнопки SB1 и SB3. Полное отклонение стрелки вновь соответствует току 10 мА.

Для измерения коэффициента передачи тока при подключении всех выводов транзистора нажимают одну из кнопок SB4-SB8, задавая ток базы, и кнопку SB3. При этом показания стрелочного прибора (шкала -100 делений) нужно умножить на коэффициент, показанный над кнопкой заданного тока базы.

Испытатель рассчитан на применение микроамперметра типа М24 с током полного отклонения 100 мкА и сопротивлением рамки 750 Ом. С учетом шунтов R1 и R2 полное отклонение стрелки должно происходить при токе в цепи, равном 200 мА. Для этого сопротивление резистора R1 должно быть равно 0,52 Ом. Но из-за естественного разброса сопротивлений R2 и R3 целесообразно подобрать сопротивление шунта R1 так, чтобы полное отклонение стрелки происходило при токе в цепи, равном 200 мА. Нужно также подобрать сопротивления резисторов R4-R8 так, чтобы ток базы был равен 20, 6.6, 4.2 и 1 мА соответственно при нажатии кнопок от SB4 до SB8.

Более 800 000 книг и аудиокниг! 📚

Получи 2 месяца Литрес Подписки в подарок и наслаждайся неограниченным чтением

ПОЛУЧИТЬ ПОДАРОК