2.1. Самый простой…

Шишенков В. [7]

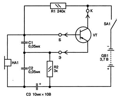
Принципиальная схема достаточно простого испытателя маломощных транзисторов приведена на рис. 9. Он представляет собой генератор звуковой частоты, который при исправном транзисторе VT возбуждается, и излучатель НА1 воспроизводит звук.

Рис. 9. Схема простого испытателя транзисторов

Питание устройства осуществляется от батареи GB1 типа 3336Л напряжением от 3,7 до 4,1 В. В качестве звукоизлучателя используется высокоомный телефонный капсюль. При необходимости проверки транзистора структуры n-p-n достаточно поменять полярность включения батареи питания. Эту схему можно также использовать в качестве звукового сигнализатора, управляемого вручную кнопкой SA1 или контактами какого-либо устройства.

Более 800 000 книг и аудиокниг! 📚

Получи 2 месяца Литрес Подписки в подарок и наслаждайся неограниченным чтением

ПОЛУЧИТЬ ПОДАРОК