4.1. Сигнализатор «Прикройте холодильник»

Нечаев И. [17]

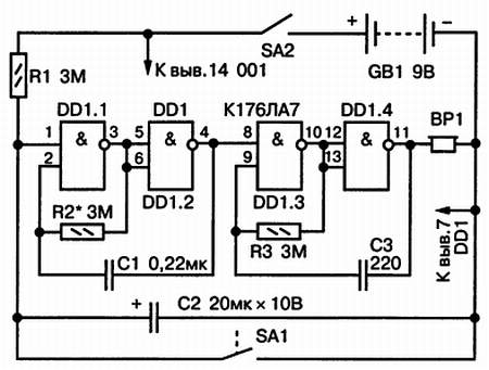
Сигнализатор предназначен для оповещения пользователя бытовым холодильником о том, что его дверца прикрыта не полностью, и представляет собой генератор звуковой частоты. Принципиальная схема сигнализатора приведена на рис. 22.

Рис. 22. Принципиальная схема сигнализатора для холодильника

Работой сигнализатора управляют нормально замкнутые контакты SA1: при открытой двери холодильника контакты размыкаются. При этом через резистор R1 начинает заряжаться конденсатор С2. Примерно через 30 с напряжение на нем достигает порога срабатывания элемента DD1.1 микросхемы. Мультивибратор на элементах DD1.1 и DD1.2 вырабатывает положительные импульсы, длительность которых определяется произведением R1 на С2. При их поступлении на вход мультивибратора, собранного на элементах DD1.3, DD1.4, он генерирует импульсную последовательность с частотой повторения, находящейся в диапазоне звуковых частот. В результате телефонный капсюль BF1 излучает прерывистый звуковой сигнал, частота которого зависит от сопротивления резистор R3 и емкости конденсатора С3. При необходимости открывания двери на длительное время отключают питание устройства тумблером SA2.

Размещение элементов схемы на печатной плате показано на рис. 23.

В устройстве можно использовать также микросхемы К561ЛА7 или К564ЛА7. Для питания можно использовать батарею «Крона».

Рис. 23. Печатная плата сигнализатора для холодильника

Более 800 000 книг и аудиокниг! 📚

Получи 2 месяца Литрес Подписки в подарок и наслаждайся неограниченным чтением

ПОЛУЧИТЬ ПОДАРОК