3.1. Экономичный приемник с фиксированной настройкой

Левченко С. [12]

Особенность этого радиоприемника состоит в чрезвычайно низком напряжении питания и малом потреблении тока. Он сохраняет работоспособность даже при напряжении питания, равном 0,3 В, потребляя всего 160 мкА. Это позволяет использовать самодельные источники питания, например две пластинки из разных металлов с прокладкой между ними в виде влажного мякиша из ржаного хлеба. Принципиальная схема приемника приведена на рис. 14.

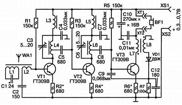
Рис. 14. Схема экономичного приемника с фиксированной настройкой

Входная цепь приемника образована магнитной антенной WA1. Колебательный контур L1, С1 настроен на частоту выбранной радиостанции, a L2 — катушка связи. Конденсатор С2 препятствует замыканию постоянной составляющей тока базы VT1 на землю. На транзисторах VT1 и VT2 собраны одинаковые каскады усилителя радиочастоты с контурами в цепях коллекторов L4, С3 и L6, С6, а также с развязывающими фильтрами L3, С4 и L5, С7. Во избежание ухудшения добротности контуров сигнал снимается с отводов катушек. Резисторы R2 и R4 служат для увеличения входных сопротивлений транзисторов. На транзисторе VT3 собран рефлексный каскад.

Индуктивность L7 высокочастотного трансформатора является нагрузкой усилителя радиочастоты, а сигнал с катушки L8 детектируется диодом VD1. С нагрузки детектора R7 низкочастотный сигнал через конденсатор С9 поступает вновь на базу транзистора, усиливается и воспроизводится телефонным капсюлем BF1.

Катушка L1 намотана виток к витку проводом ПЭЛШО диаметром 0,12 мм на гильзе магнитной антенны и содержит 115 витков, катушка L2 — 10 витков провода ПЭЛШО диаметром 0,2 мм. Стержень антенны — из феррита 400НН диаметром 10 мм и длиной 200 мм. Катушки L4, L6 намотаны на кольцах К7х4х2 из феррита 600НН и содержат по 55 витков провода ПЭЛШО диаметром 0,12 мм с отводом от 17 витков, считая от «горячего» вывода катушки. Дроссели L3, L5 намотаны на таких же кольцах и содержат по 260 витков провода ПЭЛ диаметром 0,1 мм. И на таком же кольце намотаны катушки трансформатора: L7 — 130 витков провода ПЭЛ диаметром 0,12 мм, L8 — 170 витков провода ПЭЛ диаметром 0,1 мм. BF1 — головные телефоны сопротивлением не менее 1600 Ом.

Колебательные контуры приемника настраивают на одну из радиостанций средневолнового диапазона.

Более 800 000 книг и аудиокниг! 📚

Получи 2 месяца Литрес Подписки в подарок и наслаждайся неограниченным чтением

ПОЛУЧИТЬ ПОДАРОК