3.2. Простой карманный приемник

Балек Я. [13]

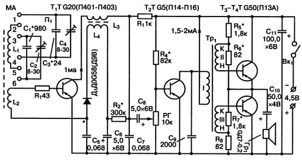
Этот приемник рассчитан на громкоговорящий радиоприем одной станции в диапазоне ДВ и одной — в диапазоне СВ. Принципиальная схема приемника показана на рис. 15.

Рис. 15. Принципиальная схема простого карманного приемника

Входное устройство приемника — магнитная антенна МА. Переключение диапазонов осуществляется сменой конденсаторов входного контура, подключенных к катушке L1: С1, С2 — для диапазона ДВ или СЗ, С4 — для диапазона СВ. С катушки связи L2 принятый сигнал радиочастоты подается на вход первого каскада, собранного по рефлексной схеме. Нагрузкой по высокой частоте является катушка L3, а с катушки L4 сигнал поступает на детектор Д1, нагрузкой которого служит входное сопротивление транзистора Т1. Конденсатор С5 заземляет высокочастотную составляющую продетектированного сигнала. Для повышения коэффициента передачи диод детектора приоткрыт небольшим отпирающим током через резисторы R3 и R2. Конденсаторы С6 и С7 — развязывающие.

Нагрузкой этого же каскада по низкой частоте служит резистор R3, с которого через разделительный конденсатор С8 низкочастотный сигнал подается в цепь базы транзистора ТЗ.

РГ — регулятор громкости. Транзистор Т2 нагружен фазоинверсным трансформатором Тр1, который обеспечивает работу двухтактного выходного каскада, собранного на транзисторах ТЗ и Т4. Динамическая головка Гр1 подключена на выход через разделительный конденсатор СЮ. Питание приемника напряжением 4,5 В производится от батареи 3336Л.

Ферритовый стержень магнитной антенны имеет диаметр 8 мм и длину 100 мм. Катушка L1 намотана литцендратом 7x0,09 виток к витку и содержит 100 витков. Катушка L2 — 8 витков того же литцендрата. Катушки L3 и L4 намотаны на ферритовом кольце с наружным диаметром 10 мм и содержит соответственно 60 и 160 витков провода ПЭЛ диаметром 0,1 мм. Трансформатор Тр1 собран на сердечнике из пермаллоя сечением 0,3 см2. Обмотки намотаны проводом ПЭЛ диаметром 0,08 мм. Обмотка I содержит 1500 витков, а обмотки II и III — по 530 витков.

Все транзисторы можно заменить современными КТ361 с любым буквенным индексом, диод детектора — диодом Д9, динамическую головку — головкой 0,1ГД-6 или другой с сопротивлением звуковой катушки 10 Ом.

Более 800 000 книг и аудиокниг! 📚

Получи 2 месяца Литрес Подписки в подарок и наслаждайся неограниченным чтением

ПОЛУЧИТЬ ПОДАРОК