5.5. Таймер управляет вентилятором

Мовсум-Заде К. [26]

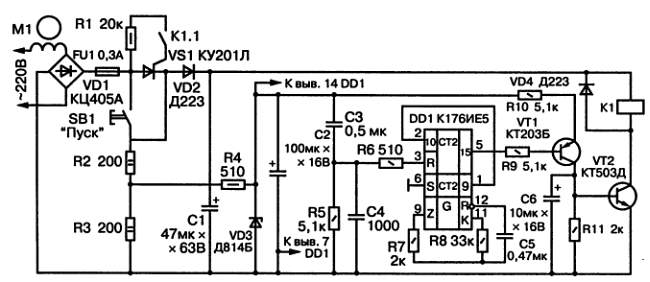
Использование этого таймера совместно с настольным вентилятором позволяет его включить с последующим автоматическим выключением через установленный промежуток времени, который составляет от одной минуты до десятков часов. Принципиальная схема таймера приведена на рис. 33.

Рис. 33. Принципиальная схема таймера для управления вентилятором

Для включения вентилятора Ml следует нажать кнопку SB1. Часть выпрямленного диодным мостом VD1 напряжения с резистора R3 подается на параметрический стабилизатор R4, VD3.C2 для питания схемы таймера, а напряжение с резисторов R2 и R3 через диод VD2 заряжает конденсатор С1. Положительный перепад напряжения включения благодаря наличию элементов С3, R5, С4, R6 образует на выводе 3 интегрального счетчика DD1 импульс, который устанавливает на выводе 5 низкий уровень. Благодаря этому отпираются транзисторы VT2 и VT3, что приводит к срабатыванию реле К1, которое своими контактами К1.1 включает тиристор VS1. В результате вентилятор начинает работать, а питание схемы при отпускании кнопки SB1 не прерывается.

Микросхема К176ИЕ5 содержит генератор прямоугольных импульсов, период повторения которых определяется элементами R7, R8, С5, и 15-разрядный двоичный делитель частоты этих импульсов с выходом на вывод 5. Поэтому через определенное время на выводе 5 микросхемы появится высокий уровень, которым запрется транзистор VT1, за ним — VT2, обесточится реле, разомкнется тиристор, вентилятор остановится и будет снято питание с таймера.

При указанных на схеме параметрах элементов R7, R8, С5 генератор выдает импульсы с периодом повторения 20 мс, и после деления частоты на 214 = 16384 задержка отключения вентилятора получается примерно равной 6 мин.

В качестве электромагнитного реле К1 можно использовать РЭС9, паспорт РС4.524.029-00, РС4.524.029-01, РС4.524.029-07 или РС4.524.029-09 (прежняя нумерация этих паспортов — РС4.524.200, РС4.524.201, РС4.524.209, РС4.524.213).

Размещение элементов схемы на печатной плате показано на рис. 34

Рис. 34. Печатная плата таймера для управления вентилятором

Более 800 000 книг и аудиокниг! 📚

Получи 2 месяца Литрес Подписки в подарок и наслаждайся неограниченным чтением

ПОЛУЧИТЬ ПОДАРОК