3.2. Сирены личной охраны

Шустов М. [13]

Сирены этого класса в носимом варианте рассчитаны на индивидуальное применение для защиты от хулиганов, но могут также использоваться в составе систем охранной сигнализации или монтироваться внутрь кейсов или чемоданов.

Предлагаемая сирена может питаться от автономного источника энергии и в ждущем режиме потребляет единицы микроампер. Схема задающего модуля сирены показана на рис. 19.

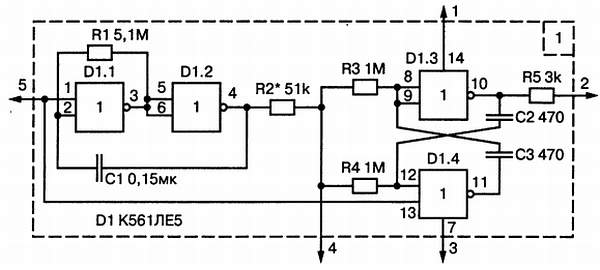
Рис. 19. Принципиальная схема задающего модуля сирены

Задающий модуль сирены собран на элементах 2ИЛИ-НЕ микросхемы К561ЛЕ5. Элементы DD1.1 и DD1.2 образуют импульсный генератор, собранный по традиционной схеме с емкостной обратной связью через конденсатор С1. На элементах DD1.3 и DD1.4 собран симметричный триггер, обеспечивающий получение на выходе (вывод 2) прямоугольных колебаний типа «Меандр».

Принципиальная схема сирены с задающим модулем приведена на рис. 20.

Рис. 20. Принципиальная схема сирены личной охраны

В исходном состоянии контакты тревоги SB1 разомкнуты, составной транзистор, образованный парой VT1, VT2, заперт, и генерация задающего модуля отсутствует. При замыкании контактов SB1 конденсатор С1 быстро заряжается от источника питания, и отпирается составной транзистор VT1/VT2. В результате выводы 3 и 5 задающего модуля заземляются и возникает генерация. Прямоугольные импульсы с выхода задающего модуля поступают на базу составного транзистора VT3/VT4, он отпирается каждым импульсом, и динамическая головка ВА1 воспроизводит звук, частота которого определяется задающим модулем. После размыкания контактов SB1 конденсатор С1 медленно разряжается, и через 2–3 минуты составной транзистор VT1/VT2 запирается, что приводит к прекращению генерации сигнала.

Более 800 000 книг и аудиокниг! 📚

Получи 2 месяца Литрес Подписки в подарок и наслаждайся неограниченным чтением

ПОЛУЧИТЬ ПОДАРОК