3.3. Детектор вибраций [14]

Чувствительным элементом этой конструкции является пьезоэлектрическая пластина от зуммера, резонансная частота которой находится в пределах от 1500 до 3000 Гц. Это позволяет обнаруживать импульсные сигналы на фоне сильных фоновых шумов.

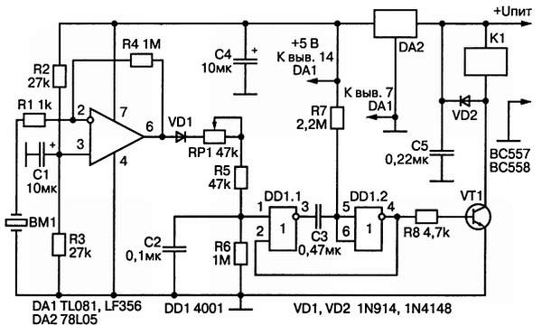
Принципиальная схема детектора приведена на рис. 21.

Рис. 21. Принципиальная схема детектора вибраций

Функции микрофона ВМ1 выполняет пьезоэлектрическая пластина, приклеенная к стеклу окна. Сигнал усиливается операционным усилителем DA1 и выпрямляется диодом VD1. Выпрямленным током заряжается конденсатор С2 через резисторы RP1 и R5. При достижении напряжением на С2 порога срабатывания триггера, собранного на элементах 2ИЛИ-НЕ DD1.1 и DD1.2, он перебрасывается, на выводе 4 появляется высокий уровень, которым отпирается транзистор VT1, и с небольшой задержкой благодаря конденсатору С5 срабатывает реле К1. Контакты этого реле используются в охранной системе. Устройство питается от батареи с напряжением 9-15 В, которое поступает на электронный стабилизатор DA2 с выходным напряжением 5 В.

В качестве операционного усилителя можно использовать К544УД2, элементы DD1.1 и DD1.2 — из микросхемы К561ЛЕ5, стабилизатора DA2 — КР142ЕН5А, транзистора — КТ315Б, УБ1-1ГД507А, УБ2-Д223Б.

Чувствительность детектора можно регулировать переменным резистором RP1.

Более 800 000 книг и аудиокниг! 📚

Получи 2 месяца Литрес Подписки в подарок и наслаждайся неограниченным чтением

ПОЛУЧИТЬ ПОДАРОК