6.1. Звонок включает свет в прихожей

Александров И. [24]

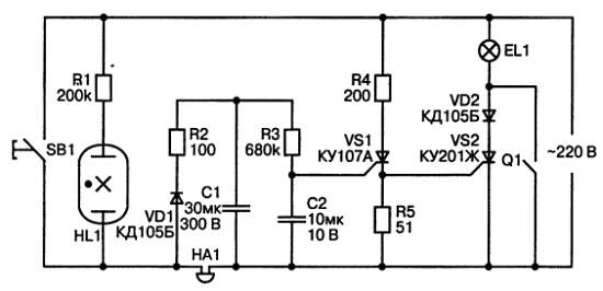
Когда посетитель нажимает кнопку квартирного звонка, хозяину приходится добираться до входной двери в темноте, так как выключатель освещения прихожей всегда находится у входной двери. Предлагаемое устройство устраняет эту проблему.

Его принципиальная схема приведена на рис. 37.

Рис. 37. Принципиальная схема автомата

При нажатии посетителем кнопки SB1 переменное напряжение электросети 220 В оказывается приложено к звонку НА1, и он начинает звонить. При этом почти мгновенно заряжается конденсатор С1. Постоянная времени его заряда составляет всего 3 мс, так что за 10 мс он зарядится полностью, а посетитель даже не успеет снять палец с кнопки. Заряжается также и конденсатор С2, что приводит к отпиранию тиристора VS1, а падением напряжения на резисторе R5 отпирается тиристор VS2, благодаря чему зажигается вполнакала лампа EL1 в прихожей. Лампа продолжает гореть и когда посетитель отпустит кнопку, так как конденсатор С2 будет подзаряжаться от конденсатора С1 накопленным в нем количеством электричества. Поэтому после нажатия звонковой кнопки свет в прихожей может гореть примерно 30–40 с. Этого времени вполне достаточно, чтобы хозяин прошел в прихожую и с помощью выключателя Q1 зажег лампу в полный накал.

Неоновая лампочка HL1 подключена к напряжению сети через ограничительный резистор R1 постоянно, и удобнее всего вмонтировать ее в кнопку звонка. В качестве этой лампочки можно использовать ТН-0,2 или ТН-0,5. Мощность лампы (или ламп) освещения прихожей практически неограниченно.

Более 800 000 книг и аудиокниг! 📚

Получи 2 месяца Литрес Подписки в подарок и наслаждайся неограниченным чтением

ПОЛУЧИТЬ ПОДАРОК