3.1. Сторожевое устройство

Карелин С. [12]

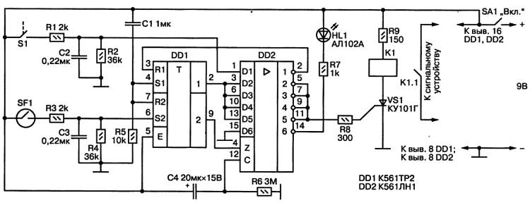
Любое охранное устройство должно быть рассчитано на допуск в охраняемую зону владельца или доверенных лиц без возбуждения сигнала тревоги. Это реализуется разными методами, а в предлагаемом устройстве используется так называемый магнитный ключ, представляющий собой небольшой постоянный магнит, которым воздействуют на геркон (магнитоуправляемый контакт). Принципиальная схема сторожевого устройства показана на рис. 17.

Рис. 17. Принципиальная схема сторожевого устройства

Устройство содержит две микросхемы — DD1, в которой из четырех триггеров использованы два, и DD2, в которой из шести инверторов четыре соединены параллельно, а также использованы входы блокировки (вывод 4) и запрета (вывод 12). Перед выходом из помещения тумблером SA1 включается питание и начинают заряжаться конденсаторы С1 и С4. При этом первый триггер DD1 устанавливается в состояние «1», а второй — в состояние «0». На вход запрета DD2 поступает уровень «1», в результате чего на всех шести выходах DD2 устанавливается уровень «0». Поэтому горит светодиод HL1, сигнализируя о включении схемы, а тиристор VS1 заперт. Состояние дверного контакта S1 не влияет на работу, поскольку действует запрет. По мере заряда конденсатора С4 потенциал вывода 12 падает и через 40–50 с достигает уровня «0», чем снимается запрет. За это время можно выйти из помещения и закрыть дверь, замкнув контакты S1. На выводе 14 DD2 появляется высокий уровень, и светодиод гаснет, указывая на наступление режима охраны.

Если теперь открыть дверь, разомкнув контакты S1, высокий уровень на выводе 2 DD2 поступит на вход R1 DD1, переводя первый триггер в нулевое состояние. Уровень «0» с вывода 2 DD1 поступит на четыре входа DD2, и в результате на этих выходах образуется высокий уровень, которым отопрется тиристор, сработает реле К1 и контактами К1.1 включит сигнализацию.

Для допуска в помещение доверенных лиц служит геркон SF1, размещенный в секретном месте у входа в помещение.

При воздействии на него магнитом второй триггер DD1 переводится в состояние «1», и высокий уровень поступает на вход блокировки DD2. Поэтому на ее выходах принудительно создается низкий уровень, тиристор остается запертым, и сигнализация включена не будет.

Большим достоинством этого устройства является минимальное потребление энергии, благодаря чему можно использовать автономный источник питания. На рис. 18 приводится эскиз печатной платы устройства.

Рис. 18. Эскиз печатной платы сторожевого устройства

В качестве электромагнитного реле К1 автор рекомендовал использовать РЭС-55А, паспорт РС4.569.607П2 или РС4.569.600-06 (согласно ГОСТ 16121-86), однако реле этого типа допускают напряжение между контактами не более 36 В. Если контактами К1.1 должно коммутироваться напряжение 220 В при токе между контактами до 300 мА, лучше использовать реле РЭС-10, паспорт РС4.524.308П2 или РС4.529.031-07 (согласно ГОСТ 16121-86).

Более 800 000 книг и аудиокниг! 📚

Получи 2 месяца Литрес Подписки в подарок и наслаждайся неограниченным чтением

ПОЛУЧИТЬ ПОДАРОК