3.4. Охранное устройство

Герасев Е. [15]

Это охранное устройство так же, как описанное в разделе 3.1, для доступа в помещение доверенных лиц использует «магнитный ключ», но построено иначе.

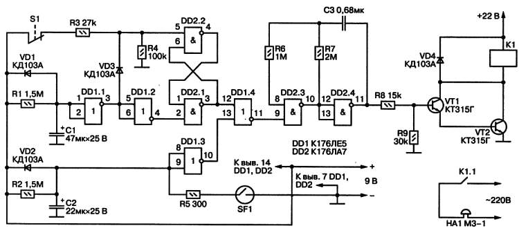
Принципиальная схема этого устройства приведена на рис. 22.

Рис. 22. Принципиальная схема охранного устройства

Здесь используются две микросхемы 176-й серии: DD1 — 4 элемента 2ИЛИ-НЕ и DD2 — 4 элемента 2И-НЕ. При подаче питания медленно заряжаются конденсаторы С1 и С2 соответственно через резисторы R1 и R2. Заряд длится 30–40 с, и за это время нужно успеть покинуть помещение и закрыть дверь. С момента включения и в процессе заряда конденсатора С1 на входе 2 DD2.1 действует низкий уровень, значит, на выходе 3 DD2.1 — высокий уровень. Элементы DD2.1 и DD2.2 образуют триггер, для которого активным сигналом является отрицательный перепад напряжения. Поэтому после того как С1 зарядится и на вход 2 DD2.1 поступит высокий уровень, состояние триггера не изменится и на выходе 3 DD2.1 останется высокий уровень. Поэтому на выходе 11 DD1.4 действует низкий уровень, запирающий мультивибратор, собранный на элементах DD2.3 и DD2.4.

При включении на входах DD1.3 — низкий уровень, на выходе — высокий, что не нарушает работу элемента DD1.4. Когда конденсатор С2 зарядится и на вход DD1.3 поступит высокий уровень, на его выходе образуется низкий уровень, но и он не сможет изменить состояние элемента ИЛИ-НЕ. Так что сигнал тревоги не возникает.

Если разомкнуть дверные контакты S1, на вход 5 DD2.2 поступит низкий уровень, который переключит триггер. Теперь на выходе 3 DD2.1 и на входе 12 DD1.4 образуется низкий уровень. В то же время после того как конденсатор С2 зарядился, на выходе DD1.3 и на входе 13 DD1.4 действует низкий уровень. Поэтому на его выходе образуется высокий уровень, которым включается мультивибратор, и звучит сигнал тревоги.

Чтобы войти в помещение, не инициируя тревоги, достаточно с помощью магнита замкнуть контакты геркона SF1, разрядив конденсатор С2. Тогда на входе 13 DD1.4 образуется высокий уровень, что приведет к низкому уровню на его выходе, и сигнала тревоги не последует.

В качестве реле автор рекомендует использовать РЭС-22, соединив параллельно группы контактов для увеличения пропускаемого тока и используя для питания выпрямитель, что нельзя признать достоинством. Группы контактов замыкаются и размыкаются отнюдь не одновременно. Поэтому их параллельное соединение не увеличивает допустимый ток. А питание обмотки реле от сети позволит злоумышленнику легко проникнуть в охраняемое помещение, предварительно обесточив его, что обычно достижимо снаружи. Поэтому можно рекомендовать использование реле типа РЭС10, паспорт РС4.524.308П2 или РС4.529.031-07 (согласно ГОСТ 16121-86).

Более 800 000 книг и аудиокниг! 📚

Получи 2 месяца Литрес Подписки в подарок и наслаждайся неограниченным чтением

ПОЛУЧИТЬ ПОДАРОК