1.2. Улучшенный детекторный приемник

Андерсон И. [2]

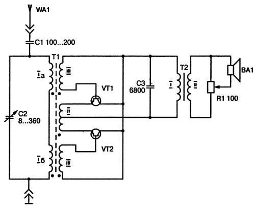
Этот радиоприемник также является детекторным и не нуждается в питании от батарей или других источников питания. Тем не менее, если поблизости расположена мощная радиостанция, можно получить громкоговорящий прием. Принципиальная схема приемника представлена на рис. 3.

Рис. 3. Принципиальная схема громкоговорящего приемника

Главное отличие этой схемы состоит в применении двухполупериодного детектора, собранного на транзисторах VT1 и VT2, обладающего более высоким коэффициентом передачи по сравнению с диодным однополупериодным детектором. Кроме того, в этой схеме используется выходной трансформатор Т2, позволяющий применить низкоомную динамическую головку ВА1. Более сложной оказалась магнитная антенна, катушки которой расположены в соответствии с рис. 4.

Рис. 4. Расположение катушек магнитной антенны

Все катушки расположены на ферритовом стержне диаметром 10 мм, длиной 150 мм и намотаны проводом ПЭВ-2 диаметром 0,35 мм за исключением обмоток III и IV. Катушка I, рассчитанная на диапазон средних волн, содержит две секции 1а и 1б по 18 витков в каждой. Обмотка II содержит 30 витков с отводом от середины. Обмотки III и IV содержат по 10 витков провода ПЭВ-2 диаметром 0,45 мм. Для длинноволнового диапазона обмотка I должна содержать по 63 витка провода ПЭВ-2 диаметром 0,18 мм в каждой секции.

Транзисторы должны быть германиевыми, типа ГТ109 или ГТ309, с одинаковыми значениями статического коэффициента передачи тока. Трансформатор Т2 берется от абонентского трансляционного громкоговорителя. Динамическая головка — типа ЗГД-38Е.

Более 800 000 книг и аудиокниг! 📚

Получи 2 месяца Литрес Подписки в подарок и наслаждайся неограниченным чтением

ПОЛУЧИТЬ ПОДАРОК