Приложение ПРИМЕНЕНИЕ ОПЕРАЦИОННЫХ УСИЛИТЕЛЕЙ

Никитин В.

В предыдущем сборнике уже были рассмотрены некоторые схемы, построенные на операционных усилителях. Здесь мы продолжим такое рассмотрение.

Стабилизаторы напряжения

Многие электронные устройства нуждаются в прецизионных значениях напряжений источников питания. Современные стабилитроны с температурной компенсацией обладают достаточно хорошей температурной стабильностью порядка 0,0005 %/°С. Однако с помощью стабилитрона удается получить очень небольшой ток нагрузки. Поэтому для использования стабильного напряжения стабилитрона и получения от источника напряжения повышенного тока, вместе со стабилитроном часто применяют операционный усилитель.

Стабилизаторы средней мощности

На рис. П1 показана схема прецизионного источника напряжения. В этой схеме неинвертирующий усилитель подключен непосредственно к стабилитрону, который служит источником опорного напряжения.

Рис. П1. Прецизионный стабилизатор напряжения

Сопротивлением резистора R1 определяется ток стабилитрона, и оно выбирается, исходя из паспортного значения его рабочего тока. От соотношения сопротивлений резисторов R2 и R3 зависит выходное напряжение схемы Uвых, так как потенциал точки их соединения должен быть равен опорному напряжению Uoп. Это связано с тем, что оба входа операционного усилителя должны находиться под одинаковым напряжением. Для определения выходного напряжения этой схемы найдем сначала согласно Закону Ома ток, текущий через резистор R3:

Этот же ток течет через резистор R2, так как входной ток операционного усилителя отсутствует. Тогда выходное напряжение схемы представляет собой падение напряжения на резисторах R2 и R3 и равняется произведению найденного тока на сумму сопротивлений этих резисторов.

Если резисторы R2 и R3 удалить, а инвертирующий вход операционного усилителя присоединить непосредственно к его выходу, выходное напряжение схемы окажется равным опорному напряжению. Схема легко может быть преобразована для получения источника отрицательною напряжения. Для этого необходимо подключить резистор R1 к источнику питания отрицательного напряжения и изменить на обратную полярность включения стабилитрона.

Зависимость выходного напряжения стабилизатора от сопротивлений резисторов, входящих в схему, позволяет создать стабилизаторы с регулируемым выходным напряжением. Одна из таких схем показана на рис. П2.

Рис. П2. Схема стабилизированного регулятора пониженного напряжения

Выходное напряжение этой схемы Uвых равно напряжению на инвертирующем входе, который соединен с выходом. Потенциал же инвертирующего входа равен потенциалу неинвертирующего входа. Отсюда выходное напряжение должно быть равно потенциалу движка переменного резистора R2. Это доказывается также тем, что операционный усилитель здесь включен по схеме повторителя напряжения. Если сопротивление нижней по схеме части резистора R2 обозначить RК, то выходное напряжение этой схемы составит

В связи с тем, что RК < R2, выходное напряжение Uвых оказывается меньше опорного Uoп. Резистор R3 предназначен для ограничения минимального значения выходного напряжения.

В стабилизированном регуляторе напряжения, собранном по схеме рис. ПЗ, выходное напряжение оказывается больше опорного.

Рис. ПЗ. Схема стабилизированного регулятора повышенного напряжения

В этой схеме на неинвертирующий вход подается опорное напряжение стабилитрона Uoп. Такое же напряжение должно поддерживаться операционным усилителем на инвертирующем входе. Но он подключен к делителю напряжения R2, R3.

Безусловно, потенциал движка резистора R2 меньше выходного напряжения, иначе говоря, выходное напряжение больше потенциала движка резистора R2, то есть выходное напряжение больше опорного. Если, как и раньше, нижнюю по схеме часть сопротивления переменного резистора R2 обозначить то выходное напряжение этой схемы составит

В связи с тем, что RК < R2, выходное напряжение Uвых оказывается больше опорного Uoп.

Стабилизаторы большой мощности

Если выходной ток операционного усилителя недостаточен для питания подключенной к стабилизатору нагрузки, достаточно добавить в схему дополнительный транзистор, как это показано на рис. П4.

Рис. П4. Схема стабилизатора повышенного напряжения увеличенной мощности

В этой схеме транзистор VT1 используется для усиления тока нагрузки в качестве эмиттерного повторителя, входящего в состав петли отрицательной обратной связи. Таким образом, напряжение обратной связи снимается не с выхода операционного усилителя, а из эмиттерной цепи усилительного транзистора. По этой причине независимо от падения напряжения на эмиттерном переходе транзистора выходное напряжение Uвых по-прежнему определяется формулой (ПЗ).

Такой же эмиттерный повторитель можно подключить к стабилизированному регулятору пониженного напряжения (см. рис. П2). Такая схема показана на рис. П5.

Рис. П5. Схема стабилизатора пониженного напряжения увеличенной мощности

И здесь, как и в схеме, показанной на рис. П2, выходное напряжение не зависит от падения напряжения на эмиттерном переходе, а определяется формулой (П2).

Если от стабилизированного регулятора напряжения необходимо получить еще больший ток, можно на выходе вместо одного транзистора установить два по схеме составного транзистора.

Генераторы

В рассмотренных выше схемах обратная связь подавалась с выхода операционного усилителя на его инвертирующий вход. При этом выходной сигнал подавался обратно на операционный усилитель таким образом, чтобы уменьшить уровень входного сигнала. Такая обратная связь называется инверсной или отрицательной. Если же изменить подключение обратной связи так, чтобы выход операционного усилителя был соединен с неинвертирующим входом, такая обратная связь будет стремиться увеличить входной сигнал и называется регенеративной или положительной обратной связью.

Положительная обратная связь обычно используется в различных генераторах.

Генераторы колебаний прямоугольной формы

На рис. П6 предлагается принципиальная схема генератора прямоугольных импульсов, собранная на операционном усилителе. Генератор работает как автоколебательный ключ, который поочередно переключает выход от одного уровня постоянного напряжения питания к другому, без применения какого-либо внешнего запускающего сигнала.

Рис. П6. Принципиальная схема простого генератора прямоугольных импульсов

В этой схеме, называемой также автоколебательным мультивибратором, в качестве переключающего устройства используется операционный усилитель, а положительная обратная связь осуществляется путем подачи выходного напряжения Uвых на неинвертирующий вход с помощью делителя R1, R2.

При сравнительно небольшой частоте повторения, не превышающей 100 кГц, фронты импульсов практически оказываются вертикальными, так как их длительность определяется скоростью нарастания операционного усилителя. На более высоких частотах форма фронтов становится заметно экспоненциальной, как показано сплошной линией на рис. П7.

Рис. П7. Эпюры напряжений в схеме генератора: на выходе (сплошная линия) и на конденсаторе (штриховая линия)

Период повторения Т выражается формулой

где RC — постоянная времени, равная в рассматриваемой схеме R3xC1.

Конденсатор С1 и резистор R3 образуют цепь задержки сигнала, поступающего с выхода ОУ на инвертирующий вход. Когда потенциал выхода оказывается равным +U, через резистор R3 начинает заряжаться конденсатор С1. Этот процесс длится до тех пор, пока потенциал инвертирующего входа не увеличится до потенциала неинвертирующего входа. В этот момент схема опрокидывается, и потенциал выхода становится равным — U. Начинается перезаряд конденсатора до нового уровня неинвертирующего входа, когда схема вновь опрокидывается. Напряжение на конденсаторе показано на рис. П7 штриховой линией.

Если абсолютные значения напряжений +U и — U равны, длительность положительной полуволны оказывается равна длительности отрицательной. Это связано с тем, что обе полуволны в этой схеме определяются одной и той же постоянной времени. Такая форма колебаний называется меандром.

Импульсы в форме меандра обладают скважностью, равной двум. Скважностью называется отношение периода повторения к длительности импульсов. Поэтому минимально возможное значение скважности равно двум. Обязательное условие опрокидывания схемы, что соответствует ее работе в качестве генератора, состоит в том, что общий коэффициент усиления по напряжению этой схемы должен превышать единицу.

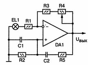
Другим генератором прямоугольных колебаний является одновибратор или ждущий мультивибратор, использующий положительную обратную связь и имеющий только одно устойчивое состояние. Из этого состояния одновибратор выводится внешним запускающим импульсом и в течение некоторого заданного времени является возбужденным, после чего возвращается в устойчивое состояние. Основная схема одновибратора, использующего операционный усилитель, показана на рис. П8.

Рис. П8. Схема одновибратора на операционном усилителе

В этой схеме положительная обратная связь с выхода операционного усилителя на неинвертирующий вход подается через конденсатор С2, заряд и разряд которого задают параметры возбужденного состояния. Рассмотрим работу схемы по эпюрам рабочих напряжений, приведенным на рис. П9.

Рис. П9. Эпюры рабочих напряжений одновибратора

В связи с подачей на инвертирующий вход через резистор R1 отрицательного напряжения — Uоп, выходное напряжение Uвых в устойчивом состоянии положительно и равно напряжению питания +U. При подаче на вход схемы импульса запуска (осциллограмма 1) он дифференцируется элементами C1-R1 и положительным импульсом переднего фронта запуска (осциллограмма 2) операционный усилитель перебрасывается в другое состояние, в результате чего выходное напряжение скачком переходит на уровень — U (осциллограмма 4). Отрицательный перепад выходного напряжения через конденсатор С2 подается на неинвертирующий вход, поддерживая на выходе уровень — U. Начинается заряд конденсатора С2 через резистор R2. При этом ток заряда постепенно уменьшается и также уменьшается падение напряжения на резисторе R2 (осциллограмма 3). Выходное напряжение остается на уровне —U до тех пор, пока потенциал неинвертирующего входа не достигнет — Uоп. Тогда схема вернется в исходное устойчивое состояние до следующего запускающего импульса. Длительность генерируемого одновибратором импульса Т определяется выражением

Отсюда длительность импульса можно регулировать, либо изменяя постоянную времени RC, либо опорное напряжение. Диод VD1 уменьшает время восстановления схемы, когда она перебрасывается обратно в устойчивое состояние.

Генератор колебаний треугольной формы

Колебания треугольной формы можно получить интегрированием прямоугольных импульсов. Для этого к выходу генератора прямоугольных колебаний подключается интегратор. На выходе интегратора получается последовательность поочередно нарастающих и ниспадающих напряжений с таким же периодом повторения, что у входного прямоугольного сигнала. Принципиальная схема такого генератора приведена на рис. П10.

Рис. П10. Принципиальная схема генератора колебаний треугольной формы

В генераторе колебаний треугольной формы используются два операционных усилителя: триггер на микросхеме DA1 вырабатывает прямоугольные импульсы типа меандр, которые затем для получения колебаний треугольной формы интегрируются операционным усилителем DA2. Все устройство охвачено положительной обратной связью через резистор R2.

При положительном напряжении на выходе DA1, выходное напряжение интегратора Uвых нарастает. Когда оно достигает выходного напряжения DA1, триггер опрокидывается и на его выходе образуется отрицательное напряжение. Теперь выходное напряжение спадает. За счет интегрирования и большого коэффициента усиления операционного усилителя нарастание и спадание выходного напряжения происходят по линейному закону с периодом повторения:

Генераторы синусоидальных колебаний

Генераторы синусоидальных колебаний звуковой или радиочастоты широко используются в технике и в быту. Задающие генераторы связных, радиовещательных или телевизионных передатчиков, гетеродины радиовещательных или телевизионных приемников представляют собой генераторы синусоидальных колебаний радиочастоты. Различные электромузыкальные инструменты и звуковые сигнализаторы часто состоят или включают в себя генераторы синусоидальных колебаний звуковой частоты.

Любой генератор представляет собой усилитель с положительной обратной связью. Существуют два необходимых условия, выполнение которых обеспечивает генерацию, — баланс амплитуд и баланс фаз.

Баланс амплитуд предусматривает, что коэффициент передачи замкнутой цепи Кβ, который равен произведению коэффициента усиления усилителя К на коэффициент передачи цепи обратной связи β, должен быть на рабочей частоте равен или больше единицы:

Баланс фаз требует, чтобы суммарный сдвиг фазы сигнала в усилителе и в цепи обратной связи на рабочей частоте был равен нулю или 2π.

Функции усилителя выполняют транзисторные схемы или операционный усилитель, как правило, не содержащие цепей, зависящих от частоты. Цепи же обратной связи весьма многочисленны и обладают частотной избирательностью. Это означает, что их коэффициент передачи зависит от частоты. Таким образом, именно цепь 3, а не усилитель определяет частоту генерируемых колебаний.

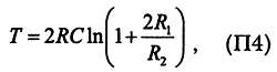
Для примера рассмотрим схему генератора, в котором в качестве цепи положительной обратной связи используется мост Вина, представленную на рис. П11.

Рис. П11. Схема генератора синусоидальных колебаний с мостом Вина

Мост Вина образован последовательным соединением резистора R5 с конденсатором С2 и параллельным соединением резистора R2 с конденсатором С1. Входом цепи положительной обратной связи является выход операционного усилителя, выходом цепи — неинвертирующий вход ОУ. Коэффициент передачи моста Вина β равен отношению выходного напряжения к входному. При изменении частоты β имеет максимум на частоте квазирезонанса f0:

В простейшем случае, при R2 = R5 = R и C1 = С2 = С, имеем

На частоте квазирезонанса коэффициент передачи β равен 1/3, а сдвиг фазы равен нулю. Поэтому благодаря применению неинвертирующего усилителя дополнительного сдвига фазы сигнала не требуется, а коэффициент усиления усилителя должен быть равен или больше трех.

Для поддержания стабильной амплитуды колебаний и отсутствия амплитудного ограничения, что приводит к нелинейным искажениям сигнала, необходимо создать некоторое уменьшение усиления с ростом уровня сигнала на выходе. Для этого применена цепь отрицательной обратной связи, содержащая резисторы R1, R3. R4 и лампочку накаливания EL1. Сопротивление лампочки зависит от протекающего тока и с его ростом увеличивается, что соответствует увеличению коэффициента передачи цепи отрицательной обратной связи и стабилизации амплитуды колебаний. Переменный резистор R4 служит для установки оптимальной глубины отрицательной обратной связи.

Схема генератора с мостом Вина очень удобна, если требуется генератор, частоту которого нужно изменять вручную в широких пределах. Для этого используют двухсекционный агрегат конденсаторов переменной емкости. Если применить такой агрегат с минимальной емкостью 10 пФ и максимальной 250 пФ, легко получить их отношение равное 10, подключив к С1 и С2 постоянные конденсаторы по 16 пФ. При этом максимальная частота окажется ровно в 10 раз больше минимальной. Для перекрытия всего диапазона звуковых частот понадобится три поддиапазона с коммутацией резисторов R2 и R5.

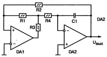
Еще один генератор синусоидального сигнала может быть собран на операционном усилителе с двойным Т-образным мостом, схема которого приведена на рис. П12.

Рис. П12. Схема генератора синусоидальных колебаний с двойным Т-образным мостом

В этой схеме двойной Т-образный мост образован резисторами R3-R5 и конденсаторами С1-С3. Отличие двойного Т-моста от моста Вина состоит в том, что на частоте квазирезонанса его сопротивление оказывается бесконечно велико, а коэффициент передачи β — равен нулю. Поэтому построение схемы генератора отличается тем, что двойной Т-образный мост включают в цепь отрицательной обратной связи. Именно на частоте квазирезонанса, когда отрицательная обратная связь отсутствует, создаются условия баланса амплитуд и происходит генерация, а сигналы других частот этой связью подавляются. Резисторы R1 и R2 образуют положительную обратную связь, не зависящую от частоты. Также на частоте квазирезонанса сдвиг фазы сигнала, проходящего через мост, равен нулю. Частота квазирезонанса определяется той же формулой (П7), что и для моста Вина. Однако для этого должны выполняться следующие условия:

Использовать генератор с двойным Т-образным мостом в таких схемах, где частота должна регулироваться вручную, затруднительно. Хотя имеются трехсекционные агрегаты конденсаторов переменной емкости, но у них все три секции имеют одинаковую емкость. Пригодны лишь агрегаты, содержащие четыре секции конденсаторов переменной емкости, при использовании которых две секции соединяют параллельно.

Но такие агрегаты встречаются крайне редко. Поэтому генератор с двойным Т-образным мостом допустимо использовать лишь в качестве источника фиксированной частоты, хотя по сравнению с генератором на мосте Вина он обладает следующими недостатками:

• эквивалентная добротность примерно в 1,3 раза меньше;

• уровень второй гармоники в 4 раза больше;

• повышенное количество навесных деталей.

В следующем выпуске нашего сборника будут рассмотрены активные частотные фильтры, собранные на операционных усилителях.

Более 800 000 книг и аудиокниг! 📚

Получи 2 месяца Литрес Подписки в подарок и наслаждайся неограниченным чтением

ПОЛУЧИТЬ ПОДАРОК