Беседа 13 ТРАНЗИСТОРНЫЕ ПРИЕМНИКИ ПРЯМОГО УСИЛЕНИЯ

Этой беседой начинается следующий этап твоего радиотехнического творчества — изучение и конструирование транзисторного приемника прямого усиления. О приемнике прямого усиления на электронных лампах разговор будет в следующей беседе.

Напомню: приемником прямого усиления называют радиоприемное устройство, в котором происходит только одно преобразование модулированных колебаний радиочастоты — детектирование. До детектора происходит настройка и усиление сигнала радиостанции, после детектора — усиление колебаний звуковой частоты и преобразование их в звук. Усилитель радиочастоты обеспечивает нормальную работу детектора, а усилитель 3Ч — нормальную работу динамической головки громкоговорителя. Усилители, таким образом, составляют основу приемника прямого усиления, обеспечивающего громкий прием радиовещательных станций.

ОТ УСИЛИТЕЛЯ — К ПРИЕМНИКУ ПРЯМОГО УСИЛЕНИЯ

Первый шаг от усилителя к приемнику прямого усиления ты уже сделал. Когда? Вспомни седьмую беседу. Тогда ты экспериментировал с усилителем на одном транзисторе, подключая его к детекторному приемнику. В результате у тебя получился простейший приемник прямого усиления — детекторный с однокаскадным усилителем 3Ч (см. рис. 91). Это был приемник 0-V-1. В той же беседе однотранзисторный рефлексный приемник был также приемником 0-V-1.

А в предыдущей беседе? Если на вход любого из усилителей ты подавал сигнал от детекторного приемника, то усилитель также превращался в приемник прямого усиления. Так, например, усилитель, смонтированный по любой из схем на рис. 174 или 175, в сочетании с детекторным приемником становился приемником прямого усиления 0-V-2, а с усилителем по схеме на рис. 183 — приемником 0-V-3.

Для закрепления в памяти принципа построения и работы таких приемников советую смонтировать и испытать приемник, схема которого изображена на рис. 197.

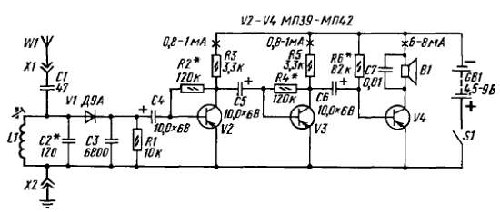
Рис. 197. Принципиальная схема приемника 0-V-3

Это приемник 0-V-3 с настройкой на одну местную радиовещательную станцию. Его входной колебательный контур образуют катушка L1 с конденсатором С2 и подключенные к ним внешняя антенна W1 и заземление. Грубая настройка контура на волну радиостанции осуществляется подбором конденсатора С2, а точная — изменением индуктивности катушки подстроечным ферритовым сердечником.

Входной колебательный контур с диодом V1 и резистором R1, выполняющим роль нагрузки детектора, образуют не что иное, как знакомый тебе детекторный приемник. Сигнал звуковой частоты, создающийся на резисторе R1, через конденсатор С4 поступает на вход усилителя 3Ч, усиливается тремя его каскадами и головкой громкоговорителя, включенной в коллекторную цепь выходного транзистора V4, преобразуется в звуковые колебания. Предполагается, что для приемника будет использован абонентский громкоговоритель с динамической головкой мощностью 0,25-0,5 Вт, а его согласующий трансформатор будет выполнять роль выходного трансформатора приемника.

Все транзисторы включены по схеме ОЭ. Начальное напряжение смещения на базы транзисторов V2 и V3 подается с коллекторов через соответствующие им резисторы R2 и R4, что улучшает термостабильность режима работы этих транзисторов.

Для питания приемника используй одну или две соединенные последовательно батареи 3336Л. Независимо от напряжения источника питания, коллекторные токи транзисторов устанавливай те, что указаны на схеме. Сравни работу приемника при разных напряжениях источника питания.

Детали приемника можно смонтировать на гетинаксовой плате размерами примерно 70х90 м (рис. 198).

Рис. 198. Монтажная плата приемника

Опорными точками монтажа служат проволочные стойки или пустотелые заклепки. В колебательном контуре используй катушку с ферритовым стержнем, о конструкции которой я рассказывал в девятой беседе (рис. 145). Электролитические конденсаторы С4-С6 типа К50-3, К53-1 (или К50-6); остальные конденсаторы и резисторы любые. Обращаю внимание на конструкцию разъема Х2 для подключения заземления. Его гнездовая часть состоит из двух колец или коротких металлических трубочек, прикрепленных к плате. Когда в них плотно вставляют контактную вилку провода заземления, они, закорачиваясь, включают питание приемника.

Монтажную плату крепи в футляре абонентского громкоговорителя в любом положении. Батарея может быть под платой или рядом с ней. Получится громкоговорящая радиоточка.

Что надо учесть при монтаже приемника? В первый каскад усилителя надо ставить тот из транзисторов, который имеет наибольший статический коэффициент передачи тока, а в выходной — с наименьшим h21Э. Если, например, коэффициент h21Э одного транзистора будет 20, второго — 80, а третьего — 60, то первый из них должен работать в третьем, второй — в первом, а третий — во втором каскадах. Подбирая сопротивления резисторов смещения, попробуй изменять и нагрузочные резисторы (от 3 до 10 кОм), добиваясь наибольшей громкости, сохраняя при этом токи покоя коллекторных цепей, указанные на схеме.

Конденсатор С2, подбором которого осуществляется грубая настройка приемника на волну местной радиовещательной станции (а точная — перемещением катушки L1 по ферритовому стержню), можно заменить подстроечным типа КПК-2. Он не только облегчит настройку контура, но, возможно, позволит, пользуясь им как конденсатором переменной емкости, настраивать приемник на две радиостанции.

Если по каким-то причинам приемник сразу не станет работать, то прежде всего измерь коллекторные токи транзисторов и испытай его по частям, пользуясь простейшим генератором сигналов (см. рис. 105): сначала проверь входную часть, как у детекторного приемника, а потом усилитель. Конечно, все это надо делать на макетной панели, а затем смонтировать детали на плате, предварительно составив монтажную схему с учетом размеров деталей.

Можно ли этот или более простой, например с двумя каскадами усиления колебаний звуковой частоты, приемник сделать походным? Можно. Но пользоваться им придется только на привалах. Антенной будет служить изолированный провод длиной 8-10 м, подвешенный одним концом за сучок высокого дерева, а заземлением — металлический штырь, вбитый поглубже в землю. Без качественной антенны и заземления такой приемник будет работать слабо — чувствительность мала. Чтобы повысить чувствительность, к нему надо добавить усилитель радиочастоты.

УСИЛИТЕЛЬ РАДИОЧАСТОТЫ И МАГНИТНАЯ АНТЕННА

Когда дают оценку тому или иному приемнику, имеют в виду не только громкость и естественность воспроизводимого звука, что определяется главным образом схемным решением и качеством работы усилителя радиочастоты, но и такие его параметры, как селективность (избирательность) и чувствительность.

Под термином селективность подразумевается способность приемника выделять из всех колебаний радиочастоты, возникающих в его антенне, колебания только той частоты, на которую он настроен. Когда приемник четко выделяет станцию, на которую он настроен, о нем говорят как о приемнике с хорошей селективностью. Если при приеме какой-то станции прослушиваются другие, близкие по частоте радиостанции или, как говорят, станции соседнего канала, о таком приемнике говорят, что его селективность плохая или недостаточно хорошая. Один из способов повышения селективности простейшего приемника — ослабление связи настраиваемого контура с внешней антенной, в более сложном — увеличение чиста контуров, настраиваемых на частоту принимаемой станции.

Другой качественный показатель приемника — чувствительность — характеризует способность его «отзываться» на слабые сигналы отдаленных станций. Если приемник не реагирует на сигналы отдаленных станций, о таком приемнике говорят, что он обладает малой или плохой чувствительностью. Если же он принимает большое число отдаленных и маломощных станций, говорят, что этот приемник обладает хорошей чувствительностью.

Чувствительность приемника зависит от качества его входной цепи, числа каскадов усиления радиочастоты, используемых в них транзисторов и режимов их работы.

Транзисторный приемник прямого усиления, обеспечивающий уверенный прием местных и отдаленных мощных радиовещательных станций, имеет обычно один настраиваемый контур, один-два каскада усиления модулированных колебаний радиочастоты, а если он портативный, то и внутреннюю магнитную антенну.

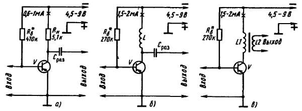
Схема и сущность действия каскада усиления колебаний радиочастоты аналогичны схеме и работе каскада предварительного усиления колебаний звуковой частоты. Разница лишь в нагрузке коллекторной цепи, где получается усиленный транзистором сигнал. Этой нагрузкой, как и в каскаде усиления звуковой частоты, может быть резистор Rн (рис. 199, а) сопротивлением 3,3–6,8 кОм. Усиленный сигнал, создающийся на нем, через разделительный конденсатор Сраз поступает на вход второго каскада усиления радиочастоты, если усилитель двухкаскадный, или к детектору.

Лучше, однако, если коллекторной нагрузкой транзистора будет не резистор, а высокочастотный дроссель L (рис. 199, б), а еще лучше — высокочастотный трансформатор (рис. 199, в).

Рис. 199. Каскады усиления радиочастоты на транзисторах структуры р-n-р (для транзисторов структуры n-р-n полярность, источника питания должна быть изменена на обратную)

Дроссель или трансформатор, оказывающий радиочастотному сигналу большее, чем резистор, сопротивление повышает усиление каскада. Трансформатор, кроме того, позволяет путем подбора коэффициента трансформации наилучшим образом передать высокочастотную энергию из коллекторной цепи транзистора-усилителя во входную цепь транзистора второго каскада или детектора, согласовать сопротивление этих цепей.

Независимо от схемы и нагрузки усилительного каскада на базу германиевого транзистора вместе с усиливаемым сигналом должно подаваться (относительно эмиттера) начальное напряжение смещения 0,1–0,2 В, а на базу кремниевого транзистора 0,5–0,7 В.

В каскадах усиления колебания радиочастоты используют маломощные транзисторы с граничной частотой 10 МГц и более. Из числа транзисторов структуры р-n-р — это, например, транзисторы П401-П403, П416, ГТ308, ГТ309, ГТ310, а из числа транзисторов структуры n-р-n — ГТЗ11, КТ315, КТ301 и многие другие. Способы подачи смещения и термостабилизация режимов работы транзисторов радиочастотных каскадов такие же, как в усилителях 3Ч.

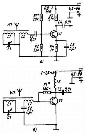
Наиболее часто используемый радиолюбителями однокаскадный усилитель РЧ с термостабилизацией режима работы транзистора и входными цепями приемника ты видишь на рис. 200, а. Это, так сказать, классический вариант однокаскадного радиочастотного усилителя. Колебательный контур входной цепи, определяющий настройку приемника, образуют катушка L1 с ферритовым стержнем внутри и конденсатор переменной емкости С1. Ферритовый стержень с катушкой L1, взятые вместе, это и есть магнитная антенна W1 — антенна, в которой модулированные колебания радиочастоты возбуждает магнитная составляющая радиоволн. Катушка L2, находящаяся на ферритовом стержне магнитной антенны, связывает антенный контур с усилением, поэтому ее называют катушкой связи. Обе катушки обычно наматывают на бумажных гильзах, которые можно перемещать вдоль стержня» что позволяет подобрать опытным путем наивыгоднейшую связь между ними и несколько смещать границы диапазона волн, перекрываемого контуром магнитной антенны L1C1.

Рис. 200. Однокаскадный усилитель РЧ с магнитной антенной

Нагрузкой коллекторной цепи служит резистор R3. Колебания радиочастоты, создающиеся на нем, через конденсатор С4 подаются ко второму радиочастотному каскаду или детектору.

Стабилизация режима работы транзистора осуществляется с помощью делителя напряжения R1, R2 в базовой цепи транзистора и эмиттерного резистора R4 точно так же. как в каскадах усиления 3Ч с такой же системой термостабилизации рабочей точки транзистора (см. рис. 179, б).

Конденсатор С2, включенный между катушкой связи L2 и базой транзистора — разделительный. Его задача свободно пропускать в базовую цепь транзистора колебания радиочастоты и в то же время не пропускать постоянный ток. Без такого конденсатора база транзистора будет замкнута на общий провод через катушку связи L2 и транзистор окажется закрытым. Этот конденсатор может быть также включен между катушкой и общим заземленным проводником. Конденсаторы С2-С4 не должны оказывать заметного сопротивления колебаниям наиболее низких частот диапазона волн, усиливаемых каскадом. Этому требованию отвечают слюдяные и керамические конденсаторы емкостью 5-10 тыс. пФ.

Конденсатор С1 контура магнитной антенны может быть с воздушным или с твердым диэлектриком. Его наибольшая емкость определяет диапазон волн, перекрываемый контуром магнитной антенны.

На рис, 200, б приведена схема упрощенного каскада усиления колебаний радиочастоты с магнитной антенной на входе. Нагрузкой транзистора служит высокочастотный дроссель L3. Снимаемый с него усиленный сигнал подается через конденсатор С3 на вход следующего каскада усиления радиочастоты или детекторного каскада. Напряжение смещения на базу транзистора подается с его коллектора через резистор R1.

О НЕКОТОРЫХ ДЕТАЛЯХ ПОРТАТИВНЫХ ПРИЕМНИКОВ

Сравнительно малые габариты, магнитная антенна и автономное питание — самые, пожалуй, привлекательные стороны транзисторных приемников. И ты, конечно, захочешь сделать приемник, который можно было бы взять с собой в туристский поход, на прогулку в лес, на рыбалку, в пионерский лагерь. Но конструирование малогабаритных приемников требует усидчивости, аккуратности, а подчас и ювелирности работы.

Да, именно ювелирности. Ведь дело приходится иметь с миниатюрными деталями, пользуясь пинцетом, а иногда еще и лупой. Даже жало паяльника приходится затачивать, как карандаш, чтобы удобнее добираться к местам пайки, не повредив спайки или детали. Некоторые детали, часто тоже малогабаритные, приходится делать самому, не рассчитывая на готовые.

К числу самодельных деталей портативного транзисторного приемника относится прежде всего магнитная антенна (рис. 201), являющаяся его самым главным чувствительным элементом.

Рис. 201. Контурная катушка магнитной антенны с катушкой связи

Для магнитных антенн приемников, в том числе и для приемников, о которых пойдет разговор в этой беседе, используют круглые (или плоские) стержни из феррита марки 400НН или 600НН диаметром 8–9 и длиной 100–140 мм. Помнишь, в третьей беседе такой стержень я рекомендовал тебе для детекторного приемника. Буквы в маркировке стержня характеризуют его материал, а цифры — магнитную проницаемость стержня. Ферритовые стержни с более высокой магнитной проницаемостью, например 1000 и 2000, не годятся — они хуже работают в диапазоне средних волн.

Однако прежде чем наматывать контурную катушку, надо решить, на какой диапазон радиоволн должна быть рассчитана магнитная антенна приемника.

Дело в том, что для приема радиостанций длинноволнового и средневолнового диапазонов нужны две катушки. Потребуется, следовательно, переключатель, который усложнит конструкцию приемника и управление им. Но простой транзисторный приемник прямого усиления все равно будет принимать в основном лишь местные радиостанции и наиболее мощные, находящиеся в радиусе до 200–300 км. Вот и получается, что нет смысла идти на усложнение приемника. Пусть он принимает две-три радиостанции, но уверенно и громко. Радиолюбители так именно и поступают — рассчитывают контур магнитной антенны приемника только на радиостанции того диапазона, передачи которых хорошо слышны в тех районах, где они живут. Так, полагаю, надо поступить и тебе.

Во время экспериментов с простым транзисторным приемником ты узнал, сигналы каких радиостанции хорошо слышны в вашей местности. Вот с расчетом на прием этих станций и надо наматывать контурную катушку магнитной антенны.

Контурная катушка, рассчитанная на прием радиовещательных станций средневолнового диапазона, должна содержать 70–80 витков, на длинноволновый диапазон 250–280 витков. Если же катушка будет иметь 160–180 витков, а наибольшая емкость конденсатора настройки 250–350 пФ, приемник станет перекрывать диапазон волн примерно от 450 до 900 м, т. е. охватывать конец средневолнового и начало длинноволнового диапазонов. Для средневолновой катушки используй провод ПЭВ-1 или ПЭЛШО 0,2–0,25, а для длинноволновой или катушки промежуточного диапазона провода тех же марок, но диаметром 0,15 -0,2 мм. Провод средневолновой катушки укладывай в один слой, виток к витку. Длинноволновую катушку для уменьшения ее внутренней емкости лучше намотать четырьмя-пятью секциями, укладывая в каждой секции по равному числу витков.

Катушку связи наматывай тем же проводом, что и контурную. Катушка связи средневолнового диапазона должна содержать 5–6 витков, длинноволнового диапазона 10–15 витков. Окончательное число витков катушки связи будешь подбирать во время налаживания приемника.

Учти: бумажные гильзы, на которых ты будешь наматывать катушки, должны с небольшим трением перемещаться по каркасу. Перемещением контурной катушки ты будешь в некоторых пределах изменять границы диапазона, перекрываемого приемником, а перемещением катушки связи устанавливать наивыгоднейшую связь контура магнитной антенны со входом усилителя РЧ приемника.

Ферритовый стержень магнитной антенны может быть плоским. При этом изменится только форма каркасов катушек, а числа витков в них будут такими же.

Для настройки транзисторного приемника прямого усиления, в котором, как правило, всего один настраиваемый контур контур магнитной антенны, желательно использовать малогабаритный конденсатор переменной емкости. Об одном из таких конденсаторов, выпускаемых нашей промышленностью специально для транзисторных приемников, я говорил тебе в пятой беседе (см. рис. 67, б). Его наружные размеры 25х20х10 мм, начальная (минимальная) емкость 5 пФ, конечная (максимальная) 350 пФ. Пригоден также конденсатор КПЕ-180, минимальная емкость которого 5 и максимальная 180 пФ.

Но радиолюбители вместо конденсаторов переменной емкости часто используют керамические подстроечные конденсаторы КПК-2 с начальной емкостью 10–25 и конечной 100–150 пФ.

Из конденсаторов КПК-2 предпочтение следует отдать конденсатору с начальной емкостью 10 и конечной 100 пФ, так как контур с ним перекрывает несколько больший диапазон волн, чем с конденсатором емкостью 25-150 пФ. А для удобства пользования конденсатором КПК-2 как органом настройки, на его подвижный диск-ротор — насаживают и приклеивают кольцо с зубчиками по наружной окружности, как показано на рис. 202.

Рис. 202. Конденсатор КПК-2 в роли конденсатора настройки и выключателя питания

Кольцо можно выпилить лобзиком из пластинки органического стекла или текстолита толщиной 2,5–3 мм, а зубчики на нем нарезать слесарной пилой или напильником. Приклеить кольцо к ротору конденсатора можно клеем БФ-2. Такой конденсатор настройки крепи к монтажной плате винтом с гайкой или приклеивай к ней клеем БФ-2 с таким расчетом, чтобы зубчатая часть кольца немного, примерно на 4–5 мм выступала наружу из боковой стенки футляра приемника (на рис. 202 справа наружная поверхность стенки футляра показана штриховой линией).

Выключатель питания и регулятор громкости — тоже неотъемлемые части портативного транзисторного приемника. Выключателем питания может быть, например, тумблер малогабаритный МТ-1 или кнопочный переключатель П2К. А если для настройки приемника использовать конденсатор типа КПК-2, то под его кольцом-ручкой можно разместить выключатель питания, представляющий собой две фигурные пластинки, одна из которых (на рис. 202 — левая) пружинящая. Если слегка надавить на пружинящую пластинку, то кончик ее, заведенный под вторую пластинку, опустится (питание выключено), а если отпустить ее, то пластинки замкнутся (питание включено). Роль такого замыкателя и размыкателя пластинок выполняет выступ на кольце снизу. Это может быть кусочек органического стекла, приклеенный к кольцу, или маленькая заклепка с круглой головкой, туго вставленная в отверстие в кольце. Пластинки надо подогнать так, чтобы они размыкались только тогда, когда выступ кольца набегает на выпуклую часть пружинящей пластинки. Это положение ротора конденсатора полезно обозначить цветной меткой на выступающей из футляра части кольца.

В пятой беседе я познакомил тебя с переменным резистором типа ТК, на корпусе которого имеется выключатель. В принципе в транзисторном приемнике такой резистор тоже может выполнять функции выключателя питания и регулятора громкости, если, конечно, позволяют габариты приемника. Однако в портативном транзисторном приемнике лучше использовать малогабаритный переменный резистор СПЗ-3, показанный на рис. 203 — он с выключателем.

Рис. 203. Малогабаритный переменный резистор типа СП-3 с выключателем питания

Диск диаметром 20 мм, насаженный на ось резистора, является ручкой регулятора громкости. Две крайние пластинки — выводы контактов выключателя, а три средние — выводы переменного резистора. Выводы выключателя используют и для крашении, обычно путем пайки этой детали на монтажной плате.

Теперь, полагаю можно заняться конструированием портативного приемника.

ПОРТАТИВНЫЙ ПРИЕМНИК

Каким должен быть такой приемник? Во-первых, надежным в работе и не «капризничать» в туристском походе, на рыбалке — всюду, где он будет твоим постоянным спутником. Во-вторых, он должен обеспечивать уверенный прием на магнитную антенну двух-трех радиостанций и достаточно громко, чтобы не только ты, но и твои товарищи на марше, на привале или, устроившись поудобнее, у костра, могли послушать «Пионерскую зорьку», последние известия, музыку, репортаж со стадиона, проверить часы — словом, чувствовать себя как дома.

Этим требованиям вполне может отвечать приемник, принципиальная схема которого показана на рис. 204.

Рис. 204. Принципиальная схема портативного приемника

Это однодиапазонный приемник 2-V-3, т. е. приемник, содержащий два каскада усиления колебаний радиочастоты, детекторный каскад и три каскада усиления колебаний звуковой частоты. Выбор диапазона волн, перекрываемого приемником, зависит от местных условий радиоприема. Источником питания приемника может быть батарея «Крона», аккумуляторная батарея 7Д-0,1 или две батареи 3336Л, соединенные последовательно.

Разберемся в схеме, деталях и работе приемника в целом. Многое в нем тебе уже знакомо, а кое-что новое. Начнем, как принято, со входа.

Входной контур приемника, настраиваемый на частоты радиостанций, образует катушка L1 магнитной антенны W1 и конденсатор переменной емкости С1, функцию которого выполняет подстроечный конденсатор КПК-2. Через катушку связи L2 и разделительный конденсатор С2 сигнал радиостанции, на которую настроен контур магнитной антенны, подается на базу транзистора V1 первого каскада усилителя РЧ. Его нагрузкой служит высокочастотный дроссель L3. С него усиленный сигнал через конденсатор С3 поступает на базу транзистора V2 второго каскада, а с его нагрузочного резистора R3 — через конденсатор С4 к детекторному каскаду.

Оба транзистора радиочастотного тракта приемника включены по схеме ОЭ. Режим их работы по постоянному току устанавливается резисторами смещения R1 и R2 между базами и коллекторами. Различие же между каскадами заключается лишь в том, что нагрузкой транзистора первого каскада служит высокочастотный дроссель, а нагрузкой транзистора второго каскада — резистор. Но эти нагрузки можно не только поменять местами, но и использовать для этой цели высокочастотные трансформаторы, внести некоторые другие изменения в усилитель, о чем я скажу позже.

Новым для тебя является детекторный каскад. Почти во всех предыдущих приемниках роль детектора выполнял один точечный диод, а в этом приемнике их два — V3 и V4. При таком включении диодов детектора на его нагрузочном резисторе создается почти вдвое большее напряжение звуковой частоты, чем на нагрузке однодиодного. В связи с этим такие детекторы называют детекторами с удвоением напряжения. Иногда их называют детекторами с закрытым входом по постоянному току, так как конденсатор С4 свободно пропускает к детектору только переменную и совсем не пропускает постоянную составляющую коллекторной цепи транзистора V2. Если конденсатор окажется с утечкой, то через него и диод V3, включенный по отношению к полярности батареи в прямом направлении, будет течь значительный постоянный ток и детектор плохо или совсем не будет детектировать радиочастотный сигнал.

В этом приемнике нагрузкой детектора служит переменный резистор R5. Он одновременно выполняет и роль регулятора громкости: чем выше (по схеме) находится его движок, тем большее напряжение звуковой частоты подается на вход низкочастотного тракта, тем громче радиоприем.

Для лучшего согласования сопротивления детектора с входным сопротивлением усилителя 3Ч транзистор V5 первого каскада усилителя включен по схеме ОК. Колебания звуковой частоты, создающиеся на его нагрузочном резисторе R7, через конденсатор С9 поступают к транзистору V6 второго каскада и усиливаются им.

Транзисторы V7, V9 и V8, V10, включенные по схеме составного транзистора, образуют два плеча двухтактного бестрансформаторного усилителя мощности. По принципу работы он аналогичен выходному каскаду усилителя электрофона, о котором рассказывалось в предыдущей беседе, но он менее мощный. Усиленные им колебания звуковой частоты поступают через конденсатор С11 к динамической головке В1 и преобразуются ею в звуковые колебания.

Резистор R11, благодаря которому на базах составных транзисторов (относительно эмиттеров) создаются начальные напряжения смещения, устраняет искажения типа ступенька. Резистор R4 и конденсатор С6 образуют развязывающий фильтр (знакомый тебе по усилителю электрофона), предотвращающий паразитные связи между усилителями приемника через общий источник питания,

О функции электролитического конденсатора С7, шунтирующего источник питания по переменному току, ты тоже знаешь. Его роль особенно заметна к концу разрядки батареи, когда внутреннее сопротивление батареи переменной составляющей тока звуковой частоты увеличивается.

Возможная конструкция этого приемника, а также его монтажная плата со схемой размещения и соединения деталей на ней показаны на рис. 205.

Рис. 205. Конструкция (а) и схема размещения и соединений деталей на монтажной плате (б)

В приемнике использованы: транзисторы со статическим коэффициентом передачи тока h21Э не менее 50, динамическая головка В1 — 0,5ГД-21, конденсатор С1 контура магнитной антенны — КПК-2 (с кольцом-ручкой, как на рис. 202), переменный резистор R5 с выключателем питания S1 — типа СПЗ-3, электролитические конденсаторы — К50-6, батарея питания — «Крона». Учти: пары транзисторов V7 и V8, V9 и V10 должны иметь возможно близкие параметры по h21Э и IКБО или произведения коэффициентов h21Э транзисторов V7 и V9 и транзисторов V8 и V10 должны быть равны. Это — обязательное условие для неискаженной работы усилителя мощности.

Длина ферритового стержня магнитной антенны 140 мм. Конструкция и данные катушек L1 и L2 такие же, как те» о которых я уже говорил в предыдущей части этой беседы. Для приема радиостанций средневолнового диапазона дроссель L3 должен иметь 75–85 витков, а для радиостанций длинноволнового — около 200 витков.

Все детали, кроме динамической головки и батареи питания, смонтированы на плате из листового гетинакса (можно из текстолита, стеклотекстолита или другого изоляционного материала) размерами 150х100 мм. Отверстие диаметром 36 мм в середине платы сделано под магнитную систему головки. Ферритовый стержень антенны прикреплен к плате резиновыми кольцами.

Динамическая головка диффузородержателем укреплена на передней стенке корпуса, а батарея «крона» — на боковой. Монтажная плата четырьмя шурупами удерживается на брусках, прикрепленных к стенкам корпуса. Сам же корпус склеен из фанеры толщиной 4–5 мм. В его передней стенке, против диффузора головки, сделан вырез, который затянут нетолстой тканью, защищающей головку от попадания на нее пыли, влаги. Спереди вырез прикрывает декоративная решетчатая накладка. К боковым стенкам на винтах прикреплена ручка (можно ремешок) для удобства переноски приемника.

Заднюю стенку корпуса (на рис. 205, а не показана) можно крепить к боковым стенкам шурупами. Лучше, однако, если она будет откидной, на небольших петлях, и удерживаться защелками, что позволит быстро заменять разрядившуюся батарею.

Такой или примерно такой может быть конструкция и твоего приемника. Здесь многое зависит от имеющихся деталей, материалов и, конечно, от твоей творческой смекалки.

Приступая к налаживанию приемника, тщательно проверь его монтаж по принципиальной схеме. Особое внимание обрати на правильность включения выводов транзисторов, полярность электролитических конденсаторов, диодов детектора. Затем к разомкнутым контактам выключателя питания подключи миллиамперметр. При этом прибор, замкнувший собой цепь питания, должен показывать ток покоя, не превышающий 12–15 мА. Значительно больший ток будет признаком ошибки в монтаже, использования в приемнике неисправной детали или резисторов не тех номиналов.

Налаживание усилителя 3Ч приемника сводится в основном к установке режимов работы транзисторов его выходного каскада. Сначала подбором резистора R8, заменяя его или подключая параллельно ему резисторы других номиналов, установи в точке симметрии напряжение, равное 4,5 В, т. е. половине напряжения батареи (или сетевого блока питания). Предварительно измерь напряжение, действующее между общими отрицательным и заземленным проводниками цепей питания. Оно не должно быть меньше 8,5 В. Затем подбором резистора R11 установи ток покоя транзисторов выходного каскада в пределах 4–6 мА.

Еще раз должен тебя предупредить: во время замены резистора R11 усилитель должен быть обесточен, иначе составные транзисторы выходного каскада могут выйти из строя из-за недопустимо больших токов, текущих через них.

Работоспособность тракта 3Ч приемника в целом проверяй так, как было рассказано в предыдущей беседе при испытании усилителей 3Ч.

После этого переходи к настройке радиочастотной части приемника. Сначала, включая миллиамперметр в коллекторные цепи транзисторов, подбором резисторов R2 и R1 установи в этих цепях токи в тех пределах, которые указаны на схеме. Далее, поворачивая приемник в горизонтальной плоскости, настрой его на какую-либо радиостанцию и дополнительным подбором резисторов R2 и R1 добейся наиболее громкого приема этой станции. Наибольшая громкость будет тогда, когда продольная ось сердечника катушки магнитной антенны окажется перпендикулярной прямой, направленной на принимаемую станцию. Это потому, что магнитная антенна обладает направленностью действия. Диапазон волн, перекрываемый приемником, можно несколько сдвинуть в сторону более коротких или более длинных волн, перемещая контурную катушку по ферритовому стержню.

Затем найти такое положение катушки связи L2 на стержне относительно контурной катушки, чтобы уровень сигнала был максимальным и без искажений. Если при наибольшем отдалении катушки связи от контурной катушки приемник работает с искажениями, значит, надо убавить число ее витков. Каркасы обеих катушек закрепи на ферритовом стержне каплями клея.

Может случиться, что при наибольшем усилении приемник станет самовозбуждаться на высокой частоте — появится свист. В этом случае поменяй местами включение выводов высокочастотного дросселя. А если это не поможет, то зашунтируй его резистором сопротивлением 1-10 кОм.

Какие изменения или дополнения можно внести в приемник?

Прежде всего — о транзисторах.

В усилителе РЧ вместо транзисторов ГТ308Б, указанных на принципиальной схеме, можно использовать любые другие маломощные высокочастотные транзисторы структуры р-n-р, например ГТ310, П401-П403, П416, П422 с любым буквенным индексом, а вместо транзистора МП37 в предоконечном каскаде — аналогичные ему транзисторы МП35, МП36 также с любым буквенным индексом.

Транзисторы V9 и V10 выходного каскада могут быть транзисторами средней мощности, например ГТ402, ГТ403, П601 или П605. В этом случае выходная мощность приемника увеличится примерно до 0,6–0,8 Вт. Соответственно можно будет увеличить и мощность используемой для приемника динамической головки. Но при такой замене транзисторов средний ток, потребляемый выходным каскадом, увеличится до 150–200 мА. Питать приемник с таким выходным каскадом придется от батареи, составленной из шести элементов 343 или 373. Батарея «Крона» или 7Д-0,1 не могут обеспечить продолжительную работу такого приемника.

Параллельно резистору R11, т. е. между базами транзисторов V7 и V8, можно включить в прямом направлении точечный или плоскостной германиевый диод, что повысит термостабильность работы выходного каскада. На принципиальной схеме приемника (рис. 204) он показан штриховыми линиями.

Сущность действия этой детали заключается в следующем. С повышением температуры прямое падение напряжения на диоде уменьшается, а с понижением, наоборот, увеличивается. При этом автоматически изменяется напряжение смещения на базах транзисторов, что и используется для термостабилизации усилителя.

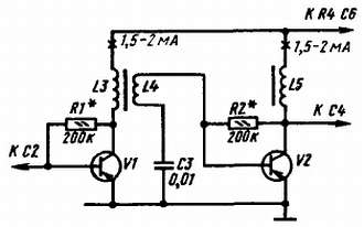
Нагрузкой транзистора первого каскада приемника может быть высокочастотный трансформатор, а нагрузкой транзистора второго каскада — дроссель. В этом случае схема усилителя РЧ примет вид, показанный на рис. 206.

Рис. 206. Схема варианта усилителя РЧ

Трансформатор, как и дроссель, намотай с помощью проволочного челнока (см. рис. 100) на кольце из феррита марки 600НН с наружным диаметром 7- 10 мм. Для лучшего согласования сравнительно большого выходного сопротивления усилительного каскада с относительно небольшим входным следующего за ним каскада, высокочастотный трансформатор делают понижающим: обмотка L3 должна содержать 180–200 витков, a L4, являющаяся катушкой связи, 70–80 витков провода ПЭВ-1 или ПЭЛШО 0,1–0,15.

Что даст такое построение усилителя РЧ? Несколько повысится чувствительность приемника. Но, к сожалению, вместе с тем приемник станет более склонным к самовозбуждению из-за усиливающейся положительной обратной связи между коллекторными цепями транзисторов и входной цепью через магнитные поля, действующие между ними. Придется опытным путем поискать положение трансформатора и дросселя относительно стержня магнитной антенны, при котором паразитная генерация устраняется, а может быть даже экранировать их — обернуть фольгой и заземлить фольгу.

Усилитель РЧ меньше всего будет склонен к самовозбуждению, если нагрузками транзисторов обоих каскадов будут резисторы. Но при этом будет несколько снижена чувствительность приемника. Компенсировать эту потерю можно более тщательной подгонкой режимов работы транзисторов, усилением связи контура магнитной антенны со входом усилителя.

Другой путь повышения чувствительности — подача смещения на базы транзисторов усилителя РЧ с делителей напряжения и включение в их цепи эмиттеров термостабилизирующих резисторов и шунтирующих их конденсаторов (по схеме на рис. 200, а). Площадь монтажной платы, отведенной для усилителя РЧ, позволяет разместить на ней эти дополнительные детали. Кроме того, можно предусмотреть гнездо для подключения к контуру магнитной антенны внешней электрической антенны, которая увеличит дальность действия приемника.

Что же касается корпуса приемника, то он не обязательно должен быть самодельным. В магазине культтоваров можно приобрести подходящий готовый корпус портативного транзисторного приемника. Готовый корпус подскажет габариты монтажной платы и компоновку в нем деталей.

Вот с учетом подобранных деталей и возможных изменений и дополнений, проверенных на макетной панели, и конструируй приемник. Народная мудрость гласит: семь раз отмерь, а один раз — отрежь. К портативному приемнику, особенно если ты будешь стремиться уменьшать его габариты, она, как нельзя лучше, подходит. Вот почему хочется дать тебе еще один совет: учитывая имеющиеся детали, составь несколько вариантов схемы монтажа, не торопясь, выбери лучшую из них, и только тогда приступай к заготовке и разметке платы и монтажу приемника.

РАДИОЧАСТОТНЫЙ БЛОК РАДИОЛЫ

Теперь, когда ты имеешь представление о принципе построения и работе радиочастотного тракта приемника прямого усиления, ты сможешь добавить подобный блок в электрофон и, таким образом, превратить его в переносную радиолу.

Такой блок можно смонтировать по схеме, доказанной на рис. 207.

Рис. 207. Схема радиочастотного блока радиолы

Чтобы облегчить объединение схемы этого блока со схемой усилителя электрофона (см. рис. 186), на ней принята сквозная нумерация деталей и, кроме того, показан переменный резистор R7, являющийся входным элементом основного усилителя электрофона. Во время радиоприема согласующий каскад усилителя в работе радиолы не участвует.

Переключение радиолы с воспроизведения грамзаписи на прием радиостанций и обратно осуществляется двухсекционным переключателем S2. Положение переключателя на контактах 1, показанное на схеме, соответствует включению радиолы на воспроизведение грамзаписи.

Высокочастотный блок радиолы образуют входная антенная цепь, двухкаскадный усилитель РЧ на транзисторах V14 и V15 и детектор на диодах V16 и V17, включенных, как и в портативном приемнике, по схеме удвоения выходного напряжения. Основное отличие усилителя РЧ от уже знакомых тебе двухкаскадных усилителей заключается лишь в том, что роль нагрузок обоих его транзисторов выполняют резисторы и режимы работы транзисторов жестко стабилизированы.

Для упрощения входная цепь блока рассчитана на прием двух станций средневолнового (можно длинноволнового) диапазона. Для приема станции, работающей в длинноволновом участке этого диапазона, параллельно катушке L1 секцией S2.1 переключателя S2 надо подключить конденсатор С18, а для приема станции коротковолнового участка этого же диапазона — соединенные параллельно подстроечный конденсатор С17 и конденсатор постоянной емкости С16. Емкость конденсаторов С16 и С18, обозначенных на схеме звездочками, зависит от длины волн станций, на которые будешь настраивать входной контур.

Внешнюю антенну W1, представляющую собой отрезок изолированного провода длиной 1–1,5 м, подключают к гнезду X1. Конденсатор С15 ослабляет влияние собственной емкости антенны на настройку контура приемника. Через катушку связи L2 и конденсатор С19 модулированный сигнал радиостанции, на частоту которой настроен контур входной цепи, поступает на вход усилителя, усиливается обоими его каскадами и далее детектируется. Роль нагрузки детектора выполняет переменный резистор R7, являющийся и регулятором громкости. При этом замыкающий контакт секции S2.2 переключателя вида работы должен находиться на одном из двух нижних (по схеме) неподвижных контактах. Сигнал звуковой частоты усиливается так же, как при воспроизведении грамзаписи.

Внешний вид этого блока и схема соединений деталей на его плате показаны на рис. 208.

Рис. 208. Внешний вид радиочастотного блока радиолы (а) и схема соединения деталей на ней (б)

Катушки L1 и L2 намотаны на унифицированном четырехсекционном каркасе с ферритовым подстроечным сердечником (можно на аналогичном самодельном каркасе). Катушка L1, рассчитанная на прием радиостанций средневолнового диапазона, содержит 160 витков (4 секции по 40 витков) провода ПЭВ-1 0,12, a L2, намотанная поверх катушки L1, 8 витков такого же провода (для радиостанций длинноволнового диапазона — соответственно 250–280 и 15–20 витков такого же провода).

Переключатель S2 — несколько упрощенный движковый переключатель от приемника «Сокол». В нем оставлены только восемь контактов и две замыкающие пластины, расположенные с одной стороны от движка. Оставленные замыкающие пластинки размещены по схеме, показанной на рис. 209, а. Положение 1 контактов такого переключателя соответствует включению радиолы на воспроизведение грамзаписи, положение 2 — приему программ одной радиовещательной станции, положение 3 — приему второй станции.

Размещение переключателя и антенного гнезда X1 на корпусе электропроигрывателя показано на рис. 209, б.

Рис. 209. Схема переключателя (а) и размещение его и антенного зажима на панели ЭПУ (б)

Ограничителем перемещения движка переключателя служит отверстие в панели, на которой он укреплен с помощью гетинаксовой пластинки (размерами 100х12 мм) с отверстиями под выводы контактов, двух стоек и винтов.

Налаживание блока сводится к подгонке режимов работы его транзисторов и настройке входного колебательного контура на выбранные радиостанции. Режим транзистора V15 устанавливай подбором резистора R26, транзистора V14 — подбором резистора R22. После этого подключи антенну и, пользуясь для контроля другим радиовещательным приемником, приступай к настройке входного контура. Сначала настрой его на станцию низкочастотного участка диапазона: грубо — подбором конденсатора С18 (220–470 пФ), точно — подстроечным сердечником катушки L1. Затем подбором конденсатора С16 (33-150 пФ) и изменением емкости подстроечного конденсатора С17 настрой контур на радиостанцию высокочастотного участка диапазона. Но теперь подстроечный сердечник катушки уже не трогай, иначе собьешь настройку на первую станцию. Для уменьшения уровня шумов конденсатор С19 может быть электролитическим емкостью 1-10мкФ (положительную обкладку подключить к катушке L2).

На этом налаживание радиочастотного блока радиолы можно считать законченным. Остается вмонтировать его к корпусу электропроигрывателя возможно ближе ко входу усилителя 3Ч и переключателю вида работы S2.

РЕФЛЕКСНЫЕ ПРИЕМНИКИ

Рефлексными называют приемники, некоторые транзисторы или каскады которых используются как для усиления колебаний радиочастоты, так и усиления колебаний звуковой частоты одновременно. Это позволяет несколько сократить общее число деталей и, следовательно, уменьшать габариты приемников. С одним из таких вариантов приемника прямого усиления ты уже познакомился в седьмой беседе. Но он был однотранзисторным и для его нормальной работы нужны были внешняя антенна и заземление. Так что будем считать его экспериментальным.

Сейчас же предлагаю для повторения (или опытной проверки) два варианта рефлексных приемников.

Первый вариант - двухконтурный 2-V-2 с низковольтным питанием. Его принципиальная схема показана на рис. 210. Приемник, как видишь, двухтранзисторный, с внутренней магнитной антенной на входе и телефонном на выходе. Питаясь or одного гальванического элемента 316 или 332, он обеспечивает уверенный прием программ одной местной или отдаленной мощной радиовещательной станции. Потребляемый ток не превышает 1,5 мА. Это значит, что энергии одного элемента хватает на 200–300 ч непрерывной работы приемника.

Рис. 210. Двухконтурный рефлексный приемник с низковольтным питанием

Входной контур магнитной антенны W1, настроенный на волну выбранной станции, образуют катушка L1 и конденсатор С1. Через катушку связи L2 сигнал станции поступает на базу транзистора V1 первого каскада, включенного по схеме ОЭ, а с его коллектора — непосредственно на базу транзистора V3 второго каскада. Роль радиочастотной нагрузки транзистора V3 выполняет колебательный контур, состоящий из катушки L3 высокочастотного трансформатора и конденсатора С5, настроенный, как и контур L1C1 магнитной антенны, на волну той же станции.

Выделенный им модулированный сигнал радиочастоты через катушку L4 трансформатора подается на диодный детектор V2. С резистора R3, нагрузки детектора, колебания звуковой частоты через конденсатор С2 и катушку связи L2 поступают на базу транзистора V1 и одновременно с колебаниями радиочастоты усиливаются обоими транзисторами приемника. Телефон В1, являющийся низкочастотной нагрузкой транзистора V3, преобразует колебания звуковой частоты в звук. Таким образом, в этом приемнике один и тот же двухкаскадный усилитель работает одновременно как усилитель РЧ и как усилитель 3Ч. Получился приемник прямого усиления 2-V-2.

Обращаю внимание на включение транзистора V3. Для сигнала радиочастоты он включен по схеме ОЭ, а для сигнала звуковой частоты — по схеме ОК (эмиттерным повторителем).

Два резонансных контура приемника позволяют значительно (по сравнению с аналогичным одноконтурным приемником прямого усиления) повысить его чувствительность и селективность. Поскольку связь между транзисторами непосредственная, режим работы обоих транзисторов устанавливают положительным напряжением смещения на базе транзистора V1, т. е. подбором резистора R1. А так как этот резистор включен между коллектором и базой транзистора, то он одновременно и термостабилизирует работу приемника.

Желательный коэффициент h21Э транзисторов КТ315 или транзисторов КТ301, КТ306, КТ312, КТ316, которые также можно использовать в приемнике, около 100. Электролитический конденсатор С2-типа К50-6, конденсаторы С3 и С4 — КЛС, С1 и С5 — КДК или КСО.Телефон В1 - ушной телефон ТМ2М, ТМ4М, телефонный капсюль ДЭМШ-4М или низкоомные телефоны ТЛ-56М. Для магнитной антенны используй стержень диаметром 8 и длиной 55–60 мм из феррита марки 400НН или 600НН, а для высокочастотного трансформатора L3L4 кольцо диаметром 7 мм из феррита марки 600НН.

Для приема радиостанции средневолнового диапазона контурная катушка L1 должна содержать 70–75 витков, катушка связи L2, намотанная поверх катушки L1, 5–6 витков, катушка L3 трансформатора 75 витков, L4 — 60 витков провода ПЭВ-1 0,1–0,12, а для радиостанции длинноволнового диапазона — соответственно 210–220, 15–20, 110–120 и 70–80 витков такого же провода. Каркас катушки L1 должен с небольшим трением перемещаться по ферритовому стержню.

Возможная конструкция приемника (без корпуса) и схема соединения деталей на монтажной плате показаны на рис. 211.

Рис. 211. Внешний вид и схема соединения деталей на плате приемника

Плата размерами 60х45 мм выпилена из листового гетинакса (текстолита или, в крайнем случае, из оргалита) толщиной 1,5–2 мм. Стержень магнитной антенны укреплен на ней резиновыми кольцами, высокочастотный трансформатор приклеен клеем БФ-2 (или «Суперцемент»). Элемент 316 удерживается цилиндрическим кронштейном и стойкой из листовой латуни, являющимися контактными выводами полюсов элемента. Их крепежные лепестки пропущены через узкие пропилы в плате и загнуты снизу. Конструкция выключателя питания S1 произвольная.

Налаживание приемника сводится в основном к подбору резистора R1 и настройке обоих его колебательных контуров в резонанс с частотой выбранной радиовещательной станции. Делай это в такой последовательности. Между базой и коллектором транзистора V1 включи (вместо резистора R1) последовательно соединенные постоянный резистор сопротивлением 15-20 кОм и переменный резистор на 30–47 кОм, параллельно катушке L1 подключи (вместо конденсатора С1) конденсатор переменной емкости, правый (по принципиальной схеме) вывод конденсатора С2 переключи на общий заземленный проводник, высокоомный телефон подключи параллельно резистору R3, а вместо телефона в цепь эмиттера транзистора V3 включи резистор сопротивлением 56–68 Ом. В результате получится приемник 2-V-0. Изменяя емкость конденсатора входного контура и сопротивление переменного резистора, добейся наиболее громкого приема выбранной радиостанции. Если приемник самовозбуждается, поменяй местами включение выводов катушки L2 или L3. После этого во входной контур включи постоянный конденсатор, при котором будет слышна та же станция. Конденсатор же переменной емкости подключи к катушке L3 (вместо С5), с его помощью настрой второй контур на частоту той же станции, а добившись наибольшей громкости, замени его постоянным конденсатором такой же емкости. Так ты настроишь и испытаешь работоспособность приемника без усиления колебаний звуковой частоты.

Теперь низкоомный телефон подключи на место (в цепь эмиттера транзистора V3) и восстанови соединение конденсатора С2 с нагрузкой детектора. Приемник станет рефлексным 2-V-2. При этом громкость радиоприема должна резко возрасти. Подстрой входной контур смещением катушки L1 по ферритовому стержню, подбери дополнительно сопротивление цепочки резисторов смещения, добиваясь наиболее громкого и неискаженного звучания телефона, измерь омметром их общее сопротивление и вмонтируй вместо них постоянный резистор такого же сопротивления. Если приемник будет самовозбуждаться, устраняй это явление изменением положения высокочастотного трансформатора относительно магнитной антенны.

Остается закрепить несколькими каплями клея каркас катушки L1 на ферритовом стержне, чтобы не сбить настройки входного контура, и поместить монтажную плату приемника в корпус произвольной конструкции.

Второй вариант — рефлексный приемник «Мальчиш». Именем гайдаровского героя назван пятитранзисторный малогабаритный рефлексный приемник, который можно собрать из набора деталей и узлов, выпускаемого московским опытно-экспериментальным школьным заводом «Чайка». Приемник обеспечивает достаточно громкий прием местных и некоторых наиболее мощных отдаленных радиовещательных станций. Принципиальная схема приемника изображена на рис. 212.

Рис. 212. Принципиальная схема приемника «Мальчиш»

Его входной настраиваемый контур образуют катушка L1 магнитной антенны W1 и конденсатор переменной емкости С1. Через катушку связи L2 сигнал радиостанции подается на базу транзистора V1 первого каскада усилителя РЧ. Коллекторной нагрузкой транзистора этого каскада служит катушка L3. Через катушку связи L4, образующую с катушкой L3 высокочастотный трансформатор, усиленный сигнал поступает на базу транзистора V2 второго каскада приемника.

Второй каскад приемника рефлексный. В связи с этим в коллекторной цепи его транзистора две нагрузки: высокочастотная, роль которой выполняет дроссель L5, и низкочастотная — резистор R5. С дросселя L5 сигнал станции, усиленный двумя каскадами, подается через конденсатор С4 на диод V3, a колебания звуковой частоты, создающиеся на нем, — на базу транзистора V2 (через резистор R4 и катушку L4). Следовательно, каскад на транзисторе V2 является вторым каскадом усиления колебаний радиочастоты и первым каскадом усиления колебаний звуковой частоты.

С резистора R5 сигнал звуковой частоты поступает (через конденсатор С5) на базу транзистора V4 второго каскада усилителя 3Ч, нагруженного на первичную обмотку I межкаскадного трансформатора Т1, а с его вторичной обмотки II — на базы транзисторов V5 и V6 выходного двухтактного усилителя мощности. Усиленные колебания звуковой частоты преобразуются головкой В1 в звук.

Коротко о назначении некоторых других элементов этого приемника. Через резистор R1 на базу транзистора V1 подается напряжение смещения. Конденсатор С2 замыкает базовую цель этого транзистора по высокой частоте и разрывает ее для постоянного тока. Напряжение смещения на базу транзистора V2 снимается с делителя, образуемого резисторами R3, R4 и диодом V3 и подается на базу через катушку L4. Диод V3 включен в прямом направлении, поэтому он приоткрыт, что улучшает работу детектора при слабых сигналах радиостанций. Одновременно резистор R4 совместно с конденсатором С3 образуют фильтр, преграждающий путь высокочастотной составляющей продетектированного сигнала ко входу рефлексного каскада.

Резистор К7 — элемент цепи смещения транзистора V4. Конденсатор С7 создает между коллекторной и базовой цепями этого транзистора отрицательную обратную связь по переменному току, предотвращающую возбуждение каскада на высших звуковых частотах. Резисторы R8-R10 образуют два взаимосвязанных делителя, создающих на базах транзисторов выходного каскада напряжение смещения, устраняющие искажения типа ступенька. Конденсатор С9, показанный на схеме штриховыми линиями, включают в том случае, если приемник самовозбуждается.

В набор, который можно приобрести в магазине культтоваров или выписать через торговую базу «Посылторга» входят все необходимые для сборки приемника детали, узлы и материалы, включая и дополнительные резисторы для подгонки режимов транзисторов, а также динамическая головка В1 типа 0,2ГД-1. Конденсатор переменной емкости C1 контура магнитной антенны, кронштейн для батареи «Крона» и пластинчатый выключатель питания S1 уже вмонтированы в полистироловый корпус будущего приемника. В заготовке монтажной платы из листового гетинакса предусмотрены отверстия под магнитную систему головки, под трансформаторы, корпуса транзисторов, опорные точки монтажа и винты крепления платы в корпусе. Обладатель набора должен, кроме монтажа, намотать на бумажных каркасах, которые с небольшим трением можно было бы перемещать по ферритовому стержню, катушки L1 и L2, на ферритовых кольцах — высокочастотные трансформаторы L3, L4 и дроссель L5 и, конечно, наладить смонтированный приемник.

Внешний вид «Мальчиша» и компоновка узлов и деталей в его корпусе показаны на рис. 213, а схема соединения деталей на монтажной плате на рис. 214.

Рис. 213. Внешним вид и конструкция приемника «Мальчиш»

Рис. 214. Монтажная плата и соединения деталей на ней

Габариты приемника таковы, что он умещается в кармане. Но подобный приемник, если он тебя заинтересует, можно смонтировать и из имеющихся у тебя деталей. Надо только постараться сохранить примерно такую же компоновку деталей, иначе приемник может возбудиться, а борьба с возбуждением в четырехкаскадном рефлексном приемнике дело довольно сложное.

Стержень магнитной антенны из феррита 400НН или 600НН может быть круглым или плоским безразлично. Катушка L1 средневолнового приемника должна содержать 65–70 витков, длинноволнового — 200 витков, намотанных десятью секциями по 20 витков в каждой секции, а катушка связи 2 — соответственно 3–4 и 8-10 витков провода ПЭВ-1 0,1–0,15.

Катушки L3 и L4 высокочастотного трансформатора и дроссель L5 намотай, пользуясь проволочным челноком, на кольцах из феррита 600НН проводом ПЭВ-1 0,1: катушка L3 содержит 100 витков, намотанных равномерно по всему кольцу, L4-10 витков (можно увеличить до 40–50 витков), дроссель L5 — 200 витков. Эти детали приклей к плате клеем БФ-2.

В первых двух каскадах приемника можно использовать любые маломощные высокочастотные транзисторы структуры р-n-р (П401-П403, П416, П422, ГТ308, ГТ309, ГТ310), в двух других — любые маломощные низкочастотные, такой же структуры (МП39-МГ142). Высокочастотный транзистор с большим коэффициентом передачи тока h21Э используй в первом каскаде, а с меньшим — во втором. Для выходного двухтактного каскада отбери транзисторы с одинаковыми или возможно близкими значениями этого параметра.

Межкаскадный и выходной трансформаторы Т1 и Т2 такие же, как в описанном в двенадцатой беседе трехкаскадном усилителе 3Ч.

Монтаж приемника, особенно второго и третьего каскадов, очень плотный. Настолько плотный, что неловкое движение паяльником может привести к порче детали. Здесь могут появиться и случайные соединения деталей и монтажных проводников. Поэтому закончив монтаж, внимательно осмотри его и при обнаружении мест возможных замыканий деталей немного раздвинь их.

На налаживание, возможно, придется затратить несколько часов, поэтому «Крону» на это время лучше заменить двумя последовательно соединенными батареями 3336Л, обладающими большей емкостью, или сетевым блоком питания. Вначале второй каскад используй только дли усиления колебаний радиочастоты. Для этого отключи резистор R4 от точки соединения резистора R3, катушки L4. конденсатора С3 и подключи его к выводу анода диода V3. Левый (по схеме) вывод конденсатора С5 отключи от резистора R5 и дросселя L5 и подключи к катоду диода V3. Получится не рефлексный приемник 2-V-2. Замкни проволочной перемычкой выводы катушки L2 и подключи параллельно разомкнутым контактам выключателя миллиамперметр на ток 30–50 мА. Прибор должен показать ток не более 10 мА. Если ток значительно больше, значит, в монтаже есть ошибки или электролитический, конденсатор С8 имеет большой ток утечки.

Затем измеряй и, если надо, устанавливай рекомендуемые режимы работы транзисторов. Суммарный ток покоя транзисторов V5 и V6 выходного каскада устанавливай одновременным подбором резисторов R8 и R9 одинаковых номиналов, а коллекторные токи транзисторов V1, V2, V4 — подбором резисторов R1, R3, R7 соответственно.

После проверки и подгонки токов транзисторов сними перемычку с выводов катушки L2 и, вращая ручку-диск конденсатора переменной емкости и одновременно поворачивая приемник в горизонтальной плоскости, настрой приемник на какую-нибудь станцию. При слабой слышимости подключи к входному контуру (через конденсатор емкостью 47–68 пФ) внешнюю антенну, например отрезок провода длиной 5–6 м. Если прием будет сопровождаться свистом, попробуй поменять местами выводы катушек L2, L3, дросселя L5, отодвинь каркас с катушкой L2 подальше от катушки L1. Затем восстанови рефлексный каскад, отключи внешнюю антенну и снова настрой приемник на ту же станцию. Если при этом появятся свисты, устраняй их изменением положений высокочастотных трансформатора и дросселя относительно друг друга и магнитной антенны, включением конденсатора С9.

Заключительный этап — подбор оптимальной связи между входным контуром и усилителем РЧ. Изменяя расстояние между катушками L1 и L2 и, если надо, число витков катушки L2, добейся наиболее громкого и неискаженного радиоприема во всем диапазоне перекрываемых приемником радиочастот.

* * *

Приемник прямого усиления был и видимо, долго еще будет оставаться одним из важнейших этапов творческого становления радиолюбителя. Но этой беседой разговор о приемниках этого класса я не заканчиваю. Он будет продолжен в беседах, посвященных применению электронных ламп и интегральных микросхем.

Более 800 000 книг и аудиокниг! 📚

Получи 2 месяца Литрес Подписки в подарок и наслаждайся неограниченным чтением

ПОЛУЧИТЬ ПОДАРОК