Беседа 3 ТВОЙ ПЕРВЫЙ РАДИОПРИЕМНИК

Практическое знакомство с радиотехникой обычно начинается с постройки самого простого радиовещательного приемника — детекторного. Советую и тебе не нарушать эту радиолюбительскую традицию.

Но детекторный приемник, как, впрочем, и некоторые простые транзисторные и ламповые приемники, не будет удовлетворительно работать без хорошей антенны и заземления. С них поэтому тебе и придется начать свои первые практические шаги в радиотехнике.

АНТЕННА И ЗАЗЕМЛЕНИЕ

Слово «антенна» пришло к нам из греческого языка. Греки называли антенной щупальца или усики насекомых. Приемная антенна это тоже щупальца, которыми она «захватывает» из пространства энергию радиоволн. Чем больше энергии приемник получит от своей антенны, тем громче он будет работать. Это особенно важно для детекторного приемника, который работает исключительно благодаря энергии радиоволн.

Всевозможных конструкций антенн много. Большая часть из них — это длинные провода, поднятые высоко над землей. Антенны этих видов называют наружными, так как они находятся снаружи зданий. Те же антенны, которые располагают внутри зданий, называют комнатными или внутренними. Наружные антенны по приемным свойствам лучше внутренних.

Тебе, пока что начинающему радиолюбителю рекомендую соорудить наружную антенну. Однако сначала сделай заземление. Дело в том, что под действием атмосферных разрядов в проводе наружной антенны могут накапливаться столь значительные электрические заряды, что они будут ощущаться при прикосновении к проводу. Соединив же с землей провод будущей наружной антенны, ты отведешь заряды в землю.

Заземление. Возможно ближе, к окну, через которое ты предполагаешь вводить провода заземления и антенны, вырой яму такой глубины, где земля всегда сохраняет влагу. В яму уложи какой-нибудь металлический предмет, например старое, но не заржавевшее ведро (рис. 21, а) или лист оцинкованного железа (рис. 21, б) размерами примерно 50x100 см, предварительно припаяв к нему отрезок провода такой длины, чтобы протянуть его до твоего рабочего места. Металлический предмет засыпь землей, но осторожно, чтобы не перерубить лопатой провод заземления, и хорошо утрамбуй землю. После этого провод заземления прикрепи к стене дома скобами, сделанными из гвоздей или стальной проволоки.

Если ты живешь в городе, то заземлением могут служить трубы водопровода, центрального парового или водяного отопления, так как они имеют хороший электрический контакт с землей. Трубу (по возможности ближе к твоему рабочему месту) надо осторожно зачистить до блеска напильником и туго обмотать этот участок трубы концом зачищенного медного провода, который пойдет к приемнику. Надежный контакт провода с трубой можно сделать и с помощью, металлического хомута (рис. 21, в).

Рис. 21. Заземление

Наружная антенна. Лучше всего соорудить Г-образную антенну, напоминающую внешним видом букву «Г» (рис. 22).

Рис. 22. Устройство Г-образной антенны

Такая антенна состоит из провода длиной 20–40 м, подвешенного с помощью опор — мачт на высоту 10–15 м над землей, и снижения — того же или такого же провода, свисающего вниз, конец которого подключают к радиоприемнику. Ту часть снижения, которую вводят в дом, называют вводом антенны. Чем длиннее горизонтальная часть антенны, и чем выше над землей она поднята, тем лучше радиоприем.

Для такой антенны удобно применить антенный канатик — многожильный провод свитый из тонких медных проволочек, или медную проволоку толщиной 1,5–2 мм. В крайнем случае можно использовать оцинкованную стальную или железную проволоку такой же толщины. Более тонкая проволока не годится, антенна из нее получится непрочной. Непригодна для антенны алюминиевая проволока, так как на воздухе она становится хрупкой и обрывается.

Желательно, чтобы горизонтальная часть, снижение и ввод антенны были сделаны одним отрезком провода. Если нет провода необходимой длины, то соединяемые участки проводов нужно зачистить до блеска, прочно скрутить и обязательно пропаять места скруток.

Определяя места подвески горизонтальной части антенны, учитывай возможность использования крыши своего дома. Близко к железной крыше дома и над деревьями антенну подвешивать не рекомендуется. Если неподалеку проходят провода электрического освещения, то горизонтальную часть антенны располагай по возможности перпендикулярно им и подальше от них.

Имей в виду: категорически запрещается подвешивать провод антенны над линиями электрического освещения, телефонными и другими проводами, а также крепить шесты к водосточным, вентиляционным и дымоходным трубам, телефонным столбам, столбам электрического освещения.

Для мачт, устанавливаемых на крышах домов, нужны шесты длиной 3–4 м, диаметром у основания 8-10 см, а у вершины 4–5 см. В сельской местности в качестве одной из опор можно использовать дерево. К шестам, отступая от вершины на 15–20 см, прикрепи по три отрезка стальной проволоки длиной несколько больше длины шестов; они будут оттяжками. На вершине одного из шестов укрепи блок. Пропусти через него прочную веревку, а лучше тонкий металлический трос дли подъема горизонтальной части антенны, а в дальнейшем для регулировки ее натяжения. Под мачты обязательно сделай дощатые опорные площадки с гнездами для их оснований (рис. 23). Устанавливать мачты удобнее вдвоем: один держит мачту в вертикальном положении, а другой закрепляет ее оттяжки на костылях или гвоздях, вбитых в крышу. Если кровля железная, оттяжки можно крепить в закроях железа.

Рис. 23. Крепление мачты антенны на крыше

Провод горизонтального луча антенны подвешивай к мачтам на двух цепочках из антенных изоляторов (рис. 24, а) или фарфоровых роликах (рис. 24, б), используемых для комнатной электропроводки. В каждой цепочке должно быть не менее чем по два изолятора. Одну цепочку крепи к вершине мачты без блока, вторую — к веревке (тросу), перекинутой через блок на второй мачте.

Рис. 24. Цепочки изоляторов

Разматывая провод, не выпускай моток из рук, следи за тем, чтобы на проводе не образовывались петли, перегибы. Ту часть провода, которая будет снижением, временно, пока не закончишь подъем и крепление горизонтальной части антенны, соедини с заземлением. Если для снижения приходится использовать отдельный отрезок провода, место его скрутки с горизонтальным лучом обязательно пропаяй, сильно натягивать провод горизонтального луча не следует, так как во время зимних морозов его длина заметно уменьшается, провод натягивается и может оборваться или поломать опоры.

Чтобы снижение не болталось и не соприкасалось с кровлей или другими частями дома, укрепи на стене или на краю крыши стене или брусок с роликом и привяжи к нему провод снижения.

Если в качестве одной опоры антенны использовать дерево, то к его стволу нужно привязать шест с блоком на конце, как показано на рис. 22. Свободный конец троса, пропущенный через блок, к столу не крепи во время ветра качающееся дерево может оборвать провод антенны. К нему надо привязать какой-нибудь груз, например камень. Подбирая массу этого груза, легко добиться необходимого натяжения горизонтального луча антенны.

Если по каким-либо причинам тебе не удастся соорудить Г-образную антенну на двух опорах, сделай ее в виде наклонного луча. Для этого потребуется одна опора высотой 10–15 м. Второй конец провода крепи на изоляторе возле окна, через которое антенну будешь вводить в дом. Если дом высокий, а ты живешь на первом или втором этаже, неплохой наружной антенной может быть провод, вертикально или с наклоном свисающий к твоему окну.

Наружная антенна может быть и одномачтовой, например типа «метелка» (рис. 25).

Рис. 25. Антенна типа «метелка»

Она состоит из 40–80 прутков проволоки без изоляции толщиной 1,0–1,5 мм и длиной по 40–50 см. Прутки должны быть зачищены с одного конца и туго стянуты концом провода, предназначенного для снижения. Нижнюю часть метелки желательно залить расплавленным свинцом, чтобы обеспечить надежный контакт между отдельными ее прутками. Пучок прутков надо вставить в отверстие большого фарфорового изолятора или толстостенный фарфоровый или стеклянный стакан подходящего диаметра, а затем залить варом или смолой. Свободные концы прутков расправляют наподобие метлы. Изолятор крепят к мачте железным хомутиком или проволокой.

Вводы антенны и заземления. В сельской местности для оборудования ввода наружной антенны кроме изоляционных материалов потребуется еще грозовой переключатель — небольшой рубильник с зубчатыми пластинками, образующими искровой промежуток. Провода снижения и заземления вводи внутрь комнаты через отверстия, просверленные в стене (рис. 26), оконной колоде или неоткрывающейся раме окна. Сверли их с небольшим наклоном в сторону улицы, чтобы через них в комнату не затекала дождевая вода. Возможно ближе к этим отверстиям укрепи грозовой переключатель.

Рис. 26. Оборудование вводов антенны и заземления и установка грозового переключателя

В отверстие для антенного ввода с наружной стороны вставь фарфоровую воронку, а с внутренней — втулку. Вставь в них резиновую, поливинилхлоридную или иную изоляционную трубку, а через трубку пропусти конец провода снижения. Если нет фарфоровых воронки и втулки, можно обойтись одной изоляционной трубкой.

Провод заземления вводи без изоляционных материалов, только со стороны комнаты вставь в отверстие втулку, чтобы не испортить внешнего вида стены. Ввод антенны укрепи на роликах, и, сделав на конце провода петельку, закрепи ее под верхний зажим грозопереключателя. Ввод заземления прибей к стене проволочными скобами. На конце провода заземления тоже сделай петельку и прочно зажми ее под винт ножа грозопереключателя. Далее заготовь два отрезка изолированного провода такой длины, чтобы дотянуть их до твоего рабочего места. Подойдет провод, применяемый для электросети. Концы проводов зачисть от изоляции. Один из них закрепи под нижний свободный зажим грозопереключателя, другой под его верхний зажим (с которым соединен ввод антенны). Противоположными концами эти провода будешь подключать к приемнику.

Зачем нужен грозопереключатель? Чтобы отводить в землю электрические заряды, возникающие в проводах наружной антенны под действием различных атмосферных явлений. Когда приемником не пользуются, антенна должна быть заземлена — нож грозопереключателя устанавливают в верхнее положение. Перед началом радиопередач нож грозопереключателя перекидывают вниз, переключая заземление на приемник. Если к радиопередаче начинают примешиваться значительные трески, являющиеся признаком приближения грозы (в это время заряды из антенны уходят в землю через искровой промежуток), радиоприем желательно прекратить, а антенну заземлить. При этом приемник перестает работать, а создающиеся в антенне электрические заряды через нож переключателя стекают в землю, не причиняя вреда ни приемнику, ни слушателю.

Этих предосторожностей вполне достаточно, чтобы не иметь неприятностей от наружной антенны во время грозы.

Комнатная антенна. Для приема сигналов местной или отдаленной мощной радиовещательной станции можно пользоваться также комнатной антенной. Для ее устройства нужно в углах комнаты под потолком привернуть фарфоровые ролики и натянуть между ними изолированный или голый провод. Его можно протянуть вдоль одной, двух, трех или всех четырех стен комнаты. Один из концов провода пойдет вниз, к приемнику. Такая антенна будет тем лучше, чем длиннее ее провод; и чем выше над землей находится комната.

Можно также соорудить спиральную комнатную антенну (рис. 27), представляющую собой изолированный или голый провод длиной 10–15 м, свитый в спираль на круглой болванке. Спиральную антенну нужно подвесить на шнуре или капроновой леске между стенами комнаты. Снижение к радиоприемнику можно слетать от любого конца или витка спирали. Грозопереключатель для комнатной антенны не нужен.

Рис. 27. Комнатная спиральная антенна

ПЕРВЫЙ РАДИОПРИЕМНИК

Прежде чем приступить к сборке твоего первого радиоприемника, предлагаю тебе заняться сборкой опытного детекторного приемника. Главное достоинство такого варианта простейшего радиоприемника заключается в том, что в нем легко делать любые изменения и дополнения, исправлять ошибки путем переключения соединительных проводников, поскольку все его детали будут лежать перед тобой в развернутом виде. Опыты с ним помогут тебе понять основные принципы работы любого радиовещательного приемника и получить некоторые практические навыки радиотехнического конструирования.

Для такого приемника понадобятся (рис. 28): катушка индуктивности, стержень из феррита марки 400НН или 600НН диаметром 7–8 мм и длиной 120–140 мм (такие стержни используют для магнитных антенн транзисторных приемников), полупроводниковый точечный диод, который в приемнике будет детектором, несколько конденсаторов постоянной емкости и головные телефоны.

Рис. 28. Самодельная катушка индуктивности (а), ферритовый стержень (б), точечный диод (в), конденсаторы (г) и головные телефоны (д), необходимые для опытного приемника

Катушку индуктивности сделай сам. Остальные детали готовые. Диод может быть любым из серий Д9, Д2. Конденсаторы также любых типов — слюдяные, керамические или бумажные емкостью от нескольких десятков до нескольких тысяч пикофарад (сокращенно: пФ). Головные телефоны высокоомные, т. е. с обмотками сопротивлением 1500–2200 Ом, например типа ТОН-1 или ТА-4. Несколько позже, когда приступишь к экспериментам, нужны будут некоторые другие детали и материалы.

Для катушки потребуется обмоточный провод марки ПЭВ-1 (Провод с Эмалевой Высокопрочной изоляцией в один слой), ПЭВ-2 (то же, но с изоляцией в два слоя) или ПЭЛ (Провод с Эмалевой Лакостойкой изоляцией) диаметром 0,15-0,2 мм. Обмоточные провода этих марок и их диаметр обозначают так: ПЭВ-1 0,15, ПЭВ-2 0,18, ПЭЛ 0,2. Годятся обмоточные провода и других марок, например ПБД — с изоляцией из двух (буква Д) слоев хлопчатобумажной пряжи (буква Б), или ПЭЛШО с эмалевой лакостойкой изоляцией и одним (буква О) слоем натурального шелка (буква Ш). Важно лишь, чтобы изоляция провода была непопорченной, иначе между витками катушки может возникнуть замыкание, чего допускать нельзя.

Внутренний диаметр каркаса катушки, склеенный из писчей бумаги в 3–4 слоя, должен быть таким, чтобы в него с небольшим зрением входил ферритовый стержень. В связи с этим условием советую тебе ферритовый стержень использовать в качестве болванки для заготовки каркаса катушки. Делай это так.

Предварительно обверни стержень одним-двумя слоями тонкой бумаги, чтобы в дальнейшем к нему не прикрепился каркас. Затем обверни стержень один раз полоской писчей бумаги шириной около 100 мм. Внутреннюю сторону оставшейся части бумаги намажь тонким и ровным слоем клея БФ-2, плотно закатай в нее стержень и, не снимая каркас со стержня, немного подсуши его. Когда каркас подсохнет, сними его со стержня, удачи бумажную прослойку и досуши в теплом месте - готовый каркас должен быть жестким.

Прежде чем катушку наматывать, вставь в каркас стержень. Провод сильно не натягивай, иначе каркас сожмется и из него будет трудно вытащить стержень. Всего на каркас надо намотать в один ряд 300 витков провода, делая через каждые 50 витков отводы в виде петель. Получится однослойная шестисекционная катушка индуктивности с двумя крайними выводами и пятью отводами. Чтобы крайние витки провода готовой катушки не спадали, закрепи их на каркасе колечками, нарезанными из резиновой или поливинилхлоридной трубки, или обмотай нитками. Дополнительно витки провода катушки можно скрепить тонким слоем клея БФ-2. Концы каркаса аккуратно подрежь острым ножом.

Бывает, что во время намотки катушки провод оборвется или одного отрезка провода не хватит на всю катушку. В таком случае концы провода, которые нужно соединить, должны быть очищены от изоляции, крепко скручены, пропаяны и обязательно обмотаны тонкой изоляционной лентой. Если соединение приходится возле отвода — то лучше не жалеть нескольких витков провода и сделать его в петле.

Вот теперь, юный друг, приступай к сборке своего первого радиоприемника (рис. 29).

Рис. 29. Соединение деталей опытного приемника

Концы выводов и отводов катушки зачистить от изоляции, только осторожно, чтобы не порвать провод. Один из крайних выводов назовем началом катушки и обозначим буквой н. Соедини его с диодом. Второй крайний вывод катушки, ее конец к, соедини с одним из контактных штырьков шнура головных телефонов. Оставшиеся свободными вывод диода и штырек телефонов тоже соедини между собой.

К проводнику, идущему от начала катушки к диоду, прочно прикрути провод антенны, предварительно зачистив его от изоляции. Этот проводник приемника будем называть антенным. К проводнику, соединяющему конец катушки с телефонами, прикрути провод заземления. Это будет заземленный проводник. Во время опытов его придется переключать с одного вывода катушки на другой (на рис. 29 показано штриховой линией со стрелкой), не изменяя при этом соединения заземления с телефонами.

Совершим «прогулку» по цепям получившегося приемника. От начала катушки н по антенному проводнику мы попадаем к диоду, а от него — к головным телефонам. Через телефоны, далее по заземленному проводнику и через все витки катушки приходим к отправной точке н. Получилась замкнутая электрическая цепь, состоящая из катушки, диода и телефонов. Не называют детекторной. Если в этой цепи где-либо окажется обрыв, плохой контакт между деталями или соединительными проводниками, например непрочная скрутка, приемник, естественно, работать не будет.

Кратчайший путь из антенны в землю — через катушку. По этому пути пойдет ток высокой частоты, возбуждаемый в антенне радиоволнами. Этот ток создаст на концах катушки высокочастотное напряжение, которое вызовет ток такой же частоты во всей детекторной цепи.

Цепь, состоящую из антенны, катушки и заземления называют антенной или антенным контуром. Обрати внимание: контурная катушка приемника входит как в антенную, так и в детекторную цепи.

После такой прогулки по цепям приемника можно перейти к его испытанию. Надень на голову телефоны, прижми их плотнее к ушам, прислушайся. Возможно, что сразу ты ничего не услышишь даже при заведомо хороших антенне и заземлении, предварительно проверенных диоде и телефонах. Это потому, что приемник, видимо, не настроен на несущую частоту радиовещательной станции, сигналы которой хорошо слышны в вашем районе, или ты попал в перерыв передачи. Настраивать такой приемник можно изменением числа витков катушки, включаемых в антенный контур.

На рис. 29 в антенный контур включены все 300 витков катушки. Но если заземленный проводник отсоединить от конца катушки и присоединить, например, к отводу 5, то в контур будет включено уже не 300, а 250 витков. Если же этот проводник переключить на отвод 4, в контур будет включено 200 витков. При переключении его на отвод 3 в антенный контур будет включено 150 витков и т. д. При этом нижние секции окажутся не включенными в контур и в работе приемника участвовать не будут. Таким образом, переключением заземленного проводника ты можешь включать в контур разное число витков через 50 витков.

Запомни: чем больше длина волны радиовещательной станции, на которую можно настроить приемник, тем большее число витков катушки должно быть включено в антенный контур.

Твой опытный приемник можно настраивать на радиовещательные станции как средневолнового, так и длинноволнового диапазонов. Но, разумеется, передачи не всякой станции ты можешь принять. На слабые сигналы отдаленных станций детекторный приемник реагировать не сможет — мала чувствительность.

Теперь займись настройкой приемника путем присоединения заземленного проводника сначала к отводу 5, затем к отводу 4 и так до отвода 1. Одновременно следи, чтобы отводы катушки и соединительные проводники не соприкасались, а контакты в скрутках не нарушались. Иначе приемник совсем не будет работать или в телефонах будут слышны трески, шорохи, мешающие приему. Электрические контакты будут надежнее, если места соединений проводников и деталей пропаять.

Настроив приемник на одну станцию, запомни число витков, включенных в контур, при котором станция слышна с наибольшей громкостью. Потом попытайся «найти» таким же способом другую станцию.

Надеюсь, что ты добился некоторого успеха. Попробуй улучшить работу приемника. Не изменяя настройки приемника, присоедини параллельно телефонам (между его контактными штырьками) конденсатор. Емкость этого конденсатора, называемого в данном случае блокировочным, может быть от 1000 до 3000 пФ. При этом громкость звучания телефонов должна несколько увеличиться. А если радиовещательные станции находятся более чем в 150–200 км от того места, где ты живешь, блокировочный конденсатор включай в самом начале опыта.

Способ настройки приемника только скачкообразным изменением числа витков катушки очень прост. Но он не всегда позволяет настроить приемник точно на несущую частоту станции. Точной настройки можно добиться дополнительным способом, например с помощью гвоздя. Попробуй!

Настрой приемник уже знакомым тебе способом на волну радиостанции и введи внутрь каркаса катушки толстый гвоздь или подходящего диаметра железный стержень. Что получилось? Громкость приема немного возрастет или, наоборот уменьшится. Вытащи гвоздь из катушки громкость станет прежней. Теперь медленно вводи гвоздь в катушку и так же медленно извлекай его из катушки — громкость работы приемника будет немного, но плавно изменяться. Опытным путем можно найти такое положение металлического предмета в катушке, при котором громкость звучания будет наилучшей.

Этот опыт позволяет сделать вывод, что металлический стержень, помещенный в катушку, влияет на настройку контура. С таким способом настройки приемника, только, разумеется, с применением лучшего, чем гвоздь, ферромагнитного сердечника, ты познакомишься еще в этой беседе. А пока предлагаю следующий опыт — настроить приемник на сигналы радиовещательной станции с помощью конденсатора переменной емкости.

Для удобства проведения этого и нескольких последующих опытов с детекторным приемником, на фанерной дощечке размерами примерно 30x70 мм смонтируй колодку со штепсельными гнездами, два зажима, блокировочный конденсатор, соединив их под дощечкой, как показано на рис. 30.

Рис. 30. Настройка приемника самодельным конденсатором переменной емкости

Колодку с гнездами устанавливай на дощечке так: просверли в ней два отверстия диаметром 6–8 мм с расстоянием 20 мм между центрами и вставь в них «хвосты» штепсельных гнезд. Колодку укрепи на дощечке шурупами или винтами с гайками. Начало катушки и антенну подключи к зажиму, с которым соединен диод, а ко второму зажиму, соединенному с гнездом телефонов, подключи конец катушки и заземление.

Конденсатор переменной емкости может быть как с воздушным, так и с твердым диэлектриком. Но функцию конденсатора переменной емкости могут выполнять две металлические пластины размерами примерно 150x150 мм, вырезанные, например, из жести больших консервных банок.

К пластинам припаяй проводники длиной по 250–300 мм. При помощи этих проводников одну пластину соедини с зажимом антенны, а другую с зажимом заземления. Положи пластины на стол одну возле другой, но так, чтобы они не соприкасались, и настрой приемник на радиостанцию только переключением секций катушки заземленным проводником. Теперь поднеси заземленную пластину к пластине, соединенной с антенной. Если громкость будет увеличиваться, сближай пластины и, наконец, положи одну пластину на другую, проложив между ними лист сухой бумаги (чтобы не было электрического контакта). Найди такое взаимное расположение пластин, при котором будет точная настройка. Если же при сближении пластин громкость приема будет уменьшаться, переключи заземленный проводник на ближний к началу катушки отвод и вновь сближай пластины, добиваясь наибольшей громкости.

В этом опыте настройка приемника на несущую частоту радиостанции осуществлялась двумя способами: грубо изменением индуктивности катушки путем переключения ее секций, точно изменением емкости пластинчатого конденсатора.

Запомни: индуктивность катушки и емкость конденсатора при настройке приемника на радиостанцию взаимосвязаны.

Одну и ту же радиостанцию можно слушать при включении в антенный контур приемника большего числа витков, т. е. большей индуктивности катушки, но при меньшей емкости конденсатора, либо, наоборот, при меньшей индуктивности катушки, но большей емкости конденсатора.

Теперь снова настрой приемник на какую-либо радиостанцию, запомни громкость приема передачи, а затем, не изменяя настройки, включи между антенной и антенным зажимом конденсатор емкостью 47 62 пФ (рис. 31).

Рис. 31. Конденсатор, включенный в цепь антенны, улучшает селективность приемника

Что получилось? Громкость приема несколько уменьшилась. Произошло это потому, что конденсатор, включенный в цепь антенны, изменил параметры всего контура Подстрой контур конденсатором переменной емкости до прежней громкости звучания телефонов. Если до включения в контур дополнительного конденсатора во время приема одной станции прослушивалась еще какая-то другая, близкая по частоте радиостанция, теперь она будет слышна много слабее, а возможно, и совсем не будет мешать. Приемник стал четче выделять сигналы той станции, на которую настроен, или, как говорят, улучшилась его селективность, т. е. избирательность.

Вместо конденсатора постоянной емкости включи между антенной и приемником конденсатор переменной емкости. С его помощью ты сможешь не только изменять селективность приемника, но, возможно, и настраивать его на разные станции.

Следующий опыт настройка приемника ферритовым стержнем (рис. 32).

Рис. 32. Приемник с настройкой ферритовым стержнем

Пластинчатый конденсатор удали, а вместо него между зажимами антенны и заземления, т. е. параллельно катушке, включи слюдяной или керамический конденсатор емкостью 120–150 пФ. Прижми телефоны поплотнее к ушам, сосредоточься и очень медленно вводи ферритовый стержень внутрь каркаса катушки. Постепенно углубляя стержень в катушку, ты должен услышать передачи всех тех радиовещательных станций, прием которых возможен в вашей местности на детекторный приемник. Чем длиннее волна радиостанции, тем глубже должен быть введен стержень в катушку. Опытным путем найди такое положение стержня в катушке, при котором наиболее громко слышны сигналы станции, и сделай на стержне соответствующую пометку карандашом. Пользуясь ею как делениями шкалы, ты сможешь быстро настроить приемник на волну этой станции.

Продолжая опыт с использованием ферритового стержня, подключи параллельно катушке другой конденсатор емкостью 390–470 пФ. Как это повлияло на настройку приемника? Громкость осталась прежней, но для настройки на ту же станцию стержень приходится меньше вводить в катушку. Совсем удали конденсатор, оставив включенной только катушку. Что получилось? Чтобы настраивать приемник на ту же станцию, стержень надо глубже вводить в катушку.

Какие выводы можно сделать, проведя эксперименты с таким вариантом детекторного приемника? Основных два. Во-первых, ферритовый стержень значительно сильнее, чем металлический предмет, влияет на индуктивность катушки, а значит и на настройку контура. Во-вторых, с помощью ферритового стержня можно плавно и точно настраивать контур приемника на желательную радиостанцию.

Еще один эксперимент. Антенну и заземление отключи от приемника, между ними включи диод, а параллельно — телефоны без блокировочного конденсатора. Вот и весь приемник. Работает? Тихо, вероятно? К тому же, возможно, одновременно слышны передачи двух-трех радиовещательных станции. От такого приемника ожидать лучшего не следует.

Ты, наверное, заметил, что когда дотрагиваешься рукой до деталей или соединительных проводников, громкость работы немного изменяется. Это объясняется расстройкой антенного контура, вносимой в него электрической емкостью твоего тела.

ПРИНЦИПИАЛЬНАЯ ЭЛЕКТРИЧЕСКАЯ СХЕМА ТВОЕГО ПРИЕМНИКА

Чтобы правильно соединить детали приемника, ты пользовался рисунками. На них катушку, телефоны, диод-детектор и другие детали, приборы и соединения ты видел такими, какими они выглядят в натуре. Эго очень удобно для начала, пока приходится иметь дело с совсем простыми радиотехническими конструкциями, состоящими из малого числа деталей. Но если попытаться изобразить таким способом устройство современного приемника, то получилась бы такая «паутина» деталей и проводов, в которой невозможно было бы разобраться. Чтобы этого избежать, любой электроприбор или радиоаппарат изображают схематически, т. е. при помощи упрощенного чертежа схемы. Так делают не только в электро- и радиотехнике. Посмотри, например, на географическую карту. Судоходная могучая красавица Волга со всеми ее грандиозными сооружениями изображена на карте извивающейся змейкой. Такие крупные города, как Москва, Ленинград, Куйбышев, Владивосток и другие показаны на карте всего лишь кружками. Леса, равнины, горы, моря, каналы изображены на ней тоже упрощенно схематически.

Структурная схема представляет собой упрощенный чертеж, на котором группы деталей и приборов, выполняющие определенные функции радиотехнического устройства, изображают условно прямоугольниками или иными символами. Структурная схема дает лишь общее представление о работе этого устройства, о его структуре и связях между его функциональными группами. Примером структурной схемы может служить рис. 18, по которому я рассказывал тебе о принципе работы радиовещательной станции.

Можно ли таким способом изобразить устройство детекторного приемника? Конечно, можно. Нарисуй в один ряд четыре прямоугольника и соедини их между собой линиями со стрелками, идущими слева направо. В крайний левый прямоугольник впиши слово «Антенна», в следующий за ним прямоугольник — «Колебательный контур», в третий прямоугольник — «Детектор», в четвертый — «Телефоны». Получится структурная схема детекторного приемника. «Прочитать» ее можно так: модулированные колебания радиочастоты, возбужденные в антенне, поступают в колебательный контур приемника, а затем к детектору; детектор выделяет из принятого сигнала колебания звуковой частоты, которые телефоны преобразуют в звук.

Раньше такие чертежи называли скелетными схемами или блок-схемами. Сейчас эта терминология считается устаревшей.

Принципиальную электрическую схему чаще называют принципиальной или просто схемой. На ней все детали радиотехнического устройства и порядок их соединения изображают условными знаками, символизирующими эти детали, линиями. «Читая» принципиальную схему, как географическую карту или чертеж какого-то механизма, нетрудно разобраться в цепях и принципе работы устройства. Но она не дает представления о размерах устройства и размещении его деталей на монтажных платах.

Схема соединений, в отличие от принципиальной, информирует, как расположены в конструкции и соединены между собой детали устройства. Собирая приемник, усилитель или любой другой радиоаппарат радиолюбитель располагает детали и проводники примерно так, как на рекомендованной схеме соединений. Но монтаж и все соединения деталей проверяют по принципиальной схеме устройства.

Уметь грамотно чертить и читать радиосхемы — совершенно обязательное условие для каждого, кто хочет стать радиолюбителем.

На рис. 33 ты видишь уже знакомые тебе детали и устройства и некоторые другие, с которыми придется иметь дело в дальнейшем. А рядом в кружках — их символические графические изображения на принципиальных схемах. Любую катушку индуктивности без сердечника, независимо от ее конструкции и числа витков, на принципиальной схеме изображают в виде волнистой линии. Отводы катушек показывают черточками. Если катушка имеет неподвижный ферромагнитный сердечник (ферритовый стержень), увеличивающий ее индуктивность, его обозначают прямой линией вдоль изображения катушки. Если таким сердечником настраивают контур приемника, как это было в опытном приемнике, его на схеме обозначают то же прямой, но вместе с катушкой пересекают стрелкой. Подстроенный ферромагнитный сердечник катушки обозначают короткой жирной чертой, пересекающейся Т-образным символом.

Любой конденсатор постоянной емкости изображают двумя короткими параллельными линиями, символизирующими две изолированные одна от другой пластины. Если конденсатор электролитический (о таких конденсаторах поговорим позже), его положительную обкладку обозначают дополнительным знаком «+». Конденсаторы переменной емкости изображают так же, как и конденсаторы постоянной емкости, но пересеченными наискось стрелкой, символизирующей переменность емкости этого прибора. Гнезда для подключения провода антенны, головных телефонов или каких-то других устройств или деталей обозначают значками в виде вилки, а зажимы кружками.

Новым для тебя является переключатель. Вместо того, чтобы при настройке приемника раскручивать и скручивать проводники, как ты это делал во время опытов с детекторным приемником, выводы и отводы катушки можно переключать простейшим ползунковым, движковым или иной конструкции переключателем.

Проводники, которыми соединяют детали, обозначают прямыми линиями. Если линии сходятся и в месте их пересечения стоит точка, значит проводники соединены. Отсутствие точки в месте пересечения проводников говорит о том, что они не соединены.

Рис. 33. Условные графические обозначения некоторых радиотехнических деталей, приборов и устройств на принципиальных схемах

На принципиальных схемах рядом с символическими обозначениями радиодеталей, приборов, коммутирующих и других устройств пишут соответствующие им латинские буквы. Так, например, всем конденсаторам, независимо от их конструктивных особенностей и применения, присвоена буква С, резисторам буква R, катушкам — буква L, полупроводниковым диодам, транзисторам и многим другим полупроводниковым приборам — буква V, антеннам — буква W, гнездам и другим соединительным устройствам — буква X, головным телефонам, головкам громкоговорителей, микрофонам и другим преобразователям электрических или звуковых колебаний — буква В, гальваническим элементам и аккумуляторам — буква G, батареям гальванических элементов или аккумуляторов — буквы GB, лампам накаливания — буква Н и т. д.

Кроме того, на схемах детали нумеруют, т. е. рядом с буквой, присвоенной детали, пишут цифру, например C1, L1, L2, R1, V1 и т. д. Для упрощения принципиальных схем на них иногда не показывают антенну, головные телефоны, ограничиваясь только обозначениями гнезд или зажимов для их подключения, но тогда возле них пишут соответствующие буквы с цифрами: W1, В1.

Подробнее об условном буквенно-цифровом позиционном обозначении радиотехнических элементов и устройств на схемах радиоаппаратуры говорится в приложении 2, в конце книги.

Вот теперь, зная условные позиционные обозначения деталей, можно изобразить принципиальными схемами детекторные приемники, с которыми ты экспериментировал.

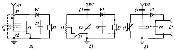
Принципиальная схема первого варианта опытного приемника показана на рис. 34, а. Его ты настраивал изменением числа секций катушки, входящих в контур, путем переключения заземленного проводника. Поэтому в схему введен переключатель S1. Вспомни нашу «прогулку» по цепям приемника и соверши ее еще раз, но уже по принципиальной схеме. От начала катушки L1, обозначенного на схеме точкой, ты попадешь к диоду V1 и через него — к телефонам В1, далее через телефоны по заземленному проводнику, переключатель S1 и витки катушки L1 — к исходной точке. Это — детекторная цепь. Для токов высокой частоты путь из антенны в землю идет через секции катушки и переключатель. Это антенный контур. Приемник настраивается на радиостанцию скачкообразным изменением числа витков, включаемых в контур. Параллельно телефонам подключен блокировочный конденсатор С1.

На схеме штриховыми линиями показан конденсатор Са. В приемнике такой детали не было. Но символизирующая его электрическая емкость присутствовала она образовывалась антенной и заземлением и как бы подключалась к настраиваемому контуру.

Принципиальная схема одного из последующих вариантов опытного приемника показана на рис. 34, б. Его входной настраиваемый контур состоит из катушки L1, имеющей один отвод, введенного тобой конденсатора переменной емкости С2, антенного устройства и антенного конденсатора С1. Включение в контур только верхней (по схеме) секции катушки соответствует приему радиостанций СВ диапазона, включение обеих секций — приему радиостанций ДВ диапазона. Таким образом, в приемнике переход с одного диапазона на другой осуществляется переключателем S1, а плавная настройка в каждом диапазоне — конденсатором переменной емкости С2.

Последним вариантом был приемник, настраиваемый ферритовым стержнем. Его принципиальную схему ты видишь на рис. 34, в. Колебательный контур образуют катушка L1 и конденсатор постоянной емкости С2. Катушка не имеет отводов, значит, приемник однодиапазонный. Для приема радиостанции другого диапазона в контур надо включить катушку, рассчитанную на прием станций этого диапазона. Для подключения головных телефонов предусмотрены гнезда В1.

Рис. 34. Принципиальные схемы вариантов опытного приемника с настройкой переключением отводов катушки (а), конденсатором переменной емкости (б), ферритовым стержнем (в)

КОНСТРУКЦИЯ ПРИЕМНИКА

В принципе детекторный приемник утратил былое практическое значение. Сегодня им уже никого не удивишь. Таково веление времени. Но для тебя, как и для всех начинающих любителей, он ценен как учебное пособие по основам радиотехники, на котором, кроме того, можно освоить и некоторые навыки радиомонтажных работ. Поэтому, полагают, тебе будет полезно довести приемник до простой законченной конструкции.

Возможная конструкция приемника первого варианта (по схеме рис. 34, а) показана на рис. 35.

Рис. 35. Приемник с настройкой переключением секций контурной катушки

Диод V1, выполняющий функцию детектора, может быть любым из серий Д2, Д9. Емкость конденсатора С1, блокирующего телефоны В1, может быть от 2200 до 6800 пФ. Переключатель S1 самодельный ползункового типа (см. девятую беседу).

Приемник монтируй на фанерной панели размерами примерно 60х100 мм. Снизу по краям прибей бруски высотой по 10–15 мм, которые будут служить стойками. Сверху на панели будут переключатель, двухгнездная колодка для включения телефонов, зажимы антенны и заземления, под панелью диод V1, блокировочный конденсатор С1 и контурная катушка L1. Отводы и выводы катушки соединены с контактами переключателя и зажимом антенны. Закончив монтаж, проверь прочность всех соединений и их правильность по принципиальной схеме, включи телефоны, присоедини антенну и заземление и приступай к испытанию приемника. Может случиться, что наиболее длинноволновая радиостанция будет слышна слабо даже тогда, когда в контур включены все секции катушки. В таком случае между зажимами антенны и заземления придется включить дополнительный конденсатор емкостью 100–270 нФ. А если одновременно прослушиваются передачи двух радиостанций, то для улучшения селективности приемника в цепь антенны включи конденсатор емкостью 47–62 пФ.

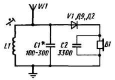
В конструкции, показанной на рис. 36, ты должен узнать третий вариант опытного приемника с настройкой ферритовым стержнем (по схеме на рис. 34, в). Только тогда контурная катушка находилась на столе и ты подключал ее выводами к детекторной приставке, здесь же она концами каркаса вклеена в отверстия стоек аналогичной приставки.

Рис 36. Приемник с настройкой ферритовым стержнем

Приемник настраивается только ферритовым стержнем. На стержне сделаны метки, соответствующие его положению в каркасе катушки при настройке на разные станции.

Если в вашей местности хорошо слышны передачи радиостанций в основном только ДВ диапазона, в приемнике используй опытную катушку. Если же лучше слышны радиостанции СВ диапазона, тогда надо сделать другую катушку, рассчитанную на прием станций этого диапазона.

Конструкция катушки СВ диапазона такая же. Длина ее каркаса, также склеенного на ферритовом стержне, может быть 80–90 мм. Катушка должна содержать 80–90 витков провода ПЭВ-1 или ПЭВ-2 диаметром 0,2–0,3 мм, но уложенных на каркас вразрядку (с небольшим расстоянием между витками) с таким расчетом, чтобы общая длина намотки составила 60–70 мм. При такой намотке можно точнее настраивать контур на волну радиостанции, особенно работающую в наиболее коротковолновом участке этого диапазона. В этом ты еще убедишься.

Диод V1, как и в предыдущем приемнике, серии Д9 или Д2 с любым буквенным индексом. Емкость конденсатора C1 может быть 47–62 пФ, конденсатора С3 — 2200–6800 пФ. Конденсатор С2 подбери опытным путем (на схеме отмечено звездочкой): его емкость (от 100 до 470 пФ) должна быть такой, чтобы наиболее длинноволновая радиостанция принималась при почти полностью введенном внутрь каркаса ферритового стержня. Как пользоваться таким приемником, ты уже знаешь.

Если в вашей местности хорошо слышны передачи всего лишь одной радиостанции, скажем, только местной, ты можешь сделать более простой детекторный приемник — с фиксированной настройкой, например, по схеме, показанной на рис. 37. Такой приемник не имеет ручек настройки. Его один раз настраивают на выбранную станцию, и он всегда готов для приема этой станции.

Рис. 37. Принципиальная схема детекторного приемника с фиксированной настройкой на одну радиостанцию

Настроить приемник на местную станцию можно ферритовым подстроечным сердечником катушки L1 (на схеме подстроечник символизирует короткая жирная черточка, пересекающаяся «молоточком») и подбором емкости конденсатора С1 от 100 до 300 пФ.

Можно использовать уже имеющуюся у тебя катушку с ферритовым стержнем, который будет выполнять функцию подстроечного сердечника. Но, разумеется, можно намотать новую, более короткую катушку, а в качестве подстроечника использовать отрезок ферритового стержня по длине каркаса катушки. Сердечник укрепи на панели приемника неподвижно, а настраивать контур на волну радиостанции будешь перемещением катушки вдоль сердечника. Настроив таким способом контур, закрепи каркас катушки на сердечнике каплей клея.

Пользуясь таким приемником, помни, что в его контур входят емкость и индуктивность антенны. Поэтому при подключении к нему другой антенны контур придется снова подстраивать.

ВОЗМОЖНЫЕ НЕИСПРАВНОСТИ

Детекторный приемник является наиболее простым радиотехническим устройством. Однако и в нем, как и в сложном приемнике, могут быть неполадки, которые надо уметь находить и устранять. Меньше всего неисправностей бывает, как правило, в приемнике, детали которого укреплены прочно, монтаж выполнен аккуратно, а все соединения надежно пропаяны.

Но если все же приемник перестал работать или работает с перебоями, значит, где-то обрыв, ненадежный или совсем плохой контакт, произошло короткое замыкание. Надо прежде всего посмотреть, нет ли внешних повреждений в катушке, хорошо ли присоединены антенна и заземление, в порядке ли переключатель. Проверь исправность антенны и заземления и их вводов, посмотри, не соприкасается ли провод антенны с каким-либо предметом, через который может быть утечка тока из антенны в землю помимо приемника. Если внешних повреждений в приемнике, антенне и заземлении не обнаружено, значит, где-то нарушился контакт в самом приемнике. Чаще всего плохие контакты появляются в переключателях из-за отвертывания гаек и винтов во время настройки, плохой зачистки монтажного провода в местах соединений. При этом приемник вообще перестает работать или передачи принимаются со значительным треском.

Неисправность может быть и в самой катушке, если она намотана не из целого отрезка провода и места соединения не пропаяны. Такие случаи бывают наиболее часто, если приемник долго находился в сыром месте: от сырости соединения окисляются, нарушаются электрические контакты.

Какие еще могут быть неисправности в приемнике?

Посмотри на схему своего приемника и ответь на такие вопросы. Будет ли работать приемник, если блокировочный конденсатор окажется «пробитым» (его обкладки соединены)? Что произойдет, если соединяются проводники шнура головных телефонов? Будет ли работать приемник, если случайно соединятся начало и конец контурной катушки или надломятся ее отводы?

Задай себе еще ряд подобных вопросов и ответь на них. Тогда тебе будет легче отыскивать неисправности в приемнике и устранять их.

В восьмой беседе ты узнаешь о пробниках и приборах, с помощью которых облегчается оценка качества деталей, контактов, соединений. Ими тоже можно воспользоваться для отыскания неисправностей в детекторном приемнике.

* * *

В этой беседе я затронул только практическую сторону построения простейшего радиоприемника, познакомил с принципом начертания и «чтения» его схемы. Но здесь почти ничего не было сказано о самом важном — о сущности работы колебательного контура, детектора, телефонов и приемника в целом, о тех явлениях и преобразованиях, которые про исходят в его цепях. Разговор об этом пойдет в следующей беседе.

Более 800 000 книг и аудиокниг! 📚

Получи 2 месяца Литрес Подписки в подарок и наслаждайся неограниченным чтением

ПОЛУЧИТЬ ПОДАРОК