Беседа 7 ПЕРВЫЙ ТРАНЗИСТОРНЫЙ ПРИЕМНИК

Твоим самым первым радиотехническим устройством был детекторный приемник. Работал он исключительно за счет энергии радиоволн, улавливаемых антенной. Транзисторный приемник, которому посвящена эта беседа, тоже простое устройство, но для его работы совершенно необходим источник постоянного тока. Потребляя его энергию, приемник позволит принимать сигналы тех же радиостанций, но со значительно большей громкостью. Такой приемник будет твоей первой транзисторной конструкцией.

ОТ ДЕТЕКТОРНОГО — К ОДНОТРАНЗИСТОРНОМУ ПРИЕМНИКУ

Принципиальная электрическая схема приемника может быть такой, как та, что изображена на рис. 92.

Рис. 92. Детекторный приемник с однокаскадным усилителем

В ней все тебе знакомо. Ее левая часть, отделенная штриховой линией, это детекторный приемник с настройкой колебательного контура конденсатором переменной емкости С2, только вместо телефонов в детекторную цепь включен резистор R1. Правая часть — однокаскадный усилитель 3Ч. Электролитический конденсатор С4 является связующим элементом между ними. Независимо от способа настройки колебательного контура — ферритовым сердечником или конденсатором переменной емкости — модулированные колебания радиочастоты будут проектированы диодом V1. Резистор R1 выполняет роль нагрузки детектора. Создающиеся на нем колебания звуковой частоты через конденсатор С4 поступают на базу транзистора V2, включенного по схеме ОЭ, а после усиления головными телефонами В1, включенными в коллекторную цепь, преобразуются в звуковые колебания. Источником питания служит батарея GB1 напряжением 4,5 В, например, батарея 3336Л или батарея, составленная из трех элементов 332 (соединить последовательно).

Обращаю внимание на полярность включения электролитического конденсатора С4. На базе транзистора по отношению к «заземленному» проводнику — отрицательное напряжение, равное примерно 0,1 В. Поэтому электролитический конденсатор должен подключаться к базе отрицательной обкладкой, т. е. обязательно нужно соблюдать полярность электролитического конденсатора.

По предыдущей беседе ты уже знаешь, что для нормальной работы транзистора на базу кроме входного сигнала подают еще открывающее его напряжение смещения: для транзистора структуры р-n-р — отрицательное, для транзистора структуры n-р-n — положительное. Наиболее простой способ подачи напряжения смещения — это соединение базы транзистора с соответствующим проводником источника питания через резистор. В данном случае такую функцию выполняет, резистор R2.

В усилителе можно использовать любой из германиевых транзисторов серий МП39-МП42. А чтобы германиевый транзистор открыть, на его базу относительно эмиттера достаточно подать всего 0,1 В. Нетрудно подсчитать (по закону Ома), что такое напряжение можно создать на эмиттерном переходе, сопротивление которого примем равным 1000 Ом, ток 100 мкА (0,001 А). При этом в зависимости от коэффициента передачи тока h21э коллекторный ток транзистора может достигать 0,8–1 мА.

Примерно в такой режим работы и ставят обычно маломощный транзистор, чтобы он при усилении не искажал сигнал. Дальнейшее увеличение напряжения смещения, а значит и тока коллектора, не имеет смысла, так как от этого усиление сигнала не возрастет, а лишь увеличится расход энергии на питание транзистора. А если напряжение смещения на базе окажется слишком большим? Транзистор также будет искажать сигнал и, кроме того, станет нагреваться из-за большого тока коллектора. Такой ток должен быть и в коллекторной цепи маломощного кремниевого транзистора, но при напряжении смещения на базе 0,5–0,6 В.

Коллекторный ток, соответствующий работе транзистора в режиме усиления, радиолюбители обычно устанавливают подбором сопротивления резистора, через который на базу подается напряжение смещения. На схеме этот резистор обозначают звездочкой, символизирующей подбор. Проводник коллекторной цепи этого транзистора пересекают двумя косыми линиями — крестом, а возле него указывают ориентировочный ток покоя, т. е. коллекторный ток транзистора в отсутствии сигнала на базе. Это — статический режим работы транзистора. При подаче сигнала на вход усилителя коллекторный ток станет изменяться, и тем значительнее, чем больше напряжение входного сигнала. Это — динамический режим работы транзистора.

Ориентировочное сопротивление резистора смещения R2, отмеченного звездочкой, можно подсчитать простым умножением сопротивления нагрузки на удвоенное значение коэффициента передачи тока транзистора, используемого в усилителе. Предположим, коэффициент h21э транзистора равен 50, а сопротивление излучателей высокоомного головного телефона, соединенных последовательно, составляет 4 к Ом. Следовательно, сопротивление резистора R2 усилителя твоего первого транзисторного приемника должно быть примерно 400 кОм. Но это, повторяю, ориентировочное сопротивление резистора смещения. Во время подгонки заданного режима оно в зависимости от коэффициента h21э транзистора может значительно отличаться от расчетного.

Детали усилителя и резистор R1 смонтируй на картонной панели примерно в том порядке, как показано на рис. 93.

Рис. 93. Монтаж усилителя и схема подгонки режима работы транзистора с помощью переменного резистора

Выводы деталей пропускай через отверстия панели и, не наращивая, соединяй снизу. Места соединений обязательно пропаивай. Не ошибись: при включении транзистора его коллекторный вывод должен соединяться через телефоны с отрицательным полюсом батареи питания, эмиттерный — непосредственно с заземленным (плюсовым) проводником, а базовый — через конденсатор С4 с верхним (но схеме) выводом резистора R1.

В усилителе используй маломощный низкочастотный транзистор со статическим коэффициентом передачи тока h21э, равным 50–60. Но транзистор может быть и высокочастотным, например П401, ГТ309 с любым буквенным индексом. Конденсатор С4 — типа К50-6 или К50-3 на номинальное напряжение не менее 6 В. Через резисторы R1 и R2 текут незначительные токи, поэтому они могут быть рассчитаны на мощность рассеяния 0,125 Вт (МЛТ-0,125). Сопротивление резистора R1 = 6,8-10 кОм.

Если в усилителе будешь использовать транзистор структуры n-p-n, например МП35-МП38, КТ315, то не забудь изменить полярность включения батареи питания и электролитического конденсатора С4.

Прежде чем подключить батарею, проверь монтаж усилителя по принципиальной схеме — нет ли ошибок? К входу усилителя подключи выход любого из трех детекторных приемников, с которыми ты экспериментировал в третьей беседе. Подключи к контуру приемника антенну и заземление, а параллельно резистору R1 — высокоомные головные телефоны. Настрой приемник на местную радиостанцию. Затем телефоны включи в коллекторную цепь транзистора, а резистор R2 временно замени двумя соединенными последовательно резисторами: постоянным с номинальным сопротивлением 20–30 кОм и переменным сопротивлением 220–300 кОм. Постоянный резистор в этой цепочке нужен для того, чтобы избежать попадания на базу транзистора полного напряжения батареи, из-за чего он может испортиться. Движок переменного резистора, включенного реостатом, поставь в положение наибольшего введенного сопротивления (по схеме на рис. 93 — в крайнее верхнее), а затем, подсоединив батарею, медленно уменьшай сопротивление переменного резистора. При этом громкость звучания телефонов должна постепенно нарастать, но только до некоторого предела, после которого появятся искажения и звук в телефонах пропадет. Поставь движок переменного резистора в такое положение, когда звук в телефонах наиболее громкий и неискаженный.

Установка режима работы транзистора «на слух» — наиболее простой способ налаживания усилителя приемника. Лучше, однако, делать это с помощью миллиамперметра, включенного в разрыв коллекторной цепи транзистора, отмеченный на схеме крестом. Постепенно уменьшая сопротивление резистора в базовой цепи транзистора, надо добиться, чтобы ток в коллекторной цепи был 0,7–0,8 мА. Такой ток будет соответствовать нормальному режиму работы транзистора. Если при наибольшей громкости усилитель будет возбуждаться (в телефонах появятся звуки высокой тональности, ухудшающие качество радиоприема), то параллельно телефонам или между коллектором транзистора и заземленным проводником источника питания включи конденсатор емкостью примерно 0,01 мкФ (на схеме рис. 92 он показан штриховыми линиями). Свистящие звуки должны исчезнуть. Заменяя его конденсаторами других емкостей, примерно до 0,05 мкФ, можно опытным путем подобрать наиболее приятный тон звучания телефонов.

Можно ли в коллекторную цепь транзистора включить низкоомные головные телефоны или электромагнитный телефонный капсюль ДЭМ-4м.

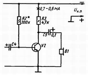
Можно! Режим работы транзистора и в этом случае устанавливай временной цепочкой подстроечных резисторов, добиваясь наибольшей громкости звучания телефонов. Но теперь ток коллекторной цепи будет немного больше, чем с высокоомными телефонами. Но можно пойти по другому пути: в коллекторную цепь транзистора включить резистор, а головные телефоны, будь они высокоомными или низкоомными — безразлично, или капсюль ДЭМ-4м подключить через конденсатор параллельно участку эмиттер-коллектор транзистора, как показано на рис. 94.

Рис. 94. Схема усилителя с резистивной нагрузкой

В этом случае резистор R3 будет выполнять функцию нагрузки транзистора. Создающиеся на нем колебания звуковой частоты, т. е. низкочастотная составляющая коллекторного тока, через конденсатор С5 будут поступать к телефонам В1 и преобразовываться ими в звуковые колебания. Конденсатор С5 может быть электролитическим емкостью 1–5 мкФ на номинальное напряжение не менее, чем напряжение источника питания Uи. п. В данном случае выводом отрицательной обкладки он должен подключаться к коллектору транзистора, а выводом положительной обкладки к телефонам.

Каким должно быть сопротивление нагрузочного резистора R3? Такое, чтобы в режиме покоя на коллекторе относительно эмиттера, т. е. на участке эмиттер-коллектор, было напряжение, равное примерно половине напряжения источника питания. При этом эффективность работы транзистора будет наилучшей. Такому условию отвечают резисторы сопротивлением в несколько килоом, обычно от 3 до 5,1 к Ом. И здесь режим работы транзистора устанавливай подбором сопротивления цепочки резисторов в его базовой цепи.

На этом, по существу, и заканчивается процесс налаживания усилителя. Остается только измерить омметром суммарное сопротивление временной цепочки резисторов, впаять в базовую цепь транзистора резистор такого же или ближайшего номинала, еще раз проверить работу приемника и смонтировать детали детекторного приемника и усилителя на постоянной панели. Но этим, если захочешь, ты займешься после нашей беседы, самостоятельно. Сейчас же я предлагаю проверить в работе несколько вариантов такого приемника.

ВАРИАНТЫ ОДНОТРАНЗИСТОРНОГО ПРИЕМНИКА

Прежде всего — включи в цепь питания последовательно еще одну батарею 3336Л, чтобы увеличить напряжение источника питания до 9 В, и точно так же переменным резистором добейся наиболее громкого и неискаженного приема сигналов той же радиостанции. Теперь телефоны будут звучать немного громче. Это потому, что увеличивая напряжение источника питания, ты тем самым повышаешь напряжение на коллекторе транзистора и, следовательно, его усиление. Затем замени батарею питания одним элементом типа 332 или 343. Теперь, чтобы добиться наиболее громкого приема, сопротивление подстроечной цепочки резисторов придется уменьшить. Телефоны будут звучать тише.

Зависит ли громкость звучания телефонов от статического коэффициента передачи тока h21э транзистора? Конечно, и значительно больше, чем от напряжения источника питания. А чем больше h21э используемого транзистора и напряжение источника питания, тем больше должно быть сопротивление резистора в базовой цепи транзистора. В твоем распоряжении могут оказаться транзисторы с малым коэффициентом h21э, например, равным 10–15. Транзистор с таким h21э даст меньшее усиление низкочастотного сигнала и телефоны будут звучать тише. Но и в этом случае можно добиться громкого радиоприема, если в усилителе будет работать не один, а два таких транзистора. Соедини их так, как показано на рис. 95: коллекторы транзисторов вместе, а эмиттер первого транзистора V2 — c базой второго транзистора V3. Получится так называемый составной транзистор V2V3.

Рис. 95. Усилитель приемника с составном транзистором

Усиление составного транзистора приблизительно равно произведению h21э входящих в него транзисторов. Так, например, если h21э каждого из транзисторов 15, то общий коэффициент усиления составного транзистора будет около 200.

Проверь работу составного транзистора в твоем опытном приемнике. При этом учти: первым транзистором (V2) должен быть тот из составляемых транзисторов, у которого обратный ток коллекторного перехода IКБО меньше.

Обязательно ли конденсатор С4 должен быть электролитическим? Нет, но емкость должна быть большой, во всяком случае не меньше 1 мкФ, чтобы оказывать возможно меньшее емкостное сопротивление току звуковой частоты. Среди малогабаритных бумажных нет конденсаторов, обладающих такими емкостями. А если в этом связующем узле приемника будет стоять конденсатор меньшей емкости, то на нем будет падать большая часть напряжения тока звуковой частоты, чем на эмиттерном р-n переходе транзистора, из-за чего будет проигрыш в усилении. Чтобы снизить потери, емкостное сопротивление конденсатора С4 должно быть по крайней мере в 3–5 раз меньше входного сопротивления транзистора. Этому требованию и отвечают электролитические конденсаторы.

А нельзя ли вообще обойтись без связующего конденсатора, соединив базу транзистора непосредственно с резистором R1? Можно. Но тогда обязательно надо будет изменить полярность включения диода V1. В этом случае схема приемника примет вид, показанный на рис. 96.

Рис. 96. Схема возможного варианта однотранзисторного приемника

Теперь резисторы R1 и R2 образуют делитель, подключенный к батарее, с которого на базу транзистора снимается начальное напряжение смещения. Основной же нагрузкой детектора становится уже не резистор R1, как было в предыдущем варианте приемника, а эмиттерный переход транзистора. А так как сопротивление эмиттерного перехода много меньше сопротивления резистора R1, этот резистор вообще можно исключить из приемника. Испытай этот вариант приемника в действии. Режим работы транзистора устанавливай так же — подбором резистора R2.

Почему полярность включения диода должна быть обязательно такой, как показано на рис. 96? Чтобы по постоянному току база транзистора не оказалась замкнутой на эмиттер. Объясняется это очень просто. На базе транзистора относительно эмиттера действует отрицательное напряжение, равное примерно 0,1 В. И если с ней будет соединен не анод диода, а катод, то диод откроется, через него и катушку L1 потечет прямой ток и он перестанет выполнять функцию детектора.

А нельзя ли и диод исключить из приемника? Можно. Но тогда транзистор должен быть полевым, например КП103. Принципиальная схема такого варианта приемника показана на рис. 97.

Рис. 97. Схема приемника на полевом транзисторе

Диода, как видишь, в нем нет. Транзистор включен по схеме ОИ. Между входным колебательным контуром L1C2 (может быть любым) и затвором транзистора включен конденсатор С3 (100–150 пФ), а между затвором и истоком — резистор R1 (750 кОм -1,5 МОм). Головные телефоны, включенные в цепь стока, заблокированы конденсатором С4 (2200–3300 пФ). Источником питания служит батарея GB1 напряжением 9 В (две батареи 3336Л, соединенные последовательно). Питание включают выключателем S1.

Как в таком приемнике происходит детектирование модулированных колебаний радиочастоты? Роль детектора в нем выполняет р-n переход между затвором и каналом. Действуя как выпрямитель, он создает на резисторе R1 слабые колебания звуковой частоты, которые усиливаются транзистором и преобразуются телефонами в звуковые колебания. Конденсатор С4, блокирующий телефоны по высокой частоте, выполняет ту же роль, что и аналогичный ему конденсатор детекторного приемника.

Входное сопротивление полевого транзистора огромно — в тысячи раз больше входного сопротивления биполярного транзистора, включенного по схеме ОЭ. Это преимущество полевого транзистора и позволило использовать его в приемнике для одновременного детектирования: радиочастотной составляющей и усиления, сигнала звуковой частоты.

ОДНОТРАНЗИСТОРНЫЙ РЕФЛЕКСНЫЙ

Чувствительность однотранзисторного приемника можно значительно повысить, если его транзистор, работающий в усилителе 3Ч, использовать еще и для усиления колебаний радиочастоты, т. е. сделать приемник рефлексным. Суть работы такого приемника иллюстрируют схема и графики, приведенные на рис. 98. Здесь треугольником А условно обозначен однотранзисторный усилитель.

Рис. 98. Схема, иллюстрирующая принцип работы рефлексного приемника

На его вход от колебательного контура поступает модулированный сигнал радиовещательной станции. После усиления этот сигнал детектируется диодом V; выделенные им колебания звуковой частоты подаются на вход того же усилителя, а после усиления преобразуется телефонами в звук. Принципиальную схему возможного варианта такого приемника ты видишь на рис. 99.

Рис. 99. Принципиальная схема однотранзисторного рефлексного приемника

Разберемся в его электрических цепях, в функциях, выполняемых его элементами. Входную цепь образуют знакомый тебе колебательный контур L1C2, настраиваемый на сигналы радиостанций конденсатором переменной емкости С2, и подключенные к нему антенна и заземление. Через катушку связи L2, индуктивно связанную с контурной катушкой L1, принятый модулированный сигнал радиочастоты поступает на базу транзистора V1, включенного по схеме ОЭ. Напряжение смещения, устанавливающее транзистор в режим усиления, подается на базу через резистор R1. В этой части приемника для тебя также нет ничего нового.

Незнакома пока коллекторная цепь транзистора. В связи с тем, что транзистор используется для усиления сигналов как радио, так и звуковой частот, в его коллекторной цепи две нагрузки: высокочастотная — дроссель L3 и низкочастотная — телефоны В1. Дроссель L3 — это катушка индуктивности, оказывающая колебаниям радиочастоты большое сопротивление. С него радиочастотный сигнал, усиленный транзистором, поступает через разделительный конденсатор С4 на диод V2 и детектируется им. Резистор R2 является нагрузкой детектора. Создающиеся на резисторе колебания звуковой частоты через конденсатор С6, резистор R3 и катушку связи L2 поступают на базу транзистора. Вместе с высокочастотным сигналом они устанавливаются и, пройдя свободно через дроссель L3, преобразуются телефонами В1 в звук. Таким образом, каскад на транзисторе V1 работает одновременно как усилитель РЧ и 3Ч, т. е. как рефлексный каскад.

Цепь, состоящая из диода V2, резистора R2 и конденсатора С5 должна на помнить тебе детекторную цепь первого варианта однотранзисторного приемника (рис. 92). Только там в детекторную цепь радиочастотный сигнал поступает непосредственно с колебательного контура, а в этом приемнике предварительно усиленный транзистором. Конденсатор С4, беспрепятственно пропуская через себя колебания радиочастоты, практически не пропускает колебания звуковой частоты и полностью перекрывает путь в эту цепь постоянному току.

Резистор R4 улучшает условия работы диода. Электрический конденсатор С6 — связующий элемент, а резистор R3 и конденсатор С3 образуют фильтр, очищающий сигнал звуковой частоты от высокочастотной составляющей. Без такого фильтра между коллектором и базой транзистора (через детекторную цепь) может возникнуть паразитная обратная связь по высокой частоте, усилительный каскад самовозбудится и в телефонах будет прослушиваться только свистящий звук.

Теперь о деталях. Транзистор V1 должен быть высокочастотным, например, ГТ308, П401-П403 с любым буквенным индексом. Диод V2 — любой из серий Д9, Д2. Конденсатор С4 — слюдяной (КСО) или керамический (КТК, КДК) емкостью 300–510 пФ. Конденсаторы С3, С5 и С7 могут быть типа МБМ, KЛC емкостью от 3300 пФ до 0,01 мкФ. Конденсатор С6 типа К50-6 или К53-1; резисторы R1-R3 — MЛT-0,125 или MЛT-0,25.

Высокочастотный дроссель L3 сделаешь сам. Его сердечником будет служить кольцо из феррита марки 400НН или 600НН с внутренним диаметром 6–8 мм (рис. 100, а). На него надо намотать 180–200 витков провода ПЭВ-1 0,12-0,18-практически до заполнения внутреннего отверстия кольца. Более толстый провод использовать не следует, так как может не уместиться необходимое число витков. Выводы и витки обмотки скрепи каплями клея БФ-2.

Для удобства намотки провода на кольцо сделай челнок (рис. 100, б) из двух отрезков неизолированной медной проволоки толщиной 0,8–1 и длиной 60–70 мм. Спаяй их в нескольких местах. Весь челнок и особенно концы его вилок зачисть мелкой наждачной бумагой, чтобы не портить изоляцию обмоточного провода. Намотай на челнок провод такой длины, чтобы его хватило на всю катушку. Среднюю длину одного витка провода ты можешь измерить. Она составляет 10–12 мм. Значит, для дросселя, содержащего 200 витков, на челнок, с учетом некоторого запаса, надо намотать около 2,5 м провода.

Пропуская челнок в окно ферритового кольца, витки укладывай плотно и следи, чтобы на проводе не было петель и не портилась его изоляция. Перед намоткой провода углы кольца сгладь наждачной бумагой.

Рис. 100. Ферритовое кольцо (а), высокочастотный дроссель (б) и проволочный челнок для намотки провода

Для питания приемника используй две батареи 3336Л, соединив их последовательно. Выключатель S1 любой конструкции. Впрочем, его может и не быть — в опытном приемнике питание можно включать соединением проводников.

Колебательный контур может быть любым из тех, с которыми тебе пришлось иметь дело в третьей беседе. Надо только поверх контурной катушки или возле нее на ферритовом стержне намотать катушку связи L2 — 15–20 витков провода ПЭВ-1 или ПЭЛ диаметром 0,18-2 мм. Настраивать колебательный контур желательно конденсатором переменной емкости, например конденсатором КПЕ-180, или подстроечным конденсатором КПК-2 с наибольшей емкостью 150 пФ.

Детали усилителя и детекторной цепи смонтируй на картонной панели размерами примерно 80х50 мм (рис. 101).

Рис. 101. Монтаж деталей усилителя и детекторной цепи рефлексного приемника

Детали размешай вверху панели, а соединения между ними делай снизу и обязательно пропаяй. Колебательный контур с катушкой связи L2 подключишь ко входу усилителя после того, как наладишь его.

Проверь по принципиальной схеме все соединения, правильность включения выводов транзистора, полярность электролитического конденсатора С6. Только убедившись, что ошибок в монтаже нет, можно подключить источник питания и приступить к налаживанию приемника. Хорошо бы сразу после подключения батареи измерить вольтметром напряжение, действующее между плюсовым и минусовым проводниками цепи питания. Если батарея хорошая, это напряжение должно быть 8,5–9 В. Значительно меньшее напряжение укажет на то, что используемая батарея частично разряжена, есть ошибки в монтаже или транзистор оказался с пробитыми р-n переходами.

Налаживание усилителя заключается в установке рекомендуемого тока коллекторной цепи подбором резистора R1. Для этого в коллекторную цепь включи миллиамперметр, резистор R1 замени временно такой же цепочкой резисторов, как при налаживании однокаскадного усилителя (R2 на рис. 93) и с ее помощью установи в коллекторной цепи ток, равный 2 3 мА. После этого к усилителю можно подключить колебательный контур с катушкой связи и приступить к испытанию приемника.

Прежде всего, выключи питание и настрой входную цепь приемника. Для этого к контуру подключи антенну и заземление, a параллельно ему последовательно соединенные головные телефоны и любой точечный диод. Получится знакомый тебе детекторный приемник. Настрой его на какую-либо радиовещательную станцию. Затем проводники, идущие от конденсатора С7, соедини между собой (чтобы замкнуть этот участок коллекторной цепи, пока там нет телефонов), телефоны подключи параллельно резистору R2 и включи питание. Теперь модулированные колебания радиочастоты будут усиливаться транзистором, детектироваться диодом V2, а создающиеся при этом колебания звуковой частоты преобразовываться телефонами в звук. Телефоны должны звучать значительно громче по сравнению с детекторным приемником.

Далее телефоны включи в соответствующим им участок коллекторной цепи транзистора, поточнее настрой входной контур на частоту принимаемой станции и дополнительной коррекцией тока в коллекторной цепи транзистора добейся наибольшей громкости звучания телефонов. Если возникнет самовозбуждение из-за паразитной связи между коллекторной и базовой цепями транзистора, то поменяй местами выводы высокочастотного дросселя или опытным путем найди такое его положение на монтажной панели, при котором свистящие звуки в телефонах пропадают.

Остается измерить сопротивление подстроечной цепочки резисторов и заменить ее резистором такого же номинала.

ПОДВЕДЕМ НЕКОТОРЫЕ ИТОГИ

Итак, с устройством и работой элементов детекторного приемника различных вариантов ты был знаком по третьей и четвертой беседам. Поэтому в этой беседе я основное внимание уделил главным образом работе транзистора в каскаде усиления электрических колебаний. И это не случайно — подобные усилители будут составными частями многих твоих конструкций. В целом же в большей части беседы разговор шел о простом радиовещательном приемнике 0-V-1, т. е. приемнике, состоящем из детектора и одного каскада усиления колебаний звуковой частоты. А последний, рефлексный вариант, хотя и был однотранзисторным, но работал как приемник 1-V-1. Чувствительность его значительно лучше, чем у приемника 0-V-1, в чем ты убедился на опыте. Разговор о рефлексных приемниках мы продолжим в других беседах.

Надо сказать, что у начинающих радиолюбителей рефлексные приемники пользуются особой популярностью. Объясняется это тем, что при меньшем числе используемых транзисторов они обеспечивают более громкий прием программ радиовещательных станций. Между прочим, первым транзисторным приемником, описание которого было опубликовано в журнале «Радио» в 1958 году, был рефлексный приемник «Москва». Разработанный московским радиолюбителем-конструктором В. Плотниковым, ему суждено было стать самым массовым любительским транзисторным приемником того времени. Подобные приемники радиолюбители строят и сейчас, обычно пользуясь для этого наборами деталей и материалов, выпускаемые рядом промышленных предприятий страны. Об одном из таких приемников я тебе еще расскажу.

Но рефлексным приемникам присущ существенный недостаток — склонность к самовозбуждению. Дело здесь в том, что даже при самой тщательной «очистке» продетектированного сигнала на базу транзистора рефлексного каскада вместе с колебаниями звуковой частоты все же поступает и радиочастотная составляющая сигнала принятой радиостанции. При этом между коллекторной и базовой цепями транзистора возникает паразитная, то есть вредная нерегулируемая положительная обратная связь, борьба с которой не всегда оказывается эффективной. В результате приемник самовозбуждается, появляются свисты, искажающие радиоприем, и даже возникают помехи другим, находящимся неподалеку приемникам. Поэтому, строя в будущем рефлексные приемники, не забывай об этих их особенностях.

В приемниках, о которых я рассказывал в этой беседе, использовались в основном германиевые транзисторы. Но сейчас выпуск таких приборов сокращается и в недалеком будущем вообще будет прекращен. И в радиолюбительских конструкциях их все более вытесняют кремниевые транзисторы. Поэтому уже на этом этапе твоего технического творчества старайся больше уделять внимания кремниевым транзисторам, например серий К315 (n-p-n) и К361 (р-n-р).

Уверен, что те несколько часов, которые ты проведешь с паяльником в руках, не пройдут даром — ты сделаешь еще один шаг к познанию радиоприемной техники. Накопленный опыт монтажа, проверки его и налаживания приемника очень пригодятся в будущем.

Что же касается конструкции твоего первого транзисторного приемника, то, полагаю, этот вопрос ты сможешь решить самостоятельно. Например, детали усилителя можно смонтировать на панели ранее сделанного детекторного приемника. А если транзистор полевой, то он займет место диода.

* * *

Способом подгонки режима работы транзистора «на слух», который ты освоил, налаживая самый первый приемник, радиолюбители, особенно начинающие, пользуются часто. Но этот способ не очень техничен и, кроме того, не всегда дает хорошие результаты. Правильнее пользоваться измерительными приборами: ток покоя коллекторной цепи измерять миллиамперметром; напряжение на коллекторе или смещение на базе — вольтметром постоянного тока; сопротивления резисторов, в том числе и тех, подбором которых устанавливают рекомендуемые режимы работы транзисторов, омметром. Полезно также проверить годность транзистора, и прежде чем вмонтировать, измерить основные его параметры. Эти и некоторые другие измерительные приборы могут быть самодельными, о чем и пойдет речь в следующей беседе.

Более 800 000 книг и аудиокниг! 📚

Получи 2 месяца Литрес Подписки в подарок и наслаждайся неограниченным чтением

ПОЛУЧИТЬ ПОДАРОК