Беседа 17 О МУЛЬТИВИБРАТОРЕ И ЕГО ПРИМЕНЕНИИ

Мультивибраторами называют электронные устройства, генерирующие электрические колебания, близкие по форме к прямоугольной. Спектр колебаний, генерируемых мультивибратором, содержит множество гармоник — тоже электрических колебаний, но кратных колебаниям основной частоты, что и отражено в его названии: «мульти» — много, и вибро» — колеблю. Именно такой генератор я рекомендовал тебе в восьмой беседе использовать в качестве источника электрических сигналов.

Что же собой представляет и как работает мультивибратор?

МУЛЬТИВИБРАТОР АВТОКОЛЕБАТЕЛЬНЫЙ

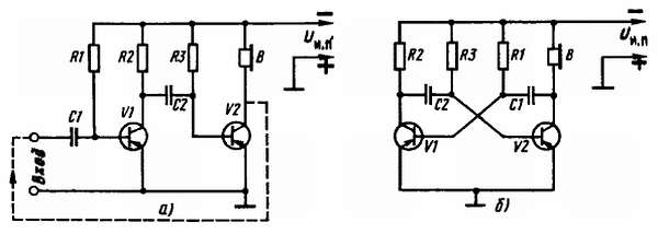
Рассмотри схему, показанную на рис. 267, а. Узнаешь? Да, это схема двухкаскадного транзисторного усилителя 3Ч с выходом на головные телефоны. Что произойдет, если выход такого усилителя соединить с его входом, как на схеме показано штриховой линией? Между ними возникает положительная обратная связь и усилитель caмовозбудится — станет генератором колебаний звуковой частоты, и в телефонах мы услышим звук низкого тона. С таким явлением в приемниках и усилителях ведут решительную борьбу, а вот для автоматически действующих приборов оно оказывается полезным.

Теперь посмотри на рис. 267, б. На нем ты видишь схему того же усилителя, охваченного положительной обратной связью, как на рис. 267, а, только начертание ее несколько изменено. Именно так обычно чертят схемы автоколебательных, т. е. самовозбуждающихся мультивибраторов.

Рис. 267. Двухкаскадный усилитель, охваченный положительной обратной связью, становится мультивибратором

Опыт — самый лучший, пожалуй, метод познания сущности действия того или иного электронного устройства. В этом ты убеждался не раз. Вот и сейчас, чтобы лучше разобраться в работе этого универсального прибора-автомата, предлагаю провести опыт с ним.

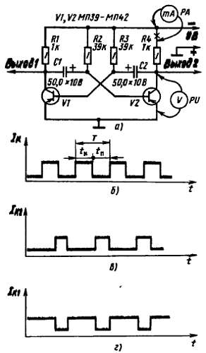
Принципиальную схему автоколебательного мультивибратора со всеми данными его резисторов и конденсаторов ты видишь на рис. 268, а. Смонтируй его на макетной панели. Транзисторы должны быть низкочастотными (МП39-МП42), так как у высокочастотных транзисторов (П401-П403, П420, П422) очень маленькое пробивное напряжение эмиттерного перехода.

Электролитические конденсаторы С1 и С2-типа К50-6, К50-3 или К53-1 на номинальное напряжение 10–15 В. Сопротивления резисторов могут отличаться от указанных на схеме до 50 %. Важно лишь, чтобы возможно одинаковыми были номиналы нагрузочных резисторов R1, R4 и базовых резисторов R2, R3. Для питания используй две последовательно соединенные батареи 3336Л или выпрямитель.

В коллекторную цепь любого из транзисторов включи миллиамперметр (РА) на ток 10–15 мА, а к участку эмиттер-коллектор того же транзистора подключи высокоомный вольтметр постоянного тока (PU) на напряжение до 10 В. Проверив монтаж и особенно внимательно полярность включения электролитических конденсаторов, подключи к мультивибратору источник питания.

Что показывают измерительные приборы? Миллиамперметр — резко увеличивающийся до 8-10 мА, а затем также резко уменьшающийся почти до нуля ток коллекторной цепи транзистора. Вольтметр же, наоборот, то уменьшающееся почти до нуля, то увеличивающееся до напряжения источника питания коллекторное напряжение.

О чем говорят эти измерения? О том, что транзистор этого плеча мультивибратора работает в режиме переключения. Наибольший коллекторный ток и одновременно наименьшее напряжение на коллекторе соответствуют открытому состоянию, а наименьший ток и наибольшее коллекторное напряжение — закрытому состоянию транзистора.

Точно так работает и транзистор второго плеча мультивибратора, но, как говорят, со сдвигом фазы на 180°: когда один из транзисторов открыт, второй закрыт. В этом нетрудно убедиться, включив в коллекторную цепь транзистора второго плеча мультивибратора такой же миллиамперметр; стрелки измерительных приборов будут попеременно отклоняться от нулевых отметок шкал.

Теперь, воспользовавшись часами с секундной стрелкой, сосчитай, сколько раз в минуту транзисторы переходят из открытого состояния в закрытое. Примерно раз 15–20. Таково число электрических колебаний, генерируемых мультивибратором в минуту. Следовательно, период одного колебания равен 3–4 с.

Продолжая следить за стрелкой миллиамперметра, попытайся изобразить эти колебания графически. По горизонтальной оси ординат откладывай в некотором масштабе отрезки времени нахождения транзистора в открытом и закрытом состояниях, а по вертикальной — соответствующий этим состояниям коллекторный ток. У тебя получится примерно такой же график, как тот, что изображен на рис. 268, б. Значит, можно считать, что мультивибратор генерирует электрические колебания прямоугольной формы.

Рис. 268. Схема симметричного мультивибратора (а) и генерируемые им импульсы тока (б)

В сигнале мультивибратора, независимо от того, с какого выхода он снимается, можно выделить импульсы тока и паузы между ними. Интервал времени с момента появления одного импульса тока (или напряжения) до момента появления следующего импульса той же полярности принято называть периодом следования импульсов Т, а время между импульсами — длительностью паузы tп. Мультивибраторы, генерирующие импульсы, длительность tп которых равна паузам между ними, называют симметричными. Следовательно, собранный тобой опытный мультивибратор — симметричный.

Замени конденсаторы С1 и С2 другими конденсаторами емкостью по 10–15 мкФ. Мультивибратор остался симметричным, но частота генерируемых им колебаний увеличилась в 3–4 раза — до 60–80 в 1 мин или, что то же самое, примерно до частоты 1 Гц. Стрелки измерительных приборов еле успевают следовать за изменениями токов и напряжений в цепях транзисторов.

А если конденсаторы С1 и С2 заменить бумажными емкостью по 0,01-0,05 мкФ? Как теперь будут вести себя стрелки измерительных приборов? Отклонившись от нулевых отметок шкал, они стоят на месте. Может быть, сорвана генерация? Нет! Просто частота колебаний мультивибратора увеличилась до нескольких сотен герц. Это колебания диапазона звуковой частоты, фиксировать которые приборы постоянного тока уже не могут. Обнаружить их можно с помощью частотомера или головных телефонов, подключенных через конденсатор емкостью 0,01-0,05 мкФ к любому из выходов мультивибратора или включив их непосредственно в коллекторную цепь любого из транзисторов вместо нагрузочного резистора. В телефонах услышишь звук низкого тона.

Каков принцип работы мультивибратора? Вернемся к схеме на рис. 268, а. В момент включения питания транзисторы обоих плеч мультивибратора открываются, так как на их базы через соответствующие им резисторы R2 и R3 подаются отрицательные напряжения смещения. Одновременно начинают заряжаться конденсаторы связи: С1 — через эмиттерный переход транзистора V2 и резистор R1; С2 — через эмиттерный переход транзистора V2 и резистор R4. Эти цепи зарядки конденсаторов, являясь делителями напряжения источника питания, создают на базах транзисторов (относительно эмиттеров) все возрастающие по значению отрицательные напряжения, стремящиеся все больше открыть транзисторы. Открывание транзистора вызывает снижение отрицательного напряжения на его коллекторе, что вызывает снижение отрицательного напряжения на базе другого транзистора, закрывая его. Такой процесс протекает сразу в обоих транзисторах, однако закрывается только один из них, на базе которого более высокое положительное напряжение, например, из-за разницы коэффициентов передачи токов h21Э, номиналов резисторов и конденсаторов. Второй транзистор остается открытым. Но эти состояния транзисторов неустойчивы, ибо электрические процессы в их цепях продолжаются.

Допустим, что через некоторое время после включения питания закрытым оказался транзистор V2, а открытым — транзистор V1. С этого момента конденсатор С1 начинает разряжаться через открытый транзистор V1, сопротивление участка эмиттер-коллектор которого в это время мало, и резистор R2. По мере разрядки конденсатора С1 положительное напряжение на базе закрытого транзистора V2 уменьшается. Как только конденсатор полностью разрядится и напряжение на базе транзистора V2 станет близким нулю, в коллекторной цепи этого, теперь уже открывающегося транзистора появляется ток, который воздействует через конденсатор С2 на базу транзистора V1 и понижает отрицательное напряжение на ней. В результате ток, текущий через транзистор V1, начинает уменьшаться, а через транзистор V2, наоборот, увеличиваться. Это приводит к тому, что транзистор V1 закрывается, а транзистор V2 открывается. Теперь начнет разряжаться конденсатор С2, но через открытый транзистор V2 и резистор R3, что в конечном итоге приводит к открыванию первого и закрыванию второго транзисторов и т. д. Транзисторы все время взаимодействуют, в результате чего мультивибратор генерирует электрические колебания.

Частота колебаний мультивибратора зависит как от емкости конденсаторов связи, что тобой уже проверено, так и от сопротивления базовых резисторов, в чем ты можешь убедиться сейчас же.

Попробуй, например, базовые резисторы R2 и R3 заменить резисторами больших сопротивлении. Частота колебаний мультивибратора уменьшится. И наоборот, если их сопротивления будут меньше, частота колебаний увеличится.

Еще один опыт: отключи верхние (по схеме) выводы резисторов R2 и R3 от минусового проводника источника питания, соедини их вместе, а между ними и минусовым проводником включи реостатом переменный резистор сопротивлением 30–50 кОм. Поворачивая ось переменного резистора, ты в довольно широких пределах сможешь изменять частоту колебаний мультивибраторов.

Примерную частоту колебаний симметричного мультивибратора можно подсчитать по такой упрощенной формуле: f ~= 700/(RC), где f — частота в герцах, R — сопротивления базовых резисторов в килоомах, С — емкости конденсаторов связи в микрофарадах. Пользуясь этой упрощенной формулой, подсчитай, колебания каких частот генерировал твой мультивибратор.

Вернемся к исходным данным резисторов и конденсаторов опытного мультивибратора (по схеме на рис. 268, а). Конденсатор С2 замени конденсатором емкостью 2–3 мкФ, в коллекторную цепь транзистора V2 включи миллиамперметр и, следя за его стрелкой, изобрази графически колебания тока, генерируемые мультивибратором. Теперь ток в коллекторной цепи транзистора V2 будет появляться более короткими, чем раньше, импульсами (рис. 268, в). Длительность импульсов tп будет примерно во столько же раз меньше пауз между импульсами tп, во сколько уменьшилась емкость конденсатора С2 по сравнению с его прежней емкостью.

А теперь тот же (или такой) миллиамперметр включи в коллекторную цепь транзистора V1. Что показывает измерительный прибор? Тоже импульсы тока, но их длительность значительно больше пауз между ними (рис. 268, г).

Что же произошло? Уменьшив емкость конденсатора С2, ты нарушил симметрию плеч мультивибратора — он стал несимметричным. Поэтому и колебания, генерируемые им, стали несимметричными: в коллекторной цепи транзистора V1 ток появляется относительно длинными импульсами, в коллекторной цепи транзистора V2 — короткими. С «Выхода 1» такого мультивибратора можно снимать короткие, а с «Выхода 2» — длинные импульсы напряжения. Временно поменяй местами конденсаторы C1 и С2. Теперь короткие импульсы напряжения будут на «Выходе 1», а длинные — «на Выходе 2».

Сосчитай (по часам с секундной стрелкой), сколько электрических импульсов в минуту генерирует такой вариант мультивибратора. Около 80. Увеличь емкость конденсатора С1, подключив параллельно ему второй электролитический конденсатор емкостью 20–30 мкФ. Частота следования импульсов уменьшится. А если, наоборот, емкость этого конденсатора уменьшать? Частота следования импульсов должна увеличиваться.

Есть, однако, иной способ регулирования частоты следования импульсов — изменением сопротивления резистора R2: с уменьшением сопротивления этого резистора (но не менее чем до 3–5 кОм, иначе транзистор V2 будет все время открыт и автоколебательный процесс нарушится) частота следования импульса должна возрастать, а с увеличением его сопротивления, наоборот, уменьшаться. Проверь опытным путем — так ли это? Подбери резистор такого номинала, чтобы число импульсов в 1 мин составляло точно 60. Стрелка миллиамперметра будет колебаться с частотой 1 Гц. Мультивибратор в этом случае станет как бы электронным механизмом часов, отсчитывающих секунды.

Если бы я попытался только перечислить, где и как используются автоколебательные симметричные и несимметричные мультивибраторы, для этого потребовалось бы несколько страниц. Нет, пожалуй, такой отрасли радиотехники, электроники, автоматики, импульсной или вычислительной техники, где бы такие генераторы не применялись. В этой беседе я приведу несколько примеров практического использования их применительно к твоему творчеству. Сейчас же хочу познакомить тебя с еще одной разновидностью мультивибратора.

ЖДУЩИЙ МУЛЬТИВИБРАТОР

Такой мультивибратор генерирует импульсы тока (или напряжения) при подаче на его вход запускающих сигналов от другого источника, например от автоколебательного мультивибратора.

Чтобы автоколебательный мультивибратор, опыты с которым ты уже проводил в этой беседе (по схеме на рис. 268, а), превратить в мультивибратор ждущий, надо сделать следующее: конденсатор С2 удалить, а вместо него между коллектором транзистора V2 и базой транзистора V1 включить резистор (на рис. 269 — R3) сопротивлением 10–15 кОм; между базой транзистора V1 и заземленным проводником включить последовательно соединенные элемент 332 (G1) и резистор сопротивлением 4,7–5,1 кОм (R5), но так, чтобы с базой соединялся (через R5) положительный полюс элемента; к базовой цепи транзистора V1 подключить конденсатор (на рис. 269 — С2) емкостью 1–5 тыс. пФ, второй вывод которого будет выполнять роль контакта входного управляющего сигнала.

Рис. 269. Опытный ждущий мультивибратор

Исходное состояние транзистора V1 такого мультивибратора — закрытое, транзистора V2 — открытое. Проверь — так ли это? Напряжение на коллекторе закрытого транзистора должно быть близким к напряжению источника питания, а на коллекторе открытого транзистора — не превышать 0,2–0,3 В. Затем в коллекторную цепь транзистора V1 включи миллиамперметр на ток 10–15 мА и, наблюдая за его стрелкой, включи между контактом Uвх и заземленным проводником, буквально на мгновение, один-два элемента 332, соединенные последовательно (на схеме GB1) или батарею 3336Л. Только не перепутай: отрицательный полюс этого внешнего электрического сигнала должен подключаться к контакту Uвх. При этом стрелка миллиамперметра должна тут же отклониться до значения наибольшего тока коллекторной цепи транзистора, застыть на некоторое время, а затем вернуться в исходное положение, чтобы «ждать» следующего сигнала.

Повтори этот опыт несколько раз. Миллиамперметр при каждом сигнале будет показывать мгновенно возрастающий до 8-10 мА и спустя некоторое время, так же мгновенно убывающий почти до нуля коллекторный ток транзистора V1. Это одиночные импульсы тока, генерируемые мультивибратором.

А если батарею GB1 подольше держать подключенной к зажиму Uвх? Произойдет то же, что и в предыдущих опытах, — на выходе мультивибратора появится только один импульс. Попробуй!

И еще один эксперимент: коснись вывода базы транзистора V1 каким-либо металлическим предметом, взятым в руку. Возможно, и в этом случае ждущий мультивибратор сработает — от электростатического заряда твоего тела. Повтори такие же опыты, но включив миллиамперметр в коллекторную цепь транзистора V2. При подаче управляющего сигнала коллекторный ток этого транзистора должен резко уменьшиться почти до нуля, а затем так же резко увеличиться до значения тока открытого транзистора. Это тоже импульс тока, но отрицательной полярности.

Каков же принцип действия ждущего мультивибратора? В таком мультивибраторе связь между коллектором транзистора V2 и базой транзистора V1 не емкостная, как в автоколебательном, а резистивная — через резистор R3. На базу транзистора V2 через резистор R2 подается открывающее его отрицательное напряжение смещения. Транзистор же V1 надежно закрыт положительным напряжением элемента G1 на его базе. Такое состояние транзисторов весьма устойчиво. В таком состоянии дни могут находиться сколько угодно времени.

Но вот на базе транзистора V1 появился импульс напряжения отрицательной полярности. С этого момента транзисторы переходят в режим неустойчивого состояния. Под действием входного сигнала транзистор V1 открывается, а изменяющееся при этом напряжение на его коллекторе через конденсатор С1 закрывает транзистор V2. В таком состоянии транзисторы находятся до тех пор, пока не разрядится конденсатор С1 (через резистор R2 и открытый транзистор V1, сопротивление которого в это время мало). Как только конденсатор разрядится, транзистор V2 тут же откроется, а транзистор V1 закроется. С этого момента мультивибратор вновь оказывается в исходном, устойчивом ждущем режиме.

Таким образом, ждущий мультивибратор имеет одно устойчивое и одно неустойчивое состояние. Во время неустойчивого состояния он генерирует один прямоугольный импульс тока (напряжения), длительность которого зависит от емкости конденсатора С1. Чем больше емкость этого конденсатора, тем больше длительность импульса. Так, например, при емкости конденсатора 50 мкФ мультивибратор генерирует импульс тока длительностью около 1,5 с, а с конденсатором емкостью 150 мкФ — раза в три больше. Через дополнительные конденсаторы — положительные импульсы напряжения можно снимать с «Выхода 1», а отрицательные с «Выхода 2».

Только ли импульсом отрицательного напряжения, поданным на базу транзистора V1, можно вывести мультивибратор из ждущего режима? Нет, не только. Это можно сделать и подачей импульса напряжения положительной полярности, но на базу транзистора V2.

Итак, тебе остается экспериментально проверить, как влияет емкость конденсатора С1 на длительность импульсов и возможность управления ждущим мультивибратором импульсами положительного напряжения.

Как практически можно использовать ждущий мультивибратор? По-разному. Например, для преобразования синусоидального напряжения в импульсы напряжения (или тока) прямоугольной формы такой же частоты, или включения на какое-то время другого прибора путем подачи на вход ждущего мультивибратора кратковременного электрического сигнала.

А как еще? Подумай!

МУЛЬТИВИБРАТОР В ГЕНЕРАТОРАХ И ЭЛЕКТРОННЫХ ПЕРЕКЛЮЧАТЕЛЯХ

Электронный звонок. Мультивибратор можно применить для квартирного звонка, заменив им обычный электрический. Собрать же его можно по схеме, показанной на рис. 270.

Рис. 270. Электронный звонок

Транзисторы V1 и V2 работают в симметричном мультивибраторе, генерирующем колебания частотой около 1000 Гц, а транзистор V3 — в усилителе мощности этих колебаний. Усиленные колебания преобразуются динамической головкой В1 в звуковые колебания.

Если для звонка использовать абонентский громкоговоритель, включив первичную обмотку его переходного трансформатора в коллекторную цепь транзистора V3, в его футляре разместится вся электроника звонка, смонтированная на плате. Там же разместится и батарея питания.

Электронный звонок установи в коридоре и соедини его двумя проводами с кнопкой S1. Нажми кнопку — громкоговоритель звонит, отпусти кнопку — молчит. Так как питание на прибор подается только во время вызывных сигналов, двух батарей 3336Л, соединенных последовательно, хватит на несколько месяцев работы звонка.

Желательный тон звука устанавливай заменой конденсаторов С1 и С2 конденсаторами других емкостей. Мультивибратор, собранный по такой же схеме, может быть использован для изучения и тренировки в приеме на слух телеграфной азбуки — азбуки Морзе. В этом случае надо только кнопку заменить телеграфным ключом.

Электронный переключатель. Этот прибор, схема которого показана на рис. 271, можно использовать для коммутации двух елочных гирлянд, питающихся от сети переменного тока. Сам же электронный переключатель можно питать от двух батарей 3336Л, соединенных последовательно, или от выпрямителя, который бы давал на выходе постоянное напряжение 9-12 В.

Рис. 271. Электронный переключатель

Схема переключателя очень схожа со схемой электронного звонка. Но емкости конденсаторов С1 и С2 переключателя во много раз больше емкостей аналогичных конденсаторов звонка. Мультивибратор переключателя, в котором работают транзисторы V1 и V2, генерирует колебания частотой около 0,4 Гц, а нагрузкой его усилителя мощности (транзистор V3) является обмотка электромагнитного реле К1. Реле имеет одну пару контактных пластин, работающих на переключение. Подойдет, например, реле РЭС-10 (паспорт РС4.524.302) или другое электромагнитное реле, надежно срабатывающее от напряжения 6–8 В при токе 20–50 мА.

При включении питания транзисторы V1 и V2 мультивибратора попеременно открываются и закрываются, генерируя сигналы прямоугольной формы. Когда транзистор V2 открыт, отрицательное питающее напряжение через резистор R4 и этот транзистор подается на базу транзистора V3, вводя его в насыщение. При этом сопротивление участка эмиттер-коллектор транзистора V3 уменьшается до нескольких ом и почти все напряжение источника питания прикладывается к обмотке реле К1 — реле срабатывает и своими контактами подключает к сети одну из гирлянд. Когда транзистор V2 закрыт, цепь питания базы транзистора V3 разорвана, и он также закрыт, через обмотку реле ток не течет. В это время реле отпускает якорь и его контакты, переключаясь, подключают к сети вторую елочную гирлянду.

Если ты захочешь изменить время переключения гирлянд, то заменяй конденсаторы С1 и С2 конденсаторами других емкостей. Данные резисторов R2 и R3 оставь прежними, иначе нарушится режим работы транзисторов по постоянному току.

Усилитель мощности, аналогичный усилителю на транзисторе V3, можно включить и в эмиттерную цепь транзистора V1 мультивибратора. В этом случае электромагнитные реле (в том числе — самодельные) могут иметь не переключающие группы контактов, а нормально разомкнутые или нормально замкнутые. Контакты реле одного из плеч мультивибратора будут периодически замыкать и размыкать цепь питания одной гирлянды, а контакты реле другого плеча мультивибратора — цепь питания второй гирлянды.

Электронный переключатель можно смонтировать на плате из гетинакса или другого изоляционного материала и вместе с батареей питания поместить в коробку из фанеры. Во время работы переключатель потребляет ток не больше 30 мА, так что энергии двух батарей 3336Л вполне хватит на все новогодние праздники.

Аналогичный переключатель можно использовать и для других целей. Например, для иллюминации масок, аттракционов. Представь себе выпиленную из фанеры и разрисованную фигурку героя сказки «Кот в сапогах». Позади прозрачных глаз находятся лампочки от карманного фонаря, коммутируемые электронным переключателем, а на самой фигурке — кнопка. Стоит нажать кнопку, как кот тут же начнет подмигивать тебе.

А разве нельзя использовать переключатель для электрификации некоторых моделей, например модели маяка? В этом случае в коллекторную цепь транзистора усилителя мощности можно вместо электромагнитного реле включить малогабаритную лампочку накаливания, рассчитанную на небольшой ток накала, которая станет имитировать вспышки маяка. Если такой переключатель дополнить тумблером, с помощью которого в коллекторную цепь выходного транзистора можно будет включать поочередно две такие лампочки, то он может стать указателем поворотов твоего велосипеда.

Метроном — это своеобразные часы, позволяющие по звуковым сигналам отсчитывать равные промежутки времени с точностью до долей секунды. Такие приборы используют, например, для выработки чувства такта при обучении музыкальной грамоте, во время первых тренировок по передаче сигналов телеграфной азбукой.

Схему одного из таких приборов ты видишь на рис. 272. Это тоже мультивибратор, но несимметричный. В таком мультивибраторе использованы транзисторы разной структуры: V1 — n-р-n (МП35-МП38), V2 — p-n-p (МП39-МП42). Это позволило уменьшить общее число деталей мультивибратора.

Рис. 272. Электронный метроном

Принцип же его работы остается таким же — генерация возникает за счет положительной обратной связи между выходом и входом двухкаскадного усилителя 3Ч; связь осуществляется электролитическим конденсатором С1. Нагрузкой мультивибратора служит малогабаритная динамическая головка В1 со звуковой катушкой сопротивлением 4-10 Ом, например 0,1ГД-6, 1ГД-8 (или телефонный капсюль), создающая при кратковременных импульсах тока звуки, похожие на щелчки. Частоту следования импульсов можно регулировать переменным резистором R1 примерно от 20 до 300 импульсов в минуту. Резистор R2 ограничивает ток базы первого транзистора, когда движок резистора R1 находится в крайнем нижнем (по схеме) положении, соответствующем наибольшей частоте генерируемых колебаний.

Метроном можно питать от одной батареи 3336Л или трех элементов 332, соединенных последовательно. Ток, потребляемый им от батареи, не превышает 10 мА.

Переменный резистор R1 должен иметь шкалу, отградуированную по механическому метроному. Пользуясь ею, простым поворотом ручки резистора можно установить нужную частоту звуковых сигналов метронома.

МУЛЬТИВИБРАТОР В РАДИОТЕХНИЧЕСКИХ ИГРУШКАХ

Радиолюбители (и не только юные), широко используют мультивибраторы в различных радиотехнических играх и игрушках, аттракционах, сувенирах. Об этом, в частности, красноречиво говорят многие экспонаты сегодняшних школьников, демонстрирующиеся на различных выставках радиолюбительского творчества. Возле них, как правило, всегда людно.

Хочу рассказать о некоторых из таких забавных экспонатов, которые ты можешь Повторить.

«Обиженный щенок» (рис. 273).

Рис. 273. Внешним вид (а), принципиальная схема (б), монтажная плата (в) и устройство магнитного выключателя (г) аттракциона «Обиженный щенок»

Из фанерного домика высовывается мордочка щенка. Стоит отобрать у него блюдце с костью, он начинает скулить. Забавно?

Электронную «начинку» этого аттракциона (рис. 273, б) образуют два взаимосвязанных мультивибратора и телефонный капсюль В1 (ДЭМ-4М). Мультивибратор на транзисторах V3 и V4 генерирует колебания звуковой частоты, а мультивибратор на транзисторах V1 и V2 периодически включает (когда транзистор V2 закрыт) и выключает (когда транзистор V2 открыт) первый мультивибратор, что необходимо для имитации голоса недовольного щенка.

Транзистор V5 усиливает колебания звуковой частоты, которые телефон преобразует в звук. Его нагрузкой может быть также маломощная динамическая головка, включенная в коллекторную цепь через малогабаритный выходной трансформатор. Источником питания служат одна (4,5 В) или две соединенные последовательно (9 В) батареи 3336Л. Для такого аттракциона можно использовать любые маломощные низкочастотные транзисторы, в том числе с малым коэффициентом передачи тока h21Э, а также резисторы и конденсаторы любых типов с номиналами, близкими к указанным на схеме.

Проверку работоспособности устройства начинай с правого (по схеме) мультивибратора с усилителем, соединив верхний вывод резистора R6 непосредственно с минусовым проводником цепи питания и подключив батарею, минуя выключатель S1. Если детали исправны и в монтаже ошибок нет, то в телефоне (или головке) будет слышен непрерывный однотонный звук. Если этого не произойдет, значит, есть ошибка в монтаже мультивибратора или в нем есть неисправные детали. Проверить работу только транзисторов V3 и V4 можно, подключив параллельно резистору R8 высокоомные телефоны. Если они звучат, то неисправность надо искать только в каскаде на транзисторе V5. Тон звука изменяй по своему вкусу подбором конденсаторов С3 и С4.

Убедившись в работоспособности этого мультивибратора, восстанови соединение резистора R6 с коллекторной цепью транзистора V2 (на схеме — точка б) второго мультивибратора. Этот резистор можно подключить и к коллектору транзистора V1 (на схеме — точка а). При этом соотношение между паузами звучание телефона должно измениться.

Секрет этого аттракциона магнитный выключатель питания S1. Его конструкция показана на рис. 273, г. В жестяной обойме 1 находится пластинка 2, которая под действием собственной массы прижимается к контакту 3 выключателя. Правый конец пластинки 2 легко поднимается под действием поля постоянного магнита и размыкает цепь питания мультивибраторов. Если магнит убрать, пластинка упадет на контакт, замкнет цепь питания и щенок начнет скулить.

Детали самого выключателя находятся перед носом фигурки щенка и закрыты тонким гетинаксом 4. Магнит замаскирован в блюдце. Левый конец пластинки служит противовесом и облачает работу магнита. Для уменьшения трения эта замыкающая пластинка свободно лежит на шпильке обоймы, не имея с ней механической связи.

В качестве выключателя питания можно использовать геркон герметизированные контакты, замыкающиеся под действием магнитного поля. Он должен быть переключающего типа. С применением геркона «реакция» щенка несколько возрастет.

«Утка с утятами». На подставке, верхняя пластмассовая панель которой имитирует гладь воды, как бы плывут гуськом и перекликаются утка с утятами (рис. 274). Голос утки грубее, утят — нежнее.

Рис. 274. Внешний вид и принципиальная схема «Утка с утятами»

Игрушка представляет собой три взаимно-связанных мультивибратора. Симметричный мультивибратор на транзисторах V6 и V7, генерирующий колебания частотой 800-1000 Гц, является основным. А мультивибратор на транзисторах V4 и V5 несимметричный. Генерируя короткие импульсы с паузами длительностью 2–2,5 с, он выполняет роль электронного выключателя, управляющего работой основного мультивибратора. Происходит это следующим образом. Во время пауз, когда транзистор V5 закрыт и сопротивление его участка эмиттер-коллектор большое, верхний (по схеме) вывод резистора R11 в базовой цепи транзистора V6 через резистор R8 соединен с минусовым проводом источника питания. В эти промежутки времени основной мультивибратор генерирует колебания звуковой частоты, которые усиливаются транзистором V8 и преобразуются телефоном В1 в звуковые колебания Во время же коротких импульсов, когда транзистор V5 открывается, резистор R11 через малое сопротивление открытого транзистора оказывается соединенным с плюсовым проводом источника питания и генерация основного мультивибратора срывается. В результате звук прерывается с частотой следования импульсов второго мультивибратора.

Третий мультивибратор, в котором работают транзисторы V1 и V2, генерирует сравнительно длинные (4–5 с) импульсы с относительно короткими паузами между ними. Во время прихода импульсов электромагнитное реле К1, включенное в коллекторную цепь транзистора V3, срабатывает, его контакты К1.1, замыкаясь, подключают параллельно конденсатору С5 конденсатор С6. В результате основной мультивибратор становится несимметричным, тон прерывистого звука в телефоне В1 (капсюль ДЭМ-4М), включенном в коллекторную цепь транзистора V8, изменяется, чем и достигается имитация голосов утки и утят.

Источником питания игрушки могут быть две батареи 3336Л, соединенные последовательно, батарея «Крона» или аккумуляторная батарея 7Д-0,1. Электромагнитное реле К1 — типа РСМ-2 (паспорт Ю.171.81.31) или другое малогабаритное, срабатывающее при напряжении 6–8 В. Коэффициент h21Э транзисторов практически не имеет существенного значения и может быть в пределах от 15 до 80.

Налаживание игрушки сводится к проверке работы мультивибраторов. Чтобы проверить основной мультивибратор, временно отключи два других, разорвав, например, плюсовой проводник цепи питания в точке а (см. схему). При этом звук должен быть непрерывным. А если точку соединения резисторов R11 и R8 соединить с общим заземленным проводником, звук должен пропасть. Затем, отключив только третий мультивибратор (разорви временно общий проводник в точке б), проверь совместную работу первых двух мультивибраторов. Теперь звук должен стать прерывистым, а после включения третьего мультивибратора — имитирующим кряканье уток.

«Кот-лакомка». На небольшой подставке, слегка наклонив голову, сидит белый, с бантом на шее кот (рис. 275). Если к его носу поднести кусочек вареного мяса, колбасы или сыра, кот тут же начинает сверкать глазами и, как бы прося лакомый кусочек, мяукать.

Рис. 275. Принципиальная схема и внешний вид «Кота-лакомки»

Электронная часть этой игрушки состоит из трех блоков: генератора «Мяу» на транзисторах V1-V4, усилителя тока на транзисторах V5 и V6 и генератора световых импульсов на транзисторах V7 и V8, имитирующего мигание глаз. Генератор «Мяу» в свою очередь состоит из мультивибратора на транзисторах V1 и V2, генерирующего колебания с периодом примерно 3 с, и RC-генератора на транзисторе V3, генерирующего колебания звуковой частоты около 800 Гц. RC-генератор возбуждается и создает с частотой первого генератора чередующиеся пачки плавно увеличивающихся по амплитуде и тут же затухающих колебаний звуковой частоты. Эти колебания усиливаются транзистором V4 и преобразуются телефоном В1 (капсюль ДЭМ-4М) в звуковые колебания, воспринимаемые как звуки мяукающего кота. Генератор «Мяу» начинает работать при включении питания контактами К1.1 электромагнитного реле К1.

Генератор световых импульсов, представляющий собой несимметричный мультивибратор на транзисторах разной структуры (V8 — n-p-n; V9 — p-n-p), генерирует колебания с периодом около 3 с. Через такие промежутки времени вспыхивают и гаснут лампочки Н1 и Н2 (глаза кота), являющиеся нагрузкой транзистора V9. Включается генератор при замыкании контактов К1.2 того же реле К1.

Секрет игрушки кроется в контактах 1 и 2 на входе усилителя тока, в котором работают транзисторы V5 и V6. Эти контакты — отрезки тонкой неизолированной проволоки, тщательно замаскированные на мордочке кота. При замыкании их кусочком мяса (можно, разумеется, просто ваткой, смоченной подсоленной водой) сопротивление этого «лакомства» шунтирует резистор R9, резко повышая отрицательное напряжение на базе транзистора V5. Увеличивающийся при этом ток базы усиливается транзисторами V5 и V6, в результате чего срабатывает реле К1, которое контактами К1.1 замыкает цепь питания генератора «Мяу», а контактами К1.2 — цепь питания генератора световых импульсов. Резистор R10 ограничивает токи базовых цепей транзисторов V5 и V6 при случайном замыкании контактов 1 и 2.

Блоки игрушки смонтированы в фанерном ящике-подставке. Капсюль ДЭМ-4М (В1) находится против задрапированных отверстии в передней стенке подставки. Лампочки Н1 и Н2 (глаза) рассчитаны на напряжение 1 В и ток накала 75 мА; контакты 1 и 2 «различителя запаха» вмонтированы в голову кота и соединены с генератором световых импульсов и входом усилителя тока отрезками многожильного изолированного провода.

Трансформатор Т1 генератора «Мяу» — межкаскадный трансформатор транзисторного приемника. Реле К1 типа PC-13 (паспорт РС4.523.017), пружинные контакты которого ослаблены, чтобы реле срабатывало при напряжении источника питания 6–8 В. Коэффициент h21Э транзисторов может быть 30–60.

Блок питания игрушки образуют две соединенные последовательно батареи GB1 и GB2 (3336Л). Генератор световых импульсов питается от одной батареи GB2.

Нарастание и спад звука генератора «Мяу» определяются сопротивлениями резисторов R5, R6 и емкостью конденсатора С3, а высота и тембр звука — емкостями конденсаторов С4, С6 и сопротивлениями резисторов R7 и R8. Частоту миганий глаз, соответствующую частоте звуковых сигналов игрушки, можно установить подбором резистора R13 и конденсатора С7.

Сопротивление резистора R9 в базовой цепи транзистора V5 должно быть таким, чтобы при разомкнутых контактах 1 и 2 коллекторный ток покоя транзистора V6 был немного меньше тока отпускания реле К1. Вообще же этого резистора может и не быть.

В генераторе световых импульсов можно также применить лампочки накаливания от карманного фонаря (3,5 В х 0,26 А) и питать его, как и генератор «Мяу», от всей батареи 9 В. В этом случае реле К1 может быть с одной группой нормально разомкнутых контактов (например, РЭС-10), которые включали бы одновременно оба генератора. Тогда во втором каскаде усилителя целесообразно использовать транзистор МП42, а в генераторе световых импульсов — транзистор ГТ402 (или любой другой средней или большой мощности структуры р-n-р).

Электронные качели. Внешний вид этой забавной игрушки-сувенира, предложенной читателям журнала «Радио» московским радиолюбителем Б. Федотовым, и схему, дающую представление о ее действии, ты видишь на рис. 276.

Рис. 276. Электронные качели

Принцип ее работы основан на взаимодействии полей постоянных магнитов и электромагнитов. Постоянные магниты укреплены на подвижной части игрушки — перекладине качелей, а электромагниты Y1 и Y2, питающиеся пульсирующим током, снизу игрушки, против постоянных магнитов. Когда в обмотке электромагнита появляется ток, вокруг ее магнитопровода возникает магнитное поле, которое в зависимости от направления тока в обмотке или притягивает к себе постоянный магнит, а вместе с ним и подвижную часть игрушки, или наоборот, отталкивает. В результате игрушка «оживает» — фигурки человечков, сидящие на перекладине, качаются.

Схема электронной «начинки» игрушки показана на рис. 277, а. Электромагниты Y1 и Y2, приводящие игрушку в действие, питаются импульсами тока, генерируемыми симметричным мультивибратором, собранном на транзисторах V1 и V2. Частоту следования импульсов тока можно изменять с помощью переменное резистора R3, включенного в базовую цепь транзистора V1 последовательно с резистором R4.

Рис. 277. Принципиальная схема электронных качелей (а) и устройство электромагнита (б)

Когда движок этого резистора находится в крайнем верхнем (по схеме) положении, частота следования импульсов наименьшая — около 20 в минуту, а в крайнем нижнем положении — наибольшая, примерно 60 в минуту. Генерируемые импульсы тока усиливаются транзистором V3, база которого непосредственно соединена с эмиттером транзистора V2 мультивибратора, снимаются с нагрузочного резистора R6 и через резисторы R7 и R9 поступают на базы транзисторов V4 и V5, работающие как усилители тока. В моменты времени, когда транзистор V3 открыт и сопротивление его участка эмиттер-коллектор мало, транзисторы V4 и V5 почти закрыты и их коллекторные токи незначительны. В промежутке же между импульсами транзистор V3 закрывается, а транзисторы V4 и V5, наоборот, открываются. В эти моменты времени коллекторные токи транзисторов V4 и V5 резко увеличиваются, вокруг обмоток электромагнитов Y1 и Y2, включенных в эти цепи, возбуждаются магнитные поля, которые вступают во взаимодействие с постоянными магнитами, находящимися на концах перекладины качелей.

В электронном устройстве игрушки можно использовать любые маломощные низкочастотные транзисторы со статическим коэффициентом передачи тока от 10 и больше. Диоды V6 и V7, шунтирующие обмотки электромагнитов (они выполняют ту же функцию, что и диод V4 в электронном переключателе елочных гирлянд), могут быть любыми плоскостными серий Д7 и Д226. Резисторы на мощность рассеяния не менее 0,125 Вт. Электролитические конденсаторы — К50-3, К50-6. Все эти детали можно смонтировать на плате размерами примерно 50х100 мм. Монтажную плату вместе с батареей питания GB1, составленной из двух батарей 3336Л, размещай в фанерной или дощатой подставке.

Электромагниты самодельные (рис. 277, б). Для их сердечников используй прутки малоуглеродистой стали диаметром 12–13 и длиной 43–45 мм или сердечники негодных электромагнитных реле типа РКН. Щечки обмоток с внешним диаметром 28–30 мм вырежи из картона, тонкой фанеры или гетинакса. На сердечник между щечками каждого электромагнита намотай 2600–2800 витков провода ПЭВ-1 0,24-0,25. Сопротивление обмотки постоянному току должно быть около 65 Ом.

Постоянные магниты квадратного или прямоугольного сечения длиной по 25–30 мм или пластинчатого вида, например от магнитных защелок, укрепи в канавках на концах пластмассовой или деревянной перекладины, сделанной в виде бруска длиной 130–150, шириной 15–20 и толщиной 10–12 мм. Сверху к концам перекладины приклей легкие (по 10–12 г) одинаковые по массе куклы или фигурки животных. Электромагниты размещай под площадкой основания, выпиленной из листового гетинакса или органического стекла толщиной 2–3 мм так, чтобы их сердечники оказались против одноименных полюсов постоянных магнитов, обращенных к концам перекладины. Изменить полярность электромагнитов можно, поменяв местами включения выводы обмоток.

Перекладина качелей с фигурками на ней должна быть уравновешена и без заметного трения качаться на проволочной стойке, расположенной на расстоянии 30–35 мм от поверхности основания игрушки.

Длительность импульсов в обмотках электромагнитов игрушки, определяемая номиналами конденсаторов и резисторов мультивибратора, выбрана такой, чтобы качели уже при первом же импульсе приходили в движение. Каждый последующий импульс тока заканчивается до перехода перекладины качелей из одного крайнего положения в другое. Обратное движение перекладины начинается от следующего импульса тока мультивибратора.

Готовую игрушку раскрась, позабавься немного, а затем подари младшему брату или сестренке.

МУЗЫКАЛЬНЫЙ АВТОМАТ «СОЛОВЕЙ»

На выставках творчества юных радиолюбителей возле электронных игрушек, имитирующих голоса животных, птиц, всегда многолюдно. Особенно много таких экспонатов было на 26-й Всесоюзной радиовыставке, проводившейся в Москве в 1974 году. Наибольший интерес и одобрительную улыбку вызывала игрушка радиокружка Тейковской городской станции юных техников Ивановской области, имитирующая голоса поющих соловьев. Правда, звуки больше напоминали трели канареек, но это нисколько не охлаждало любопытство посетителей выставки. Многие интересовались устройством автомата, спрашивали, где можно найти его описание.

Чтобы удовлетворить любопытство юных радиолюбителей, я рассказал об устройстве и работе этого интересного автомата в журнале «Радио» и в предыдущем издании книги, которую ты сейчас листаешь. После этого в редакцию журнала пришло несколько десятков писем, авторы которых делились опытом конструирования электронных соловьев.

С технической точки зрения наибольший интерес, на мой взгляд, представляет «соловей», усовершенствованный радиолюбителем А. Ануфриевым из подмосковного города Чехов.

Принципиальную схему этого музыкального автомата, имитирующего трели соловья, ты видишь на рис. 278.

Рис. 278. Принципиальная схема электронного «Соловья»

На первый взгляд игрушка может показаться очень сложной — 16 транзисторов. Но при внимательном рассмотрении схемы это впечатление рассеется, потому что все здесь тебе уже знакомо. Да и многие транзисторы, используемые в автомате, могут быть с коэффициентом h21Э всего 15–20. Он к тому же прост в налаживании и при компактном монтаже умещается в корпусе малогабаритного транзисторного приемника.

Основу автомата составляют четыре взаимосвязанных однотипных мультивибратора и усилитель 3Ч с выходной мощностью около 150 мВт. Автомат можно питать от батареи напряжением 9 В («Крона», 7Д-0,1 или две батареи 3336Л, соединенные последовательно) или выпрямителя. Средний ток, потребляемый им от источника тока при наибольшей громкости звучания не превышает 50 мА.

Характерной особенностью этого электронного устройства, отличающей его от аттракционов «утка с утятами» или «кот-лакомка» является включение и переключение мультивибраторов не электромагнитными реле, а транзисторами. Кроме того, в мультивибраторах работают три транзисторные сборки 217НТ2 (2НТ172). В металлостеклянном корпусе такой сборки находятся четыре кремниевых n-р-n транзистора, каждый из которых имеет отдельные выводы и может работать как самостоятельный активный элемент. На принципиальной схеме транзисторы каждой сборки различаются только нумерацией выводов.

Рассказ о работе электронного соловья начну с усилителя 3Ч, обеспечивающего достаточно громкое звучание его «трелей». Он, как видишь, подобен усилителю 3Ч электропроигрывателя (см. рис. 186) и усилителю портативного приемника (см. рис. 204). Сигнал «соловья», снимаемый с переменного резистора R19, поступает через конденсатор С10 на базу транзистора V6 каскада предварительного усиления напряжения, а с его нагрузочного резистора R25 — непосредственно на базу транзистора V7 фазоинверсного каскада. Далее сигнал усиливается по мощности двухтактным каскадом на транзисторах V8 и V9 и головкой В1 преобразуется в звуковые колебания, имитирующие голос соловья.

Мультивибратор на транзисторах V3.1 и V3.2 сборки V3, который будем называть первым, генерирует колебания частотой около 5 кГц, соответствующие звуку высокого тона. После усиления транзистором V3.3 той же сборки и трехкаскадным усилителем 3Ч, они определяют тембровую окраску трели соловья.

Работой первого мультивибратора управляет второй мультивибратор на транзисторах V2.3 и V2.4 сборки V2, генерирующий колебания частотой 5 Гц.

Когда транзистор V2.4 закрыт, работает первый мультивибратор. В те же моменты времени, когда транзистор V2.4 открывается и через его малое сопротивление и резистор R15 база транзистора V3.2 оказывается соединенной с общим проводом цепи питания, первый мультивибратор не работает. В результате динамическая головка воспроизводит сигнал, напоминающий частое «щелканье», присущее трели соловья. Работой второго мультивибратора управляет третий мультивибратор, собранный на транзисторах V1.4 и V2.1, входящих в сборки V1 и V2. Генерируя колебания частотой около 1 Гц, он с такой же частотой прерывает генерацию второго мультивибратора. Когда транзистор V2.1 закрыт, ток базы транзистора V2.2 незначительный, поэтому этот транзистор тоже закрыт и не оказывает влияния на работу второго мультивибратора.

В свою очередь третий мультивибратор управляется четвертым мультивибратором на транзисторах V1.1 и V1.2, который генерирует импульсы тока с периодом следования 6–8 с. Транзисторы V1.3 и V2.2 усиливают импульсы тока управляющих мультивибраторов. Таким образом, мультивибраторы формируют полную трель соловья, начинающуюся одиночным пощелкивающим свистом, переходящим в более частый, и заканчивающуюся быстрым переливом.

Напряжение питания, подаваемое на транзисторы мультивибраторов, стабилизируется стабилитроном V4 и транзистором V5. Без стабилизации напряжения соловьиные трели будут изменяться с уменьшением напряжения источника питания.

Внешний вид монтажной платы автомата и порядок расположения выводов транзисторов сборки 217НТ2 показаны на рис. 279, а сама печатная плата, выполненная из фольгированного стеклотекстолита толщиной 1,5 мм, и схема соединения деталей на ней — на рис. 280.

Рис. 279. Вид на монтажную плату автомата

Рис. 280. Печатная плата (вид со стороны токонесущих проводников) и схема соединения деталей на ней

Размеры платы выбраны с таким расчетом, чтобы она вместе с батареей «Крона» или 7Д-0,1 разместилась в корпусе приемника, собираемого из набора деталей «Юность». Круглое отверстие в средней части платы предназначено для магнитной системы малогабаритной динамической головки мощностью 0,1–0,2 Вт (0,1ГД-6, 0,1ГД-12, 0,2ГД-1), укрепленной на лицевой панели корпуса, четыре овальных отверстия — для винтов крепления платы в корпусе. Все резисторы типа МЛТ-0,125 (можно МЛТ-0,25), электролитические конденсаторы К50-6, переменный резистор R19 с выключателем питания S1 — СПЗ-3В. Резисторы R6, R8, R9 и R10 смонтированы в вертикальном положении. Один из транзисторов сборки V3 (выводы 9-11) не используется.

В усилителе 3Ч и стабилизаторе напряжения можно использовать транзисторы серий МП39-МП42 (V6, V9, V5), МП37 или МП38 (V7, V8) и стабилитрон Д814А (V4). Транзисторные сборки 217НТ2 можно без каких-либо изменений в схеме или конструкции заменить на 217НТ1, 217НТЗ или на 243НТ1-3.

Вообще же вместо транзисторных сборок в музыкальном автомате можно использовать кремниевые n-р-n транзисторы серий КТ315, КТ312 с любым буквенным индексом. Но тогда размеры монтажной платы придется увеличить и, кроме того, переработать схему токонесущих печатных проводников, относящихся к мультивибраторам соловья.

Монтаж же может быть навесным (если нет фольгированного материала и хлорного железа для травления платы), да и конструкция в целом иной — все зависит от имеющихся деталей и того, как ты намерен использовать эту музыкальную игрушку. В таком случае и динамическая головка может быть мощнее, например 1ГД-40Р, чтобы повысить громкость звучания соловья.

Налаживание усилителя 3Ч тебе знакомо по ранее конструируемым бестрансформаторным усилителям с двухтактным выходным каскадом. Оно сводится к подбору резистора R28 таким образом, чтобы на эмиттерах транзисторов V8 и V9 выходного каскада было напряжение, равное половине напряжения источника питания. Проверить качество работы усилителя в целом можно путем воспроизведения грамзаписи, подключив звукосниматель параллельно резистору R22.

Налаживание основы соловья заключается в проверке работы мультивибраторов и корректировании его трелей. Оно осуществляется изменением частот генерируемых мультивибраторами импульсов путем подбора входящих в них конденсаторов, а в мультивибраторе на транзисторах V1.1 и V1.2 — подбором резисторов R2 и R3 в их базовых цепях.

Для контроля работы мультивибраторов используй вольтметр постоянного тока с относительным входным сопротивлением не менее 10 кОм/В, например вольтметр твоего миллиампервольтомметра или транзисторный вольтметр (о нем я расскажу в следующей беседе). По отклонению стрелки вольтметра от нулевой отметки можно ориентировочно судить о периоде и длительности импульсов, генерируемых мультивибраторами.

Перед включением питания на монтажной плате тремя временными проволочными перемычками соедини базу и эмиттер транзистора V2.4, эмиттеры транзисторов V1.4 и V2.1, а также эмиттеры транзисторов V1.1 и V1.2. Если мультивибратор на транзисторах V3.1 и V3.2 исправен, динамическая головка В1 должна воспроизводить звуковой сигнал высокого тона, соответствующий частоте 4–5 кГц.

После этого удали первую проволочную перемычку, соединяющую выводы 9 и 11 сборки V2 и проверь мультивибратор на транзисторах V2.3, V2.4. Если он исправен, то звук основного тона становится прерывистым с частотой около 5 Гц. При этом стрелка вольтметра, подключенного к коллектору транзистора V2.4 (вывод 10 сборки V2), должна пять раз в секунду отклониться от нулевой отметки шкалы.

Затем удали вторую проволочную перемычку (соединяющую вывод 11 сборки V1 с выводом 2 сборки V2) и проверь работоспособность мультивибратора на транзисторах V1.4 и V2.1. Вольтметр подключи к коллектору транзистора V1.4 (вывод 10 сборки V1) и подбором конденсаторов С3, С4 добивайся периода следования положительных импульсов около 1 с и длительности импульса 0,3 с. При этом динамическая головка в течение каждой секунды должна издавать звук, похожий на кудахтанье курицы: «куд-куд-куда-а», «куд-куд-куда-а» и т. д.

Далее проверяй мультивибратор на транзисторах V1.1 и V1.2, для чего вольтметр подключи к коллектору транзистора V1.1 (вывод 1 сборки V1). Здесь подбором сопротивлений резисторов R2, R3 и емкостей конденсаторов C1, С2 добивайся периода следования положительных импульсов 6–8 с при длительности импульса 2,5–3 с. После этого удали третью проволочную перемычку (соединяющую выводы 2 и 5 сборки V1) и, если необходимо, окончательно скорректируй основной тон трели подбором конденсаторов С7 и С8. Сопротивление резистора R2 должно составлять 120–130 кОм, а резистора R3 — 91-100 кОм.

Резистор R20, образующий с переменным резистором R19 нагрузку транзистора V3.3, подбирай в зависимости от примененной динамической головки. Его сопротивление должно быть таким, чтобы при наибольшей громкости звучания головки, когда движок резистора R19 находится в нижнем (по схеме) положении, усилитель 3Ч не перегружался и выходные транзисторы V8 и V9 не грелись.

Какие изменения можно внести в этот электронный автомат? Кроме замены транзисторных сборок (о чем я уже говорил) его можно упростить, исключив усилитель 3Ч. Для этого в коллекторную цепь транзистора V3.3 надо вместо резисторов R19 и R20 включить телефонный капсюль ДЭМ-4М или один из излучателей головного телефона. Но, разумеется, громкость трелей при этом значительно снизится.

Если такую музыкальную игрушку предполагаешь подарить сестре, брату или школьному товарищу, то придется подумать и о ее внешнем оформлении.

Вариантов может быть много. Например, можно оформить в виде музыкальной шкатулки, из которой при открывании крышки (в этот момент замыкаются замаскированные контакты выключателя питания) начинают звучать трели «соловья».

При использовании, «соловья» в качестве квартирного звонка, включать его можно с помощью реле времени, опыты с которым ты проводил в предыдущей беседе (см. рис. 259). Время, в течение которого соловей будет петь, будет зависеть от емкости времязадающего конденсатора реле времени. В таком случае устройство целесообразно питать от сети переменного тока через выпрямитель со стабилизатором выходного напряжения.

* * *

В этой беседе я познакомил тебя лишь с принципом работы и некоторыми видами использования мультивибраторов. Что же касается компоновки и монтажа деталей, габаритов и внешнего оформления конструкции, то с этими задачами, полагаю, ты справишься и без моей помощи. Ведь ты уже не новичок в таких делах. Были задачи и посложнее.

Более 800 000 книг и аудиокниг! 📚

Получи 2 месяца Литрес Подписки в подарок и наслаждайся неограниченным чтением

ПОЛУЧИТЬ ПОДАРОК