Беседа 5 ЭКСКУРСИЯ В ЭЛЕКТРОТЕХНИКУ

Рассказывая в предыдущих беседах об истории электро- и радиотехники, о сущности радиопередачи и работе приемника, я обходился лишь поверхностным объяснением тех или иных электрических явлений, прибегая к аналогиям, примерам. Да и твой приемник состоял всего из нескольких деталей.

Дальнейшее знакомство с радиотехникой, монтаж более сложных радиотехнических приборов и устройств потребуют более широких знаний электротехники и некоторых законов ее, умения рассчитывать хотя бы простые электрические цепи. Кроме того, тебе придется иметь дело с новыми, пока что незнакомыми деталями и приборами, устройство и принцип работы которых надо знать. Поэтому я предлагаю тебе в этой беседе совершить своеобразную «экскурсию» в электротехнику.

ЭЛЕКТРИЧЕСКИЙ ТОК И ЕГО ОЦЕНКА

До сих пор, характеризуя количественное значение электрического тока, я иногда пользовался такой терминологией, как, например, «малый ток», «большой ток». На первых порах такая оценка тока как-то устраивала тебя, но она совершенно непригодна для характеристики тока с точки зрения работы, которую он может выполнять.

Когда мы говорим о работе тока, под этим подразумеваем, что его энергия преобразуется в какой-либо иной вид энергии: тепло, свет, химическую или механическую энергию. Чем больше поток электронов, тем значительнее ток и его работа. Иногда говорят, «сила тока» или просто «ток». Таким образом, слово «ток» имеет два значения. Оно обозначает само явление движения электрических зарядов в проводнике, а также служит оценкой количества электричества, проходящего по проводнику.

Ток (или силу тока) оценивают числом электронов, проходящих по проводнику в течение 1 с. Чисто его огромно. Через нить накала горящей лампочки электрического карманного фонарика, например, ежесекундно проходит около 2 000 000 000 000 000 000 электронов. Вполне понятно, что характеризовать ток количеством электронов неудобно, так как пришлось бы иметь дело с очень большими числами. За единицу электрического тока принят ампер (сокращенно пишут А). Так ее назвали в честь французского физика и математика А. Ампера (1775–1836 гг.), изучавшего законы механического взаимодействия проводников с током и другие электрические явления. Ток 1 А — это ток такого значения, при котором через поперечное сечение проводника за 1 с проходит 6 250 000 000 000 000 000 электронов.

В математических выражениях ток обозначают латинской буквой I или i (читается «и»). Например, пишут: I = 2 А или i = 0,5 А.

Наряду с ампером применяют более мелкие единицы силы тока: миллиампер (пишут мА), равный 0,001 А, и микроампер (пишут мкА), равный 0,000001 А, или 0,001 мА. Следовательно 1 А равен 1000 мА или 1000000 мкА.

Приборы, служащие для измерения токов, называют соответственно амперметрами, миллиамперметрами, микроамперметрами. Их включают в электрическую цепь последовательно с потребителем тока. т. е. в разрыв внешней цепи (рис. 50).

Рис. 50. Амперметр (миллиамперметр, микроамперметр) включают в электрическую цепь последовательно с потребителем тока

На схемах эти приборы изображают кружками с присвоенными им буквами внутри: А (амперметр), mА (миллиамперметр) и μА (микроамперметр), а рядом пишут РА, что означает измеритель тока. Измерительный прибор рассчитан на ток не больше некоторого предельного для данного прибора. Прибор нельзя включать в цепь, в которой течет ток, превышающий это значение, иначе он может испортиться.

У тебя может возникнуть вопрос: как оценить переменный ток, направление и величина которого непрерывно изменяются? Переменный ток обычно оценивают по его действующему значению. Это такое значение тока, которое соответствует постоянному току, производящему такую же работу. Действующее значение переменного тока составляет примерно 0,7 амплитудного, т. е. максимального значения.

ЭЛЕКТРИЧЕСКОЕ СОПРОТИВЛЕНИЕ

Говоря о проводниках, мы имеем в виду вещества, материалы и прежде всего металлы, относительно хорошо проводящие ток. Однако не все вещества, называемые проводниками, одинаково хорошо проводят электрический ток, т. е. они, как говорят, обладают неодинаковой проводимостью тока. Объясняется это тем, что при своем движении свободные электроны сталкиваются с атомами и молекулами вещества, причем в одних веществах атомы и молекулы сильнее мешают движению электронов, а в других меньше. Говоря иными словами, одни вещества оказывают электрическому току большее сопротивление, а другие — меньшее. Из всех материалов, широко применяемых в электротехнике и радиотехнике, наименьшее сопротивление электрическому току оказывает медь. Поэтому-то электрические провода и делают чаще всего из меди. Еще меньшее сопротивление имеет серебро, но это очень дорогой металл. Железо, алюминий и разные металлические сплавы обладают большим сопротивлением, т. е. худшей электропроводимостью.

Сопротивление проводника зависит не только от свойств его материала, но и от размера самого проводника. Толстый проводник обладает меньшим сопротивлением, чем тонкий из такого же материала; короткий проводник имеет меньшее сопротивление, длинный большее, так же как широкая и короткая труба оказывает меньшее препятствие движению воды, чем тонкая и длинная. Кроме того, сопротивление металлического проводника зависит от его температуры: чем ниже температура проводника, тем меньше его сопротивление.

За единицу электрического сопротивления принят ом (пишут Ом) по имени немецкого физика Г. Ома. Сопротивление 1 Ом сравнительно небольшая электрическая величина. Такое сопротивление току оказывает» например, отрезок медного провода диаметром 0,15 мм и длиной 1 м. Сопротивление нити накала лампочки карманного электрического фонаря около 10 Ом, нагревательного элемента электроплитки — несколько десятков ом. В радиотехнике чаще приходится иметь дело с большими, чем ом или несколько десятков ом, сопротивлениями. Сопротивление высокоомного телефона, например, больше 2000 Ом; сопротивление полупроводникового диода, включенного в не пропускающем ток направлении, несколько сотен тысяч ом. Знаешь, какое сопротивление электрическому току оказывает твое тело? От 1 000 до 20 000 Ом. А сопротивление резисторов специальных деталей, о которых я буду еще говорить в этой беседе, могут быть до нескольких миллионов ом и больше. Эти детали, как ты уже знаешь (по рис. 33), на схемах обозначают в виде прямоугольников.

В математических формулах сопротивление обозначают латинской буквой R. Такую же букву ставят и возле графических обозначений резисторов на схемах.

Для выражения больших сопротивлений резисторов используют более крупные единицы: килоом (сокращенно пишут кОм), равный 1000 Ом, и мегаом (сокращенно пишут МОм), равный 1 000 000 Ом, или 1000 кОм.

Сопротивления проводников, электрических цепей, резисторов или других деталей измеряют специальными приборами, именуемыми омметрами. На схемах омметр обозначают кружком с греческой буквой Ω (омега) внутри.

ЭЛЕКТРИЧЕСКОЕ НАПРЯЖЕНИЕ

За единицу электрического напряжения, электродвижущей силы (ЭДС) принят вольт (в честь итальянского физика А. Вольта). В формулах напряжение обозначают латинской буквой U (читается «у»), а саму единицу напряжения — вольт — буквой В. Например, пишут: U = 4,5 В; U = 220 В. Единица вольт характеризует напряжение на концах проводника, участке электрической цепи или полюсах источника тока. Напряжение 1 В — это такая электрическая величина, которая в проводнике сопротивлением 1 Ом создает ток, равный 1 А.

Батарея 3336Л, предназначенная для плоского карманного электрического фонаря, как ты уже знаешь, состоит из трех элементов, соединенных последовательно. На этикетке батареи можно прочитать, что ее напряжение 4,5 В. Значит, напряжение каждого из элементов батареи 1,5 В. Напряжение батареи «Крона» 9 В, а напряжение электроосветительной сети может быть 127 или 220 В.

Напряжение измеряют вольтметром, подключая прибор одноименными зажимами к полюсам источника тока или параллельно участку цепи, резистору или другой нагрузке, на которой необходимо измерить действующее на ней напряжение (рис. 51).

Рис. 51. Вольтметр подключают параллельно нагрузке или источнику тока, питающего электрическую цепь

На схемах вольтметр обозначают латинской буквой U в кружке, а рядом — PU. Для оценки напряжения применяют и более крупную единицу киловольт (пишут кВ), соответствующую 1000 В, а также более мелкие единицы милливольт (пишут мВ), равный 0,001 В, и микровольт (пишут мкВ), равный 0,001 мВ. Эти напряжения измеряют соответственно киловольтметрами, милливольтметрами и микровольтметрами. Такие приборы, как и вольтметры, подключают параллельно источникам тока или участкам цепей, на которых надо измерить напряжение.

Выясним теперь, в чем разница понятий «напряжение» и «электродвижущая сила».

Электродвижущей силой называют напряжение, действующее между полюсами источника тока, пока к нему не подключена внешняя цепь — нагрузка, например лампочка накаливания или резистор. Как только будет подключена внешняя цепь и в ней возникнет ток, напряжение между полюсами источника тока станет меньше. Так, например, новый не бывший еще в употреблении гальванический элемент имеет ЭДС не менее 1,5 В. При подключении к нему нагрузки напряжение на его полюсах становится равным примерно 1,3–1,4 В.

По мере расходования энергии элемента на питание внешней цепи его напряжение постепенно уменьшается. Элемент считается разрядившимся и, следовательно, негодным для дальнейшего применения, когда напряжение снижается до 0,7 В, хотя, если отключить внешнюю цепь, его ЭДС будет больше этого напряжения.

А как оценивают переменное напряжение? Когда говорят о переменном напряжении, например о напряжении электроосветительной сети, то имеют в виду его действующее значение, составляющее примерно, как и действующее значение переменного тока, 0,7 амплитудного значения напряжения.

ЗАКОН ОМА

На рис. 52 показана схема знакомой тебе простейшей электрической цепи. Эта замкнутая цепь состоит из трех элементов: источника напряжения — батареи GB, потребителя тока — нагрузки R, которой может быть, например, нить накала электрической лампы или резистор, и проводников, соединяющих источник напряжения с нагрузкой. Между прочим, если эту цепь дополнить выключателем, то получится полная схема карманного электрического фонаря.

Рис. 52. Простейшая электрическая цепь

Нагрузка R, обладающая определенным сопротивлением, является участком цепи. Значение тока на этом участке цепи зависит от действующего на нем напряжения и его сопротивления: чем больше напряжение и меньше сопротивление, тем большим ток будет идти по участку цепи. Эта зависимость тока от напряжения и сопротивления выражается следующей формулой:

I = U/R,

где I — ток, выраженный в амперах. А; U — напряжение в вольтах, В; R — сопротивление в омах, Ом. Читается это математическое выражение так: ток в участке цепи прямо пропорционален напряжению на нем и обратно пропорционален его сопротивлению. Это основной закон электротехники, именуемый законом Ома (по фамилии Г. Ома), для участка электрической цепи.

Закон Ома можно записать еще так:

U = IR или R = U/I.

Используя закон Ома, можно по двум известным электрическим величинам узнать неизвестную третью. Вот несколько примеров практического применения закона Ома.

Первый пример. На участке цели, обладающем сопротивлением 5 Ом, действует напряжение 25 В. Надо узнать значение тока на этом участке цепи.

Решение:

I = U/R = 25/5 = 5 А.

Второй пример. На участке цепи действует напряжение 12 В, создавая в нем ток, равный 20 мА. Каково сопротивление этого участка цепи?

Прежде всего ток 20 мА нужно выразить в амперах. Это будет 0,02 А. Тогда RU/I = 12/0,02 = 600 Ом.

Третий пример. Через участок цепи сопротивлением 10 кОм течет ток 20 мА. Каково напряжение, действующее на этом участке цепи?

Здесь, как и в предыдущем примере, ток должен быть выражен в амперах (20 мА = 0,02 А), а сопротивление в омах (10 кОм = 10000 Ом). Следовательно, U = IR = 0,02·10000 = 200 В.

На цоколе лампы накаливания плоского карманного фонаря выштамповано: 0,28 А и 3,5 В. О чем говорят эти сведения? О том, что лампочка будет нормально светиться при токе 0,28 А, который обусловливается напряжением 3,5 В. Пользуясь законом Ома, нетрудно подсчитать, что накаленная нить лампочки имеет сопротивление RU/I = 3,5/0,28 = 12,5 Ом.

Это, подчеркиваю, сопротивление накаленной нити лампочки. А сопротивление остывшей нити значительно меньше.

Закон Ома справедлив не только для участка, но и для всей электрической цепи. В этом случае в значение R подставляется суммарное сопротивление всех элементов цепи, в том числе и внутреннее сопротивление источника тока. Однако при простейших расчетах цепей обычно пренебрегают сопротивлением соединительных проводников и внутренним сопротивлением источника тока.

В связи с этим приведу еще один пример. Напряжение электроосветительной сети 220 В. Какой ток потечет в цепи, если сопротивление нагрузки равно 1000 0 м? Решение: I = U/R = 220/1000 = 0,22 А. Примерно такой ток потребляет электрический паяльник.

Всеми этими формулами, вытекающими из закона Ома, можно пользоваться и для расчета цепей переменного тока, но при условии, если в цепях нет катушек индуктивности и конденсаторов.

Теперь рассмотрим такой вопрос: как влияет на ток резистор, включаемый в цепь последовательно с нагрузкой или параллельно ей?

Разберем такой пример. У нас имеется лампочка от круглого электрического фонаря, рассчитанная на напряжение 2,5 В и ток 0,075 А. Можно ли питать эту лампочку от батареи 3336Л, начальное напряжение которой 4,5 В? Нетрудно подсчитать, что накаленная нить этой лампочки имеет сопротивление немногим больше 30 Ом. Если же питать ее от свежей батареи 3336Л, то через нить накала лампочки, по закону Ома, пойдет ток, почти вдвое превышающий тот ток, на который она рассчитана. Такой перегрузки нить не выдержит, она перекалится и разрушится. Но эту лампочку все же можно питать от батареи 3336Л, если последовательно в цепь включить добавочный резистор сопротивлением 25 Ом, как это показано на рис. 53.

Рис. 53. Добавочный резистор, включенный в цепь, ограничивает ток в этой цепи

В этом случае общее сопротивление внешней цепи будет равно примерно 55 Ом, т. е. 30 Ом — сопротивление нити лампочки Н плюс 25 Ом — сопротивление добавочного резистора R. В цепи, следовательно, потечет ток, равный примерно 0,08 А, т. е. почти такой же, на который рассчитана нить накала лампочки. Эту лампочку можно питать от батареи и с более высоким напряжением и даже от электроосветительной сети, если подобрать резистор соответствующего сопротивления.

В этом примере добавочный резистор ограничивает ток в цепи до нужного нам значения. Чем больше будет его сопротивление, тем меньше будет и ток в цепи. В данном случае в цепь было включено последовательно два сопротивления: сопротивление нити лампочки и сопротивление резистора. А при последовательном соединении сопротивлений ток одинаков во всех точках цепи.

Можно включать амперметр в любую точку цени, и всюду он будет показывать одно значение. Это явление можно сравнить с потоком воды в реке. Русло реки на различных участках может быть широким или узким, глубоким или мелким. Однако за определенный промежуток времени через поперечное сечение любого участка русла реки всегда проходит одинаковое количество воды. Добавочный резистор, включаемый в цепь последовательно с нагрузкой (как, например, на рис. 53), можно рассматривать как резистор, «гасящий» часть напряжения, действующего в цепи.

Напряжение, которое гасится добавочным резистором или, как говорят, падает на нем, будет тем большим, чем больше сопротивление этого резистора. Зная ток и сопротивление добавочного резистора, падение напряжения на нем легко подсчитать по знакомой тебе формуле U = IR. Здесь U — падение напряжения, В; I — ток в цепи, A; R — сопротивление добавочного резистора, Ом.

Применительно к нашему примеру резистор R (рис. 53) погасил избыток напряжения: U — IR = 0,08·25 = 2 В. Остальное напряжение батареи, равное приблизительно 2,5 В, падало на нити лампочки.

Необходимое сопротивление резистора можно найти по другой знакомой тебе формуле R = U/I, где R — искомое сопротивление добавочного резистора, Ом; U — напряжение, которое необходимо погасить, В; I — ток в цепи, А. Для нашего примера (рис. 53) сопротивление добавочного резистора равно: R = U/I = 2/0,075 ~= 27 Ом. Изменяя сопротивление, можно уменьшать или увеличивать напряжение, которое падает на добавочном резисторе, и таким образом регулировать ток в цепи. Но добавочный резистор R в такой цепи может быть переменным, т. е. резистором, сопротивление которого можно изменять (рис. 54). В этом случае с помощью движка резистора можно плавно изменять напряжение, подводимое к нагрузке Н, а значит, плавно регулировать ток, протекающий через эту нагрузку. Включенный таким образом переменный резистор называют реостатом. С помощью реостатов регулируют токи в цепях приемников и усилителей. Во многих кинотеатрах реостаты используют для плавного гашения света в зрительном зале.

Рис. 54. Регулирование тока в цепи помощью резистора

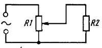
Есть, однако, и другой способ подключения нагрузки к источнику тока с избыточным напряжением — тоже с помощью переменного резистора, но включенного потенциометром, т. е. делителем напряжения, как показано на рис. 55. Здесь R1 — резистор, включенный потенциометром, a R2 — нагрузка, которой может быть та же лампочка накаливания или какой-то другой прибор.

Рис. 55. Регулирование напряжения на нагрузке R2 цепи с помощью переменного резистора R1

На резисторе R1 происходит падение напряжения источника тока, которое частично или полностью может быть подано к нагрузке R2. Когда движок резистора находится в крайнем нижнем положении, к нагрузке напряжение вообще не подается (если это лампочка, она гореть не будет). По мере перемещения движка резистора вверх мы будем подавать все большее напряжение к нагрузке R2 (если это лампочка, ее нить будет накаливаться). Когда же движок резистора R1 окажется в крайнем верхнем положении, к нагрузке R2 будет подано все напряжение источника тока (если R2 — лампочка карманного фонаря, а напряжение источника тока большое, нить лампочки перегорит). Можно опытным путем найти такое положение движка переменного резистора, при котором к нагрузке будет подано необходимое ей напряжение.

Переменные резисторы, включаемые потенциометрами, широко используют для регулирования громкости в приемниках и усилителях 3Ч. Резистор может быть непосредственно подключен параллельно нагрузке. В таком случае ток на этом участке цепи разветвляется и идет двумя параллельными путями: через добавочный резистор и основную нагрузку. Наибольший ток будет в ветви с наименьшим сопротивлением. Сумма же токов обеих ветвей будет равна току, расходуемому на питание внешней цепи.

К параллельному соединению прибегают в тех случаях, когда надо ограничить ток не во всей цепи, как при последовательном включении добавочного резистора, а только в каком-то участке ее. Добавочные резисторы подключают, например, параллельно миллиамперметрам, чтобы ими можно было измерять большие токи. Такие резисторы называют шунтирующими или шунтами. Слово шунт означает «ответвление».

ИНДУКТИВНОЕ СОПРОТИВЛЕНИЕ

В цепи переменного тока на значение тока влияет не только сопротивление проводника, включенного в цепь, но и его индуктивность. Поэтому в цепях переменного тока различают так называемое омическое или активное сопротивление, определяемое свойствами материала проводника, и индуктивное сопротивление, определяемое индуктивностью проводника. Прямой проводник обладает сравнительно небольшой индуктивностью. Но если этот проводник свернуть в катушку, его индуктивность увеличится. При этом увеличится и сопротивление, оказываемое им переменному току, — ток в цепи уменьшится. С увеличением частоты тока индуктивное сопротивление катушки тоже увеличивается.

Запомни: сопротивление катушки индуктивности переменному току возрастает с увеличением ее индуктивности и частоты проходящего по ней тока.

Это свойство катушки используют в различных цепях приемников, когда требуется ограничить ток высокой частоты или выделить колебания высокой частоты, в выпрямителях переменного тока и во многих других случаях, с которыми тебе придется постоянно сталкиваться на практике.

Единицей индуктивности является генри (Гн). Индуктивностью 1 Гн обладает такая катушка, у которой при изменении тока в ней на 1 А в течение 1 с развивается ЭДС самоиндукции, равная 1 В. Этой единицей пользуются для определения индуктивности катушек, которые включают в цепи токов звуковой частоты. Индуктивность катушек, используемых в колебательных контурах, измеряют в тысячных долях генри, называемых миллигенри (мГн), или еще в тысячу раз меньшей единицей — микрогенри (мкГн).

МОЩНОСТЬ И РАБОТА ТОКА

На нагрев нити накала электрической или электронной лампы, электропаяльника, электроплитки или иного прибора затрачивается некоторое количество электроэнергии. Эту энергию, отдаваемую источником тока (или получаемую от него нагрузкой) в течение 1 с, называют мощностью тока. За единицу мощности тока принят ватт (Вт). Ватт — это мощность, которую развивает постоянный ток 1 А при напряжении 1 В. В формулах мощность тока обозначают латинской буквой Р (читается «пэ»). Электрическую мощность в ваттах получают умножением напряжения в вольтах на ток в амперах, т. е. P = U·I.

Если, например, источник постоянного тока напряжением 4,5 В создает в цепи ток 0,1 А, то мощность тока будет: Р = U·I = 4,5·0,1 = 0,45 Вт. Пользуясь этой формулой, можно, например, подсчитать мощность, потребляемую лампочкой плоского карманного фонаря, если 3,5 В умножить на 0,28 А. Получим около 1 Вт.

Изменив эту формулу так: I = P/U, можно узнать ток, протекающий через электрический прибор, если известны потребляемая им мощность и подводимое к нему напряжение. Каков, например, ток, идущий через электрический паяльник, если известно, что при напряжении 220 В он потребляет мощность 40 Вт?

I = P/U = 40/220 ~= 0,18 А.

Если известны ток и сопротивление цепи, но неизвестно напряжение, мощность можно подсчитать по такой формуле: Р = I2R. Когда же известны напряжение, действующее в цепи, и сопротивление этой цени, то для подсчета мощности используют такую формулу:

Р = U2/R.

Но ватт — сравнительно небольшая единица мощности. Когда приходится иметь дело с электрическими устройствами, приборами или машинами, потребляющими токи в десятки, сотни ампер, используют единицу мощности киловатт (пишут кВт), равную 1000 Вт. Мощности электродвигателей заводских станков, например, могут составлять от нескольких единиц до десятков киловатт.

Количественный расход электроэнергии оценивают ватт-секундой, характеризующей единицу энергии — джоуль. Расход электроэнергии определяют умножением мощности, потребляемой прибором, на время его работы в секундах. Если, например, лампочка плоского электрического фонарика (ее мощность, как ты уже знаешь, около 1 Вт) горела 25 с, значит, расход энергии составил 25 ватт·секунд. Однако ватт·секунда — величина очень малая. Поэтому на практике используют более крупные единицы расхода электроэнергии: ватт·час, гектоватт·час и киловатт·час. Чтобы расход энергии был выражен в ватт·часах или киловатт·часах, нужно соответственно мощность в ваттах или киловаттах умножить на время в часах.

Если, например, прибор потребляет мощность 0,5 кВт в течение 2 ч, то расход энергии составит 0,5·2 = 1 кВт·ч; 1 кВт·ч энергии будет также израсходован, если цепь будет потреблять (или расходовать) мощность 2 кВт в течение получаса, 4 кВт в течение четверти часа и т. д. Электрический счетчик, установленный в доме или квартире, где ты живешь, учитывает расход электроэнергии в киловатт·часах. Умножив показания счетчика на стоимость 1 кВт·ч (4 коп.), ты узнаешь, на какую сумму израсходовано энергии за неделю, месяц.

При работе с гальваническими элементами или батареями говорят об их электрической емкости в ампер·часах, которая выражается произведением значения разрядного тока на длительность работы в часах. Начальная емкость батареи 3336Л, например 0,5 А·ч. Подсчитай: сколько времени будет батарея непрерывно работать, если разряжать ее током 0,28 А (ток лампочки фонаря)? Примерно один и три четверти часа. Если же эту батарею разряжать более интенсивно, например, током 0,5 А, она будет работать меньше 1 ч. Таким образом, зная емкость гальванического элемента или батареи и токи, потребляемые их нагрузками, можно подсчитать примерное время, в течение которого будут работать эти химические источники тока.

Начальная емкость, а также рекомендуемый разрядный ток или сопротивление внешней цепи, определяющее разрядный ток элемента или батареи, указывают иногда на их этикетках или в справочной литературе.

ТРАНСФОРМАЦИЯ ПЕРЕМЕННОГО ТОКА

Переменный ток выгодно отличается от постоянного тока тем, что он хорошо поддается трансформированию, т. е. преобразованию тока относительно высокого напряжения в ток более низкого напряжения, или наоборот. Трансформаторы позволяют передавать переменный ток по проводам на большие расстояния с малыми потерями энергии. Для этого переменное напряжение, вырабатываемое на электростанциях генераторами, с помощью трансформаторов повышают до напряжения в несколько сотен тысяч вольт и «посылают» по линиям электропередачи (ЛЭП) в различных направлениях. С повышением напряжения уменьшается сила тока в ЛЭП при одной и той же передаваемой мощности, что и приводит к снижению потерь и позволяет применять провода меньшего сечения. В городах и селах на расстоянии сотен и тысяч километров от электростанций это напряжение понижают трансформаторами до более низкого, которым и питают лампочки освещения, электродвигатели и другие электрические приборы.

Трансформаторы широко применяют и в радиотехнике.

Схематическое устройство простейшего трансформатора показано на рис. 56. Он состоит из двух катушек из изолированного провода, называемых обмотками? насаженных на магнитопровод, собранный из пластин специальной, так называемой трансформаторной стали. Обмотки трансформатора изображают на схемах так же, как катушки индуктивности, а магнитопровод — линией между ними.

Рис. 56. Трансформатор с магнитопроводом из стали:

а — устройство в упрощенном виде; б — схематическое изображение

Действие трансформатора основано на явлении электромагнитной индукции. Переменный ток, текущий по одной из обмоток трансформатора, создает вокруг нее и в магнитопроводе переменное магнитное поле. Это поле пересекает витки другой обмотки трансформатора, индуцируя в ней переменное напряжение той же частоты. Если к этой обмотке подключить какую-либо нагрузку, например лампу накаливания, то в получившейся замкнутой цепи потечет переменный ток — лампа станет гореть.

Обмотку, к которой подводится переменное напряжение, предназначаемое для трансформирования, называют первичной, а обмотку, в которой индуцируется переменное напряжение — вторичной.

Напряжение, которое получается на концах вторичной обмотки, зависит от соотношения чисел витков в обмотках. При одинаковом числе витков напряжение на вторичной обмотке приблизительно равно напряжению, подведенному к первичной обмотке. Если вторичная обмотка трансформатора содержит меньшее число витков, чем первичная, то и напряжение ее меньше, чем напряжение, подводимое к первичной обмотке. И наоборот, если вторичная обмотка содержит больше витков, чем первичная, то развиваемое в ней напряжение будет больше напряжения, подводимого к первичной обмотке. В первом случае трансформатор будет понижать, во втором повышать переменное напряжение.

Напряжение, индуцируемое во вторичной обмотке, можно довольно точно подсчитать по отношению чисел витков обмоток трансформатора: во сколько раз она имеет большее (или меньшее) число витков по сравнению с числом витков первичной обмотки, во столько же раз напряжение на ней будет больше (или меньше) по сравнению с напряжением, подводимым к первичной обмотке. Так, например, если одна обмотка трансформатора имеет 1000 витков, а вторая 2000 витков, то, включив первую обмотку в сеть переменного тока с напряжением 220 В, мы получим во второй обмотке напряжение 440 В — это повышающий трансформатор. Если же напряжение 220 В подвести к обмотке, имеющей 2000 витков, то в обмотке, содержащей 1000 витков, мы получим напряжение 110 В — это понижающий трансформатор. Обмотка, имеющая 2000 витков, в первом случае будет вторичной, а во втором случае — первичной.

Но, пользуясь трансформатором, ты не должен забывать о том, что мощность тока (Р = U·I), которую можно получить в цепи вторичной обмотки, никогда не превышает мощности тока первичной обмотки. Это значит, что получить от вторичной обмотки одну и ту же мощность можно, повышая напряжение и уменьшая ток, либо потребляя от нее пониженное напряжение при увеличенном токе. Следовательно, повышая напряжение мы проигрываем в значении тока, а выигрывая в значении тока, обязательно проигрываем в напряжении.

Для питания радиоаппаратуры от сети переменного тока часто используют трансформаторы с несколькими вторичными обмотками с различным числом витков. С помощью таких трансформаторов, называемых сетевыми, или трансформаторами питания, получают несколько напряжений, питающих разные цепи.

Наибольшая мощность тока, которая может быть трансформирована, зависит от размера магнитопровода трансформатора и диаметра провода, из которого выполнены обмотки. Чем больше объем магнитопровода, тем большая мощность тока может быть трансформирована. Практически же в трансформаторе всегда бесполезно теряется часть мощности. Поэтому мощность в цепи вторичной обмотки (или сумма мощностей, получаемых от всех вторичных обмоток) всегда несколько меньше мощности, потребляемой первичной обмоткой.

Но запомни: трансформаторы постоянный ток не трансформируют.

Если, однако, в первичной обмотке трансформатора течет пульсирующий ток, то во вторичной обмотке будет индуцироваться переменное напряжение, частота которого равна частоте пульсаций тока в первичной обмотке. Это свойство трансформатора используется для индуктивной связи между разными цепями, разделения пульсирующего тока на его составляющие и ряда других целей, о которых разговор будет впереди.

Все трансформаторы со стальными магнитопроводами и магнитопроводами из железоникелевых сплавов (пермаллоя) называют низкочастотными трансформаторами, так как они пригодны только для преобразования переменного напряжения низкочастотного диапазона. На схемах низкочастотные трансформаторы обозначают буквой Т, а их обмотки римскими цифрами.

Принцип действия высокочастотных трансформаторов, предназначаемых для трансформации колебаний высокой частоты, также основан на электромагнитной индукции. Они могут быть как с сердечниками, так и без сердечников. Их обмотки (катушки) располагают на одном или разных каркасах, но обязательно близко одну к другой (рис. 57).

Рис. 57. Высокочастотные трансформаторы без сердечников (слева катушки трансформатора с общим каркасом; справа — катушки трансформатора на отдельных каркасах; в центре обозначение на схемах)

При появлении тока высокой частоты в одной из катушек вокруг нее возникает быстропеременное магнитное поле, которое индуцирует во второй катушке напряжение такой же частоты. Как и в низкочастотных трансформаторах, напряжение во вторичной катушке зависит от соотношения чисел витков в катушках.

Для усиления связи между катушками в высокочастотных трансформаторах используют сердечники в виде стержней или колец (рис. 58), представляющие собой спрессованную массу из неметаллических материалов. Их называют магнитодиэлектрическими или высокочастотными сердечниками.

Рис 58. Высокочастотные трансформаторы с магнитодиэлектрическими сердечниками (слева — со стержневым, справа с кольцевым (тороидальным) сердечником)

Наиболее распространены ферритовые сердечники С одним из таких сердечников ферритовым стержнем — ты уже имел дело во второй беседе. Ферритовый сердечник не только усиливает связь между катушками, но и повышает их индуктивность, поэтому они могут иметь меньше витков по сравнению с катушками трансформатора без сердечника.

Магнитодиэлектрический сердечник высокочастотного трансформатора независимо от его конструкции и формы обозначают на схемах так же, как магнитопровод низкочастотного трансформатора, — прямой линией между катушками, а обмотки, как и катушки индуктивности, — латинскими буквами L.

РЕЗИСТОРЫ

Это детали, пожалуй, наиболее многочисленны в приемниках и усилителях. В транзисторном приемнике средней сложности, например, их может быть 20–25 штук. Используют же их для ограничения тока в цепях, для создания на отдельных участках цепей падений напряжений, для разделения пульсирующего тока на его составляющие, для регулирования громкости, тембра звука и т. д.

Для резисторов сравнительно небольших сопротивлений, рассчитанных на токи в несколько десятков миллиампер, используют тонкую проволоку из никелина, нихрома и некоторых других металлических сплавов. Это проволочные резисторы. Для резисторов больших сопротивлений, рассчитанных на сравнительно небольшие токи, используют различные сплавы металлов и углерод, которые тонкими слоями наносят на изоляционные материалы. Эти резисторы называют непроволочными резисторами.

Как проволочные, так и непроволочные резисторы могут быть постоянными, т. е. с неизменными сопротивлениями, и переменными, сопротивления которых в процессе работы можно изменять от некоторых минимальных до их максимальных значений.

Основные характеристики резистора: номинальное, т. е. указанное на его корпусе сопротивление, номинальная мощность рассеяния и наибольшее возможное отклонение действительного сопротивления от номинального. Мощностью рассеяния называют ту наибольшую мощность тока, которую резистор может длительное время выдерживать и рассеивать в виде тепла без ущерба для его работы. Если, например, через резистор сопротивлением 100 Ом течет ток 0,1 А, то он рассеивает мощность 1 Вт. Если резистор не рассчитан на такую мощность, то он может быстро сгореть. Номинальная мощность рассеяния — это, по существу, характеристика электрической прочности резистора.

Наша промышленность выпускает постоянные и переменные резисторы разных конструкций и номиналов: от нескольких ом до десятков и сотен мегаом. Из постоянных наиболее распространены металлопленочные резисторы MЛT (Металлизованные Лакированные Теплостойкие). Конструкция резистора этого типа показана в несколько увеличенном виде на рис. 59, а. Его основой служит керамическая трубка, на поверхность которой нанесен слой специального сплава, образующего токопроводящую пленку толщиной 0,1 мкм. У высокоомных резисторов этот слой может иметь форму спирала. На концы стержня с токопроводящим покрытием напрессованы металлические колпачки, к которым приварены контактные выводы резистора. Сверху корпус резистора покрыт влагостойкой цветной эмалью.

Резисторы MЛT изготовляют на мощности рассеяния 2, 1, 0,5, 0,25 и 0.125 Вт. Их обозначают соответственно: MЛT-2, МЛТ-1, МЛТ-0,5, МЛТ-0,25 и МЛТ-0,125. Внешний вид этих резисторов и условные изображения мощностей рассеяния на принципиальных схемах показаны на рис. 59, б и в. Со временем ты научишься распознавать мощности рассеяния резисторов по их внешнему виду.

Рис. 59. Постоянные резисторы

Наибольшее возможное отклонение действительного сопротивления резистора от номинального выражают в процентах. Если, например, номинал резистора 100 кОм с допуском ±10 %, это значит, что его фактическое сопротивление может быть от 90 до 110 кОм. Номиналы постоянных резисторов, выпускаемых нашей промышленностью, указаны в приложении 3, помещенном в конце книги. Таблица этого приложения будет твоим справочным листком. Она подскажет тебе, резисторы каких номиналов и допусков можно искать в магазинах или у товарищей.

Переменный непроволочный резистор устроен так (на рис. 60 резистор СП-1 показан без защитной крышки): к круглому пластмассовому основанию приклеена дужка из гетинакса, покрытая тонким слоем сажи, перемешанной с лаком. Этот слой, обладающий сопротивлением, и является собственно резистором.

Рис. 60. Конструкции и графическое изображение переменных резисторов на схемах

От обоих концов слоя сделаны выводы. В центр основания впрессована втулка. В ней вращается ось, а вместе с осью фигурная гетинаксовая пластинка. На внешнем конце пластинки укреплена токосъемная щетка (ползунок) из нескольких пружинящих проволочек, которая соединена со средним выводным лепестком. При вращении оси щетка перемещается по слою сажи на дужке, вследствие чего изменяется сопротивление между средним и крайними выводами. Сверху резистор закрыт металлической крышкой, предохраняющей его от повреждений.

Так или примерно так устроены почти все переменные резисторы, в том числе типов СП (Сопротивление Переменное), СПО (Сопротивление Переменное Объемное) и ВК. Резисторы ТК отличаются от резисторов ВК только тем, что на их крышках смонтированы выключатели, используемые для включения источников питания. Принципиально так же устроены и малогабаритные дисковые переменные резисторы, например типа СПЗ-3в.

Переменные непроволочные резисторы изготовляют с номинальными сопротивлениями, начиная с 47 Ом, с допусками отклонения от номинала ±20, 25 и 30 %.

На принципиальных схемах, чтобы не загромождать их, используют систему сокращенных обозначений сопротивлений резисторов, при которой наименования единиц их сопротивлений (Ом, кОм, МОм) при числах не ставят. Такая система обозначения номинальных сопротивлений резисторов применена и в этой книге.

Сопротивления резисторов от 1 до 999 Ом обозначают на принципиальных схемах целыми числами, соответствующими омам, а сопротивления резисторов от 1 до 999 кОм — цифрами, указывающими число килоом, с буквой «к». Большие сопротивления резисторов указывают в мегаомах с буквой «М». Вот несколько примеров обозначения сопротивлений резисторов на схемах: R1 = 270 соответствует 270 Ом; R2 = 6,8 к — 6800 Ом; R3 = 56 к — 56 кОм (56 000 Ом); R4 = 220 к — 220 кОм (0,22 МОм); R5 = 1,5 М — 1,5 МОм.

Сразу же сделаю оговорку: для подавляющего большинства радиолюбительских конструкций без ущерба для их работы допустимо отклонение от указанных на схемах номиналов резисторов в пределах до ±10–15 %. Это значит, что резистор сопротивлением, например, 5,1 кОм может быть заменен резистором ближайшего к нему номинала, т. е. резистором с номиналом 4,7 или 5,6 кОм.

Представь себе такой случай. Тебе нужен резистор определенного сопротивления. А у тебя нет такого, но есть резисторы других номиналов. Можно ли из них составить резистор нужного сопротивления? Можно, конечно, если знать элементарный расчет последовательного и параллельного соединений сопротивлений электрических цепей и резисторов. При последовательном соединении резисторов (рис. 61, а) их общее сопротивление Rобщ равно сумме сопротивлений всех соединенных в эту цепочку резисторов, т. е.

RобщR1 + R2 + R3 и т. д.

Так, например, если R1 = 15 кОм и R2 = 33 кОм, то их общее сопротивление Rобщ = 15 + 33 = 48 кОм (ближайшие номиналы 47 и 51 кОм).

При параллельном соединении резисторов (рис. 61, б), их общее сопротивление Rобщ уменьшается и всегда меньше сопротивления каждого отдельно взятого резистора.

Рис. 61. Последовательное (а) и параллельное (б) соединения резисторов

Результирующее сопротивление цепи из параллельно соединенных резисторов рассчитывают по такой формуле:

Rобщ = R1R2/(R1 + R2).

Допустим, что R1 = 20 кОм, a R2 = 30 кОм. Общее сопротивление участка цепи, состоящей из этих двух резисторов, равно:

Rобщ = R1·R2/(R1 + R2) = 20·30/(20 + 30) = 12 кОм.

Когда параллельно соединяют два резистора с одинаковыми номиналами, их общее сопротивление равно половине сопротивления каждого из них.

КОНДЕНСАТОРЫ

Конденсаторы, как и резисторы, относятся к наиболее многочисленным элементам радиотехнических устройств. О некоторых свойствах конденсатора — «накопителя» электрических зарядов — я тебе уже рассказывал. Тогда же говорил, что емкость конденсатора будет тем значительнее, чем больше площадь его обкладок и чем тоньше слой диэлектрика между ними.

Основной единицей электрической емкости является фарада (сокращенно Ф, названная так в честь английского физика М. Фарадея. Однако 1 Ф — это очень большая емкость. Земной шар, например, обладает емкостью меньше 1 Ф. В электро- и радиотехнике пользуются единицей емкости, равной миллионной доле фарады, которую называют микрофарадой (сокращенно мкФ). В одной фараде 1 000 000 мкФ, т. е. 1 мкФ = 0,000001 Ф. Но и эта единица емкости часто оказывается слишком большой. Поэтому существует еще более мелкая единица емкости, именуемая пикофарадой (сокращенно пФ), представляющая собой миллионную долю микрофарады, т. е. 0,000001 мкФ; 1 мкФ = 1000000 пФ. Все конденсаторы, будь то постоянные или переменные, характеризуются прежде всего их емкостями, выраженными соответственно в пикофарадах, микрофарадах.

На принципиальных схемах емкость конденсаторов от 1 до 9999 пФ указывают целыми числами, соответствующими их емкостям в этих единицах без обозначения пФ, а емкость конденсаторов от 0,01 мкФ (10000 пФ) и больше — в долях микрофарады или микрофарадах без обозначения мкФ. Если емкость конденсатора равна целому числу микрофарад, то в отличие от обозначения емкости в пикофарадах после последней значащей цифры ставят запятую и нуль.

Примеры обозначения емкостей конденсаторов на схемах: С1 = 47 соответствует 47 пФ, С2 = 3300 соответствует 3300 пФ; С3 = 0,47 соответствует 0,047 мкФ (47000 пФ); С4 = 0,1 соответствует 0,1 мкФ; С5 = 20,0 соответствует 20 мкФ.

Ты уже знаешь, что конденсатор в простейшем виде представляет собой две пластинки, разделенные диэлектриком. Если конденсатор включить в цепь постоянного тока, то ток в этой цепи прекратится. Да это и понятно: через изолятор, которым является диэлектрик конденсатора, постоянный ток течь не может. Включение конденсатора в цепь постоянного тока равнозначно разрыву ее (мы не принимаем во внимание момент включения, когда в цепи появляется кратковременный ток зарядки конденсатора). Иначе ведет себя конденсатор в цепи переменного тока. Вспомни: полярность напряжения на зажимах источника переменного тока периодически меняется. Значит, если включить конденсатор в цепь, питаемую от такого источника тока, его обкладки будут попеременно перезаряжаться с частотой этого тока. В результате в цепи будет протекать переменный ток.

Конденсатор подобно резистору и катушке оказывает переменному току сопротивление, но разное для токов различных частот. Он может хорошо пропускать токи высокой частоты и одновременно быть почти изолятором для токов низкой частоты. Радиолюбители, например, иногда вместо наружных антенн используют провода электроосветительной сети, подключая приемники к ним через конденсатор емкостью 220–510 пФ. Случайно ли выбрана такая емкость конденсатора? Нет, не случайно. Конденсатор такой емкости хорошо пропускает токи высокой частоты, необходимые для работы приемника, но оказывает большое сопротивление переменному току частотой 50 Гц, текущему в сети. В этом случае конденсатор становится своеобразным фильтром, пропускающим ток высокой частоты и задерживающим ток низкой частоты.

Емкостное сопротивление конденсатора переменному току зависит от его емкости и частоты тока: чем больше емкость конденсатора и частота тока, тем меньше его емкостное сопротивление. Это сопротивление конденсатора можно с достаточной точностью определить по такой упрощенной формуле:

RC = 1/6fC

где RC — емкостное сопротивление конденсатора, Ом; f — частота тока, Гц; С — емкость данного конденсатора, Ф; цифра 6 — округленное до целых единиц значение 2π (точнее 6,28, так как π = 3,14).

Пользуясь этой формулой, давай узнаем, как ведет себя конденсатор по отношению к переменным токам, если использовать провода электросети в качестве антенны. Допустим, что емкость этого конденсатора 500 пФ (500 пФ = 0,0000000005 Ф). Частота тока электросети 50 Гц. За среднюю несущую частоту радиостанции примем 1 МГц (1 000 000 Гц), что соответствует волне длиной 300 м. Какое сопротивление оказывает этот конденсатор радиочастоте?

Rc = = 1/(6·1000000·0,0000000005) ~=300 Ом.

А переменному току электросети?

Rc = 1/(6·50·0,0000000005) ~= 7 МОм.

И вот результат: конденсатор емкостью 500 пФ оказывает току высокой частоты в 20000 раз меньшее сопротивление, чем току низкой частоты. Убедительно? Конденсатор меньшей емкости оказывает переменному току сети еще большее сопротивление.

Запомни: емкостное сопротивление конденсатора переменному току уменьшается с увеличением его емкости и частоты тока, и наоборот, увеличивается с уменьшением его емкости и частоты тока.

Свойство конденсатора не пропускать постоянный ток и проводить по-разному переменные токи различных частот используют для разделения пульсирующих токов на их составляющие, задержания токов одних частот и пропускания токов других частот. Этим свойством конденсаторов ты будешь часто пользоваться в своих конструкциях.

Как устроены конденсаторы постоянной емкости?

Все конденсаторы постоянной емкости имеют токопроводящие обкладки, а между ними — керамика, слюда, бумага или какой-либо другой твердый диэлектрик. По виду используемого диэлектрика конденсаторы называют соответственно керамическими, слюдяными, бумажными. Внешний вид некоторых керамических конденсаторов постоянной емкости показан на рис. 62

Рис. 62. Керамические конденсаторы постоянной емкости

У них диэлектриком служит специальная керамика, обкладками — тонкие слои посеребренного металла, нанесенные на поверхности кермики, а выводами латунные посеребренные проволочки или полоски, припаянные к обкладкам. Сверху корпусы конденсаторов покрыты эмалью.

Наиболее распространены керамические конденсаторы типов КДК (Конденсатор Дисковый Керамический) и КТК (Конденсатор Трубчатый Керамический): У конденсатора типа КТК одна обкладка нанесена на внутреннюю, а вторая на внешнюю поверхность тонкостенной керамической трубочки. Иногда трубчатые конденсаторы помещают в герметичные фарфоровые «футлярчики» с металлическими колпачками на концах. Это конденсаторы типа КГК.

Керамические конденсаторы обладают сравнительно небольшими емкостями — до нескольких тысяч пикофарад. Их ставят в те цепи, в которых течет ток высокой частоты (цепь антенны, колебательный контур), для связи между ними.

Чтобы получить конденсатор небольших размеров, но обладающий относительно большой емкостью, его делают не из двух, а из нескольких пластин, сложенных в стопку и отделенных друг от друга диэлектриком (рис. 63). В этом случае каждая пара расположенных рядом пластин образует конденсатор. Соединив эти пары пластин параллельно, получают конденсатор значительной емкости.

Рис. 63. Слюдяные конденсаторы

Так устроены все конденсаторы со слюдяным диэлектриком. Их пластинами — обкладками служат листочки из алюминиевой фольги или слои серебра, нанесенные непосредственно на слюду, а выводами отрезки посеребренной проволоки. Такие конденсаторы опрессованы пластмассой. Это конденсаторы КСО. В их наименовании имеется цифра, характеризующая форму и размеры конденсаторов, например: КСО-1, КСО-5. Чем больше цифра, тем больше и размеры конденсатора. Некоторые слюдяные конденсаторы выпускают в керамических влагонепроницаемых корпусах. Их называют конденсаторами типа СГМ. Емкость слюдяных конденсаторов бывает от 47 до 50000 пФ (0,05 мкФ). Как и керамические, они предназначены для высокочастотных цепей, а также для использования в качестве блокировочных и для связи между высокочастотными цепями.

В бумажных конденсаторах (рис. 64) диэлектриком служит пропитанная парафином тонкая бумага, а обкладками — фольга. Полоски бумаги вместе с обкладками свертывают в рулон и помещают в картонный или металлический корпус. Чем шире и длиннее обкладки, тем больше емкость конденсатора.

Рис. 64. Бумажные и металлобумажные конденсаторы постоянной емкости

Бумажные конденсаторы применяют главным образом в низкочастотных цепях, а также для блокировки источников питания. Разновидностей конденсаторов с бумажным диэлектриком много. И все имеют в своем обозначении букву Б (Бумажные). Конденсаторы типа БМ (Бумажные Малогабаритные) заключены в металлические трубочки, залитые с торцов специальной смолой.

Конденсаторы КБ имеют картонные цилиндрические корпуса. Конденсаторы типа КБГ-И помещают в фарфоровые корпуса с металлическими торцовыми колпачками, соединенными с обкладками, от которых отходят узкие выводные лепестки.

Конденсаторы емкостью до нескольких микрофарад выпускают в металлических корпусах. К ним относятся конденсаторы типов КБГ-МП, КБГ-МН, КБГТ. В одном корпусе их может быть два-три.

Диэлектриком конденсаторов типа МБМ (Металлобумажный Малогабаритный) служит лакированная конденсаторная бумага, а обкладками — слои металла толщиной меньше микрона, нанесенные на одну сторону бумаги. Характерная особенность конденсаторов этого типа — способность самовосстанавливаться после электрического пробоя диэлектрика.

Номиналы керамических, слюдяных, бумажных, металлобумажных конденсаторов постоянной емкости, выпускаемых нашей промышленностью, сведены в таблицу приложения 3.

Особую группу конденсаторов постоянной емкости составляют электролитические (рис. 65).

Рис. 65. Электролитические конденсаторы

По внутреннему устройству электролитический конденсатор несколько напоминает бумажный. В нем имеются две ленты из алюминиевой фольги. Поверхность одной из них покрыта тончайшим слоем окиси. Между алюминиевыми лентами проложена лента из пористой бумаги, пропитанной специальной густой жидкостью — электролитом. Эту четырехслойную полосу скатывают в рулон и помещают в алюминиевый цилиндрический стакан или патрончик.

Диэлектриком конденсатора служит слой окиси. Положительной обкладкой (анодом) является та лента, которая имеет слой окиси. Она соединяется с изолированным от корпуса лепестком. Вторая, отрицательная обкладка (катод) бумага, пропитанная электролитом через ленту, на которой нет слоя окиси, соединяется с металл веским корпусом. Таким образом, корпус является выводом отрицательной, а изолированный от него лепесток — выводом положительной обкладки электролитического конденсатора. Так, в частности, устроены конденсаторы типов КЭ, К50-3. Конденсаторы КЭ-2 отличаются от конденсаторов типов КЭ только пластмассовой втулкой с резьбой и гайкой для крепления на панели. Алюминиевые корпуса конденсаторов К50-3 имеют форму патрончика диаметром 4,5–6 и длиной 15 20 мм. Выводы — проволочные. Аналогично устроены и конденсаторы типа К50-6. Но у них выводы электродов (обкладок) изолированы от корпусов.

На принципиальных схемах электролитические конденсаторы изображают так же, как и другие конденсаторы постоянной емкости, — двумя «черточками, но возле положительной обкладки ставят знак «+».

Электролитические конденсаторы обладают большими емкостями — от долей до нескольких тысяч микрофарад. Они предназначены для работы в цепях с пульсирующими токами, например, в фильтрах выпрямителей переменного тока, для связи между низкочастотными цепями. При этом отрицательный электрод конденсатора соединяют с отрицательным полюсом цепи, а положительный — с ее положительным полюсом. При несоблюдении полярности включения электролитический конденсатор может выйти из строя.

Номинальные емкости электролитических конденсаторов пишут на их корпусах. Фактическая емкость может быть значительно больше номинальной.

Важнейшей характеристикой любого конденсатора, кроме емкости, является также его номинальное напряжение, т. е. то напряжение, при котором конденсатор может длительное время работать, не утрачивая свои свойства. Это напряжение зависит от свойств и толщины слоя диэлектрика конденсатора. Керамические, слюдяные, бумажные и металлобумажные конденсаторы различных типов рассчитаны на номинальные напряжения от 150 до 1000 В и более.

Электролитические конденсаторы выпускают на номинальные напряжения от нескольких вольт до 30–50 В и от 150 до 450–500 В. В связи с этим их подразделяют на две группы: низковольтные и высоковольтные. Конденсаторы первой группы используют в цепях со сравнительно небольшим напряжением, а конденсаторы второй группы — в цепях с относительно высоким напряжением.

Подбирая конденсаторы для своих конструкции, всегда обращай внимание на их номинальные напряжения. В цепи с меньшим напряжением, чем номинальное, конденсаторы включать можно, но в цепи с напряжением, превышающим номинальное, их включать нельзя. Если на обкладках конденсатора окажется напряжение, превышающее его номинальное напряжение, то диэлектрик пробьется. Пробитый конденсатор непригоден для работы.

Теперь о конденсаторах переменной емкости.

Устройство простейшего конденсатора переменной емкости ты видишь на рис. 66. Одна его обкладка — статор неподвижна. Вторая ротор — скреплена с осью. При вращении оси площадь перекрытия обкладок, а вместе с нею и емкость конденсатора изменяются.

Рис. 66. Простейший конденсатор переменной емкости

Конденсаторы переменной емкости, применяемые в настраиваемых колебательных контурах приемников, состоят из двух групп пластин (рис. 67, а), сделанных из листового алюминия или латуни. Пластины ротора соединены осью. Статорные пластины также соединены и изолированы от ротора. При вращении оси пластины статорной группы постепенно входят в воздушные зазоры между пластинами роторной группы, отчего емкость конденсатора плавно изменяется. Когда пластины ротора полностью выведены из зазоров между пластинами статора, емкость конденсатора наименьшая; ее называют начальной емкостью конденсатора. Когда роторные пластины полностью введены между пластинами статора, емкость конденсатора будет наибольшей, т. е. максимальной для данного конденсатора. Максимальная емкость конденсатора будет тем больше, чем больше в нем пластин и чем меньше расстояние между подвижными и неподвижными пластинами.

В конденсаторах, показанных на рис. 66 и 67, а, диэлектриком служит воздух. В малогабаритных же конденсаторах переменной емкости (рис. 67, б) диэлектриком может быть бумага, пластмассовые пленки, керамика. Такие конденсаторы называют конденсаторами переменной емкости с твердым диэлектриком. При меньших габаритах, чем конденсаторы с воздушным диэлектриком, они могут иметь значительные максимальные емкости. Именно такие конденсаторы и применяют для настройки колебательных контуров малогабаритных транзисторных приемников.

Рис. 67. Конденсаторы переменной емкости с воздушным (а) и твердым (б) диэлектриком

Наиболее распространены конденсаторы переменной емкости, имеющие начальную емкость в несколько пикофарад и наибольшую 240–490 пФ. Не исключено, что один из таких конденсаторов ты уже использовал для настройки твоего первого радиоприемника.

В приемниках с двумя настраивающимися колебательными контурами используют блоки конденсаторов переменной емкости (КПЕ). В блоке КПЕ, показанном на рис. 68, два конденсатора, роторы которых имеют общую ось. При вращении оси одновременно изменяются емкости обоих конденсаторов.

Рис. 68. Одна из конструкций блока конденсаторов переменной емкости

Одиночные конденсаторы и блоки конденсаторов переменной емкости с воздушным диэлектриком требуют к себе бережного отношения. Даже незначительное искривление или иное повреждение пластин приводит к замыканию между ними. Исправление же пластин конденсатора — дело сложное.

К числу конденсаторов с твердым диэлектриком относятся и подстроечные конденсаторы, являющиеся разновидностью конденсаторов переменной емкости. Чаще всего такие конденсаторы используют для подстройки контуров в резонанс, поэтому их называют подстроечными. Конструкции наиболее распространенных подстроечных конденсаторов показаны на рис. 69. Каждый из них состоит из сравнительно массивного керамического основания и тонкого керамического диска. На поверхность основания (под диском) и на диск нанесены в виде секторов металлические слои, являющиеся обкладками конденсатора. При вращении диска вокруг оси изменяется площадь перекрытия секторов-обкладок, изменяется емкость конденсатора.

Емкость подстроечных конденсаторов указывают на их корпусах в виде дробного числа, где числитель наименьшая, а знаменатель наибольшая емкость данного конденсатора. Если, например, на конденсаторе указано 6/30, то это значит, что наименьшая его емкость 6 пФ, а наибольшая 30 пФ. Подстроечные конденсаторы обычно имеют наименьшую емкость 2–5 пФ, а наибольшую до 100–150 пФ. Некоторые из них, например КПК-2, можно использовать в качестве конденсаторов переменной емкости для настройки простых одноконтурных приемников.

Конденсаторы, как и резисторы, можно соединять параллельно или последовательно. К соединению конденсаторов прибегают чаще всего в тех случаях, когда под руками нет конденсатора нужного номинала, но имеются другие, из которых можно составить необходимую емкость. Если соединить конденсаторы параллельно (рис. 70, а), то их общая емкость будет равна сумме емкостей всех соединенных конденсаторов, т. е.

Собщ = С1 + С2 + С3 и т. д.

Так, например, если С1 = 33 пФ и С2 = 47 пФ, то общая емкость этих двух конденсаторов будет: Собщ = 33 + 47 = 80 пФ. При последовательном соединении конденсаторов (рис. 70, б) их общая емкость всегда меньше наименьшей емкости, включенной в цепочку. Она подсчитывается по формуле

Собщ = С1·С2/(С1 + С2)

Например, допустим, что С1 = 220 пФ, а С2 = 330 пФ; тогда Собщ = 220·330/(220 + 330) = 132 пФ. Когда соединяют последовательно два конденсатора одинаковой емкости, их общая емкость будет вдвое меньше емкости каждого из них.

Рис. 70. Параллельное (а) и последовательность (б) соединения конденсаторов

СИСТЕМА СОКРАЩЕННОГО ОБОЗНАЧЕНИЯ НОМИНАЛЬНЫХ СОПРОТИВЛЕНИЙ РЕЗИСТОРОВ И ЕМКОСТЕЙ КОНДЕНСАТОРОВ

На резисторах и конденсаторах относительно больших размеров их номинальные сопротивления или емкости маркируют, применяя общепринятые сокращенные обозначения единиц электрических величин, а рядом — возможное отклонение от номинала в процентах, например: 1,5 ±10 %, 33 ±20 %. Для обозначения же номиналов малогабаритных резисторов и конденсаторов применяют специальный код, слагающийся из условных буквенных и цифровых знаков.

По такой системе единицу сопротивления ом сокращенно обозначают буквой Е, килоом — буквой К. мегаом — буквой М. Сопротивления резисторов от 100 до 910 Ом выражают в долях килоома, а сопротивления от 100000 до 910000 Ом в долях мегаома. Если номинальное сопротивление резистора выражают целым числом, то буквенное обозначение единицы измерения ставят после этого числа, например 33Е (33 Ом), 47К (47 кОм), 1М (1 МОм). Когда же сопротивление резистора выражают десятичной дробью меньше единицы, то буквенное обозначение единицы измерения располагают перед числом, например К22 (220 Ом), М47 (470 кОм). Выражая сопротивление резистора целым числом с десятичной дробью, целое число ставят впереди буквы, а десятичную дробь после буквы, символизирующей единицы измерения (буква заменяет запятую после целого числа). Примеры: 1Е5 (1,5 Ом), 2К2 (2,2 кОм), 1М5 (1,5 МОм).

Допустимое отклонение наносят после обозначения номинального сопротивления следующими буквами:

Предположим, на малогабаритном резисторе обозначено: 1М5И. Это значит, что номинальное сопротивление резистора 1,5 МОм, допустимое отклонение от номинала ±5 %.

Номинальные емкости конденсаторов до 91 пФ выражают в пикофарадах, используя для обозначения этой единицы емкости букву П. Емкости от 100 до 9100 пФ выражают в долях нанофарады (1 нФ = 1000 пФ или 0,001 мкФ), а от 0,01 до 0,091 мкФ — в нанофарадах, обозначая нанофараду буквой Н. Емкости от 0,1 мкФ и выше выражают в микрофарадах, используя для обозначения этой единицы емкости букву М. Если емкость конденсатора выражают целым числом, то буквенное обозначение емкости ставят после этого числа, например: 12П (12 пФ), 15Н (15 НФ = 15000 пФ или 0,015 мкФ), 10М (10 мкФ).

Чтобы номинальную емкость конденсатора выразить десятичной дробью, буквенное обозначение единицы емкости располагают перед числом: Н15 (0,15 нФ = 150 пФ). М22 (0,22 мкФ). Для выражения емкости конденсатора целым числом с десятичной дробью буквенное обозначение единицы ставят между целым числом и десятичной дробью, заменяя ею запятую, например: 1П2 (1,2 пФ), 4Н7 (4,7 нФ = 4700 пФ), 1М5 (1,5 мкФ).

Допустимое отклонение маркируют после обозначения номинальной емкости цифрами в процентах, пикофарадах или буквенным кодом, который приводим (в сокращенном виде) здесь:

Вот несколько примеров обозначения параметров малогабаритных конденсаторов: 1Н5В (1500 пФ, допуск +20 %), 5П6Л (5,6 пФ, допуск +2 %), 1М5Ф (1,5 мкФ, допуск ± 30 %).

КОРОТКО О ПЛАВКОМ ПРЕДОХРАНИТЕЛЕ

Этот прибор представляет собой отрезок проволоки, толщина которой рассчитана на пропускание тока некоторого определенного значения, например 0,25 А. Он предохраняет источник тока от перегрузки. Предохранители имеют все электросети, иногда штепсельные розетки, радиоконструкции, питающиеся от электроосветительной сети.

Плавкий предохранитель вставляют в разрыв электрической цепи, чтобы через него проходил весь ток, потребляемый цепью. Пока ток не превышает допустимой нормы, проволока предохранителя чуть теплая или совсем холодная. Но как только в цепи появится недопустимо большая нагрузка или произойдет короткое замыкание, ток резко возрастет, расплавит проволоку и цепь автоматически разорвется. Патрон плавкого предохранителя, используемого в осветительной электросети, устроен так же, как патрон электролампы. В него ввертывают фарфоровую «пробку» (рис. 71 слева), внутри которой имеется свинцовая проволока. Один конец ее припаян к металлическому донышку пробки, а другой — к металлическому цилиндру с резьбой, которым предохранитель ввертывают в патрон.

Рис. 71. Плавкие предохранители

Проволока плавкого предохранителя радиоконструкции (на рис. 71 — справа) заключена в стеклянную трубочку и концами припаяна к металлическим колпачкам, выполняющим роль контактов. Этими контактами предохранитель вставляют в специальный патрон (держатель) или между двумя металлическими стоечками, к которым подведены провода защищаемой от перегрузок сети.

Причину, вызвавшую перегорание предохранителя, надо найти, устранить, и только после этого, соблюдая осторожность, можно вставлять в электрическую цепь новый предохранитель.

ОСТОРОЖНО — ВЫСОКОЕ НАПРЯЖЕНИЕ!

Да, юный друг, всегда, когда приходится иметь дело с электросетью, надо быть особенно внимательным, осторожным и никогда не забывать о действующем в ней опасном высоком напряжении.

Иногда, балуясь или хвастая, ребята касаются рукой оголенного провода или контактов штепсельной розетки. Вроде ничего опасного. Но может случиться непоправимое, потому что электросеть не любит шуток. «Эффект» такого «опыта» всецело зависит от электрического сопротивления тела человека и изоляции его от земли, влажности пола, на котором он стоит. У разных людей в разном возрасте и при различном состоянии всего организма электрическое сопротивление тела может быть от тысячи до нескольких десятков тысяч ом. И если человек со сравнительно небольшим сопротивлением тела коснется провода электросети, через него может пройти значительный ток, который может стать причиной электрической травмы.

Простой расчет: если напряжение сети 220 В, а сопротивление тела 22 кОм, то ток по закону Ома будет равен 220:22000 = 0,01 А. Такой ток для человека опасен, но не смертелен. А если сопротивление мало — всего 2,2 кОм? Тогда ток возрастет до 220:2200 = 0,1 А. Такой ток уже смертельно опасен!

Как предотвратить неприятности, которые может причинить электросеть?

Прежде всего никогда, ни при каких условиях, не касайся руками оголенных участков проводов электроосветительной сети, монтажа или контактных соединений монтируемой или налаживаемой аппаратуры, питающейся от сети. А если понадобится заизолировать провод, улучшить контакты штепсельной розетки, делай это только после обесточивания сети выключателем на квартирном электрораспределительном щитке.

При налаживании приемника или усилителя с питанием от сети щуп измерительного прибора (или инструмент) держи одной рукой во избежании прикосновения токонесущих проводников обеими руками. Прежде чем заменить испортившуюся деталь или внести изменения в монтаж, полностью отключи приемник, усилитель или питающий их выпрямитель от сети.

* * *

На этом я прерываю беседу. Но «экскурсия» в электротехнику еще не закончена. Впереди — другие электрические явления и приборы, с которыми тебе придется иметь дело.

Более 800 000 книг и аудиокниг! 📚

Получи 2 месяца Литрес Подписки в подарок и наслаждайся неограниченным чтением

ПОЛУЧИТЬ ПОДАРОК