Беседа 22 ТЕЛЕУПРАВЛЕНИЕ МОДЕЛЯМИ

Этот вид радиолюбительского творчества имеет непосредственное отношение к области радиоэлектроники, носящей название «телемеханика». Первая часть этого слова — греческое «теле» означает по-русски «далеко». Значит, «телемеханика» — управление механизмами на расстоянии.

Наиболее знакомая тебе телемеханическая система — электрический{ звонок. Нажимая кнопку, являющуюся своеобразным датчиком, ты на расстоянии управляешь электрическим звонком.

А как работает автоматическая телефонная станция — АТС? Набирая диском аппарата цифры нужного номера, ты посылаешь по проводам на станцию серии электрических импульсов, с помощью которых аппаратура АТС соединяет тебя с телефонным аппаратом собеседника. Здесь автоматика сочетается с телемеханикой, а каналом связи служат провода.

Надеюсь, ты видел, как работает машинист подъемного крана. Перед ним — пульт управления с кнопками и приборами. Нажимая кнопки, он включает электродвигатели, которые приводят в действие различные механизмы. И в этом телемеханическом сооружении каналом связи служат провода.

Я уже рассказывал тебе о фотореле. Что было тогда каналом связи? Совершенно верно: луч света, направленный на фотоэлемент или фоторезистор автомата. Но каналом связи может быть звук, ультразвук.

Да, юный друг, с помощью звука тоже можно управлять механизмами, но на небольшом расстоянии. На большом расстоянии лучше всего действует радиоканал. С помощью радиоволн можно управлять, например, трактором, автомобилем, самолетом. Космические корабли без космонавтов на борту управляются только по радио. Эту область радиоэлектроники называют радиотелемеханикой. Сущность ее заключается в том, что передатчик командного пункта посылает сигналы, содержащие зашифрованную информацию, которые при помощи приемника и реле, имеющихся на управляемом объекте, расшифровываются и автоматически включают и выключают различные его механизмы.

Предлагаю тебе ознакомиться с тремя системами телеуправления моделями светом, звуком и по радио и, конечно, проверить их в работе. Две системы доступны каждому опытному радиолюбителю, а я считаю тебя уже опытным. Третьей системой можешь воспользоваться в том случае, если тебе исполнилось 16 лет и ты можешь получить разрешение Государственной инспекции электросвязи на эксплуатацию любительского УКВ передатчика или если ты занимаешься в радиокружке, которым руководит старший товарищ, на кого может быть оформлено такое разрешение.

Начну с первой системы — управления моделью светом.

МОДЕЛЬ ИДЕТ НА СВЕТ

Вспомни фотореле. Исполнительным механизмом его (см. рис. 255) было электромагнитное реле. А если вместо реле в коллекторную цепь транзистора второго каскада включить электродвигатель, установленный на какой-либо модели, например автомобиля? Тогда при подаче светового сигнала модель будет двигаться вперед, а когда такого сигнала нет — стоять на месте. Модель станет светоуправляемой.

В магазинах культтоваров есть модели танков с дистанционным управлением. Внутри танка — два микроэлектродвигателя — раздельно на каждую гусеницу, и питающая их батарея. Управление происходит путем нажатия кнопок на пульте, соединенном с моделью проводами, включающими электродвигатели. Вот такую модель я и предлагаю тебе сделать светоуправляемой.

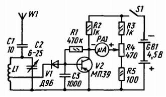
Принципиальная схема электронной «начинки» такого танка и схема размещения в нем узлов телеуправления показаны на рис. 341.

Рис. 341. Принципиальная схема (а) и схема размещения узлов аппаратуры светоуправления (б) на модели танка

Приемная и исполнительная части аппаратуры, устанавливаемые на модели, состоят из двух фотореле с двухкаскадными усилителями фототока. Связь между транзисторами непосредственная. В коллекторные цепи выходных транзисторов обоих блоков включены микроэлектродвигатели M1 и М2, являющиеся исполнительными механизмами модели. Роль передатчика команд такой системы телеуправления выполняет круглый электрический фонарь с фокусирующимся лучом света.

Для питания аппаратуры используются две батареи 3336Л. Батарея GB1 питает фотореле и транзисторы V3-V6 первых каскадов усилителей, батарея GB2 — транзисторы выходных транзисторов V7 и V8 с электродвигателями в их коллекторных цепях. Выключатель S1 — общий для цепей питания.

Каждый фотодиод и относящийся к нему усилитель фототека (на рис. 341, б — УФ 1 и УФ2) управляет только своим электродвигателем. А именно: фотодиод V1 — электродвигателем M1, фотодиод V2 — электродвигателем М2. Между фотодиодами установлена светонепроницаемая перегородка, позволяющая освещать фотодиоды раздельно.

Пока фотодиоды не освещены, выходные транзисторы V7 и V8 закрыты, электродвигатели обесточены и модель, следовательно, стоит на месте. При освещении обоих фотодиодов, когда свет падает на модель спереди, транзисторы V7 и V8 открываются, начинают работать оба электродвигателя и модель движется вперед, на свет. Если теперь источник света сместить в сторону, чтобы освещался лишь один из фотодиодов, работать будет один электродвигатель и модель, остановившись, станет поворачиваться в сторону света. Чтобы повернуть ее в другую сторону, надо в ту же сторону переместить источник света.

Транзисторы каждого блока фотореле целесообразно смонтировать на отдельных платах — для удобства размещения в корпусе модели. Транзисторы V3-V6 могут быть любыми маломощными низкочастотными или высокочастотными, a V7 и V8 — любыми транзисторами средней мощности. Чем больше их коэффициент h21Э, тем чувствительнее будет фотореле. Фотодиоды ФД-1 или ФД-2. Роль фотодиода может выполнять один из р-n переходов маломощного транзистора структуры р-n-р со спиленной «шляпкой» корпуса (как у самодельного фототранзистора). Вывод базы фотодиода соединяют с плюсовым проводником цепи питания, а вывод эмиттера или коллектора (определи опытным путем, добиваясь наилучшей чувствительности) — с базой транзистора фотореле.

Блоки фотореле налаживай раздельно. Вначале фотодиод V1 (в другом блоке — V2) замкни накоротко проволочной перемычкой, чтобы закрыть транзистор V3, а резистор R3 замени двумя, соединенными последовательно, постоянным резистором на 15–20 и переменным на 30–50 кОм. Плавно уменьшая общее сопротивление этой цепочки резисторов, улови момент, когда дальнейшее уменьшение их сопротивления перестает сказываться на частоте вращения ротора электродвигателя. Номинал резистора R3 должен быть примерно на 10 % меньше измеренного сопротивления временной цепочки резисторов.

Затем удали перемычку, замыкающую фотодиод, и подбором сопротивления резистора R1 добейся, чтобы электродвигатель работал при рассеянном свете, падающем на фотодиод. В базовую цепь транзистора V3 надо включить резистор, номинал которого на 10 % больше сопротивления, при котором электродвигатель только-только начинает работать.

Точно так налаживай другой блок фотореле светоуправляемой модели.

ДЕШИФРАТОР

Приемник светоуправляемой модели, о котором я сейчас рассказал, не обладает избирательными свойствами. Он реагирует только на один командный сигнал: свет! Принял этот сигнал — модель движется, нет его — модель стоит на месте.

Иное дело приемники звуко- и радиоуправляемых моделей, о которых сейчас пойдет разговор. Они должны реагировать на несколько разных по частоте сигналов и четко различать их. Эту функцию в дешифраторах приемников будут выполнять селективные, т. е. избирательные, электронные реле.

Что представляют собой селективные электронные реле, которые я буду называть сокращенно СЭР? Как они работают?

Рассмотри внимательно схему, показанную на рис. 342. Она должна напомнить тебе электронное реле, знакомое по приборам-автоматам.

Рис. 342. Селективное электронное реле

Селективное электронное реле — это то же электронное реле, но избирательное. Оно, подобно приемнику с фиксированной настройкой, выделяет сигнал только той частоты, на которую он настроен. Избирательные свойства СЭР определяются входным резистором Rвх и колебательным контуром LкСк, настроенным на сигнал одной из исполнительных команд. Эти элементы СЭР, взятые вместе, напоминают перевернутую букву Г, где резистор Rвх — поперечная черточка, а контур LкСк - вертикальная часть буквы. Поэтому эту группу деталей называют обычно Г-образным фильтром RCL.

Контур LкСк, как и любой колебательный контур, на всех частотах, кроме резонансной, на которую он настроен, представляет собой малое сопротивление. Для колебаний резонансной частоты его сопротивление велико. Поэтому если частота командного сигнала на входе Г-образного фильтра не равна резонансной частоте контура LкСк, то на выходе этого фильтра, являющемся входом транзистора V1 (нижняя точка контура через диод V2 соединена с эмиттером транзистора), напряжение практически отсутствует. В этом случае все напряжение командного сигнала падает на резисторе Rвх. В это время коллекторный ток транзистора мал, так как на базу через резистор Rб подается малое напряжение смещения и транзистор почти закрыт. Когда же частота командного сигнала становится равной резонансной частоте контура LкСк, на нем создается сравнительно большое переменное напряжение звуковой частоты, которое практически без потерь подается на базу транзистора. Усиленное транзистором, оно выпрямляется диодом V2 и через катушку Lк подается на его базу в отрицательной полярности. При этом транзистор открывается, его коллекторный ток резко возрастает, отчего реле К срабатывает, а его контакты замыкают цепь питания исполнительного механизма.

Число СЭР дешифратора приемника определяется числом команд, на которое рассчитаны исполнительные механизмы. Собственные частоты контуров, соответствующие частотам командных сигналов, подбирают индуктивностями их катушек и емкостями конденсаторов во время настройки приемника.

Перехожу к описанию приемника звукоуправляемой модели.

МОДЕЛЬ, УПРАВЛЯЕМАЯ ЗВУКОМ

Не удивляйся: передатчиком, сигналы которого управляют этой моделью, может быть детская дудочка (рис. 343). Такая игрушка, как ты знаешь, имеет отверстия. Закрывая пальцами одни отверстия и открывая другие, дудочкой можно создать звуки разных частот. Звук одной частоты — команда, другой частоты — вторая команда, третьей частоты — третья команда. Передатчиком могут быть и свистки с разной тональностью звуков.

Рис. 343. Схема управления моделью звуком

На телеуправляемой модели установлен микрофон В, преобразующий командные сигналы в колебания звуковой частоты. После усиления колебания звуковой частоты поступают на входы селективных электронных реле СЭР1-СЭР3, на выходы которых включены электромагнитные реле К1-К3. Если частота командного сигнала близка к частоте фильтра одного из СЭР, например СЭР1, настроенного на эту частоту, сигнал проходит без потерь только через фильтр этого СЭР, вызывая срабатывание реле К1, а контакты реле включают цепь питания исполнительного механизма. Через фильтры других СЭР этот сигнал не проходит и их реле не срабатывают. Если частота командного сигнала другая, близкая, например, к собственной частоте фильтра СЭР3, то срабатывает реле К3. Таким образом, звуковыми сигналами разных частот можно заставить срабатывать одно их трех СЭР, а они включат соответствующие им исполнительные механизмы модели.

Радиус действия такого передатчика (дудочки или свистков) ограничивается обычно 5-10 м, но этого вполне достаточно для управления простыми моделями автомобилей, тракторов или кораблей. Однако если воспользоваться генератором звуковых частот с усилителем, к выходу которого можно подключить динамическую головку, то такой передатчик будет излучать сигналы большей интенсивности, что значительно увеличит радиус действия аппаратуры. Генератор, кроме того, излучает более стабильные звуковые колебания, что повышает надежность работы аппаратуры в целом.

Число команд может быть больше трех. Для этого надо лишь добавить в дешифратор приемника соответствующее число СЭР. Но я советую сделать сначала двухкомандный приемник, испытать его на модели, а затем, если понадобится, добавить еще несколько фильтров для дополнительных команд.

Но прежде всего реши вопрос: дудочку или свистки использовать для подачи команд? Дудочка, конечно, интереснее, но во время управления можно ошибиться: зажмешь не то отверстие, и модель не выполнит нужной команды. Свистки в этом отношении надежнее: свистишь в свисток в правой руке — модель движется вперед, то же в левой — модель делает поворот.

До того как строить приемник, определи звуковые частоты, которые излучают твои свистки, чтобы знать, на какие частоты придется настраивать фильтры СЭР приемника. Подойдут любые свистки, лишь бы их звуки заметно различались по частоте. Определить частоту можно с помощью звукового генератора. Подключи к его входу динамическую головку и подай на нее такое напряжение, чтобы звуки в головке и одного из свистков были одинаковыми по силе. Попроси товарища непрерывно свистеть, а ты, сличая звуки свистка и генератора, изменяй частоту генератора до тех пор, пока не будут прослушиваться звуковые биения — звук очень низкого тона или полное пропадание звука. Положение указателя шкалы генератора будет соответствовать частоте звука свистка. Точно так же определяй звуковую частоту второго свистка (или звуковые частоты дудочки).

Для управления моделью нужны источники звуков, частоты которых отличаются не менее чем на 250–300 Гц, например 1200 и 15000, 13000 и 2000 Гц, но не выходят за пределы диапазона 1000–3000 Гц и не различаются в целое число раз. Свистки, которыми располагали ребята, строившие описываемый здесь приемник, излучали звуковые колебания частотами 1150 и 1550 Гц.

Принципиальная схема приемника телеуправляемой модели показана на рис. 344.

Рис. 344. Принципиальная схема двухкомандного приемника звукоуправляемой модели

Это трехкаскадный транзисторный усилитель 3Ч, на вход которого подключен микрофон В1, а на выход — селективные электронные реле СЭР1 и СЭР2 (обведены цветными линиями). Для питания приемника нужна батарея напряжением 9 В, например «Крона» или составленная из двух батарей 3336Л. Для питания цепей исполнительных механизмов используются самостоятельные источники тока. При приеме микрофоном звуковых команд на его выходе возникает электрический сигнал, напряжение которого уменьшается с увеличением расстояния до источника звука. Уже на расстоянии 10–15 м оно равно примерно 100 мкВ. А чтобы надежно срабатывали СЭР, на их входы нужно подавать сигнал напряжением около 3 В. Следовательно, входной сигнал должен быть усилен примерно в 30000 раз (3 В: 0,0001 В = 30000). Первые три каскада приемника, в которых работают транзисторы V1-V3 вполне обеспечивают такое напряжение, так как каждый из них дает примерно 30-35-кратное усиление.

В третий каскад усилителя введен диод V6 (может быть любой точечный), ограничивающий наибольшее выходное напряжение этого каскада. Дело в том, что по мере уменьшения расстояния от модели до источника звука напряжение на выходе усилителя быстро увеличивается и может составить 50-100 мВ. Казалось бы, что при таком напряжении на входе усилителя СЭР дешифраторы должны работать более надежно, на самом же деле этого не происходит. При более высоком выходном напряжении усилителя могут срабатывать сразу все СЭР. Кроме того, при ложных срабатываниях исполнительных механизмов будут обгорать контакты электромагнитных реле.

Чтобы этого избежать, на третий каскад, собранный на транзисторе V3, возложена задача не только обеспечить усиление сигнала, когда он слабый, но и ограничить его усиление по максимуму. Это и достигается с помощью диода V6, работающего как детектор, автоматически снижающего усиление каскада при сильных сигналах. В целом же данные деталей каскада подобраны таким образом, чтобы, начиная с напряжения 100 мВ на его входе, которое развивают первые два каскада усилителя, амплитудное значение напряжения на его выходе (на схеме — точка а) не превышала 4 В.

Зависимость выходного напряжения ограничительного каскада от напряжения на его входе изображена графически на рис. 345. На графике видно, что как бы ни повышалось входное напряжение, начиная с 0,1 В, напряжение на выходе ограничительного каскада не увеличится более чем до 4 В.

Рис. 345. Зависимость выходного напряжения ограничительного каскада от напряжения на его входе

С выхода ограничительного каскада усиленный сигнал через конденсатор С4 подается одновременно на входы обоих СЭР. Срабатывает же электромагнитное реле того СЭР, фильтр которого настроен в резонанс с частотой командного сигнала.

Приемник монтируй на гетинаксовой или текстолитовой плате толщиной 2–2,5 мм. Чертеж платы с разметкой отверстий на ней приведен на рис. 346, а.

Увеличив чертеж до натуральной величины, наклей его на плату и уже по нему сверли отверстия. Отверстия диаметром 4 мм предназначены для крепления электромагнитных реле, диаметром 3 мм — для крепления платы на модели, отверстия меньшего диаметра — для проволочных монтажных стоек-шпилек.

Размещая детали на плате и соединяя их, придерживайся схем, показанных на рис. 346, б и в. Соединения деталей делай медным проводом диаметром 0,4–0,5 мм в поливинилхлоридной изоляции.

Рис. 346. Монтажная плата двух командного приемника звукоуправляемой модели:

 а — плата; б — вид на монтажную плату сверху; в — вид на монтажную плату снизу

Для приемника используй малогабаритные детали, иначе они не уместятся на монтажной плате или придется увеличивать ее размеры. Электромагнитные реле типа РЭС-10 (паспорт РС4.524.302), РЭС-6 (паспорт РФО.452.145) или самодельные. Диоды V6-V8 серии Д9 или Д2 с любым буквенным индексом. Статический коэффициент передачи тока h21Э всех транзисторов может быть от 40 до 100. Электролитические конденсаторы К50-3 или К50-1. Их емкости могут быть больше, чем указаны на схеме. Если будешь использовать конденсаторы К50-6, разметку отверстий для них в плате придется изменить.

Катушки L1 и L2 фильтров СЭР намотай на кольцах из феррита марки 1000НМ или 2000НМ с наружным диаметром 10–13 мм. Всего на каждое кольцо с помощью челнока намотай около 1000 витков провода ПЭВ-1 0,08-0,1. Если кольца из феррита марок 400НН или 600НН, тогда для каждой катушки фильтра придется использовать два кольца, склеив их вместе торцами клеем БФ-2. Катушки фильтров, намотанные на ферритовых кольцах, крепи на монтажной плате винтами диаметром 2–2,6 мм с гайками (рис. 347).

Рис. 347. Крепление деталей фильтра СЭР приемника на монтажной плате

Микрофон — электромагнитный типа M1 (от слухового аппарата). Размещай его на амортизаторе, роль которого может выполнять пористая резина или поролон. Иначе от сотрясений модели могут быть ложные срабатывания приемника. Роль микрофона может также выполнять телефонный капсюль ДЭМ-4м или ТА-56М.

Даже при использовании малогабаритных деталей монтаж приемника получается очень плотным. В связи с этим принимай все меры, предупреждающие случайные соединения между деталями при ударах, которые неизбежны при испытании модели. На электролитические конденсаторы надень отрезки изоляционной трубки, чтобы избежать замыкания их корпусов с соседними деталями или монтажными стоиками. На выводы транзисторов надень более короткие отрезки изоляционной трубки, что исключит замыкание базовых цепей.

С особой осторожностью производи пайку, чтобы не повредить детали, изоляционные трубки.

Налаживание приемника начинай с проверки работы фильтров СЭР дешифратора. Сначала проверь фильтр СЭР первого, затем второго канала управления. На вход селективного электронного реле СЭР1 через электролитический конденсатор С4, предварительно отпаяв его от резистора R7 и поменяв полярность его включения, подай от звукового генератора сигнал напряжением 3 В, а в коллекторную цепь транзистора V4 включи миллиамперметр РА на ток 20–30 мА (рис. 348).

Рис. 348. Снятие частотной характеристики фильтра СЭР дешифратора

Входное напряжение контролируй вольтметром переменного напряжения. При отсутствии сигнала на входе СЭР ток коллектора транзистора должен составлять 1,5–2 мА. Если этот ток значительно меньше, то уменьшай сопротивление резистора R10. При подключении параллельно этому резистору другого сопротивлением 1–2 кОм коллекторный ток транзистора должен резко возраст, а реле сработать.

После этого приступай к настройке контура L1C6 на частоту одного из командных сигналов. А для этого придется, пользуясь звуковым генератором, прежде всего снять частотную характеристику фильтра. Работа эта кропотливая, требует большого внимания и точности, но без нее не удастся заставить модель быть послушной звуковым командам. Кроме того, это поможет тебе прочно закрепить в памяти сущность работы дешифратора и получить наглядное представление о роли его деталей.

Следя за тем, чтобы напряжение сигнала на входе СЭР все время было равно 3 В, плавно изменяй частоту генератора примерно от 500 до 5000 Гц. Миллиамперметр в коллекторной цепи транзистора вначале будет показывать ток 1–2 мА. Затем на каком-то участке диапазона звуковых частот ток резко возрастает до 8-12 мА, а при дальнейшем изменении частоты генератора снова уменьшится до 1–2 мА. Вот этот участок возрастания и спадания тока транзистора, который тебе надо изобразить графически, и есть частотная характеристика фильтра. Тебе надо знать, какой она получится и что надо сделать, чтобы настроить фильтр на частоту командного сигнала.

Возьми лист миллиметровой или клетчатой бумаги, начерти на ней две взаимно перпендикулярные линии - оси координат — и раздели их на одинаковые участки длиной по 5-10 мм (рис. 349).

Рис. 349. Частотные характеристики фильтров

По вертикальной оси вверх откладывай значения тока коллектора Iк в миллиамперах, а по горизонтальной вправо — значения частоты генератора в герцах.

Допустим, что до частоты 1350 Гц ток коллектора не изменялся и был равен 1 мА. С этого момента, который на кривой 1 (рис. 349) отмечен буквой а, ток начал увеличиваться. При частоте 1400 Гц он был равен 1,5 мА (точка б), при частоте 1450 Гц — 5 мА (точка в), а при частоте 1500 Гц — 10 мА (точка г).

Если электромагнитное реле типа РЭС-10 с обмоткой сопротивлением 630 Ом (паспорт РС4.524.302), то при частоте 1550 Гц ток коллектора достигает наибольшего значения (точка д), а затем начинает уменьшаться. Если значения тока коллектора отмечать точками примерно через каждые 500 Гц (точки е, ж, з, и, к), а затем все эти точки соединить сплошной линией, получится график частотной характеристики фильтра. Для: нашего случая это будет кривая 1, соответствующая резонансной частоте фильтра 1550 Гц при R9 = 82 кОм и С6 = 0,05 мкФ.

Резонансная частота фильтра СЭР твоего приемника может быть иной, но форма кривой его частотной характеристики должна быть близка к форме кривой 1. Чем острее получится кривая частотной характеристики фильтра, тем выше его селективные свойства, тем, следовательно, выше качество работы приемной аппаратуры.

Допустим, что у тебя получилась именно такая кривая. Попробуй теперь (уже для эксперимента) сопротивление резистора R9 увеличить до 150–200 кОм и снова снять частотную характеристику фильтра. У тебя получится кривая, близкая к кривой 2. Резонансная частота фильтра останется той же, а максимальный ток коллектора окажется настолько малым, что реле не сработает. Далее попробуй, наоборот, уменьшить сопротивление этого резистора до 20–27 кОм и еще раз снять частотную характеристику фильтра. Резонансная частота фильтра опять-таки останется прежней, а кривая (3 на рис. 349), не поднявшись выше тока насыщения транзистора, охватит очень широкую полосу частот. Фильтр с такой характеристикой совершенно непригоден, так как его селективность окажется прескверной — СЭР станет срабатывать при сигналах самых различных частот.

Эти эксперименты, которые займут не более часа, позволят тебе судить о влиянии резистора R9 на качество дешифратора приемника. Изменяя его сопротивление, тебе надо добиться, чтобы кривая частотной характеристики фильтра максимально приблизилась по форме к кривой 1.

Теперь увеличь емкость конденсатора С6, подключив параллельно ему второй конденсатор емкостью 0,05 мкФ, или замени его конденсатором емкостью 0,1 мкФ, и снова сними частотную характеристику фильтра при R9 = 82 кОм. Кривая сдвинется в сторону низших звуковых, частот (кривая 4), так как теперь собственная частота колебательного контура фильтра уменьшилась. А если емкость конденсатора С6 уменьшить, например, до 0,025 мкФ (R9 = 82 кОм), увеличив, таким образом, собственную частоту контура, то и кривая частотной характеристики фильтра сдвинется в сторону высших звуковых частот (кривая 5).

Итак, изменяя емкость колебательного контура фильтра СЭР, можно подобрать такую резонансную частоту его, которая соответствует частоте звуковой команды свистка или дудочки. Аналогичные результаты получатся, если изменять индуктивность контурной катушки фильтра. Таким образом, перед тобой стоит задача: снимая частотные характеристики и подбирая опытным путем данные контуров фильтров, настроить их на частоты звуковых команд. При этом следи, чтобы напряжение сигнала на выходе звукового генератора все время было равно 3 В. Когда резонансные частоты контуров фильтров обоих СЭР подгонишь под частоты командных сигналов, еще раз сними их частотные характеристики.

Кривые не должны перекрывать друг друга, иначе могут происходить ложные срабатывания реле. Частотные характеристики фильтров приемника, изготовленного моими юными друзьями, о котором я здесь рассказываю, соответствовали кривым 1 и 5 (рис. 349).

Усилитель 3Ч приемника, если в нем нет неисправных деталей и он смонтирован без ошибок, налаживания не требует. Проверить же его работу можно так. Вместо резистора R7 включи в цепь коллектора транзистора V3 головные телефоны, а на вход усилителя — микрофон. Перед микрофоном подай звуковой сигнал свистком или дудочкой — в телефоне должен прослушиваться достаточно громкий звук, а одно из СЭР должно сработать. Громкость звука любой команды не должна меняться по мере удаления его источника от микрофона на расстояние до 18–20 м. Это подтвердит, что усилитель и каскад ограничения сигнала работают исправно. Налаженный таким образом приемник можно ставить на модель.

Если ты захочешь увеличить зону действия приемника управляемой модели, тебе придется отказаться от свистков или дудочки и собрать более надежный передатчик звуковых команд.

Принципиальная схема и возможная конструкция такого передатчика показаны на рис. 350.

Рис. 350. Принципиальная схема (а) и возможная конструкция (б) передатчика звуковых команд

Это симметричный мультивибратор с усилителем мощности. Нагрузкой усилителя служит динамическая головка В1, являющаяся источником командных сигналов, включенная в коллекторную цепь транзистора V3 через выходной трансформатор T1.

Передатчик четырехкомандный (с запасом на случай, если потребуется увеличить число команд). Управлялся он четырьмя кнопочными выключателями (или тумблерами) S1-S4. Для питания потребуется источник напряжением около 12 В, составленный, например, из трех батарей 3336Л.

Частота звукового сигнала определяется сопротивлением того из резисторов R5-R8, который одной из кнопок S1 — S4 включается (через резисторы R2 и R4) в базовые цепи транзисторов мультивибратора. Если ни один из этих резисторов не включен в эти цепи, отрицательное напряжение не подается на базы транзисторов V1 и V2 и мультивибратор не возбуждается.

Подбирая резисторы R5 R8, генератор передатчика можно настроить на частоты 1550, 1950, 2350 и 2720 Гц. Если выберешь иные резонансные частоты фильтров СЭР приемника, соответственно придется подобрать и номиналы этих резисторов. Разумеется, число команд можно уменьшить.

Конструкция передатчика произвольная. Важно лишь, чтобы он был удобен при управлении моделью. Это может быть фанерный ящичек размерами примерно 120х160 мм с ремешком, накидывающимся на шею. На передней стенке ящичка динамическая головка, на верхней (или задней) — выключатель питания и кнопки управления передатчиком, внутри — монтажная плата и батарея питания.

АППАРАТУРА РАДИОУПРАВЛЕНИЯ МОДЕЛЯМИ

Для управления моделями по радио Министерством связи СССР отведен участок любительского диапазона 28,0-28,2 МГц и частота 27,12 МГц. Разрешенная мощность передатчика не больше 1 Вт. Но для надежного управления моделями вполне достаточна мощность передатчика 0,25-0,5 Вт.

Лучше будет, если в этой работе ты объединишься с товарищем, увлекающимся постройкой автомобильных, дорожно-строительных, плавающих или летающих моделей. Он будет конструктором модели, а ты — конструктором аппаратуры телеуправления. И на соревнованиях вы будете выступать вместе, потому что работа коллективная.

Начинающие конструкторы радиоуправляемых моделей обычно используют многокомандную аппаратуру, когда радиочастотная энергия, излучаемая командным передатчиком, модулируется разными по частоте колебаниями звукового диапазона. При таком виде кодирования каждой команде соответствует свой звуковой тон модуляции. Канал связи один — радиоволны, а команд, выполняемых моделью, несколько.

Структурная схема аппаратуры такой системы телеуправления показана на рис. 351.

Рис. 351. Структурная схема многокомандной аппаратуры радиоуправления с кодированием колебаниями звуковой частоты

Принцип работы аппаратуры сводится к следующему. Командный передатчик имеет несколько генераторов звуковых частот: F1, F2, F3 и т. д., выполняющих роль кодирующего устройства. Нажиманием той или иной кнопки на пульте управления ПУ можно подключить к передатчику любой из звуковых генераторов. В результате излучаемая передатчиком радиочастотная энергия будет модулироваться соответствующей звуковой частотой.

Аппаратура, установленная на радиоуправляемой модели, представляет собой приемник радиочастотных модулированных сигналов с селективными электронами реле на выходе — такими же, как и в дешифраторе приемника звукоуправляемой модели. Срабатывает электромагнитное реле той ячейки дешифратора, фильтр которой настроен на соответствующую ему частоту командного сигнала.

Работу по изготовлению аппаратуры управления моделью но радио целесообразнее начать с постройки передатчика, так как он значительно облегчит наладку приемника.

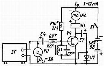
Передатчик. Принципиальная схема двухкомандного передатчика показана на рис. 352.

Рис. 352. Принципиальная схема двухкомандного передатчика для управления моделью

Он, как видишь, транзисторный. Состоит из задающего генератора с усилителем мощности и модулятора, обведенных на схеме цветными линиями. Цифрами 1-11 обозначены точки подключения к платам передатчика источника питания и кнопочного пульта управления. Передатчик питается от батареи напряжением 12 В, составленной из трех батарей 3336Л.

Выходная мощность передатчика 0,1–0,15 Вт, что обеспечивает уверенную связь с управляемой моделью на расстоянии до 1,5 км. При этом он потребляет от батареи ток не более 80 мА. Следовательно, энергии комплекта батарей 3336Л хватает на 5–6 ч непрерывной работы передатчика. Передатчик рассчитан на работу в диапазоне радиочастот 28,0-28,2 МГц. Несущая частота модулируется по амплитуде колебаниями звуковой частоты, являющимися командными сигналами.

В задающем генераторе передатчика работает транзистор V6, включенный по схеме с емкостной обратной связью. Такой способ включения транзистора обеспечивает хорошую развязку между задающим контуром L1C11C12, включенным по трехточечнои схеме, и коллекторным контуром L2C13, что повышает стабильность частоты генератора. Эмиттер транзистора генератора отделен по высокой частоте от заземленного проводника питания высокочастотным дросселем L6. Резистор R24, заблокированный конденсатором С16, термостабилизирует режим работы транзистора. При срыве генерации ток коллектора должен доходить до 1–1,5 мА, что достигается подбором резистора R22.

Контур L2C13, включенный в коллекторную цепь транзистора V6, как и задающий контур L1C11C12 в базовой цепи, настраивают на среднюю частоту интервала 28,0-28,2 МГц. Сигнал задающего генератора через катушку связи L3 подается на вход двухтактного усилителя мощности, на транзисторах V7 и V8. Резисторы R26 и R27, зашунтированные конденсаторами С18 и С19, обеспечивают необходимую стабилизацию тока выходных транзисторов. Нагрузкой усилителя мощности является контур L4C20 (настраиваемый на ту же частоту, что и первые два), с которым через катушку L5 связана антенна передатчика W1.

В рабочем режиме постоянная составляющая коллекторного тока каждого выходного транзистора достигает 30 мА. Таким образом, эти транзисторы с целью отдачи наибольшей полезной мощности в антенне работают несколько перегруженном режиме. Но этого не следует опасаться, так как при таком режиме мощность, рассеиваемая на каждом транзисторе, не превышает 40 мВт, что меньше максимально допустимой.

Модуляция радиочастотной энергии, излучаемой антенной, осуществляется через цепь питания транзисторов усилителя мощности. Ячейка, состоящая из высокочастотного дросселя L7 и конденсатора С21, препятствует проникновению колебаний несущей частоты передатчика в его модулятор.

Модулятор передатчика трех каскадный. Первый его каскад, в котором работают транзисторы V1 и V2 — генератор колебаний звуковых частот, второй каскад на транзисторе V3 — усилитель напряжения, третий, на транзисторах V4 и V5 — двухтактный усилитель мощности. Генератор модулятора, аналогичный подобному каскаду звукового генератора, рекомендованного мной для твоей измерительной лаборатории (см. рис. 291), генерирует колебания двух фиксированных частот: 1000 и 2500 Гц.

При нажатии кнопки S2, когда к базовой цепи транзистора V1 подключается цепочка резисторов R1, R4 и R5, генерируются колебания первой командной частоты, а при нажатии кнопки S1, когда подключается цепочка резисторов R2, R3 и R6, генерируются колебания второй командной частоты. Переменные (или подстроечные) резисторы R5 и R6, входящие в эти частотозадающие цепи, нужны для точной подстройки генерируемых колебаний под резонансные частоты фильтров дешифратора приемника.

Число команд передатчика может быть увеличено. Для этого надо лишь добавить соответствующее число цепочек резисторов и кнопок управления. И, наоборот, его можно уменьшить до одной команды, исключив из генератора одну цепочку резисторов и относящуюся к ним кнопку.

Когда кнопки управления не нажаты, генератор за счет постоянно включенных резисторов R7 и R8 генерирует колебания частотой 70–80 Гц. Сигнал этой частоты нужен не для управления, а только для настройки приемника на частоту передатчика. Переменный резистор R15, включенный в коллекторную цепь транзистора V2, является выходным элементом генератора. С его движка сигнал генератора через конденсатор С6 подается на базу транзистора V3 усилителя напряжения. Но этот каскад выполняет роль не только усилителя напряжения, но и фазоинвертора, обеспечивающего работу выходного двухтактного усилителя мощности модулятора.

Во вторичной обмотке трансформатора Т2, через которую питаются коллекторные цепи транзисторов V4 и V5 усилителя мощности передатчика, развивается переменное напряжение с амплитудой около 12 В. В результате воздействия этого напряжения на ток транзисторов передатчика антенна W1 излучает электромагнитные колебания, модулированные по амплитуде колебаниями звуковой частоты командного сигнала. Глубину модуляции регулируют переменным резистором R15.

В целом передатчик работает так. Задающий генератор вырабатывает переменное напряжение частотой, соответствующей участку 28,0-28,2 МГц, которое подается на усилитель мощности, питающий антенну. Одновременно на усилитель мощности подается переменное напряжение звуковой частоты. Когда не нажата ни одна из кнопок управления звуковым генератором, с выхода модулятора на усилитель мощности передатчика через дроссель L7 подается напряжение частотой 70–80 Гц. В это время антенна передатчика излучает электромагнитные колебания, несущая которых промодулирована по амплитуде колебаниями частотой 70–80 Гц. При нажатии одной из кнопок звукового генератора несущая электромагнитной энергии, излучаемой передатчиком, модулируется напряжением частотой 1000 или 2500 Гц, что и является шифром команд радиоуправления.

Модулятор и задающий генератор с усилителем мощности, налаживать которые ты будешь раздельно, монтируй на отдельных гетинаксовых платах размерами 145х70 и толщиной 2–2,5 мм. Плата модулятора с разметкой отверстий и соединения деталей на ней показаны на рис. 353.

Рис. 353. Плата модулятора:

а — разметка отверстий; б — вид на монтаж сверху; в — вид на монтаж снизу

Отверстия в плате сверли сверлами трех диаметров: 6 мм — для переменных резисторов, 3 мм — для выводных ламелей, 1 мм — для монтажных стоек. Два отверстия диаметром 3 мм, свободные от деталей, предназначены для крепления платы в футляре передатчика.

Статический коэффициент передачи тока транзисторов модулятора может быть от 40 до 100. Те из них, которые будут работать в усилителе мощности (V4 и V5), должны иметь возможно более близкие параметры по h21Э и IКБО. Переменные резисторы R5, R6 и R15 — типа СПО. Постоянные резисторы и конденсаторы — любые малогабаритные.

Трансформаторы Т1 и Т2 самодельные. Для них нужны магнитопроводы из пластин Ш-8; толщина наборов 8 мм. Первичная обмотка трансформатора Т1 содержит 2000 витков провода ПЭВ-1 0,12, вторичная — 250 витков провода ПЭВ-1 0,15 с отводом от середины (две секции по 125 витков). Первичная обмотка трансформатора Т2 — 1300 витков провода ПЭВ-1 0,15, с отводом от середины (две секции по 650 витков), вторичная — 700 витков такого же провода. Оба трансформатора крепи с нижней стороны платы. Отверстия для крепежных винтов сверли по месту.

Никакой специальной регулировки модулятор не требует, а с наладкой отдельных его каскадов ты уже знаком. Если на выход модулятора (выводы 6 и 8) подключить высокоомные телефоны, то в них будет прослушиваться достаточно громкий звук очень низкого тона. При нажатии кнопок S1 и S2 звук в телефонах должен соответствовать частотам 1000 и 2500 Гц.

Нагрузи вторичную обмотку трансформатора Т2 на резистор сопротивлением 390–430 Ом и измерь на нем вольтметром переменное напряжение. Вращая ось переменного резистора R15, добейся, чтобы вольтметр показывал напряжение 8 В. Отключив эту временную нагрузку, можешь считать, что модулятор передатчика готов.

Плата генератора передатчика с разметкой всех необходимых отверстий под монтажные стойки, детали и выводные ламели, а также схемы соединения деталей показаны на рис. 354. От качества сборки и монтажа его в большой степени зависит качество работы всего передатчика.

Рис. 354. Плата задающего генератора передатчика с усилителем мощности:

а — разметка отверстий; б — вид на монтаж сверху; в — вид на монтаж снизу

Для стабильной работы задающего генератора и усилителя мощности их детали должны быть высокого качества: конденсаторы постоянной емкости КТК или КДК, подстроечные конденсаторы — КПК, резисторы — MЛT-0,5, а катушки должны быть выполнены с особой тщательностью. Для устранения паразитной связи между группами деталей на плате установлены экраны — пластинки из листового алюминия шириной 35 мм с лапками для крепления.

Транзисторы V6-V8 (П403, П416, П422, ГТ308 и др. высокочастотные) должны иметь коэффициент h21Э от 80 до 150. Различие в коэффициёнте h21Э для транзисторов V7 и V8 не должно превышать 20–30 %. Каркас катушки L1 выточи из органического стекла или полистирола по чертежам, показанным на рис. 355, а. Подстроечный сердечник катушки выточи из алюминия, а в его «пяточке» сделай шлиц для отвертки. Перемещая сердечник внутри катушки, ты будешь настраивать задающий контур на необходимую частоту. Во избежание самопроизвольного вывинчивания сердечника между ним и внутренней поверхностью каркаса вставь кусочек резины сечением 1х1 мм. Катушку намотай проводом ПЭВ-1 0,4–0,5, уложив на каркасе 10 витков. Более точно число витков установишь в процессе налаживания задающего генератора.

Катушки L2 и L3 намотай на двухсекционном каркасе, выточенном из органического стекла по чертежам, приведенным на рис. 355, б. Катушка L2 должна содержать 14 витков провода ПЭВ-1 0,5, уложенных по семь витков в каждой секции, с шагом намотки 1 мм. Катушку L3 намотай проводом диаметром 0,8 мм в поливинилхлоридной изоляции поверх катушки L2. Всего она должна содержать четыре витка — по два витка в каждой секции, но намотанных в равные стороны. Наматывай катушку так: отрезок провода длиной примерно 300 мм оголи в середине на длине 30–40 мм, сложи провод вдвое, а оголенный участок скрути и пропаяй — это будет средний вывод катушки L3. Закрепи его в прорези среднего фланца каркаса, а половинки провода намотай в разных направлениях. Крайние витки катушки аккуратно закрепи шелковой ниткой. Длинные выводы катушки L3 пойдут к базам транзисторов V7 и V8.

Рис. 355. Катушка L1 и каркас катушек L2 и L3 задающего генератора

Катушки L4 и L5 (рис. 356) бескаркасные, причем катушка L4 имеет пластинки, скрепляющие витки.

Рис. 356. Катушки усилителя мощности и их монтаж

Обе катушки вместе с подстроечным конденсатором С20 монтируй на пластинке из органического стекла, которую затем прикрепишь к плате в вертикальном положении (см. рис. 354, б). Для обеих катушек подойдет медный посеребренный, с эмалевой изоляцией или в, крайнем случае голый медный провод диаметром 1,8–2 мм. Катушку L4 намотай на каком-либо круглом предмете диаметром 20–21 мм, уложив плотным рядом 9-10 витков. Концы провода откуси, чтобы в спирали остались только целые витки. Заготовь из органического стекла две пластинки шириной 5 и длиной по 25–28 мм. Просверли в них отверстия, равные по диаметру проводу. Расстояние между центрами отверстий 3 мм. Затем вверни один за другим витки спирали в отверстия пластинок. В окончательном виде катушка L4 должна иметь восемь витков. Концы провода, не входящие в это число витков, отогни и выправь — это будут выводы, которыми катушку припаяешь к контактным ламелям на плате. Отвод сделай точно от середины катушки гибким изолированным проводником.

Катушка L5 имеет два витка с наружным диаметром 15–16 мм, расстояние между витками 2 мм. Ее надо разместить точно в середине катушки L4 (без соприкосновения с нею) и припаять выводами к крайним ламелям. Дроссели L6 и L7 намотай на резисторах МЛТ-0,5 сопротивлением не менее 30 кОм, уложив на их корпусах внавал по 60 витков провода ПЭВ-1 0,12-0.15.

Детали этого блока передатчика размещай на плате, придерживаясь рис. 354, что избавит тебя от случайных ошибок. Все соединительные проводники должны быть возможно короткими.

Транзисторы впаивай по мере настройки каскадов: сначала транзистор V6 задающего генератора, затем, когда наладишь этот каскад, транзисторы V7 и V8 усилителя мощности.

Когда смонтируешь задающий генератор» подведи к ламелям 9 и 11 платы питающее напряжение 12 В. Если ошибок в монтаже нет и детали предварительно проверены, генератор должен сразу начать работать. Потребуется только установить диапазон генерируемых им колебаний, что можно сделать по резонансному волномеру. Схема и конструкция простого резонансного волномера показаны на рис. 357.

Рис. 357. Резонансный волномер

Прибор представляет собой детекторный приемник, на выход которого можно подключить индикатор настройки микроамперметр РА1 или головные телефоны В1. Шкалу прибора градуируют в частотах. Детектор V1 — любой точечный диод. Микроамперметр РА1 на ток 100–500 мкА.

Катушку волномере намотай медным проводом диаметром 1,5–1,8 мм на каркасе диаметром 32 мм, например на пластмассовом цоколе радиолампы 6Н8С, 6П6С или им подобной. Число витков семь, расстояние между витками 1,5–2 мм. Концы катушки закрепи в отверстиях, просверленных в каркасе. Конденсатор С1 подстроечный с воздушным диэлектриком или керамический типа КПК-1. При таких данных контура волномер перекрывает диапазон частот примерно от 25 до 32 МГц.

Используя конденсатор КПК, удлини ось его ротора, припаяв к ней снизу отрезок толстой проволоки, на который можно насадить ручку с указателем настройки прибора.

Детали прибора монтируй на гетинаксовой пластине, которую удобно было бы держать в руке. Для градуирования шкалы волномера тебе придется обратиться в местную радиошколу или спортивно-технический клуб ДОСААФ, в радиолабораторию станции или клуба юных техников, где есть УКВ сигнал-генератор. К выходным зажимам сигнал-генератора подключи катушку из трех-четырех витков провода диаметром 25–30 мм, а возле расположи катушку волномера. Подав на выход сигнал-генератора сигнал частотой 28,85 МГц, промодулированный колебаниями звуковой частоты, настрой на него контур волномера. В момент резонанса в телефонах, подключенных к выходным зажимам волномера, должен отчетливо прослушиваться звуковой тон модуляции, а стрелка микроамперметра, подключенного вместо телефонов, должна давать наибольшее отклонение. Изменяя индуктивность катушки контура волномера путем сближения ее витков или увеличением расстояния между ними, добейся, чтобы настройка волномера на эту частоту сигнал-генератора была при средней емкости контурного конденсатора C1. Затем, уже не трогая витков катушки, проградуируй всю шкалу частот, перекрываемых волномером.

Закончив градуировку шкалы волномера, сразу же витки катушки приклей к ее каркасу клеем БФ-2, чтобы они не сползали, иначе может измениться собственная частота контура, нарушиться градуировка шкалы прибора.

Теперь, пользуясь резонансным УКВ волномером как эталоном, ты должен настроить контур задающего генератора передатчика на частоту 28,1 МГц — среднюю частоту участка 28,0-28,2 МГц. Делай это так. Катушку волномера поднеси к катушке L1 контура генератора на расстояние 2–3 см. При этом ротор подстроечного конденсатора С13 установи в положение средней емкости, а цепи база-эмиттер транзисторов V7 и V8, пока не впаянных в усилитель мощности, замени эквивалентными: параллельной цепочкой из резистора сопротивлением 100 Ом и конденсатора емкостью 24 пФ. Если не удастся перемещением сердечника катушки L1 настроить контур на нужную частоту, то соответственно изменяй число витков катушки. Подгонку индуктивности катушки L1 можешь считать законченной, если при среднем положении сердечника частота задающего генератора близка к 28,1 МГц.

Теперь переходи к настройке контура L2C13. Для этого собери на плате две дополнительные измерительные цепи, схемы которых показаны на рис. 358 справа. Диоды (Д9 или Д2 с любым буквенным индексом, но однотипные) припаяй непосредственно к тем монтажным стойкам, к которым должны подключаться базовые выводы транзисторов V7 и V8 (на рис. 354, б и 358 — точки а и б). Вращая ротор конденсатора С13, добейся максимальных показаний микроамперметров РА. Если показания приборов различаются больше чем на 20–30 %, то сдвинь поближе витки в той секции катушки L3, в цепи которой меньший ток. После настройки задающего генератора детали дополнительных измерительных цепей удали, впаяй транзисторы V7 и V8 и переходи к налаживанию усилителя мощности.

Рис. 358. Дополнительные измерительные цепи для настройки задающего генератора

Колебательный контур L4C20 усилителя мощности настраивай в резонанс с частотой генератора в такой последовательности. Антенную катушку L5 нагрузки на резистор сопротивлением 75 Ом, соответствующий сопротивлению излучения настроенной антенны. Параллельно этому резистору подключи такую же измерительную цепь, какую ты подключал к одному из плеч катушки L3, но с миллиамперметром на ток 1 мА. В момент настройки контура L4C20 в резонанс с частотой генератора показание прибора должно быть максимально.

Настраивая контуры L2C13 и L4C20, роторы подстроечных конденсаторов C13 и С20 вращай отверткой, изготовленной из органического стекла, эбонита или другого диэлектрического материала.

Симметричность работы выходных транзисторов проще всего определить, сравнивая постоянные напряжения на резисторах R26 и R27. При одинаковых коллекторных токах обоих транзисторов эти напряжения равны. Если они не равны, то замени транзисторы V7 и V8 другими с одинаковыми параметрами.

Все элементы передатчика, включая антенну, кнопки управления, батарею и выключатель питания, укрепи на лицевой панели его футляра (рис. 359) и соедини многожильными изолированными проводниками.

Рис. 359. Монтаж передатчика в футляре

Эту панель вырежь из листового алюминия толщиной 1,5–1,8 мм. Отверстия в панели сверли с учетом размеров деталей. Если у тебя не окажется подходящих кнопок, замени их тумблерами. Плату задающего генератора с усилителем мощности и плату модулятора крепи к панели на трубчатых стойках длиной 30–35 мм, а батарею питания (три батареи 3336Л) с помощью жестяных хомутов.

Антенна передатчика отрезок толстой медной проволоки, алюминиевой или латунной трубки длиной 1,6 м. Опорами антенны служат стойки. Нижняя стойка является одновременно контактной, соединяющей антенну с катушкой связи L5 выходного каскада передатчика. Верхняя стойка только удерживает антенну в вертикальном положении; ее надо выточить из изоляционного материала. Вообще же антенну желательно сделать разборной из четырех колен длиной по 40 см, соединяющихся подобно коленам удилища с помощью втулок или вкладышей. Разумеется, соединительные детали должны обеспечивать надежные контакты и прочность антенны в целом.

Футляр передатчика — алюминиевая коробка по размерам передней панели и глубиной 75–80 мм. Если у тебя найдется металлическая коробка подходящих размеров, ее также можно использовать в качестве футляра, изменив соответственно размеры передней панели, но сохранив на ней то же размещение деталей.

Для проверки работы передатчика в целом тебе придется собрать еще один измерительный прибор — индикатор напряженности поля, схема которого показана на рис. 360.

Рис. 360. Индикатор напряженности поля

Это тоже детекторный приемник, но с транзисторным усилителем постоянного тока, на выход которого включен по схеме измерительного моста микроамперметр РА1. Индикатор питается от батареи 3336Л. Его контурная катушка L1, конденсатор настройки С2 и детектор V1 точно такие же, как в резонансном волномере. Детектор подключи к третьему витку катушки, считая от нижнего конца. Транзистор с коэффициентом передачи тока h21Э не менее 60; микроамперметр на ток 100–500 мкА. Переменный резистор R4 служит для установки стрелки микроамперметра на «нуль» перед началом измерений. Антенна прибора — отрезок медной или латунной проволоки диаметром 2,5–3 мм длиной 50–60 см. Градуируй прибор с помощью УКВ сигнал-генератора.

Индикатор напряженности поля должен быть переносным, чтобы можно было измерять поле в различных точках вокруг антенны передатчика. Что же касается его конструкции, то она может быть произвольной. Важно лишь, чтобы футляр был металлическим, выполняющим роль экрана. Иначе сигналы передатчика могут попадать на колебательный контур, минуя антенну, и показания прибора могут быть ошибочными.

При точной настройке контура индикатора на несущую частоту передатчика стрелка микроамперметра должна отмечать незначительные, но все же заметные показания. По мере улучшения настройки выходного каскада передатчика и согласования с ним антенны микроамперметр индикатора должен показывать увеличивающийся ток, что свидетельствует о повышении мощности радиоволн, излучаемых антенной передатчика. При этом положение человека, производящего измерения, по отношению к антенне индикатора напряженности поля не должно изменяться. В противном случае показания прибора будут «плавающими».

Проверяя — работу передатчика, индикатор напряженности поля располагай на расстоянии 1–2 м от него. Поскольку задающий генератор с усилителем мощности и модулятор предварительно проверены и налажены, при включении питания стрелка прибора индикатора должна отклониться на несколько делений. Это укажет на исправную работу передатчика. Подстрой индикатор по частоте — стрелка прибора отклонится за пределы шкалы. Отнеси индикатор на большее расстояние так, чтобы стрелка прибора оказалась примерно в средней части шкалы. Если же индикатор при включенном передатчике ничего не показывает, то ищи неисправность в монтаже.

Окончательно качество работы передатчика проверяют совместно с приемником радиоуправляемой модели.

Приемник. Принципиальная схема приемной аппаратуры, рассчитанной на совместную работу с описанным здесь передатчиком, показана на рис. 361.

Рис. 361. Принципиальная схема двухкомандного приемника радиоуправляемой модели

Приемник, как и передатчик, двухкомандный. Число исполнительных команд можно увеличить добавлением селективных электронных реле.

Первый каскад на транзисторе V1 является сверх регенеративным детектором, обеспечивающим приемнику необходимую чувствительность.

Чем сверхрегенератор отличается от обычного регенератора — однокаскадного приемника прямого усиления с положительной обратной связью между выходной и входной цепями? Регенератор работает в режиме, близком к порогу возникновения генерации: достаточно немного усилить обратную связь, как он самовозбуждается и становится генератором колебаний радиочастоты. Сверхгенератор же работает за порогом генерации. Но собственные колебания в его контуре имеют не постоянный, как в регенераторе, а прерывистый характер — они возникают «вспышками». Частота этих вспышек, называемая частотой гашения, определяется режимом транзистора. В остальном сверхгенератор работает так же, как обычный регенератор, т. е. детектирует модулированные колебания радиочастоты и усиливает колебания звуковой частоты. Благодаря прерывистой генерации сверхрегенератор обладает исключительно высокой чувствительностью, с которой не могут соперничать даже многие супергетеродины, не говоря уже о приемниках прямого усиления.

Характерная особенность в работе сверхрегенератора — шум в телефоне (напоминающий шипение). Но он слышен только тогда, когда нет приема. Когда же в контуре появляются модулированные колебания принятого сигнала, этот шум пропадает.

Колебательный контур L1C2, являющийся входным контуром сверхрегенеративного детектора приемника, настраивают на частоту 28,1 МГц (среднюю частоту участка 28,0-28,2 МГц). Частота гашения определяется данными цепочки R1C4 и равна 60-100 кГц. Наивыгоднейший режим сверхрегенератора устанавливают подбором резистора R2 (от 2 до 15 кОм), добиваясь от каскада максимальной чувствительности. Устойчивость работы сверхрегенеративного каскада достигается подбором емкости конденсатора С3.

Как приемник работает? Командный сигнал, посланный передатчиком, наводится в антенне W1 и через конденсатор С1 поступает в колебательный контур L1C2. Катушка L1 имеет алюминиевый сердечник, которым, изменяя ее индуктивность, входной колебательный контур приемника настраивают на несущую частоту передатчика. Выделенный контуром L1C2 командный сигнал детектируется и усиливается транзистором V1 сверхрегенератора. В результате на резисторе R1 выделяется переменное напряжение с частотой, равной частоте модуляции передатчика, т. е. командного сигнала. Но на этом резисторе выделяется еще и напряжение частоты гашения сверх генератора (60-100 кГц), амплитудное значение которого значительно больше напряжения полезного командного сигнала. Поэтому между сверх регенератором и вторым каскадом приемника включен фильтр R4C8, пропускающий полезный сигнал и задерживающий (фильтрующий) напряжение частоты гашения. Без такого фильтра последующие каскады будут перегружены напряжением частоты гашения и приемник не будет реагировать на командный сигнал. В хорошо налаженном сверхрегенеративном каскаде на выходе такого фильтра RC напряжение полезного сигнала должно быть равно 3–5 мВ.

Командный сигнал с выхода фильтра R4C8 через разделительный конденсатор С7 поступает на базу транзистора V2 первого каскада усиления напряжения звуковой частоты, а с его нагрузочного резистора R5 непосредственно на базу транзистора V3 второго каскада усилителя. Нагрузкой транзистора этого каскада служит резистор R6. Создающееся на нем напряжение командного сигнала подается на вход ограничительного каскада, а с его выхода — на вход дешифратора.

Смещение на базу транзистора V2 подается с эмиттерного резистора R8 транзистора V3 через резистор R7. Через резистор R7, кроме того, осуществляется отрицательная обратная связь по току между транзисторами V3 и V2, что термостабилизирует работу этих каскадов приемника. Смещение на базе транзистора V3 зависит от режима работы транзистора V2, так как связь между транзисторами непосредственная.

Каскад на транзисторе V4 и дешифратор этого приемника являются повторением аналогичных узлов приемника звукоуправляемой модели (см. рис. 344), только изменены данные некоторых деталей. Поэтому говорить здесь о работе этих узлов и настройке фильтров селективных электронных реле считаю излишним. А если тебе что-то будет непонятным, почитай начало этой части беседы.

Питать приемник можно от батареи «Крона» или аккумуляторной батареи 7Д-0,1. Можно, конечно, составить ее из двух батарей 3336Л, но тогда несколько увеличится общая масса приемной аппаратуры. Ток, потребляемый приемником от батареи, около 20 мА.

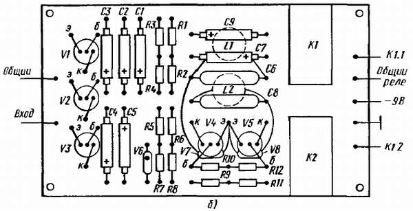
Приемник вместе с дешифратором монтируй «точно так же, как приемник звукоуправляемой модели. Примерные размеры платы и схема размещения на ней деталей показаны на рис. 362.

Рис. 362. Монтажная плата приемника (вид со стороны деталей)

Конструкция и данные катушки L1 входного контура сверхрегенератора и дросселя L2 этого каскада точно такие, как конструкции и данные катушки L1 (см. рис. 355, а) и дросселя L6 передатчика. Катушки L2 и L3 фильтра СЭР1 и СЭР2 и электромагнитные реле К1 и К2 ничем не отличаются от таких же элементов дешифратора приемника звукоуправляемой модели. И если ты построил, наладил и проверил в работе приемник той модели, то теперь ты можешь переделать его на приемник радиоуправляемой модели.

Коэффициент h21Э транзистора V1 не менее 80, остальных транзисторов не менее 40. В качестве антенны используй отрезок многожильного провода длиной 60-100 см с надежной изоляцией. Готовый приемник помести в футляр из листового органического стекла, защищающий его от механических повреждений. На одной из стенок футляра укрепи две ламели (на схеме — контакты 4 и 5), которые будут служить выводами для подключения телефонов при проверке и наладке аппаратуры в полевых условиях.

Налаживание приемника, как и приемника звукоуправляемой модели, начинай с проверки и настройки фильтров дешифратора на командные частоты передатчика (см. с. 588). При налаживании ограничительного каскада на транзисторе V4 строго придерживайся методики налаживания такого же каскада приемника звукоуправляемой модели.

Приступая к налаживанию сверхрегенератора, проверь напряжения в точках а, б и в (см. рис. 361). В точке а относительно плюсового проводника напряжение питания должно быть примерно 2, в точке б — 6, в точке в около 2 В. Наивыгоднейший режим работы сверхрегенератора устанавливай подбором резистора R2 делителя напряжения R2, R3. Вместо него можно впаять переменный резистор сопротивлением 47–51 кОм и с его помощью добиваться характерного для сверхрегенератора «суперного» шума в высокоомных телефонах, подключенных к контактам 4 и 5. Затем отойди от передатчика на расстояние 3–5 м. Попроси товарища подавать непрерывно передатчиком командный сигнал, а ты, изменяя сердечником индуктивность катушки L1 входного контура, настраивай приемник на несущую частоту передатчика. Если только сердечником не удается точно настроить контур на частоту передатчика, подбирай емкость конденсатора С2 этого контура. При точной настройке на командный сигнал передатчика селективное электронное реле должно сработать.

После такой проверки приемника его можно ставить на модель.

Если для радиоуправления моделью потребуется число команд больше двух, сделай еще одну плату таких же размеров, как плата приемника, смонтируй на ней дополнительные СЭР дешифратора и свинти ее с платой приемника наподобие этажерки, как показано на рис. 363. В этом случае и передатчик придется дополнить соответствующим числом частотозадающих цепочек генератора, модулятора и кнопок. Кнопки можно заменить рычагом управления передатчиком.

Рис. 363. Плата приемника с дополнительными селективными электронными реле:

1 — плата приемника: 2 — изоляционная прокладка; 3 — плата дополнительных СЭР

Более 800 000 книг и аудиокниг! 📚

Получи 2 месяца Литрес Подписки в подарок и наслаждайся неограниченным чтением

ПОЛУЧИТЬ ПОДАРОК