Модуляция сигнала трехточечных LC-генераторов
Схемотехнические решения, основанные на подаче модулирующего НЧ-сигнала непосредственно в цепь базы транзистора активного элемента, широко применяются при разработке модуляторов для ВЧ-генераторов, выполненных по трехточечным схемам. Однако в миниатюрных транзисторных радиопередающих устройствах на биполярных транзисторах LC-генераторы, выполненные по индуктивной трехточечной схеме, применяются сравнительно редко. Поэтому в данном разделе рассмотрены лишь схемотехнические решения модуляторов для LC-генераторов с емкостным делителем, выполненных по схеме емкостной трехточки.
Принципиальная схема одного из вариантов подачи модулирующего сигнала на LC-генератор с емкостным делителем приведена на рис. 4.8.

Рис. 4.8. Принципиальная схема модулятора для LC-генератора с емкостным делителем (вариант 1)
В данном случае положение рабочей точки транзистора VТ1, по постоянному току включенного по схеме с общим эмиттером, определяется величиной сопротивления резистора R1. По переменному току транзистор включен по схеме с общей базой, поскольку по высокой частоте его база заземлена через конденсатор С2.
Модулирующий НЧ-сигнал подается на базу транзистора VT1 через разделительный конденсатор С1. В соответствии с мгновенным значением этого сигнала изменяется величина напряжения смещения, подаваемого на базу транзистора VT1, то есть изменяется положение рабочей точки транзистора. В результате НЧ-сигнал, формируемый на коллекторе транзистора VT1, инициирует изменение падения напряжения на резонансном контуре, при этом по закону модулирующего сигнала происходит изменение амплитуды и частоты сигнала ВЧ-генератора. Таким образом, на коллекторе транзистора VT1 формируется модулированный сигнал.
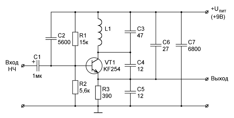
Принципиальная схема еще одного варианта подачи модулирующего сигнала на LC-генератор с емкостным делителем приведена на рис. 4.9.

Рис. 4.9. Принципиальная схема модулятора для LC-генератора с емкостным делителем (вариант 1)
В этой конструкции транзистор VТ1 по постоянному току включен также по схеме с общим эмиттером. Однако, в отличие от рассмотренной ранее схемы, положение рабочей точки транзистора определяется величинами и соотношением сопротивлений делителя, в состав которого входят резисторы R1 и R2. Эти же резисторы совместно с резистором R3 образуют схему стабилизации положения рабочей точки транзистора. Модулированный сигнал снимается с эмиттера транзистора VТ1.
Более 800 000 книг и аудиокниг! 📚
Получи 2 месяца Литрес Подписки в подарок и наслаждайся неограниченным чтением
ПОЛУЧИТЬ ПОДАРОК