Трехточечные LC-генераторы
В конструкциях малогабаритных транзисторных радиопередающих устройств широкое распространение получили ВЧ-генераторы с трехточечным включением резонансного контура, то есть выполненных по схеме так называемой трехточки. Этот термин основан на применяемых при разработке таких устройств соответствующих схемотехнических решениях, для которых характерно подключение резонансного контура к активному элементу в трех точках.
Необходимо отметить, что в специализированной литературе и в сети Интернет можно найти большое количество конструкций транзисторных трехточечных LC-генераторов, которые представляют собой модификации основополагающих схемотехнических решений и лишь на первый взгляд имеют принципиально значимые отличия от классических схем. В связи с ограниченным объемом предлагаемой книги в данном разделе будут рассмотрены особенности построения и функционирования транзисторных трехточечных LC-генераторов, основу которых составляют лишь наиболее часто применяемые при создании миниатюрных радиопередатчиков схемотехнические решения.
В зависимости от схемы включения по высокой частоте активного элемента транзисторного ВЧ-генератора возможны три основных варианта включения как индуктивной, так и емкостной трехточек: по схеме с общей базой, по схеме с общим эмиттером и по схеме с общим коллектором. Упрощенные принципиальные схемы транзисторных трехточечных LC-генераторов приведены на рис. 3.5. Особенностью данных схемотехнических решений является включение активного элемента (биполярный транзистор) по переменному току по схеме с общей базой.

Рис. 3.5. Упрощенные принципиальные схемы LC-генераторов с индуктивной (а) и емкостной (б) трехточками
В высокочастотном LC-генераторе, выполненном по индуктивной трехточечной схеме (рис. 3.5а), резонансный контур (селективный элемент) образован включенными последовательно катушками L1, L2 и подключенным параллельно им конденсатором С1. Этот контур включен в цепь выходного электрода активного элемента, то есть в цепь коллектора транзистора VT1. В процессе генерации сигнал обратной связи снимается с точки соединения катушек L1, L2 и подается в цепь эмиттера, который является входным электродом активного элемента. Таким образом, селективный элемент оказывается подключенным к транзистору в трех точках. На практике в индуктивных трехточечных генераторах вместо двух катушек применяется одна катушка с отводом, поэтому часто такую схему называют трехточкой по схеме Хартли.
В высокочастотном LC-генераторе, выполненном по емкостной трехточечной схеме (рис. 3.5б), резонансный контур образован включенными последовательно конденсаторами С1, С2 и подключенной параллельно им катушкой L1. Этот контур включен в цепь выходного электрода активного элемента, то есть в цепь коллектора транзистора VT1. В процессе генерации сигнал обратной связи снимается с точки соединения конденсаторов С1, С2, образующих так называемый емкостной делитель, и подается в цепь эмиттера, который является входным электродом активного элемента. Таким образом, в данном случае селективный элемент также подключен к транзистору в трех точках, но уже с помощью емкостного делителя. Впервые использовать емкостной делитель в цепи положительной обратной связи лампового LC-генератора предложил американский изобретатель Эдвин Колпитц (Edwin Colpitts) в 1919 году, поэтому часто такую схему называют трехточкой по схеме Колпитца.
Следует признать, что в миниатюрных транзисторных радиопередающих устройствах LC-генераторы, выполненные по индуктивной трехточечной схеме, применяются сравнительно редко. Поэтому далее будут рассмотрены схемотехнические решения LC-генераторов с емкостным делителем, выполненных по схеме емкостной трехточки. Принципиальная схема одного из вариантов генератора с емкостным делителем в цепи положительной обратной связи приведена на рис. 3.6.

Рис. 3.6. Принципиальная схема генератора с емкостным делителем (вариант 1)
В рассматриваемой конструкции транзистор VТ1 по постоянному току включен по схеме с общим эмиттером. При этом положение рабочей точки транзистора определяется величиной сопротивления резистора R1. По переменному току транзистор VТ1 включен по схеме с общей базой, поскольку по высокой частоте его база заземлена через конденсатор С1.
Высокочастотные колебания возникают в колебательном контуре, включенном между коллектором и базой транзистора. Резонансный контур, образованный конденсаторами С2, С3, С4 и катушкой L1, включен на выходе активного элемента, то есть в коллекторной цепи транзистора VТ1. Снимаемое с емкостного делителя, образованного конденсаторами С3 и С4, напряжение подается во входную цепь активного элемента, а именно на эмиттер транзистора VТ1, в результате чего каскад оказывается охваченным положительной обратной связью. Величина указанного напряжения, и, соответственно глубина обратной связи, определяется соотношением величин емкостей конденсаторов С3 и С4.
Как и в других схемотехнических решениях подобных высокочастотных LC-генераторов, в данной схеме коллектор транзистора VT1 подключен непосредственно к нижнему по схеме выводу катушки L1. В этом случае глубина положительной обратной связи определяется лишь соотношением величин емкостей конденсаторов С3 и С4. Однако часто коллектор транзистора подключается к отводу от соответствующего витка катушки L1. В этом случае глубина связи цепи ПОС с выхода активного элемента на его вход зависит и от выбора витка катушки, к которому подключается коллектор транзистора VT1.
Настройка контура при регулировке частоты генерируемых колебаний осуществляется преимущественно изменением индуктивности катушки L1 и конденсатора С2, поскольку изменение емкостей конденсаторов С3 и С4 приведет к изменению параметров цепи обратной связи. Помимо этого изменение индуктивности катушки при увеличении частоты колебаний повышает добротность резонансного контура. Затухание колебаний в резонансном контуре, инициированное высоким выходным сопротивлением транзистора VТ1, весьма незначительно.
Как уже отмечалось, зависимость стабильности частоты генерируемых колебаний от положения рабочей точки транзистора минимальна при его включении по переменному току по схеме с общей базой. Коллекторный ток мало зависит от напряжения между коллектором и базой транзистора. В данном случае транзистор работает в режиме практически со 100 % обратной связью, поэтому коэффициент усиления каскада по току почти равен единице. Это означает, что коллекторный ток почти равен току эмиттера, однако протекает в противоположном направлении. Помимо этого, в активном элементе ВЧ-генератора, выполненном на транзисторе, включенном по схеме с общей базой, не происходит поворот фазы выходного напряжения по отношению к входному напряжению. К тому же входное сопротивление такого каскада сравнительно мало и составляет обычно единицы или десятки ом, в то же время его выходное сопротивление на несколько порядков выше.
Принципиальная схема еще одного варианта генератора емкостным делителем приведена на рис. 3.7. Ее главное отличие от рассмотренного ранее схемотехнического решения заключается в ином подключении конденсатора С1, а также в изменении схемотехнического решения емкостного делителя в цепи обратной связи.

Рис. 3.7. Принципиальная схема генератора с емкостным делителем (вариант 2)
По постоянному току транзистор VТ1 в данной схеме включен по схеме с общим эмиттером. При этом положение рабочей точки транзистора определяется величинами и соотношением сопротивлений делителя, в состав которого входят резисторы R1 и R2. Эти же резисторы совместно с резистором R3 образуют схему стабилизации положения рабочей точки. По переменному току транзистор VТ1 включен по схеме с общей базой, поскольку по высокой частоте его база заземлена через конденсатор С1.
Высокочастотные колебания возникают в колебательном контуре, включенном между коллектором и базой транзистора. Резонансный контур, образованный конденсаторами С2, С3, С4 и катушкой L1, включен на выходе активного элемента, то есть в коллекторной цепи транзистора VТ1. При анализе данного схемотехнического решения не следует забывать о том, что верхний по схеме вывод катушки L1 подключен к источнику питания, который имеет такой же высокочастотный потенциал, как и шина корпуса, и, соответственно, как и база транзистора VТ1.
Снимаемое с резонансного контура напряжение через емкостной делитель, образованный конденсаторами С3 и С4, подается во входную цепь активного элемента, а именно на эмиттер транзистора VТ1, в результате чего каскад оказывается охваченным положительной обратной связью. Величина указанного напряжения, и, соответственно глубина обратной связи, определяется соотношением величин емкостей конденсаторов С3 и С4.
В малогабаритных транзисторных радиопередающих устройствах широкое распространение получили более сложные схемотехнические решения LC-генераторов с емкостным делителем. Принципиальная схема одного из вариантов такого ВЧ-генератора, который может формировать колебания на частотах ЧМ– и FM-диапазонов, приведена на рис. 3.8.

Рис. 3.8. Принципиальная схема LC-генератора с усовершенствованным емкостным делителем
В данном случае транзистор VТ1 по постоянному току включен также по схеме с общим эмиттером. Как и в рассмотренной ранее схеме, положение рабочей точки транзистора определяется величинами и соотношением сопротивлений делителя, в состав которого входят резисторы R1 и R2. Эти же резисторы совместно с резистором R3 образуют схему стабилизации положения рабочей точки. По переменному току транзистор VТ1 включен по схеме с общей базой, поскольку по высокой частоте его база заземлена через конденсатор С1.
Высокочастотные колебания возникают в резонансном контуре, включенном по переменному току между коллектором и базой транзистора. Резонансный контур образован конденсаторами С2, С3, С4, С5 и катушкой L1, включен в коллекторную цепь транзистора VТ1. Снимаемое с емкостного делителя напряжение ОС подается во входную цепь активного элемента, а именно на эмиттер транзистора VТ1, в результате чего каскад оказывается охваченным положительной обратной связью.
В рассмотренных выше схемотехнических решениях трехточечных LC-генераторов транзистор активного элемента по переменному току включен по схеме с общей базой. Однако при разработке миниатюрных транзисторных радиопередатчиков и радиомикрофонов широко используются схемы, в которых транзистор активного элемента по переменному току включен по схеме с общим коллектором.
В активном элементе высокочастотного генератора, выполненном на транзисторе, включенном по схеме с общим коллектором, нагрузка подключена в цепь эмиттера транзистора, а выходное напряжение снимается с эмиттера по отношению к шине корпуса. Входное сопротивление такого каскада, часто называемого эмиттерным повторителем, в десятки раз выше, чем у каскада с общим эмиттером, а выходное сопротивление, наоборот, сравнительно мало. Помимо этого коэффициент усиления по току у эмиттерного повторителя почти такой же, как и у каскада по схеме с общим эмиттером. Однако коэффициент усиления по напряжению близок к единице, причем всегда меньше ее. Необходимо отметить, что в схеме с общим коллектором отсутствует фазовый сдвиг между входным и выходным сигналами.
Расчеты показывают, что практическая реализация LC-генератора по схеме емкостной трехточки при включении транзистора по переменному току по схеме с общим коллектором представляет определенные трудности вследствие сравнительно малой индуктивности катушки резонансного контура (до единиц нГн). Поэтому при разработке ВЧ-генераторов малогабаритных транзисторных радиопередающих устройств часто используется схемотехническое решение, основанное на замене катушки с малой индуктивностью последовательно включенными конденсатором и катушкой индуктивности. При этом на рабочей частоте комплексное сопротивление этого последовательного колебательного контура должно быть таким же, как и у катушки в классической схеме трехточки. Впервые использовать последовательный колебательный контур в LC-генераторе по схеме емкостной трехточки предложил в 1948 году американский изобретатель Джеймс Клапп (James Clapp), поэтому часто такую схему называют схемой Клаппа. Отличительной особенностью LC-генераторов, выполненных по схеме Клаппа, является сравнительно высокая стабильность частоты.
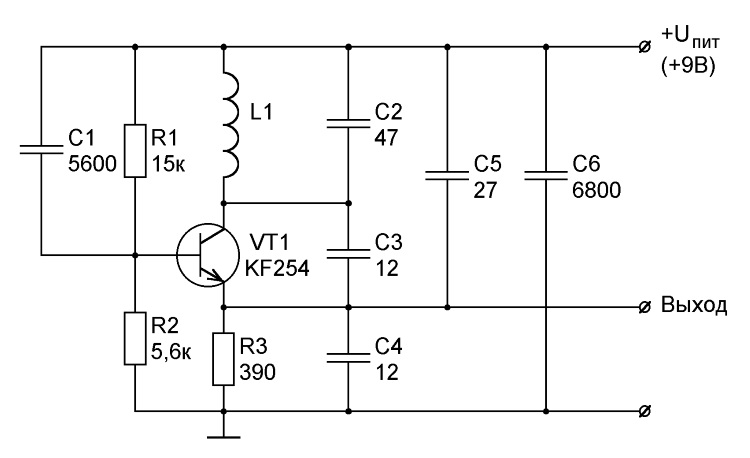
Принципиальная схема одного из вариантов LC-генератора, выполненного по схеме Клаппа на биполярном транзисторе, включенном по переменному току по схеме с общим коллектором, приведена на рис. 3.9.

Рис. 3.9. Принципиальная схема LC-генератора по схеме Клаппа
По постоянному току транзистор VТ1 в данной схеме включен по схеме с общим эмиттером. При этом положение рабочей точки транзистора определяется величинами и соотношением сопротивлений делителя, в состав которого входят резисторы R1 и R2. Эти же резисторы совместно с резистором R3 образуют мостовую схему стабилизации положения рабочей точки. По переменному току транзистор VТ1 включен по схеме с общим коллектором, поскольку по высокой частоте его коллектор заземлен через шунтирующий конденсатор С5.
Последовательный колебательный контур в данной схеме образован катушкой L1 и конденсатором С2. Параллельно этому контуру включены конденсаторы С3 и С4, образующие емкостной делитель. Коэффициент передачи цепи обратной связи или глубина обратной связи зависит как от величин емкостей указанных конденсаторов, так и от соотношения этих значений. Таким образом, селективный элемент включен между эмиттером (выход активного элемента) и базой (вход активного элемента) транзистора VТ1. Формируемый генератором сигнал синусоидальной формы снимается с эмиттера транзистора.
На частоте резонанса через последовательный контур протекает наибольший ток (ток резонанса). Если емкость конденсаторов С3 и С4 будет велика, то их реактивное сопротивление будет сравнительно мало. В результате падение напряжения на них, инициированное протекающим через эти конденсаторы током резонанса, также будет мало. В этом случае связь активного элемента с резонансным контуром минимальна, поскольку по высокой частоте цепочка конденсаторов С3 и С4 представляет собой практически короткозамкнутую цепь.
При уменьшении величин емкостей конденсаторов С3 и С4 падение напряжения на них возрастает, соответственно увеличивается связь между активным элементом и резонансным контуром. При определенном значении реактивного сопротивления конденсаторов связь между эмиттером транзистора VТ1 и его базой станет достаточной для того, чтобы каскад начал работать в режиме генерации высокочастотных колебаний.
Как уже отмечалось, в рассматриваемом генераторе транзистор VТ1 по переменному току включен по схеме с общим коллектором, для которой характерны большое входное и малое выходное сопротивления. Из схемы видно, что величина входного сопротивления каскада между резонансным контуром и цепью базы транзистора VТ1 определяется величиной емкости конденсатора С3. Величина выходного сопротивления между цепью эмиттера транзистора VТ1 и резонансным контуром, в свою очередь, определяется величиной емкости конденсатора С4.
Параметры данного генератора зависят не только от величин емкостей конденсаторов С3 и С4, но и от соотношения этих величин. Срыв генерации весьма вероятен при слишком большой емкости конденсатора С3, однако при ее уменьшении режим генерации восстанавливается. Поэтому в данной схеме для достижения стабильности работы в режиме генерации значениям емкостей конденсаторов С3 и С4 следует уделить особое внимание. На практике в радиолюбительских условиях величины емкостей конденсаторов С1 и С2, а также их соотношение рекомендуется подбирать экспериментально. Не следует забывать о том, что при замене резистора R3 дросселем (с целью снижения величины питающего напряжения) емкость конденсатора С4 следует увеличить так, чтобы уменьшить связь между цепью эмиттера транзистора VТ1 и резонансным контуром.
Естественно, стабильная работа генератора обеспечивается соответствующим режимом работы, определяемым правильным выбором положения рабочей точки транзистора активного элемента. Обычно для ее стабилизации используется мостовая схема, которую в данном случае образуют резисторы R1, R2 и R3.
В некоторых случаях между резонансным контуром и базой транзистора VТ1 включается конденсатор С1 сравнительно большой емкости. Малое реактивное сопротивление этого конденсатора не влияет на частоту генерации. В то же время применение этого конденсатора обеспечивает отделение базы транзистора VТ1 от резонансного контура по постоянному току. В результате возможное короткое замыкание между обкладками конденсатора С2 не влияет на положение рабочей точки транзистора.
В рассматриваемой схеме значение резонансной частоты генератора определяется не только параметрами элементов, входящих в состав резонансного контура, но и параметрами реактивного сопротивления подключаемой к резонансному контуру нагрузки. В данном случае речь идет о транзисторе VТ1 и цепях его обвязки. Поэтому желательно добиваться минимального влияния цепей обратной связи на контур, а также выбирать транзистор с соответствующими параметрами.
Естественно, чем меньше глубина обратной связи, тем меньше влияние нагрузки на резонансный контур. Поэтому в процессе налаживания параметры элементов цепи обратной связи, определяющие коэффициент передачи цепи ПОС, следует выбирать так, чтобы при возможно минимальной глубине обратной связи генерация была устойчивой, в том числе и при неблагоприятных условиях работы транзистора. На практике величины емкостей конденсаторов С3 и С4 выбирают как можно большими, а емкость конденсатора С2 – как можно меньшей, то есть минимально необходимой для возникновения колебаний.
При перестройке резонансного контура с целью изменения рабочей частоты генератора изменяется и коэффициент передачи цепи обратной связи, зависящий от параметров конденсаторов С3 и С4. Например, с возрастанием резонансной частоты глубина обратной связи уменьшается, поскольку емкостное сопротивление этих конденсаторов уменьшается. В результате уменьшается и напряжение, необходимое для поддержки соответствующего уровня глубины ОС. Поэтому главным признаком качества созданной конструкции генератора является равномерное выходное напряжение во всем диапазоне перестраиваемых частот.
При выборе коэффициента передачи цепи ПОС особое внимание также следует обратить на форму генерируемого сигнала. Слишком глубокая обратная связь приведет к искажениям синусоидальной формы выходного сигнала, что, в свою очередь, является причиной появления нежелательных гармоник. Помимо этого на форму сигнала оказывает влияние и неудачный выбор рабочей точки транзистора VТ1. Не следует забывать о том, что транзистор следует выбирать с максимальным коэффициентом усиления и граничной частотой.
Рабочая частота рассматриваемого LC-генератора по схеме Клаппа составит около 100 МГц при использовании бескаркасной катушки L1, содержащей 7 витков провода диаметром 0,8 мм, которые наматываются на оправку диаметром 10 мм. Вместо переменного конденсатора С2 рекомендуется включить подстроечный конденсатор той же емкости. При напряжении питания 10 В коллекторный ток транзистора VT1 типа KF173 составляет примерно 5 мА. При использовании других высокочастотных транзисторов рекомендуется подобрать положение рабочей точки.
На форму выходного сигнала LC-генератора, выполненного по схеме Клаппа, значительное влияние оказывает и входное сопротивление последующего каскада. Даже его малая величина воздействует на резонансный контур как дополнительное реактивное сопротивление, поскольку даже незначительное увеличение тока на выходе транзистора VT1 приводит к увеличению тока на его выходе. В результате изменяется режим работы резонансного контура, что приводит к ухудшению его добротности. Поэтому подключать, например, умножитель частоты или усилительный каскад к выходу такого генератора непосредственно, без буферного каскада, не рекомендуется.
Более 800 000 книг и аудиокниг! 📚
Получи 2 месяца Литрес Подписки в подарок и наслаждайся неограниченным чтением
ПОЛУЧИТЬ ПОДАРОК