Радиомикрофоны на двух биполярных транзисторах
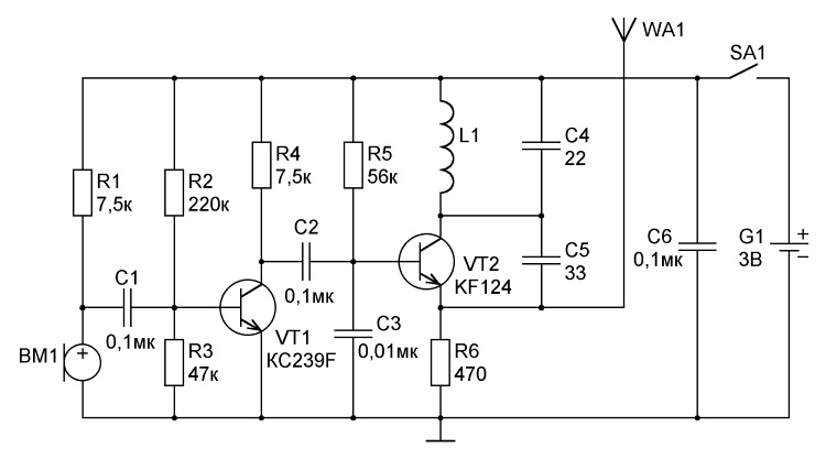
Принципиальная схема простого радиомикрофона, выполненного на двух биполярных транзисторах, приведена на рис. 5.6. В рассматриваемой конструкции, представляющей собой двухкаскадное радиопередающее устройство, на транзисторе VT1 выполнен микрофонный усилитель, а на транзисторе VT2 – генератор высокочастотных колебаний.

Рис. 5.6. Принципиальная схема простого радиомикрофона на двух биполярных транзисторах (вариант 1)
Низкочастотный сигнал, сформированный на выходе электретного микрофона BM1, через разделительный конденсатор С1 поступает на вход однокаскадного микрофонного усилителя, выполненного на транзисторе VT1. Особенностью данного усилительного каскада является использование делителя напряжения, образованного резисторами R2 и R3, для формирования напряжения смещения, подаваемого на базу транзистора VT1, включенного по схеме с общим эмиттером. С коллекторной нагрузки транзистора, образованной резистором R4, усиленный НЧ-сигнал через разделительный конденсатор С2 проходит на базу транзистора VT2, на котором выполнен генератор высокочастотных колебаний.
Транзистор VТ2 по постоянному току включен по схеме с общим эмиттером, а по переменному току – по схеме с общей базой, которая по высокой частоте подключена к шине корпуса через конденсатор С3. Положение рабочей точки транзистора VТ2 определяется величиной сопротивления резистора R5. Резонансный контур образован конденсатором С4 и катушкой L1 и включен в цепь коллектора транзистора. Значение рабочей частоты генератора находится в диапазоне от 100 МГц до 108 МГц и зависит от параметров катушки индуктивности L1 и величины емкости конденсатора С4. Цепь положительной обратной связи образована конденсатором С5, который включен между коллектором и эмиттером транзистора VТ2. Модулированный сигнал снимается с точки подключения конденсатора С5 цепи ОС к эмиттеру транзистора. Антенна WА1 подключается к эмиттеру транзистора VT2, поэтому ее комплексное сопротивление оказывает минимальное влияние на частоту ВЧ-генератора. В качестве антенны можно использовать отрезок медного провода диаметром 1 мм или же телескопическую антенну длиной 30 см.
Питание рассматриваемого радиопередатчика осуществляется от источника постоянного напряжения 3 В, например, от двух включенных последовательно пальчиковых батареек типа АА или ААА. В качестве элемента питания можно использовать и аккумуляторы. Напряжение питания на электретный микрофон BМ1 подается через резистор R1.
К деталям, используемым при изготовлении данной конструкции, не предъявляются какие-либо особые требования. Все зависит от габаритов конструкции, которые определяют и размеры применяемых элементов. Транзистор типа KC239F можно заменить, например, импортным транзистором типа ВС239В или транзистором типа КТ3102Д отечественного производства. Высокочастотный транзистор типа KF124 можно заменить транзистором типа BF240. Номиналы резисторов R1 и R4 могут быть уменьшены до 6,8 кОм.
Катушка L2 наматывается на каркасе без сердечника диаметром 4,5 мм и содержит 5 витков медного посеребренного или просто луженого провода диаметром 0,7 мм.
Прием сигнала, формируемого рассмотренным радиопередатчиком, осуществляется на любой стационарный или переносной радиоприемник, который может принимать частотно-модулированные сигналы на частотах в диапазоне от 100 МГц до 108 МГц. Для данной цели рекомендуется использовать обычный вещательный радиоприемник с FM-диапазоном. Дальность действия радиопередатчика составляет примерно 25 м.
При налаживании рассмотренной конструкции могут возникнуть некоторые трудности. Например, правильный выбор рабочей точки транзистора VТ1 микрофонного усилителя требует установки напряжения на базе этого транзистора в довольно узких границах от 2,9 В до 3,2 В. При меньшем напряжении транзистор VT1 полностью закрывается, а при большем – полностью открывается.
Проблемы могут возникнуть и при настройке высокочастотного генератора, выполненного на транзисторе VT2. В некоторых случаях, несмотря на то, что генератор работает вполне устойчиво, качество модуляции оставляет желать лучшего. Дело в том, что у ВЧ-генераторов, выполненных по такой схеме, при определенном положении рабочей точки транзистора частота генератора практически не зависит от малых изменений коллекторного тока, инициированных модулирующим напряжением, поступающим на базу транзистора. Иными словами, положение рабочей точки транзистора, при котором обеспечивается оптимальный с точки зрения стабильности частоты режим его работы, является самым неблагоприятным с точки зрения обеспечения качественной модуляции сигнала. Поэтому при налаживании радиомикрофонов с ВЧ-генератором данного типа режим работы следует особое внимание уделить правильному выбору положения рабочей точки транзистора. Необходимо отметить, что для каждого типа транзистора указанное неблагоприятное положение рабочей точки будет иным.
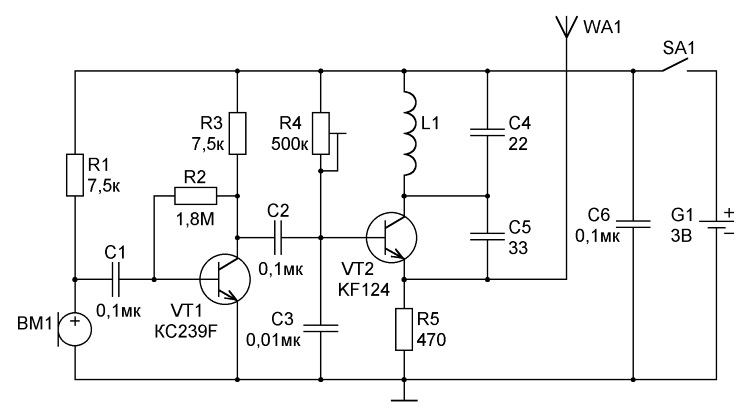
Для того чтобы упростить процесс настройки предлагаемой конструкции, в ее схему рекомендуется внести незначительные изменения. Принципиальная схема усовершенствованного варианта простого радиомикрофона на двух биполярных транзисторах приведена на рис. 5.7.

Рис. 5.7. Принципиальная схема усовершенствованного варианта простого радиомикрофона на двух биполярных транзисторах
Одна из особенностей усовершенствованной схемы заключается в том, что для формирования напряжения смещения транзистора VT1 и стабилизации положения его рабочей точки используется цепь отрицательной обратной связи по напряжению. Эта цепь ОС образована резистором R2, который включен между коллектором и базой транзистора VT1. Принцип действия цепи ООС по напряжению был рассмотрен в соответствующем разделе одной из предыдущих глав.
Второе усовершенствование заключается в использовании подстроечного потенциометра R4, с помощью которого обеспечивается возможность выбора положения рабочей точки транзистора VT2 активного элемента ВЧ-генератора. В процессе налаживания радиомикрофона перемещением движка этого потенциометра следует добиться наиболее качественной модуляции высокочастотного сигнала.
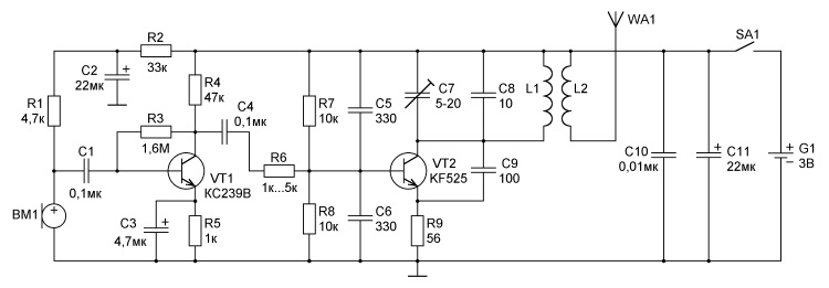
Принципиальная схема еще одного варианта простого радиомикрофона, выполненного на двух биполярных транзисторах n-p-n-проводимости, приведена на рис. 5.8.

Рис. 5.8. Принципиальная схема радиомикрофона на двух биполярных транзисторах (вариант 2)
Входной акустический сигнал преобразуется электретным микрофоном BM1, с выхода которого НЧ-сигнал через разделительный конденсатор С1 подается на базу транзистора VT1, на котором выполнен микрофонный усилитель. Для получения максимальной амплитуды неискаженного усиленного сигнала на выходе микрофонного усилителя необходимо, чтобы напряжение на коллекторе транзистора VT1 составляло примерно половину от величины напряжения питания каскада. Для стабилизации положения рабочей точки транзистора VT1 в данном случае используется схемотехническое решение, предусматривающее применение цепи отрицательной обратной связи по напряжению. Резистор R3, образующий цепь ООС, подключен между коллектором и базой транзистора VT1. Принцип действия такой схемы стабилизации был подробно рассмотрен в соответствующем разделе одной из предыдущих глав.
Усиленный низкочастотный сигнал снимается с коллекторной нагрузки транзистора VT1 (резистор R4) и через конденсатор С4 и резистор R6 подается на базу транзистора VT2. Величина сопротивления резистора R6 выбирается в зависимости от характеристик примененного микрофона, поскольку со временем чувствительность электретных микрофонов ухудшается.
На транзисторе VT2 выполнен ВЧ-генератор, представляющий собой один из вариантов LC-генератора с емкостной связью. Транзистор VТ2 по постоянному току включен по схеме с общим эмиттером. Положение рабочей точки транзистора определяется величинами и соотношением сопротивлений резисторов R7 и R8. В состав мостовой схемы стабилизации положения рабочей точки также входит резистор R9. По переменному току транзистор VТ2 включен по схеме с общей базой, так как база транзистора заземлена по высокой частоте через конденсаторы С5 и С6. Резонансный контур, образованный конденсаторами С7, С8 и катушкой L1, включен в цепь коллектора транзистора VТ2. Цепь положительной обратной связи образована конденсатором С9, который включен между коллектором и эмиттером транзистора VТ2. При указанных на схеме номиналах элементов на выходе LC-генератора формируются высокочастотные колебания с частотой около 100 МГц. Таким образом, для приема сигналов данного радиопередатчика можно использовать любой вещательный радиоприемник, имеющий FM-диапазон.
Модулирующий низкочастотный сигнал поступает с выхода микрофонного усилителя на базу транзистора VT2, что приводит к изменению положения его рабочей точки по закону модулирующего сигнала. В результате аналогичным образом изменяется рабочая частота ВЧ-генератора, то есть на его выходе формируется частотно-модулированный сигнал. Этот сигнал через катушку связи L2 подается на антенну.
Питание данного радиопередающего устройства осуществляется от двух включенных последовательно батареек типа ААА или от аккумуляторов напряжением 3 В, например, типа CR2032 (Ш20ґ3,2 мм) или типа CR2330 (Ш23ґ3,0 мм). Потребляемый ток не превышает 5 мА. Напряжение питания электретного микрофона формируется цепочкой, образованной резисторами R1, R2 и конденсатором С2. Параллельно источнику питания подключены конденсаторы С11 и С12, обеспечивающие шунтирование источника по высокой частоте.
Катушка L1 наматывается на каркасе без сердечника диаметром 5 мм и содержит 7 витков медного посеребренного провода диаметром 1 мм. Непосредственно на катушку L1 наматывается катушка L2, содержащая 3 витка изолированного провода. К нижнему по схеме выводу катушки L2 подключается антенна, представляющая собой отрезок провода длиной около 60 см.
Транзистор типа KC239C можно заменить, например, импортным транзистором типа ВС239В или транзистором типа КТ3102Д отечественного производства. Высокочастотный транзистор типа KF525 выполнен в металлическом корпусе с выводом, который необходимо припаять к шине корпуса. Вместо транзистора типа KF525 можно использовать транзисторы типа KF524, BF199, BF224, SF240, SF245, KSY71 или KSY72.
При налаживании грубая настройка обеспечивается изменением расстояния между витками катушки L1. Уменьшение расстояния между витками этой катушки приводит к уменьшению значения рабочей частоты генератора, а с увеличением расстояния между витками рабочая частота ВЧ-генератора увеличивается. Точная настройка значения частоты ВЧ-генератора осуществляется с помощью конденсатора С7.
При необходимости в каркасе катушки L1 можно установить сердечник. В этом случае точное значение рабочей частоты ВЧ-генератора выбирается за счет изменения положения этого сердечника по отношению к виткам катушки L1. Использование сердечника из ферромагнитного материала приводит к уменьшению значения рабочей частоты. Если же применить сердечник из меди или алюминия, то рабочая частота увеличится. В процессе налаживания не следует забывать о том, что при перемещении сердечника катушки L1 изменяется степень связи между этой катушкой и катушкой L2.
Более 800 000 книг и аудиокниг! 📚
Получи 2 месяца Литрес Подписки в подарок и наслаждайся неограниченным чтением
ПОЛУЧИТЬ ПОДАРОК