Модуляция сигнала LC-генераторов с индуктивной и емкостной связью
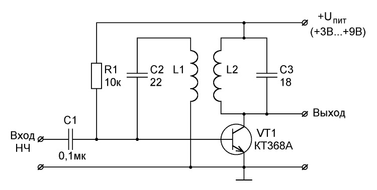
В применяемых в миниатюрных радиопередатчиках LC-генераторах с индуктивной положительной обратной связью для модуляции ВЧ-сигнала обычно используется простое схемотехническое решение, основанное на подаче модулирующего НЧ-сигнала непосредственно в цепь базы транзистора активного элемента. Принципиальная схема одного из вариантов подачи модулирующего сигнала на LC-генератор с индуктивной положительной обратной связью приведена на рис. 4.5.

Рис. 4.5. Принципиальная схема модулятора для LC-генератора с индуктивной обратной связью
В рассматриваемой схеме транзистор VT1, на котором выполнен активный элемент ВЧ-генератора, по постоянному и переменному току включен по схеме с общим эмиттером. Положение рабочей точки транзистора определяется величиной сопротивления резистора R1. Модулирующий НЧ-сигнал через разделительный конденсатор С1 подается на базу транзистора VT1. При этом мгновенное значение модулирующего сигнала изменяет величину напряжения смещения, подаваемого на базу транзистора VT1, то есть влияет на положение рабочей точки транзистора. Усиленный НЧ-сигнал, формируемый на коллекторе транзистора VT1, инициирует изменение падения напряжения на резонансном контуре, что приводит к соответствующему изменению как амплитуды, так и частоты сигнала ВЧ-генератора.
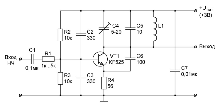
Аналогичные схемотехнические решения, основанные на подаче модулирующего НЧ-сигнала на базу транзистора активного элемента ВЧ-генератора, широко применяются для модуляции сигнала LC-генераторов с емкостной положительной обратной связью. Принципиальная схема одного из вариантов такого схемотехнического решения приведена на рис. 4.6.

Рис. 4.6. Принципиальная схема модулятора для LC-генератора с емкостной обратной связью (вариант 1)
В данной конструкции транзистор VТ1 по постоянному току включен по схеме с общим эмиттером. Положение рабочей точки транзистора определяется величинами и соотношением сопротивлений резисторов R2 и R3. В состав мостовой схемы стабилизации положения рабочей точки помимо резисторов R2 и R3 входит резистор R4, включенный в цепь эмиттера транзистора VT1. По переменному току транзистор VТ1 включен по схеме с общей базой. При этом база транзистора заземлена по высокой частоте через конденсаторы С2 и С3. Как и в рассмотренной ранее схеме, модулирующий НЧ-сигнал через разделительный конденсатор С1 подается на базу транзистора VT1. Модулированный сигнал формируется на коллекторе транзистора VT1.
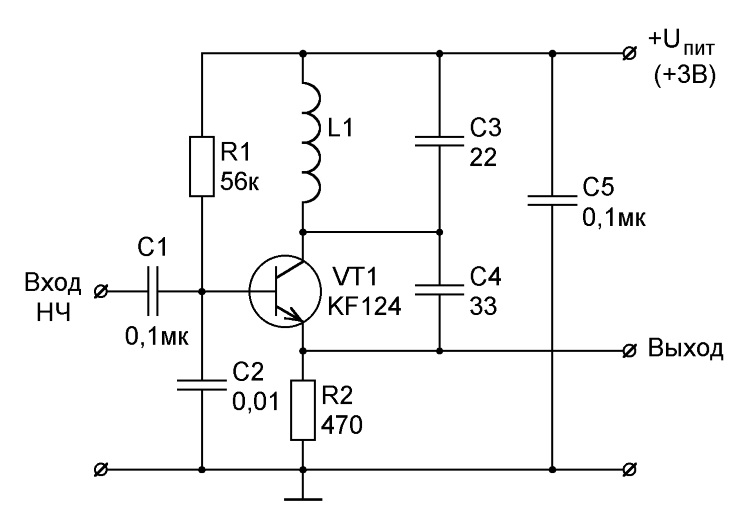
Принципиальная схема еще одного варианта подачи модулирующего сигнала на LC-генератор с емкостной ПОС приведена на рис. 4.7.

Рис. 4.7. Принципиальная схема модулятора для LC-генератора с емкостной обратной связью (вариант 2)
В отличие от рассмотренной ранее конструкции положение рабочей точки транзистора VТ1 определяется величиной сопротивления резистора R1, а модулированный сигнал снимается с точки подключения конденсатора С4 цепи ОС к эмиттеру транзистора.
Более 800 000 книг и аудиокниг! 📚
Получи 2 месяца Литрес Подписки в подарок и наслаждайся неограниченным чтением
ПОЛУЧИТЬ ПОДАРОК