Амплитудная модуляция
Для обеспечения амплитудной модуляции сигнала, формируемого ВЧ-генератором с кварцевой стабилизацией частоты, в малогабаритных транзисторных радиопередающих устройствах обычно применяются схемы модуляторных каскадов, выполненных на одном транзисторе. Как уже отмечалось, широко используются схемотехнические решения каскадов, которые в процессе модуляции обеспечивают изменение напряжения питания активного элемента генератора в соответствии с мгновенным значением уровня модулирующего сигнала.
Принципиальная схема одного из вариантов такого модулятора, основу которого составляет биполярный n-p-n-транзистор, приведена на рис. 4.12.

Рис. 4.12. Принципиальная схема амплитудного модулятора на биполярном n-p-n-транзисторе для генератора с кварцевой стабилизацией частоты
В рассматриваемой конструкции на транзисторе VT1 выполнен кварцевый генератор, а на транзисторе VT2 – модулятор радиопередающего устройства. Транзистор VT1 по переменному току включен по схеме с общим эмиттером, стабилизация рабочей точки этого транзистора обеспечивается с помощью цепи ООС, а режим работы по постоянному току определяется величиной сопротивления резистора R1. Модулирующий низкочастотный сигнал подается на базу транзистора VT2 через разделительный конденсатор С1. Режим работы этого транзистора определяется величиной сопротивления резистора R2.
Особенностью данного схемотехнического решения модулятора является включение перехода коллектор-эмиттер транзистора VT2 между эмиттером транзистора VT1 и шиной корпуса. В соответствии с мгновенным значением модулирующего НЧ-сигнала, поступающего на базу транзистора VT2, происходит запирание или отпирание этого транзистора. При этом изменяется падение напряжения на переходе коллектор-эмиттер транзистора VT2, что приводит к изменению величины напряжения питания, которое подается на каскад, выполненный на транзисторе VT1. В результате изменяется режим работы транзистора VT1 по постоянному току с соответствующим изменением амплитуды ВЧ-сигнала, формируемого кварцевым генератором. Модулированный по амплитуде сигнал снимается с коллектора транзистора VТ1.
Необходимо отметить, что величина сопротивления резистора R2 выбирается так, чтобы с учетом значения потребляемого генератором тока величина напряжения на коллекторе транзистора VT2 была равна приблизительно половине напряжения питания. При необходимости напряжение на коллекторе транзистора модулятора может быть в пределах от 1/4 до 3/4 напряжения питания конструкции.
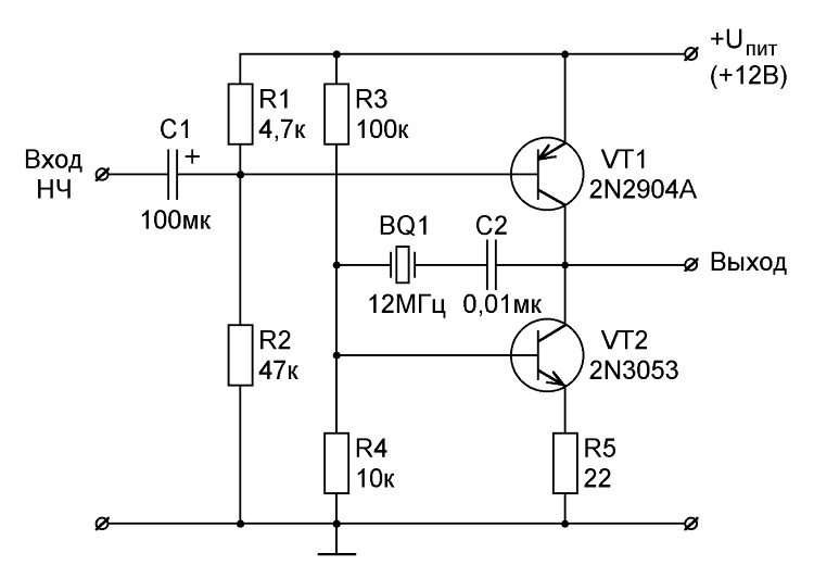
Каскад, обеспечивающий амплитудную модуляцию сигнала кварцевого генератора, может быть выполнен на биполярном транзисторе p-n-p проводимости. Принципиальная схема одного из вариантов такого модулятора приведена на рис. 4.13.

Рис. 4.13. Принципиальная схема амплитудного модулятора на биполярном p-n-p-транзисторе для генератора с кварцевой стабилизацией частоты
На транзисторе VT1 выполнен модулятор, а на транзисторе VT2 – кварцевый генератор радиопередающего устройства. Особенностью данного схемотехнического решения модулятора является включение перехода коллектор-эмиттер транзистора VT1 между коллектором транзистора VT2 и положительной шиной источника питания. Положение рабочей точки транзистора VT1 определяется величинами и соотношением сопротивлений делителя, в состав которого входят резисторы R1 и R2.
Транзистор активного элемента генератора по переменному току включен по схеме с общим эмиттером, при этом положение рабочей точки транзистора VT2 определяется величинами и соотношением сопротивлений делителя, в состав которого входят резисторы R3 и R4. Эти же резисторы совместно с резистором R5 образуют схему стабилизации положения рабочей точки. Кварцевый резонатор BQ1 включен последовательно с конденсатором С2 в цепь обратной связи между коллектором и базой транзистора VT2.
Модулирующий низкочастотный сигнал подается на базу транзистора VT1 через разделительный конденсатор С1. В соответствии с мгновенным значением модулирующего НЧ-сигнала происходит запирание или отпирание этого транзистора и, как следствие, изменяется падение напряжения на переходе коллектор-эмиттер. В результате по закону модулирующего сигнала изменяется величина напряжения питания, подаваемого на транзистор VT2, на котором выполнен активный элемент генератора. Изменение режима работы транзистора VT2 по постоянному току приводит к соответствующему изменению амплитуды формируемого кварцевым генератором ВЧ-сигнала. Модулированный по амплитуде сигнал снимается с коллектора транзистора VТ2.
Более 800 000 книг и аудиокниг! 📚
Получи 2 месяца Литрес Подписки в подарок и наслаждайся неограниченным чтением
ПОЛУЧИТЬ ПОДАРОК