Варикапы в модуляторах LC-генераторов
Основу рассмотренных в предыдущих разделах цепей, обеспечивающих модуляцию сигнала LC-генератора, составляют схемотехнические решения, в которых модулирующий НЧ-сигнал подается непосредственно в цепь базы транзистора активного элемента. В результате в процессе модуляции в соответствии с мгновенным значением уровня модулирующего сигнала изменяются параметры и режимы работы активного элемента ВЧ-генератора.
На практике при разработке миниатюрных радиопередатчиков и радиомикрофонов широко используются схемотехнические решения, основанные на модуляции высокочастотного сигнала посредством соответствующего изменения параметров селективного элемента. При этом предпочтение отдается схемам, в которых по закону модулирующего сигнала изменяется емкость варикапа, входящего в состав резонансного контура.
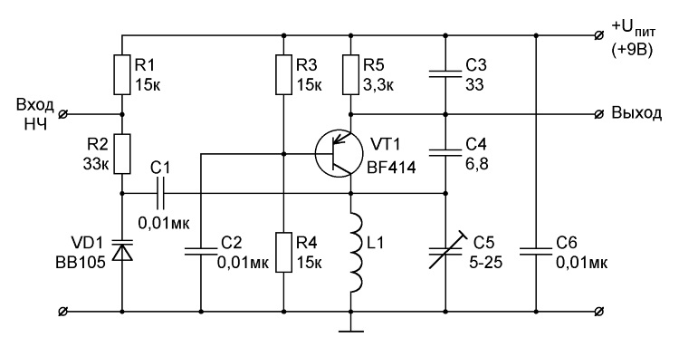
Принципиальная схема одного из вариантов модулятора на варикапе, обеспечивающего частотную модуляцию сигнала LC-генератора, выполненного по схеме емкостной трехточки на биполярном транзисторе p-n-p-проводимости, приведена на рис. 4.10.

Рис. 4.10. Принципиальная схема модулятора на варикапе для LC-генератора, выполненного по схеме емкостной трехточки на биполярном транзисторе p-n-p-проводимости
В рассматриваемой схеме активный элемент LC-генератора выполнен на транзисторе VT1. Этот транзистор по постоянному току включен по схеме с общим эмиттером, а по переменному току – по схеме с общей базой, поскольку электрод базы подключен к шине корпуса через конденсатор С2. Положение рабочей точки транзистора VT1 определяется величинами и соотношением сопротивлений делителя, в состав которого входят резисторы R3 и R4. Эти же резисторы совместно с резистором R5 образуют схему стабилизации положения рабочей точки.
Варикап VD1 подключен параллельно катушке индуктивности L1 и подстроечному конденсатору С5, которые входят в состав резонансного контура. Напряжение смещения подается на варикап через резисторы R1 и R2. Конденсатор С1 большой емкости обеспечивает развязку варикапа VD1 и коллектора транзистора VT1 по постоянному току. Модулирующий НЧ-сигнал подается на варикап через резистор R2. Модулированный сигнал снимается с эмиттера транзистора VТ1.
При использовании в качестве источника НЧ-сигнала электретного микрофона величина сопротивления резистора R1 выбирается такой, чтобы напряжение питания, подаваемое на микрофон, соответствовало его паспортным данным. После этого подбирается величина сопротивления резистора R2 таким образом, чтобы падение напряжения на варикапе VD1 было равно выбранному напряжению смещения, обеспечивающему работу в так называемом режиме молчания. При этом параллельно микрофону рекомендуется подключить шунтирующий конденсатор емкостью около 1000 пФ.
Если же на варикап VD1 предполагается подавать модулирующий сигнал, снимаемый с выхода микрофонного усилителя, то резистор R1 одновременно может использоваться в качестве коллекторной нагрузки транзистора усилительного каскада. При этом величина его сопротивления определяется выбранным режимом работы этого транзистора.
Принципиальная схема одного из вариантов модулятора на варикапе, обеспечивающего частотную модуляцию сигнала LC-генератора, выполненного по схеме индуктивной трехточки на полевом транзисторе, приведена на рис. 4.11.

Рис. 4.11. Принципиальная схема модулятора на варикапе для LC-генератора, выполненного по схеме индуктивной трехточки на полевом транзисторе
Особенностью данного схемотехнического решения является включение варикапа VD1 параллельно резонансному контуру, образованному подстроечным конденсатором С2 и катушкой индуктивности L1. Напряжение смещения подается на варикап через резисторы R1 и R2. Конденсатор С1 большой емкости обеспечивает развязку варикапа VD1 и затвора транзистора VT1 по постоянному току. Модулирующий НЧ-сигнал подается на варикап через резистор R2. Модулированный сигнал снимается с электрода истока транзистора VТ1. Выбор величин сопротивлений резисторов R1 и R2 определяется с учетом выполнения тех же требований, которые были изложены при описании предыдущей конструкции.
Более 800 000 книг и аудиокниг! 📚
Получи 2 месяца Литрес Подписки в подарок и наслаждайся неограниченным чтением
ПОЛУЧИТЬ ПОДАРОК