Принцип действия
В настоящее время в микрофонных усилителях в качестве усилительных каскадов низкочастотного сигнала широко используются обычные транзисторные усилители, в которых биполярный транзистор включен по схеме с общим эмиттером. Именно такие усилительные каскады, по сравнению со схемами с общей базой и с общим коллектором, обеспечивают наибольшее усиление по мощности.
Упрощенная принципиальная схема усилительного каскада, выполненного на биполярном транзисторе n-p-n проводимости, включенном по схеме с общим эмиттером, приведена на рис. 2.1а.

Рис. 2.1. Принципиальные схемы усилительного каскада на биполярном транзисторе, включенном по схеме с общим эмиттером (а) и усилительного каскада на полевом транзисторе, включенном по схеме с общим истоком (б)
В данной схеме коэффициент усиления по току представляет собой отношение амплитуд (действующих значений) выходного и входного переменного тока, то есть переменных составляющих тока коллектора и тока базы транзистора.
Главным параметром, характеризующим транзистор, включенный по схеме с общим эмиттером, является статический коэффициент усиления по току (коэффициент передачи тока) для схемы с ОЭ, который обозначается как b. Этот параметр для того или иного типа биполярного транзистора при необходимости можно найти в любом справочнике.
В транзисторном усилительном каскаде, выполненном по схеме с общим эмиттером, между входным и выходным напряжениями имеется фазовый сдвиг, составляющий 180°. Наличие указанного фазового сдвига объясняется особенностями функционирования такого каскада. При поступлении на базу транзистора VТ1 положительной полуволны входного сигнала происходит увеличение напряжения на переходе база-эмиттер. В результате возрастает ток эмиттера, и, соответственно, ток коллектора транзистора. Увеличение тока коллектора приводит к увеличению падения напряжения на резисторе R1, который является коллекторной нагрузкой. Иными словами, на нагрузочном резисторе дополнительно к уже имеющемуся постоянному напряжению добавляется переменное напряжение с той же полярностью. При этом напряжение на коллекторе транзистора VТ1, соответственно, уменьшается. Таким образом, при подаче положительной полуволны переменного напряжения на вход транзисторного каскада по схеме с общим эмиттером на его выходе формируется отрицательная полуволна выходного напряжения.
Достоинством схемы с общим эмиттером, помимо наибольшего усиления по мощности, является удобство питания от одного источника, так как на базу и коллектор транзистора подаются питающие напряжения одного знака. К недостаткам данной схемы включения следует отнести сравнительно малое входное сопротивление транзистора, определяемое особенностями конструкции биполярных транзисторов. Помимо этого, схема с общим эмиттером имеет худшие, по сравнению, например, со схемой с общей базой, частотные и температурные характеристики. С повышением частоты усиление в схеме с общим эмиттером снижается в значительно большей степени, чем, в схеме с общей базой.
Усилительные каскады на биполярных транзисторах, включенных по схемам с общей базой и с общим коллектором, практически не применяются в микрофонных усилителях миниатюрных радиопередатчиков. Поэтому подробное рассмотрение особенностей функционирования таких каскадов выходит за рамки данной книги. Необходимую информацию заинтересованные читатели могут найти в специализированной литературе.
Тем не менее, схемы включения биполярного транзистора с общей базой и с общим коллектором широко используются в схемотехнических решениях активного элемента высокочастотных генераторов маломощных радиопередающих устройств, о которых будет рассказано в одной из следующих глав. Поэтому автор считает необходимым хотя бы весьма коротко отметить основные преимущества и недостатки таких схем включения.
Усилительный каскад, выполненный по схеме с общей базой, по сравнению со схемой с общим эмиттером, обеспечивает значительно меньшее усиление по мощности и имеет еще меньшее входное сопротивление. Однако его температурные и частотные свойства значительно лучше. Помимо этого в схеме с общей базой отсутствует фазовый сдвиг между входным и выходным сигналами. Достоинством усилительного каскада по схеме с общей базой также является внесение значительно меньших искажений при усилении сигнала.
В усилительном каскаде, выполненном по схеме с общим коллектором, нагрузка включена в цепь эмиттера транзистора, а выходное напряжение снимается с эмиттера по отношению к шине корпуса. Именно поэтому такой каскад называют эмиттерным повторителем. Входное сопротивление каскада по схеме с общим коллектором в десятки раз выше, чем у каскада с общим эмиттером, а выходное сопротивление, наоборот, сравнительно мало. Помимо этого коэффициент усиления по току эмиттерного повторителя почти такой же, как и у каскада по схеме с общим эмиттером. Однако коэффициент усиления по напряжению близок к единице, причем всегда меньше ее. В схеме с общим коллектором отсутствует фазовый сдвиг между входным и выходным сигналами.
Нередко в микрофонных усилителях миниатюрных радиопередатчиков применяются усилительные каскады на полевых транзисторах. Полевые транзисторы, в отличие от биполярных, имеют большое входное сопротивление, чем значительно облегчается решение задачи согласования каскадов. Обычно предпочтение отдается схемотехническим решениям, в которых полевой транзистор включен по схеме с общим истоком. Упрощенная принципиальная схема усилительного каскада, выполненного на полевом транзисторе с каналом n-типа, включенном по схеме с общим истоком, приведена на рис. 2.1б.
Принцип работы усилительного каскада на полевом транзисторе, включенном по схеме с общим истоком, заключается в следующем. С увеличением потенциала затвора ток в цепи стока и, соответственно, падение напряжения на резисторе R1 в цепи нагрузки возрастают. При этом напряжение между стоком и истоком уменьшается. В результате переменное напряжение между стоком и истоком оказывается сдвинутым по фазе на 180° относительно переменного напряжения между затвором и истоком.
Для оценки работы усилительного каскада на полевом транзисторе обычно используют такие характеристики, как коэффициент усиления по напряжению и выходное сопротивление каскада. Необходимо отметить, что значения входной, проходной и выходной емкостей полевого транзистора весьма малы и обычно не превышают нескольких пикофарад. Поэтому их влиянием на работу низкочастотного усилительного каскада можно пренебречь.
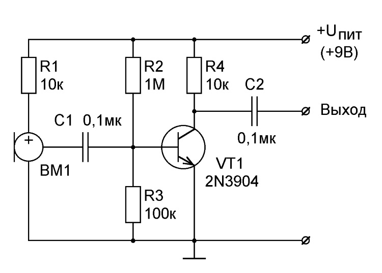
Принцип действия усилительного каскада, выполненного на биполярном транзисторе n-p-n проводимости, включенном по схеме с общим эмиттером, рассмотрим на примере простейшего микрофонного усилителя, принципиальная схема которого приведена на рис. 2.2.

Рис. 2.2. Принципиальная схема простейшего микрофонного усилителя на n-p-n-транзисторе
В рассматриваемой схеме сигнал, сформированный на выходе микрофона BM1, через разделительный конденсатор С1 поступает на базу транзистора VТ1, включенного по классической схеме с общим эмиттером. Конденсатор С1 обеспечивает развязку входной цепи усилителя и выходной цепи источника сигнала (микрофон BM1) по постоянному току. При отсутствии этого конденсатора сопротивление резистора R3 совместно с малым сопротивлением перехода база-эмиттер транзистора VТ1 шунтирует выход источника сигнала. Помимо этого выходное сопротивление микрофона оказало бы неприемлемое влияние на положение рабочей точки транзистора VТ1, изменив режим его работы. Аналогичные функции выполняет разделительный конденсатор С2, обеспечивая развязку по постоянному току выходной цепи микрофонного усилителя и входных цепей подключаемых к его выходу каскадов. Через резистор R1 на соответствующий вывод электретного микрофона BM1 подается напряжение, необходимое для штатного функционирования микрофона.
При отсутствии входного сигнала на базе транзистора VТ1, включенного по схеме с общим эмиттером, присутствует напряжение смещения, формируемое делителем R2, R3 из напряжения питания. Наличие напряжения смещения обеспечивает протекание тока между коллектором и эмиттером транзистора. Величина этого тока, который обычно называют коллекторным током, зависит от соотношения величин сопротивлений резисторов R2 и R3. Изменение этого соотношения приводит к смещению рабочей точки на характеристике транзистора VТ1 и, соответственно, к изменению его режима работы.
При поступлении сигнала на базу транзистора VТ1 происходит изменение тока базы, что вызывает соответствующее изменение величины коллекторного тока. В результате по аналогичному закону происходит изменение разности потенциалов на резисторе R4, выполняющем функцию нагрузочного резистора в цепи коллектора транзистора VТ1. Как уже отмечалось, при возрастании напряжения на базе транзистора VТ1 происходит падение напряжения на его коллекторе, и, наоборот, при падении напряжения на базе, напряжение на коллекторе увеличивается. Таким образом, выходное напряжение однокаскадного транзисторного усилителя будет находиться в противофазе входному напряжению.
Более 800 000 книг и аудиокниг! 📚
Получи 2 месяца Литрес Подписки в подарок и наслаждайся неограниченным чтением
ПОЛУЧИТЬ ПОДАРОК