Основные схемы включения варикапа
Одним из основных способов осуществления модуляции в транзисторных микропередатчиках является воздействие модулирующего НЧ-сигнала на параметры селективного элемента ВЧ-генератора. Селективный элемент обычно представляет собой резонансный контур, образованный параллельно включенными катушкой индуктивности и конденсатором. Изменение параметров входящей в состав контура катушки индуктивности в миниатюрных радиопередатчиках довольно затруднительно, поскольку соответствующие схемотехнические решения весьма сложны, а их реализация трудоемка. В то же время применение варикапа, доступного и дешевого полупроводникового элемента, емкость которого можно изменять, непосредственно подавая на его выводы модулирующее напряжение, значительно упрощает решение задачи. Поэтому схемотехнические решения модуляторов на варикапах, обеспечивающие частотную модуляцию ЧМ-сигнала с весьма приемлемыми параметрами, пользуются особой популярностью.
В транзисторных LC-генераторах варикап в качестве элемента с емкостным характером комплексного сопротивления может быть подключен к резонансному контуру как параллельно, так и последовательно.
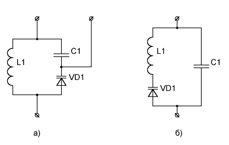
Упрощенные принципиальные схемы включения варикапа параллельно резонансному контуру (без цепей формирования напряжения смещения варикапа) приведены на рис. 4.1. Отличительной особенностью схемотехнического решения, изображенного на рис. 4.1б, является включение варикапа вместо конденсатора параллельного резонансного контура.

Рис. 4.1. Принципиальные схемы включения варикапа параллельно резонансному контуру (а) и вместо конденсатора резонансного контура (б)
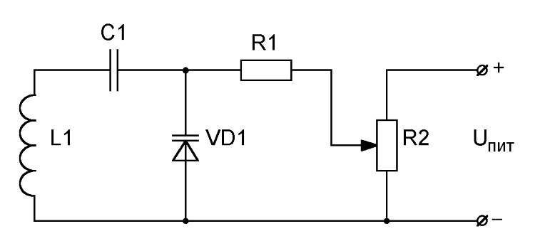
При разработке модулятора на варикапе не следует забывать о том, что для функционирования этого полупроводникового прибора в штатном режиме на его выводы следует подавать напряжение смещения определенной величины. Поэтому в состав модулирующего каскада необходимо включить соответствующую цепь формирования напряжения смещения варикапа. Такая цепь в миниатюрных транзисторных передатчиках обычно выполняется на резисторах. Принципиальная схема параллельного колебательного контура с цепью формирования напряжения смещения варикапа приведена на рис. 4.2.

Рис. 4.2. Принципиальная схема параллельного колебательного контура с цепью формирования напряжения смещения варикапа
Параллельный колебательный контур образован катушкой индуктивности L1 и емкостью варикапа VD1. Резонансная частота контура может изменяться при изменении величины обратного напряжения на варикапе, которое зависит от положения движка потенциометра R2. Для того чтобы уменьшить шунтирующее влияние потенциометра R2 на добротность контура, в цепь включен резистор R1, имеющий сравнительно большое сопротивление. Также в состав цепи включен разделительный конденсатор С1, без которого варикап VD1 оказался бы замкнут накоротко через катушку L1.
Упрощенные принципиальные схемы включения варикапа последовательно с элементами резонансного контура (без цепей формирования напряжения смещения варикапа) приведены на рис. 4.3. При этом варикап может быть включен как последовательно с конденсатором контура, так и последовательно с катушкой индуктивности.

Рис. 4.3. Принципиальные схемы включения варикапа последовательно с конденсатором (а) и последовательно с катушкой индуктивности (б) контура
Помимо этого известны схемотехнические решения, в которых варикап подключается комбинированно, с частичным включением. Упрощенная принципиальная схема такого контура приведена на рис. 4.4.

Рис. 4.4. Принципиальная схема комбинированного включения варикапа
Аналогичные схемы включения варикапа используются и в транзисторных трехточечных LC-генераторах. Широкое распространение получили схемотехнические решения, в которых варикап подключается параллельно катушке индуктивности (в индуктивных трехточках), а также параллельно одному из конденсаторов емкостного делителя ВЧ-генератора (в емкостных трехточках).
Весьма разнообразны схемотехнические решения модуляторов с применением варикапа, предназначенные для модуляции сигнала генераторов с кварцевой стабилизацией частоты. При создании таких конструкций приходится, с одной стороны, добиваться высокой стабильности частоты генератора с помощью кварцевого резонатора, а с другой – обеспечивать возможность изменения этой частоты по закону модулирующего сигнала. Обычно при разработке транзисторных микропередатчиков для ВЧ-генератора с кварцевой стабилизацией частоты выбираются осцилляторные схемы, в которых кварцевый резонатор используется в качестве элемента с индуктивным характером комплексного сопротивления в резонансном контуре. В этом случае варикап, как элемент с изменяемой по закону модуляции емкостью, может быть подключен как последовательно, так и параллельно кварцевому резонатору.
Более подробную информацию о способах включения варикапа в контурах LC-генераторов и генераторов с кварцевой стабилизацией частоты заинтересованный читатель может найти в специализированной литературе и в сети Интернет.
Более 800 000 книг и аудиокниг! 📚
Получи 2 месяца Литрес Подписки в подарок и наслаждайся неограниченным чтением
ПОЛУЧИТЬ ПОДАРОК