Электрический замок

Очень надежным и весьма загадочным сторожем может быть незримый электрический замок. Проводка к нему должна быть сделана скрытно, а кнопка хорошо замаскирована.

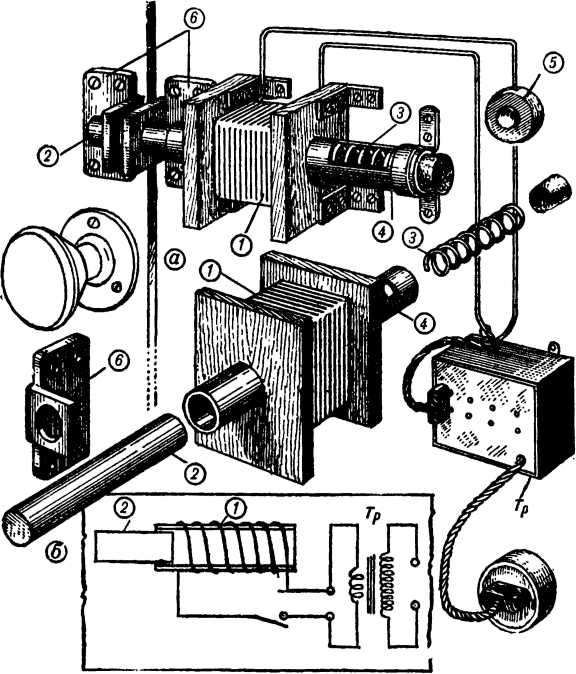
Простейший электрический замок показан на рисунке 57, а. Он состоит из катушки соленоида 1, железного сердечника 2 с пружиной 3, направляющего желоба 4, кнопки 5 и замочных скоб 6.

Рис. 57. Устройство электрического замка. Тр — понижающий трансформатор.

Принцип работы электрического замка основан на свойстве соленоида втягивать железные предметы. Если кнопка не нажата, то железный сердечник под действием пружинки входит в замочные скобы, надежно запирая дверь. При нажатии кнопки замыкается цепь катушки соленоида, которая втягивает внутрь железный сердечник, преодолевая упругость пружины, и дверь открывается.

Обработайте железный сердечник по форме, показанной на рисунке 57, б. Изготовьте из жести направляющий желоб. Изогните две замочные скобы из толстых стальных полос, просверлите на концах скоб по два отверстия и прикрепите их на размеченных местах. Подберите стальную пружину и закрепите ее на свободном конце железного стержня. Свободный конец пружины прикрепите к упору. Каркас катушки и соленоида сделайте из фанеры и намотайте на него 250–300 витков изолированным проводом диаметром 0,5–0,6 миллиметра. Сделайте электропроводку, соберите электрическую схему и проверьте действие замка. Замок можно включить в сеть постоянного и переменного тока напряжением 12–24 вольта. Под замок подложите металлическую пластинку, чтобы нельзя было открыть его ножом или каким-либо другим приспособлением.

Более 800 000 книг и аудиокниг! 📚

Получи 2 месяца Литрес Подписки в подарок и наслаждайся неограниченным чтением

ПОЛУЧИТЬ ПОДАРОК