Модель электроискрового станка для прошивки отверстий

Представьте себе, что вам потребовалось просверлить отверстие в заготовке очень высокой твердости, например в закаленной пластинке из инструментальной стали, в магнитном сплаве, победитовом резце и проч. Высверливание отверстий в таких материалах — дело весьма трудное. Во-первых, сверла быстро изнашиваются и очень часто ломаются. Во-вторых, сверло и деталь в процессе сверления надо искусственно охлаждать специальной жидкостью — суспензией, которая не окисляет инструмента и детали. В-третьих, потребуется много труда и времени, чтобы получить отверстие нужного размера. Гораздо труднее сделать в твердых металлах отверстия различной формы, например квадратные, шестигранные и более сложного профиля.

Поставленная задача поразительно просто разрешается, если для этой цели применять не обычные сверлильные станки, а специальные электроискровые установки или электроискровые станки. Эти станки отличаются необычной простотой — у них совсем нет сверл, вращающегося шпинделя с патроном и электродвигателя. Роль сверла в станке выполняет электрод-инструмент, изготовленный из латуни или бронзы. Причем форма электрода-инструмента должна точно соответствовать форме получаемого отверстия, что очень легко сделать практически.

Работа электроискрового станка основана на явлении электрической эрозии, то есть на свойстве электрической искры разрушать проводящие материалы.

Электрическая схема станка показана на рисунке 74, а.

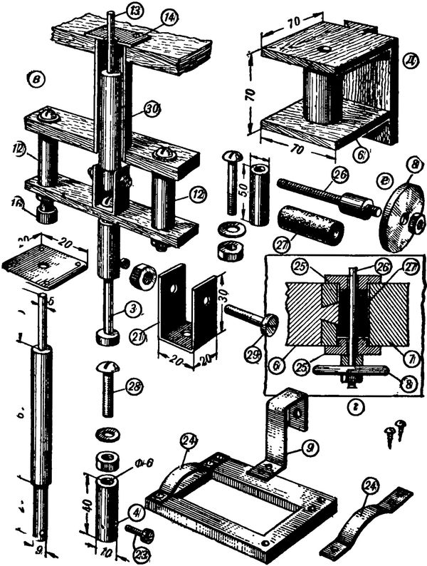
Рис. 74. Самодельный электроискровой станок: а — электрическая схема; б — внешний вид станка; в — конструкция станка; г — конструкция направляющей стойки; д — устройство каретки; е — конструкция штурвала; ж; з — различные виды электродов-инструментов. 1 — металлический столик; 2 — ванна; 3 — электрод-инструмент; 4 — сердечник; 5 — соленоидная катушка; 6 — каретка; 7 — направляющая стойка; 8 — штурвал; 9—кронштейн; 10 — крепежный болт с зажимным барашком; 11 — вибрационная пластинка; 12 — стягивающие болты с колонками; 13 — направляющий стержень; 14 — металлическая накладка; 15— зажим для включения соленоидной катушки в цепь переменного тока; 16 — зажим для включения станка в рабочую цепь; 17 — основание ванны; 18 — стойка основания; 19 — зажимной винт; 20 — штатив; 21 — скоба; 22 — переходная втулка; 13 — стопорный винт; 24 — зажимные пружины столика; 25 — направляющие рейки; 26 — вал для перемещения каретки; 27 — резиновая трубка; 28 — стягивающий болт переходной втулки; 29 — стягивающий болт скобы; 30 — гильза соленоидной катушки.

Она представляет собой цепь, содержащую переменное проволочное сопротивление — ползунковый реостат R, батарею конденсаторов постоянной емкости С. Такую цепь называют контуром RC. Параллельно этому контуру включены металлический стол М для обрабатываемых деталей, установленный в подвижной ванне В с рабочей жидкостью, электрод-инструмент Э, прикрепленный к сердечнику, установленному в соленоидной катушке К. Питание схемы можно производить постоянным или переменным током напряжением от 24 до 200 вольт.

Устройство станка показано на рисунке 74, б. Он состоит из соленоидной катушки 5, сердечника электрода-инструмента 3, каретки 6, направляющей стойки 7, штурвала 8, кронштейна 9, крепежного болта с зажимным барашком 10, ванны 2, столика 1, вибрационной пластинки 11, прикрепленной к нижней щечке соленоидной катушки при помощи скобы 21 и стягивающих болтов с колонками 12. Сердечник заканчивается направляющим стержнем 13, скользящим в отверстии металлической накладки 14.

Для включения соленоидной катушки в сеть переменного тока имеется зажим 15, укрепленный на верхней щечке катушки. Станок включается в контур при помощи зажима 16 и барашка 10, навинченного на болт, крепящий скобу столика 9 к стойке. Ванна устанавливается на основании 17 и перемещается при помощи стойки 18. которая укреплена зажимным винтом 19, установленным на штативе 20.

Соленоидная катушка с сердечником предназначены для создания вибрации электроду-инструменту.

Каркас катушки можно изготовить следующим образом. Отрежьте гильзу длиной 7 сантиметров от трубки с внутренним диаметром 10–11 миллиметров. В гильзе сделайте прорезь для уменьшения паразитных токов. Щечки сделайте квадратными (7х7 сантиметров) из фанеры или доски толщиной 7—10 миллиметров и приклейте их к гильзе при помощи клея БФ-2 или БФ-4. Покройте гильзу несколько раз изоляционным лаком, просушите и оберните двумя-тремя слоями бумаги. В верхней щечке сделайте отверстие возле гильзы.

Припаяйте гибкий проводник к обмоточному проводу марки ПЭЛ или ПЭ диаметром 0,15 миллиметра и про пустите его через отверстие в щечке катушки. Намотайте на каркас катушки 4200 витков обмоточного провода. К концу обмотки припаяйте гибкий проводник и пропустите его через второе отверстие в верхней щечке. Для удобства включения катушки в схему закрепите выводы от обмотки при помощи клеммных зажимов.

Сердечник для катушки сделайте из мягкой стали. Один конец сердечника сточите на токарном станке до диаметра 7–8 миллиметров, а на другом его конце просверлите сквозное отверстие диаметром 5–6 миллиметров. Сделайте скобу 21 из латуни по форме, показанной на рисунке 74, в, и просверлите в ней отверстия.

Переходную втулку 22 выточите из бронзы или латуни. С одного торца втулки просверлите отверстие и нарежьте резьбу под упорный болт. С другого торца просверлите отверстие на глубину 15–20 миллиметров под электрод-инструмент 3. Отступите на 10 миллиметров от нижнего края втулки, просверлите боковое отверстие и нарежьте в нем резьбу под стопорный винт 23, которым закрепляется хвостовик электрода-держателя. Вибрационную пластинку 11 сделайте из стальной упругой полоски, кронштейн 9 — из медной или стальной шины толщиной 5—б миллиметров и шириной от 30 до 60 миллиметров. К отогнутому концу кронштейна прикрепите металлический столик 1 с деталедержателями 24 в виде упругих стальных или бронзовых пластинок, прикрепленных к столику винтами. Столик можно сделать из мягкой стальной плиты или из листовой меди в виде прямоугольника произвольных размеров. Направляющую стойку 7 сделайте из сухих деревянных брусков, как показано на рисунке 74, б, г.

Каретку 6 для катушки сделайте из сухих досок по форме, показанной на рисунке 74, д. Причем каретка должна туго входить в паз направляющей стойки. Прикрепите каретку к щечкам катушки при помощи металлических угольников. Для перемещения каретки вдоль паза вверх и вниз сделайте прижимной валик 26 со штурвалом или маховиком 8. Для этого выточите из стальной мягкой заготовки валик по форме, показанной на рисунке 74, е. С одного конца валика нарежьте резьбу под гайку, которой крепится штурвал — круг, вырезанный из толстой фанеры или сухой доски. Наденьте на тонкую часть валика 26 кусок резиновой трубки 27, прикрепите к нему штурвал и установите валик в выемке направляющей стойки. Чтобы валик не перемещался вверх, прикрепите металлические накладки 25 с обеих сторон направляющей стойки, как показано на рисунке 74, г.

Ванну сделайте из жести или подберите готовый небольшой тазик. Основание 17 для ванны можно сделать прямоугольной формы из доски. В центре основания закрепите деревянную стойку 18. Штатив сколотите из досок в виде столика, как показано на рисунке 74, б. В центре крышки штатива сделайте отверстие для прохода стойки. По центру возле отверстия прикрепите зажимной винт 19.

После изготовления всех частей приступайте к сборке станка.

Прикрепите к вибрационной пластинке скобу и переходную втулку. Разметьте и просверлите отверстия на нижней щечке катушки для стяжных болтов с колонками. Скрепите сердечник со скобой болтом с гайкой. Пропустите сердечник внутрь катушки и прикрепите вибрационную пластину к нижней щечке катушки. На верхней щечке катушки закрепите металлическое кольцо. Прикрепите направляющую стойку к крышке штатива и вставьте в ее паз каретку с катушкой.

Прикрепите к направляющей стойке кронштейн с металлическим столиком при помощи зажимного болта с барашком.

Закрепите в отверстии переходной втулки электрод-инструмент. Установите на основание 17 ванну, укрепите на столике деталь, в которой требуется просверлить отверстие, и приподнимите ванну так, чтобы в нее погрузился столик. Наполните ванну керосином или минеральным маслом — и станок готов.

Ванну следует заполнять так, чтобы обрабатываемая деталь была погружена в жидкость на глубину не более 3–4 миллиметров.

Теперь приступайте к сборке электрической схемы станка. Вам потребуется источник электрического тока от понижающего трансформатора с напряжением 48 вольт — можно пользоваться как переменным, так и постоянным током. Однако целесообразнее пользоваться постоянным током, так как электрод-инструмент при этом изнашивается меньше и скорость прошивки отверстии несколько повышается.

Электрическую схему собирайте по рисунку 74, а. Выводы от конденсаторов сделайте толстой медной проволокой или изолированной шиной. Один вывод присоедините к зажиму, прикрепленному к вибрационной пластинке, а другой зажмите между шайбой и барашком крепежного болта кронштейна. Для регулировки рабочего режима станка в цепь разрядного контура включены вольтметр на 50–75 вольт и амперметр со шкалой до 200 ампер. Регулировка режима осуществляется проволочным реостатом, пропускающим ток до 10–15 ампер.

Емкость конденсаторов можно подбирать в пределах от 20–30 до 600 микрофарад. Конденсаторы следует брать только бумажные (электролитические конденсаторы непригодны — они легко пробиваются и сильно нагреваются в момент работы, то есть не выдерживают импульсных напряжений и токов). Рабочее напряжение конденсаторов надо брать в два раза выше напряжения источника электрического тока. Так как подобрать промышленные конденсаторы на нужную величину емкости трудно, вам следует составлять конденсаторные батареи, включая параллельно в группы отдельные конденсаторы малой емкости.

Для прошивки отверстий в деталях при помощи промышленных станков применяются три основных рабочих режима:

1. Жесткий (или грубый), при котором напряжение равно 150–200 вольт, величина тока короткого замыкания берется в пределах от 10 до 60 ампер, емкость конденсаторов выбирается от 400 до 600 микрофарад.

2. Средний, характеризующийся напряжением 80—120 вольт, величиной тока 5—10 ампер, емкостью конденсаторов 100–300 микрофарад.

3. Мягкий, характеризующийся напряжением 25–50 вольт, величиной тока 0,1–1 ампер и емкостью конденсаторов 10 микрофарад.

Ваш станок будет работать на мягком режиме, дающем хорошую чистоту обработки поверхности. Следует учесть, что наибольшую производительность дает жесткий режим, но при этом получается плохая чистота поверхности и низкая точность отверстия. А мягкий режим отличается самой низкой производительностью, но качество и точность обработки получаются наилучшими.

Чтобы повысить скорость прошивки, вы можете практически подобрать наиболее подходящий режим. Для этого надо несколько увеличить емкость конденсаторной батареи, величину тока в разрядной цепи и напряжение.

Работа на станке производится следующим образом. Сначала установите обрабатываемую деталь на металлическом столике. Затем погрузите столик в ванну и заполните ее жидкостью. Включите катушку в сеть переменного тока и вращением штурвала опустите каретку вниз, чтобы электрод-инструмент прикоснулся к поверхности детали. Оставьте каретку в этом положении и включите разрядный контур, в это время вы услышите характерное потрескивание искр, проскакивающих между электродом-инструментом и деталью. Когда поток искр становится редким или прекращается, необходимо вращением штурвала сблизить электрод-инструмент с деталью. Если при дальнейшем сближении треск не возобновляется, то это является признаком того, что в детали получилось сквозное отверстие и инструмент прошел в отверстие столика. Теперь опустите ванну вниз так, чтобы столик вышел из жидкости. Подождите, пока она стечет с детали. Отделите деталь от столика, протрите ее ветошью или тряпочками и приступайте к прошивке следующего отверстия.

Принцип работы станка состоит в следующем (см. рисунок 74, а). Условимся считать, что электрический ток от отрицательного зажима источника поступает на электрод-инструмент, а затем через заполненный керосином промежуток (зазор) к поверхности детали и от детали течет по столику, кронштейну, соединительной шине к плюсу источника и снова к отрицательному зажиму, и т. д.

Когда электрод-инструмент приблизится к детали так, что зазор станет очень маленьким, между электродом-инструментом и деталью проскочит искра. При этом произойдет эрозия детали — небольшой кусочек металла будет вырван из ее поверхности. При вибрации электрода-инструмента все время будет возникать электрическая искра, увеличивая углубление в детали, а вырванные мельчайшие частички металла будут оседать на дно ванны в виде мути. Так будет происходить до тех пор, пока в детали не получится сквозное отверстие. Жидкость, находящаяся в ванне, препятствует образованию электрической дуги и как бы вымывает частички металла из отверстия во время работы станка.

Электрод-инструмент должен иметь профиль, подобный профилю прошиваемого отверстия.

Для прошивки отверстий очень малого размера пользуются медной проволокой соответствующего диаметра. Чтобы тонкая проволока не изгибалась, ее помещают в стеклянную трубку с соответствующим отверстием. В этом случае стеклянная трубка выполняет роль кондуктора. Для отверстий фасонного профиля электроды изготавливают из латунных листов толщиной от 0,4 миллиметра и больше. Если диаметр отверстия больше 6 миллиметров, электрод лучше делать пустотелым, в виде трубки. Пустотелыми электродами можно не только прошивать отверстия, но и вырезать из листового материала детали сложной конструкции, как показано на рисунке 74, з.

Вы тоже можете сделать фасонный электрод для вырезания деталей из листового материала.

Более 800 000 книг и аудиокниг! 📚

Получи 2 месяца Литрес Подписки в подарок и наслаждайся неограниченным чтением

ПОЛУЧИТЬ ПОДАРОК