Соленоидная дорога

Можно построить очень интересную модель электрической дороги, в которой используется свойство соленоида. Ее внешний вид и конструкция изображены на рисунке 60, а, все размеры даны в миллиметрах. Она состоит из деревянного основания, на котором укреплено несколько одинаковых соленоидных катушек, расположенных на определенных расстояниях друг от друга.

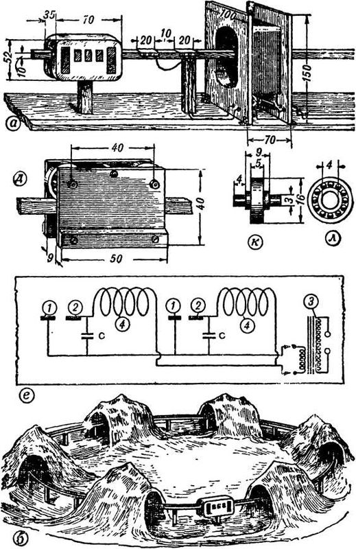
На деревянных опорах укреплен однорельсовый путь, проходящий по центру внутри соленоидов.

Перед каждым соленоидом на рельсе установлена пара контактов, при помощи которых соленоид включается в цепь. По рельсу на шарикоподшипниках движется железный вагончик.

Принцип работы дороги состоит в следующем. Вагончик, двигаясь по рельсу, замыкает контакты цепи соленоида. Ток, проходя по соленоиду, создает сильное магнитное поле. Соленоид втягивает вагончик и сообщает ему значительную скорость. Когда вагончик сбежит с контактов, цепь этого соленоида размыкается, и вагончик дальше движется по инерции. Приближаясь к следующему соленоиду, он снова замыкает контакты цепи второго соленоида. Под действием магнитного поля второго соленоида вагончик снова получит ускорение, позволяющее ему добежать до следующего соленоида. Если расположить рельс и соленоиды по кругу, вагончик будет совершать непрерывные круговые движения (рис. 60, б).

Рис 60. Соленоидная дорога и ее части: а — участок круговой соленоидной дороги с вагончиком; б — общий вид; в — конечный участок прямолинейной дороги (5—отражательная доска, 6 — пружины); г — опорный столбик; д — рама вагончика: е — электрическая схема круговой дороги (1, 2 — контакты, 3 —понижающий трансформатор, 4 — соленоидные катушки); ж — электрическая схема прямолинейной дороги (1, 3 — подвесные латунные контакты, 2 — угольные жестко укрепленные контакты, 4 — соленоидные катушки); з — крепление рейки на основании дороги; и — понижающий трансформатор; к, л — форма и размеры колес для вагончиков.

Электрическую дорогу можно сконструировать в различных вариантах. Ее можно изготовить для движения вперед и назад по прямому пути внутри одних и тех же соленоидов. На конечных пунктах такой дороги ставят возвратные пружины. Вагончик, ударяясь о пружины, получает скорость для обратного движения. Конструкция подобной дороги показана на рисунке 60, в. Такая дорога занимает гораздо меньше места, чем круговая, но зато придется расположить контакты с обеих сторон каждого соленоида так, чтобы вагончик, двигаясь в одну сторону, замыкал по паре контактов с одной стороны каждого соленоида, а возвращаясь обратно, замыкал контакты, расположенные с другой стороны этих соленоидов.

В этом случае контакты удобнее сделать подвесными. Одну пару контактов, соединенных параллельно, укрепляют на деревянной рейке неподвижно, а другую пару контактов изготавливают из латунной или медной фольги и подвешивают. Неподвижные контакты желательно сделать угольными и расположить их, как показано на рисунке 60, в.

Теперь приступайте к изготовлению дороги. Основание для прямого пути сделайте из сухой толстой доски. Деревянные опоры (столбики) сделайте из сухих реек по форме и размерам, приведенным на рисунке 60, г. Количество опор подбирается практически. Для рельса тщательно обработайте длинную деревянную рейку. Ее можно сделать из коротких реек. После склеивания рейку необходимо выверить и устранить все скосы и извилины ее граней и ребер. Сделав ребра и грани рельса прямыми, необходимо отшлифовать только его верхнюю грань.

Склейте каркас катушек из тонкой фанеры по форме и размерам, показанным на рисунке 60, а. На каждый каркас намотайте обмотку (около 500 витков) изолированным проводом толщиной 0,7–1 миллиметр.

Обмотки соленоидов рассчитаны на низкое напряжение 48–50 вольт, получаемое от понижающего трансформатора. Сначала изготовьте два соленоида. Остальные соленоиды сделайте после изготовления и пробного испытания вагончика. Вагончик состоит из рамы и корпуса (кузова). Внешний вид вагончика показан на рисунке 60, а, конструкция рамы и ее размеры на рисунке 60, д.

Изготовьте две одинаковые пластины из мягкой стали, просверлите в них нужные отверстия. Подберите два шариковых подшипника с внутренним диаметром 4–5 миллиметров (можно взять подшипники других размеров). Изготовьте две оси с резьбой на концах. На оси туго насадите шарикоподшипники (рис. 60, л), которые будут служить колесами вагончика (рис. 60, к). Чтобы вагончик устойчиво двигался, нужно его центр тяжести вынести ниже точек опоры. Для этого к внешним сторонам рамы снизу необходимо прикрепить дополнительные балансовые грузики и сбалансировать раму на рельсе.

Установите рельс горизонтально на опорных столбиках, поставьте на него раму. Если рама будет стоять на рельсе неустойчиво и накренится в какую-либо сторону, следует сточить балансный грузик с той стороны, в которую она накренилась.

Корпус вагончика изготовьте из тонкой жести и придайте ему внешний вид современного автобуса. Готовый корпус установите на раму так, чтобы его можно было легко снять во время балансировки вагончика. После изготовления вагончика приступайте к пробному испытанию.

Установите первый соленоид на основании дороги, поставьте вагончик на рельс вблизи соленоида. Включите ток в соленоид и определите, с какого места вагончик будет получать наибольшую скорость движения. В этом месте, против передней части вагончика перед соленоидом подвесьте контакты, если путь прямой. Для кругового пути отметьте на рельсе места, на которых будут врезаны контакты. Расстояние между соленоидами определите практически, пропуская вагончик через соленоид и замечая место, где он остановится. Определив расстояние между двумя соленоидами, вам станет ясно, сколько потребуется соленоидов для всей дороги. После изготовления всех частей дороги приступайте к ее сборке.

На основании дороги укрепите опорные столбики при помощи клея. Прикрепите соленоиды к основанию на размеченных местах. Установите подвесные контакты на каждом соленоиде. Пропустите рельс сквозь соленоидные катушки и прикрепите его к опорным столбикам. Соберите электрическую схему дороги по рисунку 60, е или ж и присоедините к контактам искрогасительные конденсаторы с. Монтажные провода проложите под основанием дороги.

Оформление дороги можно сделать в виде метро или туннелей внутри горных перевалов. Чтобы оформить дорогу в виде туннелей, покройте соленоиды сверху «горами», сделанными из папье-маше. Сверху на горы наклейте мох с мелким гравием. Полотно дороги покройте клеем и насыпьте на него мелкий речной песок.

Раскрасьте вагончик — и дорога готова. Вы можете придумать любую конструкцию электрической соленоидной дороги и построить ее по своим чертежам.

Более 800 000 книг и аудиокниг! 📚

Получи 2 месяца Литрес Подписки в подарок и наслаждайся неограниченным чтением

ПОЛУЧИТЬ ПОДАРОК