2.3. Искатель скрытой проводки

Борисов А. [7]

Этот простой миниатюрный прибор предназначен для определения места прохождения в стене скрытой электрической проводки, что необходимо во избежание ее повреждения и поражения электрическим током при сверлении в стенах отверстий. Принципиальная схема прибора помещена на рис. 10.

Рис. 10. Принципиальная схема искателя скрытой проводки

Она содержит всего три транзистора: на двух — VT1 и VT3 — собран мультивибратор с емкостными связями, третий — VT2 — представляет собой электронный ключ.

Как только замкнутся контакты выключателя SB1 и на схему будет подано питание, мультивибратор начнет работать, а транзисторы — поочередно отпираться, что приведет к частым вспышкам светодиода HL1. Транзистор VT2 при этом заперт. Стоит приблизить щуп WA1 к электрическому проводу, вокруг которого имеется электрическое поле, — как транзистор VT2 откроется и через низкоомный резистор R4 замкнет цепь базы VT3 на минус. В результате колебания мультивибратора будут сорваны, и светодиод погаснет. Питание на схему напряжением 9 В подается от батареи «Крона» или «Корунд».

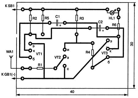
Все детали искателя кроме щупа размещаются на печатной плате (рис. 11).

Рис. 11. Чертеж печатной платы (в масштабе 2:1) искателя скрытой проводки

Щуп состоит из пластмассового конического колпачка, внутри которого располагается металлический стержень.

Устройство помещается в пластмассовый корпус, показанный на рис. 12, который можно склеить из молочного оргстекла. Такая миниатюрная конструкция позволяет носить искатель в кармане.

Рис. 12. Внешний вид корпуса искателя

Более 800 000 книг и аудиокниг! 📚

Получи 2 месяца Литрес Подписки в подарок и наслаждайся неограниченным чтением

ПОЛУЧИТЬ ПОДАРОК