5.4. Двухтональный электронный звонок

Зарубин А. [19]

Принципиальная схема этого звонка собрана всего на одной микросхеме К176ИЕ5, которая содержит генератор с двоичным счетчиком и считается «часовой», так как разработана для применения в электронных часах (рис. 27). В этом случае к ней подключается кварцевый резонатор на частоту 16384 или 32768 Гц, генератор вырабатывает импульсы этой частоты, которая уменьшается делителем. Однако эта микросхема способна генерировать импульсы и без кварцевого резонатора.

Рис. 27. Принципиальная схема двухтонального звонка

Основная частота повторения импульсов в схеме определяется сопротивлением резистора R3, емкостью конденсатора С1 и равна примерно 1500 Гц. Резистор R1 осуществляет частотную манипуляцию, так как подключен к выводу микросхемы, где частота импульсов в 256 раз меньше основной.

Выходной сигнал с микросхемы поступает на базу выходного усилительного транзистора VT1, нагрузкой которого является капсюль ТА-4. Питание поступает от сети переменного тока через гасящий резистор R4 и однополупериодный выпрямитель VD1, С2. Выпрямленное напряжение стабилизировано стабилитроном VD2.

Звонок включается нажатием кнопки SB1. При этом конденсатор разряжается на микросхему и выходной каскад. От длительности его разряда зависит время звучания звонка. После окончания звука кнопку нужно отпустить, тогда конденсатор С2 вновь зарядится от выпрямителя. Печатная плата с размещением элементов показана на рис. 28.

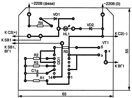
Рис. 28. Чертеж печатной платы двухтонального звонка

Более 800 000 книг и аудиокниг! 📚

Получи 2 месяца Литрес Подписки в подарок и наслаждайся неограниченным чтением

ПОЛУЧИТЬ ПОДАРОК