8.3. Белорусская рулетка

Лагута С. [32]

В обычной рулетке шарик бросают в кольцевую канавку вращающегося диска. Шарик, вращаясь по кольцу канавки, совершает множество оборотов, а после снижения скорости падает в одну из пронумерованных ячеек. Выигрывают игроки, которые загадали номер этой ячейки. В предлагаемой электронной рулетке количество «ячеек» значительно меньше, чем в настоящей: всего 10. Порядок игры также другой. Каждый игрок вслух объявляет выбранную им цифру. Затем «запускается рулетка» — нажимается кнопка пуска схемы. Через некоторое время методом случайной выборки устройство отображает одну из цифр. Выигрывают угадавшие.

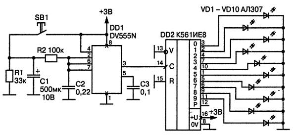
Принципиальная схема устройства показана на рис. 46.

Рис. 46. Принципиальная схема белорусской рулетки

Процесс вращения шарика имитирует генератор импульсов, собранный на микросхеме DV555N. Постепенное замедление шарика и его остановку имитирует постепенное уменьшение частоты повторения импульсов. Счетчик DD2 подсчитывает число поступивших импульсов по модулю 10, но переполнение не учитывается. Номера ячеек имитируют десять светодиодов. После остановки генератора останавливается и счетчик с зажиганием светодиода, соответствующего последней цифре числа прошедших импульсов. Случайность процесса обусловливается неопределенностью длительности нажатия на кнопку пуска, во время которой частота повторения импульсов не уменьшается, а счетчик их считает.

Микросхема DV555N представляет собой интегральный таймер, который содержит два компаратора, триггер и выходные каскады. Назначение выводов таймера следующее. Входы компараторов — выводы 2 и 6, сброс триггера — 4, выходы — 3 и 7, управляющее напряжение — 5, питание — 8, общий — 1. Вывод 4 служит для блокировки таймера: при подаче на него низкого уровня таймер не работает и на обоих выходах устанавливается низкий потенциал. Поэтому вывод 4 соединен с источником питания. Триггер таймера переключается, когда на обоих входах одновременно действует высокий уровень. Поэтому выводы 2 и 6 соединены и подключены к времязадающей цепочке R2, С2, на которую поступает питание с конденсатора С1. Заряд конденсатора С2 происходит через резистор R2, а разряд — через выходной транзистор с открытым коллектором (вывод 7).

Внутри микросхемы таймера резисторный делитель образует два пороговых напряжения. При питании напряжением 3 В эти пороги равны 2 В и 1 В. При нажатии кнопки пуска SB1 конденсатор С1 быстро заряжается от источника питания до 3 В, а конденсатор С2 начинает заряжаться через резистор R2 от нуля до 2 В. Напряжение на выходе таймера в это время равно напряжению питания. В тот момент, когда напряжение на С2 достигнет 2 В, срабатывает компаратор, триггер таймера опрокидывается и выходные напряжения падают до нуля. Начинается разряд С2 через транзистор с открытым коллектором (вывод 7). Когда напряжение на С2 спадет до 1 В, сработает второй компаратор, вновь переключится триггер, выходные напряжения сравняются с напряжением питания, транзистор с открытым коллектором запрется и вновь начнется заряд С2 с 1 В до 2 В. Таким образом таймер вырабатывает импульсы, период повторения которых определяется временем заряда С2 от 1 В до 2 В (временем разряда через вывод 7 можно пренебречь). Хотя постоянная времени заряда, равная произведению R2xС2, не изменяется, но после отпускания кнопки через R1 начинает разряжаться конденсатор С1 и напряжение на нем уменьшается. Понятно, что чем ниже напряжение на С1, тем больше требуется времени для заряда С2 от 1 В до 2 В. Так плавно увеличивается период повторения импульсов, и, когда С1 разрядится до 2 В, конденсатор С2 зарядиться до 2 В уже не сможет, триггер остановится.

Счетчик DD2 также остановится и окажется горящим один светодиод. При следующем нажатии пусковой кнопки произведению R2xС2, не изменяется, но после отпускания кнопки через R1 начинает разряжаться конденсатор С1 и напряжение на нем уменьшается. Понятно, что чем ниже напряжение на С1, тем больше требуется времени для заряда С2 от 1 В до 2 В. Так плавно увеличивается период повторения импульсов, и, когда С1 разрядится до 2 В, конденсатор С2 зарядиться до 2 В уже не сможет, триггер остановится. Счетчик DD2 также остановится и окажется горящим один светодиод. При следующем нажатии пусковой кнопки процесс повторяется.

Более 800 000 книг и аудиокниг! 📚

Получи 2 месяца Литрес Подписки в подарок и наслаждайся неограниченным чтением

ПОЛУЧИТЬ ПОДАРОК