8.2. Электронная игра «Чет-нечет»

Прокопцев Ю. [31]

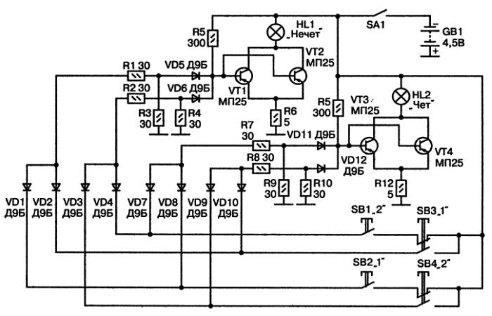
Предлагаемая электронная игра, принципиальная схема которой приведена на рис. 45, рассчитана на двух играющих и предусматривает выигрыш одного партнера, если сумма чисел, выбранных обоими игроками, оказывается четной, и выигрыш другого — если нечетной. Каждый играющий располагает двумя кнопками: один — SB1 «2» и SB3 «1», другой — SB2 «1» и SB4 «2».

Рис. 45. Принципиальная схема игры «Чет-нечет»

Распознавание четности или нечетности суммы и соответствующее отображение лампочками накаливания осуществляется диодным коммутатором VD1-VD10 и транзисторами VT1, VT2 в блоке «Нечет» и VT3, VT4 в блоке «Чет».

При отжатых кнопках управления потенциалы баз транзисторов благодаря делителям R5 и R3, R4 в блоке «Нечет», а также R11 и R9, R10 в блоке «Чет» составляют -0,2 В. При этом транзисторы заперты, и лампочки не горят. Если нажать кнопку SB1, соответствующую цифре 2, ток от источника питания потечет через диод VD4 и резисторы делителя R2, R4, которые делят напряжение пополам. На аноде диода VD6 окажется отрицательное напряжение — 2,35 В, он запрется, и потенциал баз VT1,VT2 станет равным -0,4 В. Чтобы отпереть транзисторы, этого также недостаточно. Нужно дополнительно запереть диод VD5 с помощью второй кнопки. Так, нажатие кнопки SB2, соответствующей цифре 1, приводит через диод VD1 и делитель из резисторов R1, R3 к запиранию диода VD5. Тогда шунтирующее действие эмиттерных переходов резисторами R3, R4 прекращается, ток каждой базы VT1, VT2 становится равным 7,5 мА, транзисторы отпираются, и зажигается лампа HL1 «Нечет». Действительно, сумма 2 + 1 = 3. Если же нажаты кнопки SB1 и SB4, запираются диоды VD11 и VD12, что приводит к отпиранию транзисторов VT3, VT4 и зажиганию лампы HL2 «Чет». Действительно, сумма 2 + 2 = 4.

Автор рекомендовал использовать лампочки накаливания, рассчитанные на напряжение 4,5 или 3,5 В при токе не более 200 мА. В этом случае подойдут лампочки типа МНЗ,5–0,14, рассчитанные на ток 140 мА.

При отсутствии транзисторов МП25 можно установить транзисторы КТ3108А. Их максимальный ток коллектора составляет 200 мА. Еще лучше установить коммутаторные лампочки КМ6-60, рассчитанные на номинальное напряжение 6 В и ток 60 мА. При напряжении питания 4,5 В ток такой лампочки окажется равным 45 мА В этом случае в каждом блоке достаточно использовать один транзистор вместо двух.

Чтобы предотвратить последствия нажатия игроками сразу двух предоставленных им кнопок, SB3 и SB4 выполнены двухполюсными. При их нажатии размыкаются цепи кнопок SB1 и SB2.

Более 800 000 книг и аудиокниг! 📚

Получи 2 месяца Литрес Подписки в подарок и наслаждайся неограниченным чтением

ПОЛУЧИТЬ ПОДАРОК