7.3. Автоматический выключатель.

Зонов О. [27]

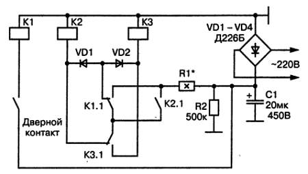
Это устройство (рис. 40) собрано на трех электромагнитных реле и управляется дверным контактом, который замыкается при открывании двери. При этом срабатывает реле К1 и его контакты К1.1 переключаются в правое по схеме положение. Теперь замыкается цепь питания реле К2: вывод «плюс» конденсатора С1, резистор R1, контакты К1.1, контакты К3.1. Реле К2 срабатывает и самоблокируется контактами К2.1. Если теперь закрыть дверь, дверной контакт разомкнется и реле К1 отпустит. Контакт К1.1 вернется в левое положение, но реле К2 останется в сработавшем состоянии, так как ток в обмотке обеспечивается замкнутыми контактами К2.1, контактами К1.1 в левом положении и открытым диодом VD1. Через диод VD2 пойдет ток в обмотку реле К3. Оно сработает, контакты К3.1 переключатся в правое положение и реле К3 встанет на самопитание. Такое состояние может длиться неограниченно долго. После открывания и последующего закрывания двери реле К2 и К3 срабатывают и остаются в этом состоянии.

Рис. 40. Схема автоматического выключателя

Если парой дополнительных контактов одного из этих реле зажигать освещение в помещении, то при входе в него и закрывании за собой двери будет автоматически включаться освещение.

Если теперь выйти из помещения, открыв дверь, вновь замкнется дверной контакт и сработает реле К1. Контакты К1.1 займут правое положение, реле К2 отпустит и контакты К2.1 разомкнутся. Но реле К3 останется в сработавшем состоянии, так как через его обмотку течет ток через контакты К1.1 и К3.1, находящиеся в правом положении. Наконец, закроем дверь. Реле К1 отпустит, контакты К1.1 вернутся в левое положение и отпустит реле К3. Схема вернулась в исходное состояние.

Более 800 000 книг и аудиокниг! 📚

Получи 2 месяца Литрес Подписки в подарок и наслаждайся неограниченным чтением

ПОЛУЧИТЬ ПОДАРОК