2.1. Металлоискатель на микросхеме

Нечаев И. [5]

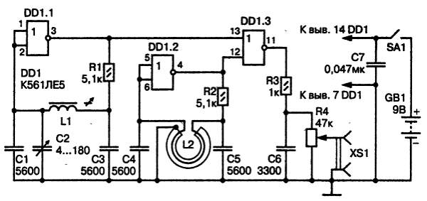
Работа металлоискателя основана на классическом принципе: используются два генератора — эталонный и поисковый. Частота эталонного генератора постоянна, а частота поискового генератора зависит от индуктивности поисковой катушки. Колебания генераторов поступают на смеситель, на выходе которого возникают колебания разностной частоты. Если на поисковую катушку не оказывают влияния местные металлические предметы, частоты колебаний обоих генераторов получаются равными, а разностная частота — нулевой. Если же в магнитном поле поисковой катушки оказывается металл, ее индуктивность изменяется, изменяется частота колебаний поискового генератора, и на выходе смесителя образуются биения разностной частоты, которые могут быть зарегистрированы. Принципиальная схема металлоискателя приведена на рис. 5.

Рис. 5. Принципиальная схема металлоискателя на микросхеме

Эталонный генератор собран на элементе DD1.1. Колебания прямоугольной формы, частота которых fэ определяется колебательным контуром L1, C1, С2, СЗ, поступают на один из входов элемента DD1.3, используемого в качестве смесителя. Поисковый генератор собран на элементе DD1.2. Частота генерируемых им колебаний fn определяется колебательным контуром, состоящим из поисковой катушки L2 и конденсаторов С4, С5. Колебания поискового генератора подаются на второй вход смесителя DD1.3. На выходе смесителя (вывод 11) образуются колебания разных частот: частоты колебаний эталонного генератора fэ, частоты колебаний поискового генератора fn, суммарной частоты fэ + fn и разностной частоты ±(fэ — fn). Кроме того, образуются колебания комбинационных частот типа mfэ ± nfэ. Из всего этого спектра частот полезной является составляющая разностной частоты, которая через резистор R3 поступает на регулятор громкости R4, а оттуда — на соединитель XS1 для подключения головных телефонов. Остальные частотные составляющие отфильтровываются конденсатором С6.

Катушка L1 содержит 200 витков провода ПЭВ-2 (0,09 мм), намотанных на каркасе, помещенном в броневой сердечник диаметром 8,6 мм из феррита 600НН с подстроечником. Для катушки L2 в алюминиевую трубку диаметром около 6 мм и длиной 950 мм помещают 18 отрезков провода МГТФ-0,07, трубку сгибают, а витки соединяют последовательно. Индуктивность катушки — около 350 мкГн. Элементы схемы, за исключением батареи, соединителя и поисковой катушки, размещены на печатной плате, показанной на рис. 6.

Рис. 6. Чертеж печатной платы металлоискателя на микросхеме

Металлоискатель в собранном виде показан на рис. 7.

Рис. 7. Металлоискатель в собранном виде

Печатная плата помещена в алюминиевый корпус с прорезями под ручки управления. Батарея питания «Крона» размещается внутри рукоятки.

При использовании металлоискателя конденсатором С2 устанавливают частоту биений, после чего их тон при приближении к металлу изменяется вверх или вниз в зависимости от того, выше или ниже частота эталонного генератора частоты поискового, а также свойств металла: ферромагнетических или диамагнетических (черный или цветной металл).

Металлоискатель этой конструкции способен обнаруживать массивные металлические предметы на глубине до 1 м от поверхности земли.

Более 800 000 книг и аудиокниг! 📚

Получи 2 месяца Литрес Подписки в подарок и наслаждайся неограниченным чтением

ПОЛУЧИТЬ ПОДАРОК