Кладоискатели, вперед!

Сия карта показывает места богатейших кладов, зарытых и потерянных Госпариллой («Черным Цезарем») и другими знаменитыми пиратами…оцениваемых ныне приблизительно в 165 000 000 долларов Соединенных Штатов

…Стоимость карты — один доллар

Л. Скрягин. «По следам морских катастроф»

Кладоискательство — исконная страсть человечества. Веками одни — старательно прячут или случайно теряют сокровища, а другие — фанатично пытаются их найти. Пиратские клады и древние захоронения, затонувшие галионы и загадочные пещеры, чердаки и подвалы — куда только не приводят тропы романтиков и алчных, диггеров и «черных следопытов», людей ученых и простаков…

«Каждый выбирает для себя», и мы отнюдь не агитируем за этот вид «умопомешательства», или, напротив, стараемся кого-то отговорить от подобных затей, а хотим лишь слегка приоткрыть занавес в малой части, связанной с радиоэлектроникой. Поэтому речь пойдет о простейшем металлоискателе, а уж для чего его применить — дело хозяйское.

Металлические предметы реагируют на внешние электромагнитные поля. Характер этой реакции зависит от их электрофизических свойств и параметров поля.

Переменное электромагнитное поле наводит в сплошных металлических массах вихревые токи. Подобные токи называют также токами Фуко, по фамилии французского физика, исследовавшего их в XIX в. и предложившего разделять предметы на тонкие пластины для их уменьшения. Этот прием используется для уменьшения потерь на нагрев в трансформаторах и машинах переменного тока.

Вихревые токи создают собственное электромагнитное поле в окружающем пространстве. Если тела являются ферромагнитными, то имеется дополнительная реакция на внешние электромагнитные поля, связанная с намагничиванием вещества. На этом основана магнитная запись и считывание информации.

Таким образом, по реакции на внешнее переменное магнитное поле в принципе можно судить о наличии металлических предметов в некоторой области пространства, приближенно оценивать их размеры, а при утонченном анализе — сигналов и роде металла.

Для создания зондирующего поля используются разнообразные плоские катушки и рамки. С помощью специальной геометрии их расположения и включения в электронные устройства добиваются определенных характеристик направленности, чувствительности и избирательности.

Например, металлоискатели, используемые в охранных системах для обнаружения оружия или специальных закладок в продаваемых товарах (книгах), которые можно встретить теперь буквально на каждом шагу на входах залов, офисов, магазинов и т. п., имеют три рамки.

Рамки располагают в плоскостях параллельно друг другу: две крайних симметрично относительно средней (центральной). Средняя рамка служит «передатчиком», а симметрично расположенные крайние — «приемниками». На среднюю рамку подается зондирующий сигнал, а с крайних, включенных в противофазе, снимается сигнал реакции системы на свойства среды внутри нее. В дежурном режиме отклик системы равен нулю. Появление проводящих предметов между одной из крайних рамок и центральной приводит к «разбалансу» сигналов, принимаемых крайними рамками, и формирует результирующий сигнал тревоги.

Система, реагирующая на хищение товаров, настраивается на избирательное обнаружение специальных закладок в виде малогабаритных планарных ВЧ-контуров, проволоках Виганда с особыми магнитными свойствами и т. п. Эти закладки «прожигают» или размагничивают при покупке товара в кассах.

В работе подобных систем подчас встречаются печально-курьезные сбои, связанные с их реакцией на внутренние металлические протезы.

Рассмотренная система проходных катушек помимо использования в охранных устройствах используется также в «вихретоковых» методах так называемого «неразрушающего контроля» на различных производствах.

Например, для обнаружения случайного попадания посторонних металлов в продукты питания их транспортируют вдоль оси системы перпендикулярно плоскостям катушек (подобную конфигурацию типа широкого дверного проема используют и в охранных системах).

Однако часто контролируемая среда имеет доступ только с одной стороны. В подобных случаях используют компланарные, т. е. располагаемыми в одной плоскости, катушки (типа «блина» в миноискателе) или специальные накладные датчики типа магнитофонных головок, рабочее поле которых проникает в контролируемый объект.

Здесь надо иметь в виду, что напряженность поля очень быстро уменьшается с расстоянием, и это является основным фактором, ограничивающим чувствительность систем обнаружения.

В рассматриваемом ниже простейшем металлоискателе используются две катушки, расположенные на плоском ферритовом стержне.

Металлоискатель Мастер КИТ NK293

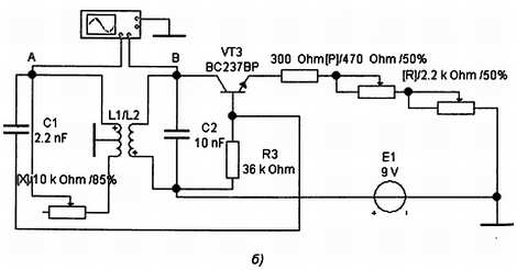
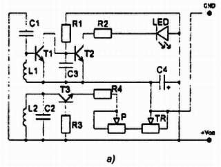
Принципиальная схема устройства показана на рис. 128, а.

В виртуальной модели металлоискателя, представленной на рис. 128, б, ограничимся той частью, которая формирует полезный сигнал. Позиционные обозначения компонентов исходной схемы и их параметры в этой модели в основном сохранены.

В отличие от полной принципиальной схемы реального устройства здесь вместо катушек L1 и L2 введен трансформатор L1/L2 с выводом от средней точки вторичной обмотки, которая заземляется. Исходное изображение схемного компонента повернуто вокруг вертикальной оси, так что первичной обмоткой служит та, которая на рис. 128, а обозначена как L2.

Рис. 128. Металлоискатель Мастер КИТ NK293:

а — принципиальная схема; б — виртуальная модель в EWB; в — установки трансформатора; г — осциллограммы сигналов; д — общий вид

Принятые параметры трансформатора показаны на рис. 128, в. Кроме этого добавлен переменный резистор [X] и осциллоскоп.

Конденсатор С2 и обмотка L2 образуют колебательный контур автогенератора, выполненного на транзисторе VT3. Положительная обратная связь, обуславливающая самовозбуждение колебаний, образуется обмоткой L1 и конденсатором С1. Выход генератора связан с системой индикации в точке А. В исходной схеме (рис. 128, а) это база транзистора Т1.

В отсутствие колебаний напряжение в точке А равно нулю.

Уменьшая величину [R] в модели (или соответственно TR в исходной схеме), можно при прочих равных условиях добиться возникновения автоколебаний в системе. Появление проводящего тела в переменном магнитном поле этой системы приводит к возникновению в нем вихревых токов, что можно представить в модели третьей катушкой, имеющей магнитную связь между двумя первыми. Таким образом, в модели верхняя половина L1 играет роль исходной катушки, а нижняя — наведенной за счет электромагнитной индукции в металлическом теле. Регулировка «наличия металла» в модели производится резистором [XJ. Фазировка всех катушек выбрана так, что при «отсутствии металла» — [Х] = 0 и напряжение в точке А также равно нулю.

Устанавливая определенные значения резисторами [R] и [X], наблюдаем картину колебаний на осциллоскопе (см. рис. 128, г).

В реальном устройстве сигналу в точке А соответствует горение светодиода LED (см. рис. 128, а), причем он светится тем ярче, чем сильнее сигнал.

Ознакомившись с работой виртуальной модели, переходят к сборке устройства (рис. 128, д). После его сборки на плате согласно схеме, приступают к изготовлению индуктивного датчика металлоискателя. Для изготовления датчика наматывают катушки индуктивности L1 и L2, содержащие 60 и 100 витков соответственно, и располагают их на общем ферритовом сердечнике. Намотка выполняется в одном направлении, аккуратно, виток к витку. Расстояние между обмотками должно быть не менее 8 мм. Желательно, катушки L1 и L2 выполнить на бумажных гильзах, чтобы иметь возможность для перемещения их относительно друг друга. Надежно закрепив выводы обмоток с помощью ниток, ленты или клея, концы их выводов зачищают, «облуживают» и «подпаиваивают» к плате, соблюдая определенную «фазировку». Затем устройство подключают к источнику питания, соблюдая полярность.

Настройку устройства необходимо начать с установки переменного резистора Р в среднее положение. С помощью «подстроечного» резистора необходимо установить порог срабатывания устройства, при котором светодиод LED начинает неустойчиво светиться. Расположив металлический предмет на расстоянии 3…6 см от индуктивного датчика, добиваются стабильного включения светодиода. При удалении металлического предмета более чем на 10 см светодиод должен выключаться. В случае если не удается добиться работы устройства, необходимо поменять местами выводы катушки L1.

Теперь все устройство можно заключить в корпус (ни в коем случае не из металла), при этом для работы с максимальной чувствительностью датчик надо удалить на 10…15 см (возможно, расположив его в отдельной головке) от платы и батарейки. В противном случае он будет «находить» их, а не то, что вы хотели бы найти.

Вряд ли с помощью этого устройства удастся найти клад: вернитесь к эпиграфу — серьезные металлоискатели имеют цены, сравнимые с автомобилями. Хотя, чем черт не шутит…

Однако это вполне удобное устройство для самых разных случаев жизни. Например, во время проведения ремонтных работ часто возникает необходимость определить наличие металлической арматуры, труб и электропроводки, расположенной в стенах, полах, потолках. С помощью предлагаемого металлоискателя можно обнаружить подобные металлические элементы конструкции и проводки на глубине закладки до 60 мм. Металлоискатель имеет регулировку чувствительности, что позволяет с достаточной точностью установить месторасположение металлических предметов.

Если спрятать 10-копеечную монету под 300-страничную книгу, то с помощью данного металлоискателя ее можно найти, а заодно и выявить его диаграмму направленности, вращая датчик по азимуту на некотором расстоянии от эпицентра расположения монеты. Так что затерявшийся в траве предмет тоже можно найти, и мало ли чего еще, даже шоколадки или пачки сигарет в карманах при шуточном досмотре, благодаря их оберткам из фольги.

Чувствительность этого прибора можно увеличить, если заменить прилагаемый ферритовый стержень на больший, например, от старых транзисторных радиоприемников.

Желающим же всерьез заняться кладоискательством посоветуем, потренировавшись с этим образцом, изготовить более сложное устройство, например микропроцессорный металлоискатель Мастер КИТ NM8041.

«Кто ищет, тот всегда найдет!». И Вы уже нашли: Знания, а это и есть самый большой клад в жизни, только не останавливайтесь на достигнутом: копайте дальше!

Более 800 000 книг и аудиокниг! 📚

Получи 2 месяца Литрес Подписки в подарок и наслаждайся неограниченным чтением

ПОЛУЧИТЬ ПОДАРОК