Раз, два, три — елочка, гори!

Новый год — самый любимый общий семейный праздник. Кругом горят огни елок. Заранее начинают готовиться и думать, что же подарить своим родным и друзьям. И здесь важна не цена подарка, а забота, внимание и выдумка. На помощь радиолюбителям приходит Мастер КИТ и предлагает оригинальный и интересный набор NS180 «Новогодняя елка».

Виртуальная елочка

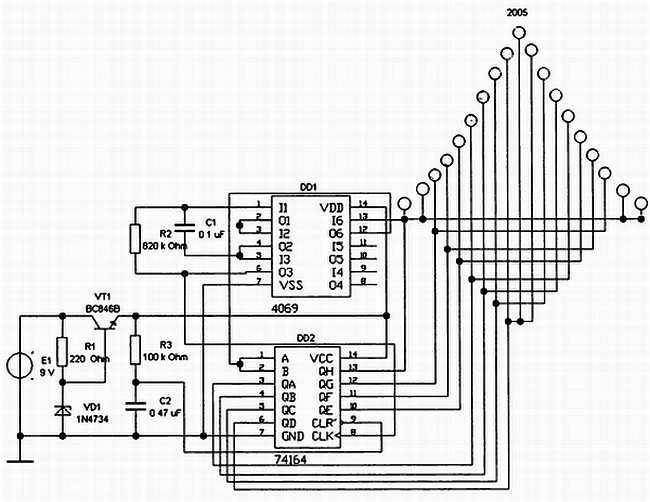
Сначала посмотрим елочку на компьютере: в программе EWB соберем ее развернутую виртуальную модель (рис. 148).

Рис. 148. Развернутая виртуальная модель электронной елочки в EWB

Для этого потребуется войти в раздел цифровых интегральных микросхем Digit и подобрать там КМОП микросхему 4069 и ТТЛ микросхему 74164. Разместив их в центре экрана, собираем слева источник питания: батарея Е1 = 9 В и стабилизатор напряжения на NPN транзисторе VT1 и стабилитроне (Zener Diode) VD1 (конкретные их типы для этой модели не принципиальны). Набрав далее необходимые резисторы и конденсаторы, собираем устройство управления елочной гирляндой. Собираем генератор, задающий тактовые импульсы, на инверторах микросхемы 4069 и подключаем его к 8-ми разрядному последовательному сдвиговому регистру на микросхеме 74164. На выходы регистра «навешиваем» гирлянду светоизлучающих диодов. В программе EWB мы используем для этой цели логический пробник (Probe), находящийся в разделе Indicators. Собрав все необходимые цепи, даем команду на моделирование. На компьютере возникает мигающая огнями елка.

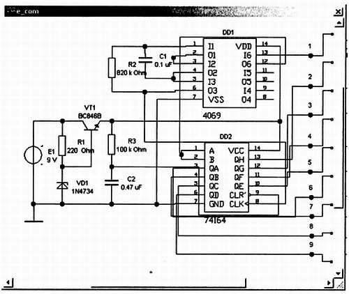
Используя технику субблоков, выделим в модели блок электронного коммутатора е_соm (рис. 149) и, используя его, придадим модели иной вид (рис. 150, а).

Рис. 149. Субблок e_com в виртуальной модели электронной елочки

Новогодняя елка от Мастера КИТ NS180

Теперь берем собственно набор и наряжаем реальную электронную елку.

Общий вид «Новогодней елки» показан на рис. 150, б.

Технические характеристики устройства

Напряжение питания… 9 В

Максимальный ток потребления… 100 мА

Размеры печатной платы… 90x133 мм

Остается поставить ее на праздничный стол и достойно, демонстрируя свои достижения в радиоэлектронике, встретить Новый год: «Гори, гори ясно!».

Рис. 150. Новогодняя елка:

а — виртуальная модель в EWB; б — набор Мастер КИТ NS180

* * *

Вот мы и побывали в этой удивительной стране:

«РАДИОЭЛЕКТРОНИКА».

Многое увидели, познали и сделали. Настала пора прощаться.

Жаль только, что некуда бросить заветную монетку…

Попрощаемся на радиоязыке:

73!

Более 800 000 книг и аудиокниг! 📚

Получи 2 месяца Литрес Подписки в подарок и наслаждайся неограниченным чтением

ПОЛУЧИТЬ ПОДАРОК