Электроакустические и электромеханические компоненты

Электроакустические компоненты

Важно до конца выяснить, какую роль в восприятии звука играет то обстоятельство, что человеку дано именно два, а не одно ухо.

Т. Хаясака. Электроакустика

Электроакустические устройства представляют собой преобразователи электрических колебаний в акустические (излучатели звука: наушники, громкоговорители и т. п.) или, наоборот, акустических колебаний в электрические (приемники звука: микрофоны, гидрофоны и т. п.). Как правило, это выходные или входные компоненты соответствующих аудиоустройств. Электроакустические преобразователи имеют различный принцип действия, конструктивные особенности и технические характеристики.

Микрофоны

История изобретений микрофонов тесно переплетается с историей рождения телефонов (телефонных аппаратов и телефонной связи), так как они являются обязательными компонентами этих систем.

Официальной датой рождения телефона считается 1876 г., когда американец Александр Грэхем Белл получил свой знаменитый патент. Однако первый телефонный разговор, как свидетельствует околонаучный фольклор, произошел за 16 лет до этого. «Лошади не лопают огуречный салат!» — прокричал в раструб своего замысловатого аппарата Филипп Рейс. «Это я и без тебя знаю, старый осел!», — отчетливо прозвучал в ответ голос его друга, говорившего в аппарат, но в другом помещении. Свое устройство Рейс назвал «телефон» от греческих слов tele — вдаль, далеко и phone — звук; правда, аппарат Белла был более совершенным.

В своем изобретении Рейс использовал то, что на современном языке называется бионикой, взяв за основу механизм восприятия звука ухом. Его «одноухий» звукоприемник представлял собой раструб, прикрепленный сбоку к отверстию в деревянной коробке, закрытому упругой диафрагмой из свиной кишки (аналог барабанной перепонки). В центре диафрагмы размещалась платиновая пластинка, соединенная с одним из полюсов батареи. Второй полюс батареи был соединен с другим аппаратом, и далее цепь замыкалась через платиновую иглу (аналог ушного молоточка), касающуюся углубления в центре пластинки. Внутри углубления помещалась капелька ртути. При попадании звука в раструб колебания диафрагмы приводили к изменению площади касания в системе «игла — ртуть — пластинка» и. следовательно, изменению величины контактного сопротивления. Таким образом, ток в цепи модулировался звуковыми колебаниями.

Излучающее устройство второго аппарата состояло из железной вязальной спицы, укрепленной горизонтально на деревянном резонаторном ящике, а вокруг спицы размещалась катушка, соединенная с первым аппаратом. Переменный ток в катушке возбуждал колебания спицы, и из резонатора раздавался звук, отчасти похожий на тот, который был послан в первый аппарат… Возвращаясь к фольклору, отметим, что в продолжение приведенной выше фразы там пишется: «Рейс так обрадовался удаче, что не обратил внимания на не слишком вежливый ответ». А он и не мог его услышать по этому телефону: его звукоприемник не обладал свойством обратимости, им обладал только второй аппарат. Если друг Рейса произнес ответ, то, в принципе, спица в его аппарате пришла в соответствующие колебания и промодулировала ими ток в цепи аппаратов (так работают электромагнитные адаптеры в электрогитарах). Однако у аппарата Рейса колебания тока не привели бы к синхронным колебаниям иглы и диафрагмы и последующему излучению звука. Для дуплексной связи необходимо было бы иметь второй комплект подобной аппаратуры, с обратными функциями. Поэтому друг Рейса, пока они не изготовили два комплекта, мог бы выразиться и более смачно…

Американский изобретатель Д. Юз в 1878 г. усовершенствовал звукоприемное устройство Рейса (и частично некоторые конструкции Эдисона), заменив, по сути, платиновую иглу на угольный стерженек (типа карандашного грифеля), заостренный с двух концов и опирающийся на углубления в угольных опорах, находящихся на деревянной деке. Переходное сопротивление в угольных опорах изменялось здесь гораздо больше, чем у Рейса. Это — «микрофон Юза», хотя приставка «микро» здесь пока и не очень уместна (если только не сравнивать с ушами слона).

Годом позже железнодорожный инженер из г. Львова Маврикий Махальский, «раскрошив» угольный стержень Юза, получает патент на конструкцию микрофона с чувствительным элементом из угольного порошка. Этот микрофон был усовершенствован и впоследствии превратился в капсюльный угольный микрофон. Увы, как всегда, «страна своих героев не помнит», и этот микрофон, доживший до наших дней, сплошь и рядом, называют именем Юза…

Вполне понятно, что чувствительность этого микрофона значительно превышала чувствительность прототипа, благодаря использованию громадного числа изменяемых под действием звукового давления контактных поверхностей и большой подвижности отдельных зерен порошка.

В телефонах конструкции Белла, как для приема, так и для передачи звука, использовались, по сути, электромагниты с железной мембраной. В режиме микрофона звук колебал мембрану, и она вызывала модуляцию тока в цепи катушки электромагнита, подключенного к батарее, либо имевшей подмагничивание постоянным магнитом. Если этот ток протекал по другому аналогичному устройству, соединенному с первым проводами, то его мембрана колебалась в такт с первой, излучая звук в окружающее пространство.

Помимо порошкового угольного микрофона Махальского, который по принципу действия является тензорезистивным, и микрофона Белла, являющегося электромагнитным, известны микрофоны, основанные на иных принципах: электродинамические, конденсаторные, пьезоэлектрические и электретные (рис. 17).

Рис. 17. Микрофоны:

а — внешний вид; б — УГО

В электродинамическом микрофоне катушечного типа, который изобрели американские ученые Э. Венте и А. Терас в 1931 г., применена диафрагма из тонкой полистирольной пленки или алюминиевой фольги, жестко связанная с катушкой из тонкой проволоки, находящейся в кольцевом зазоре магнитной системы. При колебаниях диафрагмы под действием звука витки катушки пересекают магнитные силовые линии и в катушке наводится ЭДС, создающая переменное напряжение на ее зажимах.

В электродинамическом микрофоне ленточного типа, изобретенном немецкими учеными Э. Герлахом и В. Шоттки в 1924 г., вместо катушки в магнитном поле располагается гофрированная ленточка из очень тонкой (около 2 мкм) алюминиевой фольги.

В конденсаторном микрофоне, изобретенном американским ученым Э. Венте в 1917 г., звук действует на тонкую металлическую мембрану, изменяя зазор и, следовательно, электрическую емкость между мембраной и металлическим неподвижным корпусом, представляющими собой пластины конденсатора электрического. При подведении к пластинам постоянного напряжения изменение емкости вызывает появление тока через конденсатор, сила которого изменяется в такт со звуковыми колебаниями.

В пьезоэлектрическом микрофоне, сконструированном советскими учеными С. Н. Ржевкиным и А. И. Яковлевым в 1925 г., звук воздействует на пластинку из вещества, обладающего пьезоэлектрическими свойствами, например из сегнетовой соли, вызывая на ее поверхности появление электрических зарядов. В настоящее время в качестве чувствительного элемента в подобных микрофонах используют специальные пьезокерамические материалы (титанат бария, цирконат-титанат свинца и др.).

В электретном микрофоне, изобретенном японским ученым М. Егучи в начале 1920-х годов, по принципу действия и конструкции схожем с конденсаторным, роль неподвижной обкладки конденсатора и источника постоянного напряжения играет пластина из «электрета». «Электреты» относятся к материалам, способным сохранять постоянную электрическую поляризацию (и противоположные заряды на поверхностях), подобно тому, как постоянные магниты сохраняют свою намагниченность. С электретными микрофонами связана одна курьезная история времен Второй мировой войны, когда к американцам попал целехонький японский эсминец, и они немедленно стали изучать его техническое оснащение. И вот, когда дело дошло до оценки внутренней телефонии, то американские связисты оказались в полном недоумении из-за отсутствия в телефонах электромагнитов и источников питания. Однако связь безупречно работала. Только после весьма продолжительного специального научного исследования они разгадали эту японскую загадку: телефоны были электретными.

Казалось бы, что теперь-то все уже давно придумано: ведь к началу прошлого века патентов в этой сфере было под 10 тысяч, да еще за 100 лет сколько добавилось! Ан, нет. Вот недавнее сообщение: «44-летний врач Еситака Накадзима изобрел микрофон, который улавливает звук по натяжению и движению мускулов лица, а не по вибрации голосовых связок. Микрофон имеет 1 см в диаметре и 0,5 см в толщину и обладает настолько высокой чувствительностью, что с его помощью тихую и невнятную речь можно хорошо расслышать, даже находясь в комнате, в которой стереофоническая аппаратура включена на очень большой уровень громкости». Подобные устройства в принципе известны и называются ларингофонами (от «ларинго» — гортань). Как видим, здесь «микрофон» практически выродился: он воспринимает сигналы не из воздуха, а в процессе их формирования в мышцах лица или шеи, и затем обрабатывает их в компьютере специальной программой (в ней, по-видимому, заключена новизна изобретения).

Возможно, следующий изобретатель добудет сигналы прямо из мозга или нервных каналов, управляющих работой голосового тракта говорящего человека, но это уж точно будет не «микрофон», а, скорее, своеобразный «мозгофон» или «нервофон». Несомненно, одно: нет предела познанию и процесс творчества бесконечен, поэтому открыто поле деятельности и для наших читателей.

К техническим параметрам микрофонов относят: чувствительность (отношение напряжения на выходе микрофона к звуковому давлению на нем) и динамический диапазон; номинальный диапазон частот, в котором чувствительность соответствует номинальному значению; частотная характеристика и ее неравномерность; диаграмма направленности; модуль полного сопротивления и номинальное сопротивление нагрузки. В зависимости от значений, принимаемых этими параметрами, отечественные микрофоны относят к высшему (нулевому) классу и. соответственно, от первого до третьего. В зарубежной аппаратуре принято выделять HiFi (High Fidelity — высокое качество) устройства, примерно соответствующие отечественному высшему классу.

Излучатели звука и ультразвука

Если микрофоны выполняют функции, аналогичные уху человека, то излучатели звука подобны его голосовому аппарату. Поскольку возможности человеческого голоса ограничены, то издавна старались его усилить, например, сконцентрировать рупорами.

Развитие электро- и радиосвязи, а также собственно звуковоспроизведения привело к созданию многих оригинальных устройств.

В электроакустических преобразователях энергия электрических колебаний превращается в энергию излучаемого звука. Типичными излучателями являются громкоговорители и телефоны (здесь под термином «телефон» подразумевается именно излучатель звука, а не телефонный аппарат).

По способу преобразования колебаний громкоговорители и телефоны подразделяются на электродинамические катушечные (подавляющее число типов громкоговорителей), электромагнитные (основное число телефонов), электростатические, пьезоэлектрические и др.; по виду излучения — на громкоговорители непосредственного излучения, диффузорные и рупорные; по воспроизводимому диапазону — на широкополосные, низко-, средне- и высокочастотные; по потребляемой электрической мощности — на мощные и маломощные.

К техническим характеристикам громкоговорителей и телефонов относятся следующие понятия: номинальная мощность; частотная характеристика по звуковому давлению и ее неравномерность; среднее стандартное звуковое давление (отдача); входное сопротивление; характеристика направленности и др.

Из всех известных видов акустических преобразователей массовое применение в любительской практике нашли электродинамические громкоговорители, в просторечии называемые «динамиками», электродинамические головки прямого излучения и пьезокерамические СЧ и ВЧ излучатели.

Электродинамический громкоговоритель был изобретен и запатентован американцами Райсом и Келлогом в 1925 г. За прошедшее время наиболее заметные изменения в его конструкции связаны с появлением новых материалов для изготовления диффузоров и магнитных систем.

В электродинамическом громкоговорителе (рис. 18) для преобразования электрических колебаний звуковых частот в механические используют взаимодействие поля постоянного магнита с током в подвижной катушке, подключенной к источнику электрических колебаний.

Рис. 18. Громкоговорители:

а — внешний вид;б — вид в разрезе (1 — диффузородержатель; 2 — подвес; 3 — диффузор; 4 — пылезащитный колпачок; 5 — звуковая катушка: 6 — гибкие выводы; 7 — магнит; 8 — центрирующая шайба); в — УГО; г — компонент EWB

Катушка, располагаемая в кольцевом зазоре магнита, и жестко связанная с ней диафрагма вместе с магнитной системой образуют так называемую головку громкоговорителя. Взаимодействие тока с магнитным полем вызывает механические колебания диафрагмы, сопровождающиеся излучением звуковых волн либо непосредственно (громкоговорители прямого излучения), либо через рупор (в рупорных громкоговорителях). Качество звучания существенно зависит от типа корпуса, в который помещают громкоговоритель.

Характерные значения сопротивления звуковой катушки электродинамических громкоговорителей составляют 4 и 8 Ом. Типичные значения полной электрической мощности лежат в пределах 0,05…100 ВА. Узкополосные громкоговорители обеспечивают воспроизведение в сравнительно узком интервале частот: сабвуфер (сверхнизкочастотный громкоговоритель) — 20…120 Гц; вуфер (низкочастотный громкоговоритель) — 150…250 Гц; мидрендж (среднечастотный громкоговоритель) — 250…2000 Гц; твитер (высокочастотный громкоговоритель) — 3,5 кГц и выше. Широкополосные громкоговорители обеспечивают работу в большом интервале частот, например 40…15 000 Гц.

В пьезокерамических источниках звука используется «обратный пьезоэффект» — механическая деформация пьезоэлектриков (кварц, сегнетова соль, пьезокерамика) в электрическом поле. Очевидно, первой технической конструкцией подобного излучателя следует считать кварцевый излучатель Шиловского-Ланжевена, изобретенный 1916 г. и использованный в гидролокации.

Современные пьезокерамические излучатели звука выполняют двух- и трехэлектродными. В двухэлектродных излучателях пьезокварцевая пластинка, имеющая металлизированное покрытие с двух сторон, одной из них прикрепляется к металлической диафрагме.

Переменное напряжение, подводимое к диафрагме и другой стороне токопроводящего покрытия на пластинке, вызывает переменные деформации системы, приводящие к излучению звука в окружающую среду. Трехэлектродные устройства имеют дополнительный электрод типа язычка, доходящего до центра пластинки. Сигнал, снимаемый с этого электрода, находится в противофазе с основным возбуждающим сигналом, подаваемым на основные электроды и используется для обратной связи в системе управления. Подобные устройства используют как высокочастотные громкоговорители и излучатели ультразвука (рис. 19).

Рис. 19. Пьезоизлучатель МастерКИТ AK076:

а — внешний вид; б — модельный пьезокварц в EWB

В конце прошлого века британское министерство обороны объявило о разработках результатов исследований звукоизоляции в кабинах военных самолетов активными шумоподавителями в виде плоского панельного громкоговорителя системы NXT(New Transducer Technology — новые технологии преобразования). NXT — это технология плоских панелей, при которой ее возбуждение осуществляется из одной точки с помощью электродинамических, пьезоэлектрических или других возбудителей. Материалом панели могут служить картон, пластмасса, композиты из углеродного волокна и т. д. Основная идея заключается в получении максимально случайного характера движения любых двух соседних точек поверхности панели относительно друг друга.

В отличие от обычных многополосных громкоговорителей, для воспроизведения всего звукового диапазона используется одна панель NXT, возбуждаемая при помощи одного-единственного преобразователя. При площади 0,6 кв. м нижняя граничная частота составляет 100 Гц, а верхняя — 18 кГц, отклонения частотной характеристики при этом сравнимы с обычными громкоговорителями.

При увеличении площади до 1,5 м2 низкочастотная граница уменьшается до 60 Гц. Панели NXT могут работать при размерах от 25 см2 до 100 м2. Самые маленькие могут быть использованы в системах мультимедиа совместно с ноутбуком (в том числе в сопряжении с «антибликовым» экраном), а самые большие — в кинотеатрах, служа одновременно экраном. В автомобильной акустике подобные устройства могут быть выполнены в виде полки под задним стеклом или фрагмента дверной обшивки, а в помещениях — имитировать его архитектурные фрагменты. При воспроизведении Hi-Fi к относительным недостаткам NXT можно отнести некоторое ограничение полосы низких частот, а также утрату точной локализации.

Существует большое количество самых разнообразных телефонов (наушников, головных телефонов), отличающихся как по принципу действия, так и по конструктивному оформлению. Наиболее распространены электромагнитные телефоны, которые берут свое начало от телефона Белла. Их принцип действия заключается в следующем. На постоянный магнитный поток системы, состоящей из постоянного магнита и магнитопровода (полюсных наконечников), накладывается переменный поток звуковой частоты, создаваемый надетыми на магнитопровод катушками, к которым подводится напряжение звуковой частоты. Перед полюсными наконечниками находится ферромагнитная диафрагма (мембрана). Под воздействием постоянного и переменного магнитных потоков, пронизывающих диафрагму, мембрана колеблется в такт с переменным магнитным потоком и излучает звук.

Для прослушивания радиопередач, звукового сопровождения телепередач и звукозаписи применяются стереофонические телефоны в основном электродинамического типа (рис. 20).

В корпусе находится малый электродинамический громкоговоритель с диффузором или полусферической диафрагмой. Пространство между ним и корпусом заполнено звукопоглощающим материалом (поролон). Перед громкоговорителем находится перфорированная решетка.

Специальные типы телефонов могут обеспечить также и квадрофонические эффекты восприятия звука.

Рис. 20. Головные телефоны:

а — внешний вид; б — УГО наушника

Электромеханические компоненты

Несмотря на интенсивное развитие электроники как таковой, практически любое электронное устройство имеет в своем составе те или иные электромеханические компоненты. Это связано с рядом обстоятельств. Отдельные внутренние функции ряда систем проще выполняются подобными устройствами. Кроме того, человеку как оператору присуще управление системами посредством механических движений, и замещение «механики на электронику» из этих сфер происходит весьма медленно (например, введение «голосового управления»). Наконец там, где ряд входных или выходных функций устройств являются по своей природе механическими (датчики, привод и т. п.) — подобная электромеханика только совершенствуется, а не исчезает.

Коммутационные компоненты

К коммутационным относятся устройства, скачкообразно изменяющие значения своих параметров при определенном воздействии. Примером может служить обычный выключатель лампы бытового освещения, кнопки вызова лифта и т. п.

Различают устройства, в которых усилие оператора направлено перпендикулярно панели, на которой оно размещено (нажимные микропереключатели и кнопки), и параллельно панели (тумблеры, движковые и клавишные переключатели). Распространены также устройства, управляемые вращением. К ним относятся переключатели: поворотные, пакетные, галетные, щеточные, роторные и т. п.

В технических характеристиках учитывают: габариты и способ крепления: количество и тип контактов; усилие привода; диапазон коммутируемых токов и напряжений; допустимое число коммутаций.

В радиолюбительских конструкциях, да и профессиональной аппаратуре широко используются различные переключатели (рис. 21).

Рис. 21. Переключатели:

а — микропереключатель; б — DIP-переключатель; в — тумблер; г — УГО многополюсного переключателя; д — компонент EWB

Например микропереключатели типа МП1-МП11 с тремя контактными группами («тройки»), позволяющие коммутировать токи от 0,2 до 500 мА при напряжении от 0,2 до 30 В (рис. 21, а). В последнее время появились компактные блоки DIP-переключателей (рис. 21, б). Еще одним популярным типом механических коммутирующих устройств является перекидной переключатель (рис. 21, в), называемый тумблером (от англ. tumbler). Наиболее распространены тумблеры с двумя парами коммутируемых контактов, используемые в аппаратуре обычно в качестве выключателей сетевого питания, и с четырьмя парами контактов.

Реле

Это устройства, в которых при изменении условий в одной электрической цепи замыкаются и (или) размыкаются контакты, которые управляют работой другого устройства в той же или другой электрической цепи. Существуют и бесконтактные (электронные) реле.

Слово «реле» происходит от франц. Relais, означающего в доэлектрическую эпоху, как это не странно, пункт смены почтовых лошадей. Электромагнитное реле с нормально-замкнутым контактом было изобретено американским физиком Дж. Генри в 1837 г.; позже он предложил для телеграфа Морзе использовать цепь дистанционной передачи из подобных релейных станций.

По принципу действия различают реле: электромагнитные, магнитоэлектрические, индукционные, электродинамические, электротепловые и др.

В электромагнитных реле механическая работа, необходимая для замыкания и размыкания контактов, совершается за счет изменения магнитной энергии в рабочем воздушном зазоре электромагнита.

Реле классифицируют по ряду признаков.

По роду управляющего тока: постоянного и переменного; по потребляемой мощности: высокочувствительные (до 10 мВт), чувствительные (до 0,1 Вт) и нормальные (более 0,1 Вт); по виду контактов: с точечными, линейными, плоскостными и ртутными контактами.

По быстродействию: сверхбыстродействующие (время срабатывания и отпускания до 5 мс), быстродействующие (5…50 мс), нормальные (50…150 мс), замедленные (0.15…1 с) и реле времени (> 1 с).

По массогабаритным характеристикам: малогабаритные, миниатюрные и сверхминиатюрные.

Магнитные системы реле могут содержать постоянные магниты — поляризованные реле, или быть нейтральными.

Подвижную часть реле, воздействующую на контакты, называют якорем. Якорь может перемещаться поступательно либо поворачиваться на некоторый угол (рис. 22).

В контактных группах реле различают два типа контактов: замыкающие, которые при отсутствии тока в обмотке реле находятся в разомкнутом состоянии (нормально разомкнутый контакт — HP), и размыкающие, находящиеся при отсутствии тока в обмотке в замкнутом состоянии (нормально замкнутый контакт — НЗ). Кроме этого реле может иметь и переключающие контакты.

Рис. 22. Электромагнитные реле:

а— внешний вид;б — устройство (1 — катушка; 2 — сердечник; 3 — ярмо; 4 — Н3; 5 — переключающий контакт; 6 — HP; 7 — толкатель); в — компонент EWB

Основными параметрами реле являются: род тока; величина тока или напряжения срабатывания и соответственно отпускания; тип контактных групп.

К особому типу реле относится магнитоуправляемый контакт или геркон (герметичный контакт). Геркон представляет собой вакуумированную запаянную трубку, в торцы которой, вдоль продольной оси, введены пружинные контактные лепестки из ферромагнитного материала. Величина зазора между пластинками резко зависит от внешнего магнитного поля. Когда сила притяжения между лепестками превышает силу упругости, то лепестки замыкаются, образуя электрический контакт. Геркон, помещенный в катушку, работает как обычное реле. Он может управляться и приближением, либо перемещением постоянного магнита или экрана (подобные устройства использовались в клавиатурах прежних компьютеров и применяются в охранной сигнализации).

Для коммутации силовых цепей (пуск асинхронных двигателей и т. п.) разработаны герметичные силовые контакты — герсиконы, имеющие в области замыкания тугоплавкие наплавки и работающие в среде специального защитного газа.

Магнитоуправляемые контакты выполняют как с замыкающими, так и с размыкающими контактами.

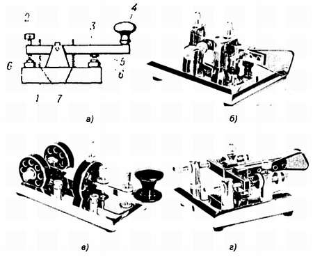
Телеграфный ключ

Телеграфист с передаточной загадал барышне с промежуточной какое-то слово, начинающееся на букву «л«, и такой насмешник — стучит и стучит все одни и те же знаки:

.-…-…-…-..

Но барышня никак не может отгадать этого трудного слова.

А.И. Куприн. Телеграфист

Это устройство (рис. 23) представляет собой специальный выключатель, служащий для быстрого размыкания и замыкания одной из цепей радиопередатчика при телеграфной передаче (манипуляции).

Рис. 23. Телеграфные ключи:

а — классический ключ (1 — подставка; 2 — задний контактный винт; 3 — двуплечий рычаг; 4 — рукоятка ключа; 5 — передний контакт; 6 — плоские стальные контактные пружины с серебряными контактными напайками; 7 — пружины); б — телеграфный манипулятор «Альманах-ПРО» Мастер КИТ MK327; в — телеграфный манипулятор «Эклипс» MK328; г — телеграфный манипулятор «Зеро» MK329

На радиостанциях малой мощности телеграфный манипулятор включается непосредственно в передатчик, а в мощных — управляет их работой через реле.

Простой вертикальный ключ (рис. 23, а) состоит из коромысла, на одном конце которого находится замыкающий контакт и специальная ручка для захвата ключа рукой. На таком ключе оператор длинным нажатием на ключ передает тире, коротким — точку, т. е. формирование телеграфных знаков происходит «вручную». В современном исполнении подобный ключ показан на рис. 23, в. Помимо описанного классического (вертикального) ключа, радиолюбители широко пользуются ключом, манипулятор которого (рис. 23, б, г) выполнен в виде рычага, на который слегка нажимают влево или вправо. Как правило, ключи последнего типа совмещают со специальной электронной частью радиостанций, формирующей последовательность тире при нажиме в одну сторону (влево), и — последовательность точек при манипуляции в другую сторону (вправо).

Возможен также реверс указанных сигналов по отношению к выбору их ориентации. Таким образом, знаки телеграфной азбуки формируются автоматически манипуляцией в разные стороны рычага манипулятора, служащего механической частью электронного ключа радиостанций. Радиолюбители умудряются изготовлять подобный манипулятор из отрезка ножовочного полотна; начинать с работы на подобном «инструменте» не рекомендуется: придется долго переучиваться, чтобы правильно «поставить руку».

В англоязычной литературе классический ключ называется Key, а с горизонтальными манипуляциями — Paddle. Последние выполняются в двух разновидностях: non-iambic и iambic, т. е. «неямбические» и «ямбические» (совмещаемые с электронным ключом).

Это название дано по ассоциации с ямбом — двухсложной стопой стихосложения, имеющей краткий безударный слог (аналог телеграфной точки) и долгий ударный слог (аналог тире).

Изобретение классического телеграфного ключа связано с именем американского профессора живописи и рисования С. Морзе, построившего в первой половине XIX в. после консультаций Дж. Генри вариант электромагнитного телеграфа и предложившего оригинальный способ последовательного кодирования сигналов: знаменитую «азбуку Морзе». В своем телеграфе Морзе, неискушенный в электротехнике (обмотку электромагнита он намотал оголенным проводом), сначала использовал не ключ, а наборное зубчато-штифтовое устройство, из которого позже родились перфораторы, перфоленты и перфокарты. Собственно телеграфный ключ был сконструирован инженерами организованной им фирмы, хотя и назывался «ключом Морзе», да и азбуку его имени, возможно, изобрел его помощник А. Вейл. Безусловно, нельзя отказать С. Морзе в его упорной работе по усовершенствованию аппаратов и продвижению телеграфа в деловую жизнь.

Создание первого практически пригодного электромагнитного телеграфа — заслуга русского электротехника Б. Л. Шиллинга.

Апогеем многочисленных работ в области проводной телеграфии, проведенной исследователями и инженерами во всем мире, явилось установление телеграфной связи между континентами через подводный кабель, пересекший Атлантический океан в 1866 г.

Вот как впоследствии оценивал эти события немецкий писатель Стефан Цвейг: «Мы, более поздние поколения, никогда не сможем понять восхищения тех, кто был свидетелем первых успехов электрического телеграфа, их безмерного и восторженного удивления перед тем, что та же самая, едва ощутимая искра “Лейденской банки”, которая еще вчера преодолевала лишь расстояние в один дюйм до сустава подставленного пальца, превратилась вдруг в могучую силу, способную проложить себе путь через равнины, горы и целые материки…». Безусловно, эти слова могут быть перенесены еще и на более позднее, но и более эпохальное событие — передачу кодом Морзе первой радиограммы А. С. Поповым (см. далее).

При передаче текста кодом Морзе каждая буква передается в виде определенной последовательности длинных и коротких сигналов — «тире» и «точки». В настоящее время, несмотря на широкое развитие голосовой связи, кодовая передача продолжает широко использоваться, так как имеет два больших преимущества.

Первое — это большая помехозащищенность и возможность передачи на большие расстояния, и второе — возможность получения и сохранения копии сообщения на бумаге или другом носителе.

Первые передачи велись ключом, оператор должен был сам посылать и принимать коды. Затем стали использоваться телетайпы, аппараты похожие на пишущую машинку, когда для передачи буквы нужно только нажать соответствующую клавишу, а необходимый код создается телетайпом. С появлением компьютеров они стали широко использоваться для подобных целей.

Телеграфная азбука (система кодировки символов короткими и длинными посылками для передачи их по линиям связи, известная как «код Морзе», или «морзянка»), которую применяют сейчас, существенно отличается от той, что изобрел в 1838 г. С. Морзе. Исходная таблица кода Морзе сильно отличалась от тех кодов, которые сегодня звучат на любительских диапазонах. Во-первых, в ней использовались посылки трех разных длительностей (точка, тире и длинное тире). Во-вторых, некоторые символы имели паузы внутри своих кодов. Кодировки современной и исходной таблиц совпадают примерно для половины букв (А, В, D, Е, G, Н, I, К, М, N, S, Т, U, V и W) и не совпадают ни для одной цифры. Кроме того, при построении кода ряда символов в оригинальной «морзянке» использовались разные принципы: сочетания «двойное тире» (буква L) и даже «тройное тире» (цифра 0); некоторые символы включали в себя паузу. Латинская буква С передавалась тогда как «две точки-пауза-точка», что совпадало с буквами И и Е, переданными друг за другом. Все это заметно осложняло прием радиограмм.

Вариант азбуки Морзе для Европы был разработан австрийцем Фредериком Герке; именно он ввел в код одинаковые пробелы и всего лишь две длительности импульсов — точку и тире и ряд других упрощений. Американский и европейский варианты использовались для отправки сообщений по кабельным линиям, при переходе же к радиотелеграфу потребовался унифицированный код.

Вообще азбука Морзе неминуемо прошла весь путь, который проходила и обычная азбука, применяемая для письма.

Современный вариант международного «кода Морзе» (International Morse), или МТК появился в 1939 г., и имеет в своей основе «код Герке», хотя и не совпадает с ним полностью. Так называемый «континентальный» вариант продолжал еще использоваться кое-где на железных дорогах до середины 1960-х годов.

МТК является универсальным для языков на основе латиницы, но похожие коды были разработаны и для других алфавитов: так в эфире можно услышать своеобразный «японский код».

Для сообщений телетайпом (буквопечатающих телеграфных аппаратов стартстопного типа с клавиатурой) используется специальный код Бодо, унифицированный как Международный телеграфный код (МТК-2). Этот код является равномерным и в нем используется 5 двоичных знаков (точка/тире или ноль/единица) для каждого символа, а кодовая таблица содержит 32 позиции, от 0 до 31. В телетайпе применяется частотная манипуляция с двумя звуковыми сигналами частотой 170 Гц, передаваемым по отдельности, а каждый знак передается пятью битами. В радиоэфире телетайпные сообщения звучат как непрерывная трель и для их приема используются специальные декодеры. Совмещение идеи телетайпа с компьютером привело к созданию цифровой радиосвязи.

В настоящее время, когда происходит активный симбиоз радиолюбительского пакетного радио и сети Интернет, впервые за последние 65 лет в международный радиотелеграфный код Морзе был введен новый символ — «@». Введение в «морзянку» нового символа призвано удовлетворить, прежде всего, радиолюбителей, обменивающихся электронными адресами и почтой. Код символа «@» имеет вид: «точка-тире-тире-точка-тире-точка». Он составлен из кодов двух латинских букв — А («точка-тире») и С («тире-точка-тире-точка»), передаваемых без паузы.

Электродвигатели

Трудно составить такую комбинацию из магнитов, переменного тока и кусков меди, которая не имела бы тенденции к вращению.

У. Томсон

Электрические двигатели — это устройства, в которых происходит преобразование электрической энергии в механическую. Общая классификация предусматривает следующее разделение двигателей. По виду механической энергии на их выходе: на двигатели вращательного или поступательного (линейного) движения. По роду тока — переменного тока (асинхронные и синхронные) или постоянного тока, а также универсальные; по мощности — силовые и микродвигатели (двигатели малой мощности: примерно до 0,6 кВт).

Кроме того, в классификации могут использоваться и другие признаки: назначение, исполнение, вид физического эффекта, лежащего в основе преобразования энергии, способы управления и т. п.

Для радиолюбителей электродвигатели, как компоненты разнообразных устройств, в основном могут представить интерес в приводах орг- и бытовой техники, электроинструменте, в игрушках и моделях. Все это двигатели малой мощности, но самых разнообразных типов.

Создание электродвигателя условно можно отнести к одной из ступеней «очеловечивания» обезьяны по механической линии: палка, колесо, ветро- и гидродвигатели (и движители), тепловые устройства и машины (паровая, пороховая, реактивная, двигатель внутреннего сгорания), электродвигатель.

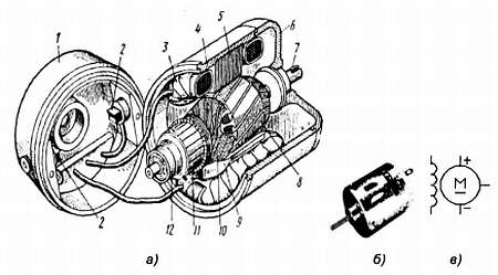
Первый шаг в этом направлении сделал М. Фарадей, описавший в 1821 г. опыты по вращению проводника в магнитном поле, а один из промежуточных, но результативных — Б. С. Якоби. В 1838 г. по реке Неве двигался бот с 12 пассажирами, приводимый в движение «магнитным двигателем» Якоби. Работа двигателя постоянного тока основана на взаимодействии проводников с током, располагаемых на якоре (вращающаяся часть двигателя) и магнитного поля, создаваемого обмоткой возбуждения, находящейся на магнитных сердечниках (полюсах) статора (рис. 24).

Рис. 24. Двигатель постоянного тока:

а — вид в разрезе (1, 6 — подшипниковые щиты; 2 — щетки; 3 — обмотка возбуждения; 4 — корпус; 5 — статор; 7 — вал; 8 — сердечник якоря; 9 — полюс; 10 — обмотка якоря; 11 — коллектор; 12 — подшипник); б — микродвигатель; в — компонент EWB

Поле возбуждения может также создаваться не обмоткой, а постоянными магнитами. Это взаимодействие приводит к появлению сил Ампера, создающих электромагнитный вращающий момент.

Подключение обмотки якоря к внешней цепи осуществляется через специальный щеточно-коллекторный узел. В последнее время появились бесколлекторные двигатели постоянного тока, имеющие датчики положения якоря и специальный полупроводниковый коммутатор.

В зависимости от способа соединения цепи якоря и обмотки возбуждения различают двигатели: независимого возбуждения, в которых обмотки питаются от разных источников (частный случай — возбуждение от постоянных магнитов); параллельного, последовательного и смешанного возбуждения. Вид механической характеристики (зависимости частоты вращения вала от нагрузки на нем) зависит от типа возбуждения.

В паспортных данных двигателей обычно указывают: напряжение питания, В; мощность (механическая мощность на валу) Вт или кВт; частоту вращения, об/мин; потребляемый ток, А. Реже можно встретить крутящий момент, момент инерции и другие характеристики.

Важной особенностью двигателей постоянного тока является простота регулирования частоты вращения с помощью реостатов, включаемых в цепь возбуждения или якоря, а также тиристорных преобразователей. При этом надо не забывать, что одновременно будет изменяться и момент (мощность) на валу двигателя.

В электродвигателях переменного тока неподвижная обмотка статора так распределена в пазах его внутренней поверхности, что при определенных способах питания ее переменным током, создаваемое ею магнитное поле вращается вокруг оси системы. Наиболее просто вращающееся поле получается в двух случаях.

В двухфазной системе (рис. 25) две обмотки (фазы) статора размещаются взаимно перпендикулярно (пространственный сдвиг) и питаются переменными синусоидальными напряжениями сдвинутыми по фазе также на 90° (временной сдвиг).

Рис. 25. Двухфазный асинхронный двигатель:

а — вид в разрезе (1 — обмотки статора; 2 — ротор); б — микродвигатель;в — УГО (РО — рабочая обмотка; УО — управляющая обмотка)

Таким образом, поле одной обмотки относительно ее оси (перпендикулярной оси двигателя) колеблется по синусоидальному закону, а второй — по косинусоидальному. Сложение этих взаимно перпендикулярных колебаний приводит к появлению суммарного магнитного поля, вращающегося вокруг оси статора. Смещение фазы напряжения второй обмотки на 90° в большинстве случаев получают за счет питания этой обмотки через конденсатор.

Принцип двухфазного двигателя был предложен итальянским ученым Г. Феррарисом и американским ученым и инженером, сербом по национальности, Н. Тесла практически одновременно во второй половине XIX в.

Еще более поразительным по своей оригинальности и простоте является второй вариант, предложенный в 1888 г. русским инженером-электриком, работавшим в германской компании АЭГ, М. О. Доливо-Добровольским. В его конструкции на статоре под углом 120° друг к другу размещались три фазные обмотки, питаемые от трехфазной сети переменного тока (напряжения отдельных фаз в этой сети имеют временной сдвиг, равный 1/3 периода). В результате образовывалось вращающееся магнитное поле.

В асинхронных двигателях это поле, пересекая проводники обмотки ротора, индуцирует в них ЭДС, которая создает ток в этих проводниках, если они замкнуты, например, как в короткозамкнутом роторе (по типу беличьей клетки, также предложенной М. О. Доливо-Добровольским). Взаимодействие вращающегося магнитного поля статора и проводников с токами в роторе приводит к появлению сил Ампера и вращающего момента. Ротор вращается вслед за полем статора, но с некоторым скольжением, т. е. асинхронно.

В мощных синхронных двигателях ротор в большинстве случаев представляет собой электромагнит. Для этого на валу размещают два сплошных контактных кольца (не путайте с коллектором) и питают обмотку ротора через щетки постоянным током, например от выпрямителя (двигатель при этом все равно относится к машине переменного тока — по принципу действия и питанию обмотки статора).

В маломощных двигателях ротор и вовсе выполняют как постоянный магнит, и проблемы с его питанием и особенностями классификации исчезают.

В некоторых микродвигателях ротор выполняют из магнитотвердых материалов (гистерезисные двигатели) или придают асимметрию его магнитной системе (реактивные двигатели).

Пуск синхронного двигателя происходит на «асинхронном моменте», для этого в мощных двигателях дополнительно размещают короткозамкнутую обмотку, а в маломощных начальные токи индуцируются просто в металлическом теле ротора. Далее ротор втягивается в синхронизм, продолжая вращаться вслед за полем статора с той же угловой частотой.

Интересной особенностью синхронных двигателей является возможность электрической редукции частоты вращения ротора по отношению к частоте вращения поля статора. Проще всего понижение частоты вращения ротора (субсинхронный режим) достигают выполнением на роторе значительно большего числа зубцов, чем на статоре.

Развитие цифровой техники стимулировало появление специального типа синхронных двигателей — шаговых двигателей. Собственно один из первых лабораторных электродвигателей, предложенный итальянским физиком Сальваторе даль Негро в 1831 г., содержащий электромагнит с храповым колесом, был предтечей шаговых двигателей. Подобные устройства впоследствии широко применялись в телефонии и телеграфии («шаговый искатель», стартстопные аппараты, импульсные механизмы дистанционной связи). Однако к середине прошлого века эта ветвь двигателестроения уже не развивалась. Появление ЭВМ привело к реанимации этого направления и бурному развитию дискретного привода.

Примером современного использования шаговых двигателей является привод перемещения считывающих и печатающих головок в различных устройствах.

В шаговых двигателях (рис. 26), имеющих ротор в виде постоянного магнита, последовательности импульсов в виде команд подаются на группы обмоток статора (имеющих 4, 6 или 8 выводов) так, что максимум суммарного поля поворачивается на определенный угол, ротор также поворачивается, следуя за полем и делая шаг, занимает новое положение.

Рис. 26. Шаговый двигатель:

а — общий вид; б — схема (А, В — управляющие обмотки; НВ — ротор)

Шаговые двигатели работают в комплекте с электронным коммутатором, переключающим обмотки управления на статоре с последовательностью и частотой, соответствующей заданной команде. Например, ротор может выполнять 48 шагов за один полный оборот, что соответствует угловому перемещению 7,5. Управление двигателями осуществляют от специальных микросхем или микроконтроллеров.

При подключении шаговых двигателей надо обратить внимание на рабочее напряжение, маркировку обмоток и величину вращающего момента.

Среди оригинальных конструкций микродвигателей, появившихся в последнее время, следует упомянуть пьезоэлектрические устройства, в которых колебания пьезокерамической пластинки через специальный упругий элемент приводят во вращение массивный ротор.

Более 800 000 книг и аудиокниг! 📚

Получи 2 месяца Литрес Подписки в подарок и наслаждайся неограниченным чтением

ПОЛУЧИТЬ ПОДАРОК