1.2. Входное устройство охранной сигнализации

Куренков Л. [2]

Устройство применяется для охраны помещения, расположенного недалеко от жилища. Его принципиальная схема показана на рис. 3.

Рис. 3. Принципиальная схема входного устройства

Резистор Rш размещается внутри охраняемого помещения и соединен с гнездами а, b входного устройства двухпроводной линией. В исходном состоянии оба транзистора заперты. При обрыве линии через резистор R1 и стабилитрон VD2 на базу транзистора VT2 поступает отпирающее напряжение от источника питания. Это приводит к отпиранию транзистора VT1, и такое состояние схемы устойчиво. Контакт d через открытый транзистор VT2 заземляется и включается тревога.

При коротком замыкании линии ток, протекающий от источника питания через резисторы R4, R3 и стабилитрон VD1, создает падение напряжения на резисторе R3, которое отпирает транзистор VT1. Вновь отпирается транзистор VT2, чем включается тревога. И это состояние схемы устойчиво.

Сигнал тревоги снимается при восстановлении штатного значения сопротивления между гнездами а, b. После этого для включения режима охраны кратковременно замыкается ключ S1.

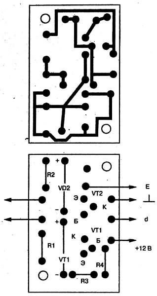
Размещение элементов схемы входного устройства на печатной плате показано на рис. 4.

Рис. 4. Печатная плата входного устройства

Более 800 000 книг и аудиокниг! 📚

Получи 2 месяца Литрес Подписки в подарок и наслаждайся неограниченным чтением

ПОЛУЧИТЬ ПОДАРОК