1.4. Сторожевое устройство

Александров И. [4]

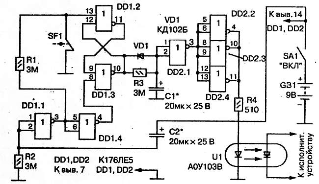
Рассматриваемое устройство рассчитано на использование для сигнализации о несанкционированном доступе в охраняемое помещение. Принципиальная схема сторожевого устройства приведена на рис. 7.

Рис. 7. Принципиальная схема сторожевого устройства

Перед выходом из охраняемого помещения тумблером SA1 включают питание устройства, и начинается заряд конденсатора С2 через резистор R2. На входах элемента DD1.1 и выходе элемента DD1.4 образуется уровень лог. 1. Состояние дверного контакта SF1 пока на режим не влияет. Триггер, образованный элементами DD1.2 и DD1.3, устанавливается в состояние, при котором на выходе DD1.3 образуется уровень лог. 0. При этом на выходе параллельно соединенных элементов DD2.2-DD2.4 — также уровень лог. 0, светодиод оптрона U1 не горит и его динистор заперт. Сигнал к исполнительному устройству не поступает.

Пока заряжается конденсатор С2 (30–40 с), нужно выйти из помещения, закрыв дверь (разомкнутся и снова замкнутся контакты SF1). Конденсатор С2 заряжается до напряжения питания, и на выходе элемента DD1.1 образуется уровень лог. 1. Теперь схема чувствительна к состоянию контактов SF1, и устройство переходит в дежурный режим.

При открывании двери размыкаются контакты SF1, переводя триггер в состояние, при котором на выходе DD1.3 образуется уровень лог. 1. Начинается заряд конденсатора С1 через резистор R3. Состояние элементов DD2.1-DD2.4 не изменяется и не зависит от состояния дверных контактов.

Можно войти в помещение и выключить питание устройства. Если же этого не сделать, после заряда С1 на выходах DD2.2-DD2.4 образуется уровень лог. 1, загорается светодиод оптрона и открывается динистор, включая исполнительное устройство.

Тумблер включения питания должен размещаться в секретном месте. Последовательно с контактами SF1 можно включить дополнительные, установив их на раме окна или на второй двери.

Во избежание ложных срабатываний системы от наводок рекомендуется установить дополнительный конденсатор емкостью 0,1 мкФ между выводом 11 DD1.2 и общим проводом.

Более 800 000 книг и аудиокниг! 📚

Получи 2 месяца Литрес Подписки в подарок и наслаждайся неограниченным чтением

ПОЛУЧИТЬ ПОДАРОК