Схемы, не требующие пояснений
14.19. Удачные схемы
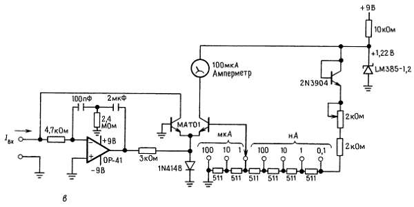
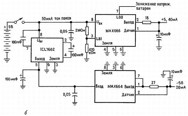
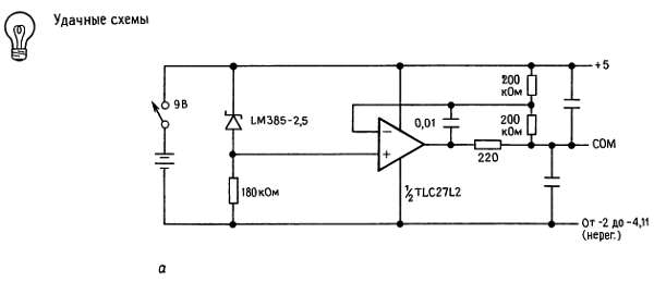
На рис. 14.47 представлены некоторые удачные маломощные схемы.
Рис. 14.47. Удачные схемы, а — формирование напряжений +5 В и в диапазоне от -2 В до -4 В от единственной батареи 9 В; б — формирование напряжений +5 В от единственной батареи 9 В; в — широкодиапазонный наноамперметр (из PMI Арр. Note 106).
Более 800 000 книг и аудиокниг! 📚
Получи 2 месяца Литрес Подписки в подарок и наслаждайся неограниченным чтением
ПОЛУЧИТЬ ПОДАРОК
Содержание
История
История
Loading ...
Failed to load data.
{{name}} | {{author}}