Высокочастотные усилители

Перевод И. И. Короткевич

В этой главе обсуждаются важные особенности техники высоких и радиочастот, в том числе эквивалентные схемы для высоких частот и быстродействующие ключи. Высокочастотные приборы находят широкое применение в области связи и радиовещания, а также в лабораторных установках для проведения радиочастотных измерений (резонансные явления, плазма, ускорители частиц и т. п.). Быстродействующие ключи являются неотъемлемыми элементами вычислительных машин и других цифровых устройств. Высокочастотные и быстродействующие приборы — это линейные и цифровые устройства, работающие в той области частот, где работа схем начинает определяться эффектами межэлектродных емкостей, индуктивностями проводов, накоплением зарядов и длинами волн. Благодаря таким причудливым конструкциям, как полосковые выводы, волноводы или приборы вроде диодов Ганна, клистронов и ламп бегущей волны, схемотехника в этой области частот существенно отличается от техники низких частот. Чтобы представить уровень наших возможностей, скажем, что промышленностью выпускаются цифровые ИМС (счетчики и т. п.), которые работают с импульсами частотой 3 ГГц и выше, а также элементы линейных схем (усилители и т. п.), которые работают на частотах выше 100 ГГц.

Мы начнем с обсуждения высокочастотных транзисторных усилителей как на биполярных, так и на полевых транзисторах и приведем несколько примеров. Затем перейдем к радиочастотным приборам, дадим общее представление о линиях связи и методах модуляции и детектирования. В конце мы более подробно рассмотрим быстродействующие ключи. В силу того, что эти вопросы носят узкоспециальный характер, эту главу при первом прочтении можно пропустить.

13.01. Транзисторный усилитель на высоких частотах в первом приближении

В усилителях, которые мы обсуждали выше (такие, как усилители с общим эмиттером и с резисторной коллекторной нагрузкой), коэффициент усиления снижается с ростом частоты сигнала, как правило, из-за действия паразитных емкостей нагрузки и соединительных проводов. На рис. 13.1 это показано пока в упрощенном виде.

Рис. 13.1.

Эффективная емкость между коллектором и землей Сн в сочетании с коллекторной нагрузкой Rн образует фильтр низких частот с постоянной времени RнСн. Эта эквивалентная схема приведена с учетом того, что для сигнала U+ то же самое, что и земля. В Сн входят емкости между коллектором и эмиттером, между коллектором и базой, а также емкость нагрузки: На частотах, приближающихся к f = 1/RнСн, усиление начинает быстро падать.

Уменьшение влияния емкости нагрузки. Простейшие методы уменьшения емкостной нагрузки заключаются в учете и уменьшении произведения RнСн, например:

1. Выбираются биполярные или полевые транзисторы с малой емкостью между электродами (как самих p-n-переходов, так и между внешними выводами); такие транзисторы обычно обозначаются как радиочастотные или ключевые транзисторы.

2. Нагрузка отделяется эмиттерным повторителем, что способствует уменьшению емкостной нагрузки на коллектор.

3. Уменьшается Rн. Если при этом Iк поддерживать постоянным, то коэффициент усиления падает из-за уменьшения gmRн. Вспомним, что для транзисторов gm =1/rэ или Iк (мА)/25 для усилителей с заземленным эмиттером. Чтобы сохранить коэффициент усиления постоянным при уменьшении Rн, необходимо увеличить ток коллектора, сохраняя Uпостоянным. Таким образом, fмакс ~= 1/RнСн и прямо пропорционально Iк/Сн, что вполне справедливо для больших токов, часто используемых в высокочастотных схемах.

13.02. Высокочастотные усилители: модели для переменного тока

Емкость нагрузки не только уменьшает коэффициент усиления усилителя на высоких частотах. Как мы упоминали выше (см. обсуждение эффекта Миллера в гл. 2), емкость обратной связи (Скб), будучи включенной между выходом и входом, может доминировать в спаде усиления на высоких частотах, особенно если полное сопротивление источника входного сигнала высоко. Чтобы определить, на каких частотах усиление начнет падать и как этого избежать, можно использовать относительно простую модель транзистора или ПТ. Как это делается, покажем на примере высокочастотного усилителя.

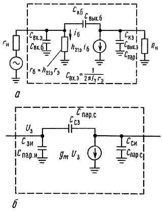
Эквивалентная схема для переменного тока. Приведенные на рис. 13.2 эквивалентные схемы каскадов с общим эмиттером (или истоком) представляют собой простейший вариант; их не без оснований используют при оценке характеристик быстродействующих устройств. Обе модели очевидны. В схеме биполярного транзистора Свх.э (обозначается также Свх. б или Сбэ; заметим, что название относится либо к емкости входа, либо к емкости выхода) есть входная емкость, rб — импеданс цепи базы, Скб - емкость обратной связи (Миллера) и Скэ - емкость между коллектором и эмиттером. Модели с источником тока определяют усиление транзистора на частотах сигнала. Схема полевого транзистора аналогична, но емкости имеют другие обозначения и она значительно проще из-за бесконечного входного сопротивления.

Рис. 13.2. Эквивалентные схемы для ВЧ биполярного (а) и полевого (б) транзисторов.

Влияние коллекторного тока и напряжения на емкости транзистора. Емкости обратной связи и выходной цепи (Скб , Ссз, Скэ и т. д.) включают в себя небольшие емкости транзисторных выводов и относительно большие емкости полупроводниковых переходов. Последние ведут себя подобно обратносмещенным диодам, у которых емкость постепенно снижается с увеличением обратного смещения, как показано на рис. 13.3 (этот эффект используется в конденсаторах, управляемых напряжением, известных под названием «варикапы», или «варакторы»).

Рис. 13.3. Зависимость емкости коллектор — база от напряжения для нескольких распространенных биполярных транзисторов.

Емкость изменяется с напряжением приблизительно как С = k(UU0)n, где n лежит в диапазоне от —1/2 до —1/3 для транзисторов, a U0 — постоянное напряжение, равное ~ 0,6 В.

Входная емкость Свх.э имеет другой характер, поскольку вы имеете дело с прямосмещенным переходом. В этом случае эффективная емкость резко растет с увеличением тока базы, так как U близко U0 и имеет мало общего с указанным в паспорте транзистора значением Свх.э. Однако оказывается, что эффективная емкость Свх.э увеличивается с ростом Iэ (и, следовательно, с уменьшением rэ), так что произведение RC(rбСвх.э) остается почти постоянным. В результате усиление транзистора на определенных частотах зависит в первую очередь от соотношения между током, «теряемым» на Свх.э, и током, который «действительно» идет в базу и несильно зависит от тока коллектора. Поэтому вместо того, чтобы задавать значение Свх.э, изготовители транзисторов обычно указывают fT — частоту, при которой усиление тока (h21э) падает до 1. Легко показать, что fT определяется выражением

fT = 1/2πСвх.эrэ, или Свх.э = 1/2π/fTrэ

для значений Свх.э и rэ, данных при некотором токе коллектора. Транзисторы, предназначенные для работы в диапазоне высоких частот, имеют fT от 500 МГц до 10 ГГц, в то время как у транзисторов общего назначения fT бывает от 50 до 250 МГц. На рис. 13.4 приведены кривые изменения fT в зависимости от тока коллектора для типичных транзисторов.

Рис. 13.4. Зависимость произведения усиления на ширину полосы (граничную частоту) fT от коллекторного тока для нескольких распространенных биполярных транзисторов.

13.03. Пример высокочастотных расчетов

Применим нашу простую модель для конструирования высокочастотного широкополосного усилительного каскада. При этом будем учитывать влияние предварительного каскада, считая, что его выходное сопротивление известно. Покажем, что рассматриваемый усилитель сильно нагружает этот каскад и имеет плохие характеристики. Далее будут рассмотрены те параметры, которые определяют характеристики схемы, и показаны методы улучшения параметров путем изменений конфигурации схемы и ее рабочих точек. На рис. 13.5 показан фрагмент схемы.

Рис. 13.5.

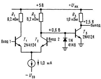
Предполагается, что он является частью целой усилительной схемы с обратной связью по постоянному току, обеспечивающей стабилизацию точки покоя на уровне 1/2UКК; показанное на рисунке смещение не обеспечивает само по себе стабилизации. Поскольку нас интересуют высокочастотные характеристики, мы не будем в дальнейшем беспокоиться о том, как осуществляется смещение на самом деле. Заметим, что дифференциальный каскад имеет небольшую допустимую величину синфазного входного сигнала — приблизительно от +0,25 В до отрицательного напряжения, ограниченного рабочим диапазоном источника эмиттерного тока.

Анализ факторов, вызывающих снижение усиления на высоких частотах. Для дифференциального каскада коэффициент усиления и выходное сопротивление поддаются расчету, что дает возможность подробно проанализировать снижение усиления в выходном каскаде. Анализ коэффициента усиления усилительного каскада на Т3 будет состоять в следующем:

1. Находим усиление на низких частотах при нулевом сопротивлении источника. Затем определяем частоту, при которой усиление падает на 3 дБ (т. е. сопрягающую частоту), причем это снижение связано с влиянием входной емкости, емкости обратной связи и сопротивления нагрузки:

f-3 дБ = 1/2πRн(Сн + Скб).

2. Определяем входной импеданс как сочетание полного входного сопротивления базы (rб и Свх.э) и эффективной емкости обратной связи (КUСкб).

3. Рассчитываем сопрягающую частоту, при которой падение усиления на 3 дБ связано с нагружением источника входным импедансом; сравнивая ее с «выходной частотой 3 дБ», вычисленной в п. 1, находим «узкое место» с точки зрения высоких частот.

4. Если необходимо, попробуем улучшить характеристики путем снижения требований к тем параметрам, которые вызывают спад усиления на высоких частотах.

Заметим, что емкость обратной связи Скб влияет на частотные характеристики как выходного, так и входного каскадов, причем в последнем случае она умножается на коэффициент усиления по напряжению (эффект Миллера).

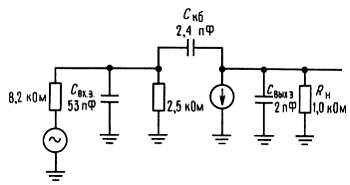
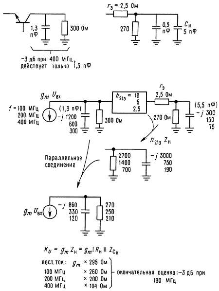
Рассмотрим в соответствии со сказанным эквивалентную схему включения транзистора 2N4124 с параметрами Скб = 2,4 пФ при 2,5 В, h21э ~= 250 и fT = 300 МГц (рис. 13.6).

Рис. 13.6.

1. Предположим, что Т3 работает от источника напряжения, его коэффициент усиления по напряжению на низкой частоте равен 100, поскольку rэ = 10 Ом при токе коллектора 2,5 мА. Частота —3 дБ, вычисленная по выходной емкости, приблизительно равна 40 МГц (2,4 пФ параллельно 2 пФ шунтируют 1,0 кОм). Заметим, что в этом простом расчете мы не учитываем емкость нагрузки и паразитную емкость проводов.

2. Входное сопротивление, параллельное емкости Миллера (240 пФ) и Свх.э, приблизительно равно 2,5 кОм (h21эrэ); емкость Свх.э находится по формуле, приведенной выше, и равна ~ 53 пФ.

3. Верхняя сопрягающая частота, связанная с входной емкостью, при грубом расчете получается равной 280 кГц (R = 8,2 кОм параллельно 2,5 кОм; С = 240 пФ + 53 пФ) и определяется емкостью эффекта Миллера КUСкб в комбинации с относительно высоким сопротивлением цепи базы. Заметим, что усиление фактически на низкой частоте меньше 100, если считать, что входной сигнал равен сигналу на ненагруженном выходе дифференциального каскада, так как предварительный каскад работает на низкое входное сопротивление; с учетом этого эффекта усиление на низких частотах фактически получается равным 100·2,5/(2,5 + 8,2), т. е. приблизительно 23.

Чрезмерная нагрузка предварительного каскада и низкая сопрягающая частота указывают на то, что схема построена плохо, но рассмотрение ее дает возможность увидеть практические трудности конструирования высокочастотных усилителей. Чтобы улучшить характеристики, надо либо значительно уменьшить полное сопротивление в цепи коллектора, либо использовать иную конфигурацию усилителя. В следующем разделе мы обсудим несколько наиболее популярных схем высокочастотных усилителей, в которых эффекты, связанные с емкостью входа (fT) и емкостью обратной связи (КUСкб, эффект Миллера), уменьшены или полностью отсутствуют.

13.04. Примеры высокочастотных усилителей

Как видно из сказанного выше, в высокочастотных усилителях, работающих от источника с умеренно высоким импедансом, доминировать может эффект Миллера. В этих случаях частота fT = 300 МГц и вычисленная для выходного каскада постоянная времени, соответствующая сопрягающей частоте 40 МГц, не влияют на характеристики схемы, которые определяются постоянной времени входной цепи, соответствующей сопрягающей частоте 280 кГц.

Три способа подавления эффекта Миллера. Помимо грубого подхода, заключающегося в том, чтобы просто сильно уменьшить сопротивление в цепи коллектора, имеется несколько интересных конфигураций, в которых обеспечено уменьшение выходного сопротивления каскада — источника сигнала или емкости обратной связи или обоих вместе. На рис. 13.7 приведены эти конфигурации, изображенные в самой простой форме, без цепей смещения и питания (т. е. показаны только цепи, определяющие сигнально-частотные характеристики).

Рис. 13.7. Упрощенные схемы высокочастотных усилителей, а — повторитель плюс усилитель с общим эмиттером; б — усилитель с общим эмиттером плюс усилитель с общей базой (каскодная схема); в — повторитель плюс усилитель с общей базой (дифференциальный усилитель).

В схеме а эмиттерный повторитель снижает выходное сопротивление источника, подключенного ко входу усилителя с общим эмиттером. Это значительно ослабляет отрицательное действие fT и КUСкб. В схеме б, известной как каскодное включение, каскад с общим эмиттером управляет каскадом с общей базой, тем самым сводя на нет эффект Миллера КUСкб (эмиттер Т4 имеет потенциал, фиксированный напряжением базы; он просто передает ток коллектора Т3 на Rн). В схеме в повторитель управляет каскадом с общей базой, причем эффект Миллера полностью отсутствует, и в то же время уменьшается выходное сопротивление управляющей цепи; это, по существу, обычная схема дифференциального усилителя с несбалансированными коллекторными резисторами и одним заземленным входом.

Другие приемы. Кроме этих схемных конфигураций имеются два других подхода к проблеме входной емкости и емкости обратной связи, а именно: а) использование одного простого усилителя с заземленной базой, если полное выходное сопротивление источника сигнала достаточно низко, и б) использование «настраиваемых» цепей на входе и выходе усилителя с общим эмиттером (или другой схемы) для «расстройки» эффектов межэлектродных емкостей. Заметим, что такие настраиваемые усилители не бывают широкополосными, а усиливают сигналы только в узкой области частот (что может быть весьма выгодно для некоторых применений). Кроме того, в таком усилителе может быть необходима нейтрализация. Узкополосные настраиваемые усилители будут обсуждаться в последних разделах этой главы. В качестве компромиссного «среднего» решения может использоваться корректирующая «пиковая» индуктивность в несколько микрогенри, включенная последовательно сопротивлению нагрузки коллектора для подавления емкостных эффектов и подъема усиления на частотах, несколько превышающих «естественную» частоту высокочастотного спада (рис. 13.8).

Рис. 13.8.

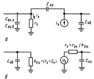
Чтобы можно было оценить высокочастотные характеристики схем на повторителях и каскадах с заземленной базой, следует построить простые эквивалентные схемы транзисторов по переменному току для этих конфигураций (рис. 13.9).

Рис. 13.9. Эквивалентные схемы, а — каскад с общей базой, б — эмиттерный повторитель.

Заметим, что в эквивалентной схеме эмиттерного повторителя сопротивления зависят от сопротивлений источника сигнала и нагрузки (как реактивных, так и омических). Мы применим эти модели в следующих примерах.

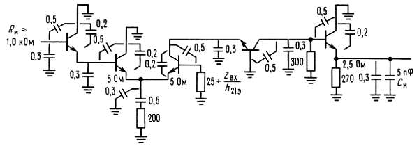
13.05. Пример проектирования широкополосной схемы

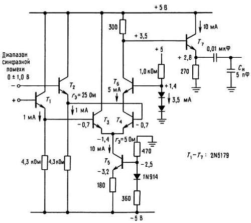
В качестве примера улучшенной модификации широкополосного усилителя рассмотрим схему на рис. 13.10, построенную так, чтобы снижение усиления, вызываемое эффектом Миллера, было полностью устранено. В ней используются эмиттерные повторители на входах (высокий входной импеданс) дифференциального усилителя; выходная нагрузка изолирована эмиттерным повторителем от каскадного выходного узла дифференциального усилителя. Схемное решение основано на использовании хорошего высокочастотного транзистора 2N5179 с fT = 1000 МГц (по паспорту h21э = 10 при 100 МГц) и Скб = 0,5 пФ при 2 В.

Рис. 13.10. Широкополосный дифференциальный усилитель.

Приближенная эквивалентная схема усилителя с обозначением p-n-переходов и паразитных емкостей приведена на рис. 13.11.

Рис. 13.11. Эквивалентная схема по переменному току для усилителя, изображенного на рис. 13.10. Низкая частота: Zвх ~= 40 кОм, КU = 300/10 = 30, Zвых = 8 Ом; для 2N5179: h21э ~= 70, Скб (2 В) = 0,5 пФ, Скэ = 0,2 пФ, h21э (100 МГц, 5 мА) = 10, Спар = 0,3 пФ.

Чтобы определить точку начала высокочастотного спада, надо рассмотреть каждый каскад, анализируя различные RC, используя соответствующие эквивалентные схемы. Обычно имеется один каскад, который имеет самую низкую граничную частоту, и часто интуитивно можно правильно угадать, какой именно. В данной схеме ограничивающим фактором является конечное полное сопротивление цепи базы каскада на Т7 (300 Ом) в сочетании с собственной емкостью Т7 и емкостью нагрузки Сн, частично шунтирующей базу Т7 (помните, что h21э изменяется приблизительно как 1/f, так что при высоких частотах развязывающее действие эмиттерного повторителя всерьез ослабляется).

Упрощенный метод расчета точки спада —3 дБ, который мы применим, будет состоять в следующем. Взяв эквивалентную схему эмиттерного повторителя на Т7, определим импеданс цепи базы при известных емкостях нагрузки, переходов и проводов (полагаем, что Скб = 0,5 пФ, Скэ = 0,2 пФ и Сп = 0,3 пФ).

Поскольку полное сопротивление цепи базы при известных емкостях нагрузки зависит от h21э, следовало бы рассчитать его как функцию частоты (положив h21э ~= 1/f на высоких частотах); но вместо этого оценим его при нескольких значениях частоты, предполагая, что точка — 3 дБ должна лежать где-то вблизи нескольких сот мегагерц. На рис. 13.12 дан итог этого процесса.

Рис. 13.12. Эквивалентные схемы для расчета верхней сопрягающей частоты схемы рис. 13.10.

Полное сопротивление нагрузки было рассчитано на частотах 100, 200 и 400 МГц, далее умножено на коэффициент усиления транзистора по току (учитывается, что h21э ~= 1/f), скомбинировано с другими импедансами, которые всегда имеются в цепи базы, а затем определялось результирующее значение импеданса, чтобы получить относительные значения выхода в функции частоты. Как можно видеть, выходное напряжение снижается на —3 дБ на частоте, равной приблизительно 180 МГц.

Теперь, используя эту оценку граничной частоты, следует посмотреть, будут ли другие RС-цепи давать значительное ослабление на этой частоте. Например, для каскада на Т4 коллекторная цепь должна вызывать снижение усиления на — 3 дБ вблизи 1000 МГц, если в качестве расчетного значения h21э принять усиление транзистора на 180 МГц (h21э ~= 5). Другими словами, каскадная часть схемы не ухудшает общую характеристику.

Этим простым способом можно непосредственно удостовериться, что другие цепи схемы не вносят более низких частот ослабления —3 дБ. При рассмотрении входного каскада следует задаться определенным значением сопротивления источника сигнала. При Zн = 1000 Ом (довольно высокое сопротивление для видеосхем, подобных этой) окажется, что сочетание сопротивления источника и входной емкости (1,0 кОм, 0,8 пФ) даст точку ослабления — 3 дБ вблизи 200 МГц. Таким образом, характеристика этой схемы значительно лучше, чем у рассмотренной выше.

13.06. Уточненные модели схем по переменному току

Объемное («распределенное») сопротивление базы. Стоит отметить, что модели, которыми мы пользовались, в некотором смысле упрощены, в них не учитываются некоторые важные эффекты, как, например, конечное сопротивление базы r'Б. Для высокочастотных транзисторов указывается параметр r'БСкб — постоянная времени коллектор-база. Для 2N5179 она равна 3,5 пс (ном.), эта величина определяется объемным сопротивлением базы, равным приблизительно 7 Ом. При анализе характеристик на очень высоких частотах такие эффекты необходимо включать в расчет; в этом примере они отсутствуют и не влияют на выводы, сделанные нами ранее.

Расщепление полюсов. Другим упрощением в предыдущих рассуждениях было допущение, что каждое RС-звено вызывает спад усиления независимо от других. То, что здесь должно быть некоторое взаимодействие, легко видеть по следующим соображениям: эффект Миллера сам по себе является формой высокочастотной отрицательной обратной связи. Поскольку он определяется выходным напряжением, то он должен снижать полное сопротивление выходной цепи транзисторного каскада, в особенности на высоких частотах, где его «петлевое усиление» велико (конечно, при этом он вызывает уменьшение усиления по напряжению, которое является проблемой в целом). В результате уменьшение сопротивления цепи коллектора сдвигает спад, связанный с RнСн, в область более высоких частот, поскольку выходное сопротивление цепи коллектора параллельно Rн. Таким образом, снижение сопрягающей частоты, связанной с эффектом Миллера (за счет возрастания KU или Скб), вызывает подъем сопрягающей частоты, связанной с емкостью коллектора и нагрузки. Это явление известно как «расщепление полюса».

13.07.Последовательно-параллельные пары

В широкополосных усилителях с низким коэффициентом усиления распространены схемы на последовательно-параллельных парах транзисторов (рис. 13.13).

Рис. 13.13. Последовательно-параллельные пары.

Идея заключается в создании усилителей с низким коэффициентом усиления (возможно, около 10 дБ) и с плоской характеристикой в широкой области частот. В этих схемах удачно применяется отрицательная обратная связь для расширения полосы пропускания. Однако отрицательная обратная связь сама по себе может быть источником неприятностей на высоких частотах из-за неконтролируемого сдвига фазы, если петлевое усиление в контуре будет велико. В последовательно-параллельных парах эти трудности преодолеваются за счет введения нескольких контуров обратной связи, в каждом из которых петлевое усиление невелико.

В схеме рис. 13.13 оба каскада, T1 и Т2, работают как усилители с низким коэффициентом усиления по напряжению, так как их эмиттерные резисторы не зашунтированы. R6 обеспечивает обратную связь, охватывающую только T1, так как T2 работает как повторитель в этой цепи. Благодаря тому, что полное усиление по напряжению для каскада на T1 определяется отношением (R6/R1), R4 может подбираться в соответствии с необходимым усилением (R4/R5) незамкнутого контура Т2. И наконец, обратная связь к эмиттеру Т1 добавляется для уменьшения усиления до его расчетной величины.

Последовательно-параллельные пары удобны для блочного построения усилителей, так как они чрезвычайно стабильны и просты по конструкции. С их использованием легко строить усилители с шириной полосы до 300 МГц или более. Коэффициент усиления на одну пару составляет обычно от 10 до 20 дБ, а при необходимости получить большее усиление ставят несколько каскадов.

В разд. 13.11 будут обсуждаться вопросы построения резонансных узкополосных усилителей в противоположность широкополосным устройствам, о которых мы говорили до сих пор. Поскольку усиливаемые сигналы часто имеют узкую полосу частот, при работе в радиодиапазоне очень полезны также резонансные усилители.

13.08. Модульные усилители

Из предыдущего рассмотрения усилителей высоких частот можно видеть, что разработка качественного высокочастотного усилителя очень трудоемка, связана с очень грубыми расчетами и требует проведения многочисленных испытаний конструкции. К счастью, более дюжины поставщиков выпускают усилительные модули в законченном виде, заключенные в корпусе, причем разнообразие их конфигураций таково, что может удовлетворить практически любым требованиям. Действительно, в виде законченного модуля можно получить почти каждый ВЧ-узел, включая генераторы колебаний, смесители, модуляторы, аттенюаторы, управляемые напряжением, накопители и делители мощности, циркуляторы, гибридные волноводные соединители, направленные ответвители мощности и т. д. Некоторые из этих схемных элементов мы будем рассматривать в разд. 13.12.

В большинстве случаев ВЧ-усилители выпускаются в виде тонкопленочных гибридных интегральных схем с коэффициентом усиления, заданным в широкой полосе частот; они встроены в 4-штырьковый транзисторный корпус и выполнены поверхностным монтажом (рис. 13.14).

Рис. 13.14. а — Усилительный каскад для области 10-200 МГц. б — Гибридная схема на керамической подложке.

Видны чипы конденсаторов, тонкопленочные индуктивности и резисторы, транзисторы и проволочные соединения (Watkins-Johnson Соmр.).

Два штырька являются выводами входной и выходной цепей с общепринятым полным сопротивлением 50 Ом, а остальные штырьки предназначены для заземления и соединения с источником постоянного тока. В продажу поступают различные усилители: одни из них отличаются низким уровнем шумов, другие — большой мощностью или большим динамическим диапазоном. Усилители могут предназначаться либо для работы в очень широкой области частот, либо для определенной полосы частот, используемой в связи. Например, UTO-514 фирмы Avantek имеет усиление 15 дБ в полосе частот от 30 до 200 МГц, коэффициент шума 2 дБ (максимум) и неравномерность усиления в полосе частот ±0,75 дБ. Устройство размещается в 4-штырьковом корпусе транзистора ТО-8.

Серии Avantek UTO и А-серии Watkins-Johnson модульных усилителей, состоящие каждая из почти сотни моделей, обладают высокими эксплуатационными характеристиками в полосе частот до 2 ГГц. Модули GPD-серий Avantek (или ЕА-серий Watkins-Johnson) менее дорогие, удобные и более доступны. Например, приборы GPD-201 работают в области 5-200 МГц с коэффициентом усиления 30 дБ (минимум) и коэффициентом шума 3,5 дБ (тип.) и стоят 29 долларов.

Гибридные усилители могут использоваться как сами по себе, так и в качестве каскада усиления, обычно их включают в полосковые линии (разд. 13.21). Чтобы еще больше облегчить жизнь, изготовители решили выпускать усилители в блочном исполнении в виде специальных модулей. Эти «зверюшки» обычно представляют собой небольшие металлические коробочки размером 5x5x2,5 см с высокочастотными коаксиальными разъемами типа SMA на входе и выходе. Вы можете выбрать из списка стандартный усилитель с разъемами или же заказать каскад усиления с указанными вами параметрами. Avantek пришлет вам маленькие коробочки и платы ПС, на которые можно установить до 4-х модульных усилителей (если вы пожелаете сделать это сами) (рис. 13.15).

Рис. 13.15. Плата-«микрополоска» (полосковая линия) для модульных ВЧ-элементов.

(Avantek, Inc.)

Чтобы дать вам представление о том, что вы можете приобрести, мы пролистали весь каталог фирмы Avantek и пришли к следующему выводу: AMG-1020 — прекрасный малошумящий усилитель, с усилением 34 дБ и коэффициентом шума 2,7 дБ в полосе частот от 50 до 1000 МГц. Более широкую полосу имеет UTC20-211, который работает в полосе от 10 до 2000 МГц с коэффициентом шума 5 дБ и усилением 26 дБ. Выпускаемые широкополосные усилители перекрывают область частот до 18 ГГц и выше, и при их построении использовались полевые транзисторы на GaAs (а также транзисторы с высокой электронной подвижностью, ВЭПТ).

Усилители, работающие в узкой полосе частот, могут быть оптимизированы с целью снизить уровень шума; имеются высокочастотные усилители такого рода, предназначенные для систем связи. Например, приемник сигналов от спутников Avantek АМ-4285 с усилением 50 дБ (±0,5 дБ) в полосе 3,7–4,2 ГГц с феноменальным коэффициентом шума 1,5 дБ (Тш = 120 К) или АМ-7724, работающий в полосе 7,25-7,75 ГГц, имеющий усиление 35 дБ (±0,25 дБ) при коэффициенте шума 1,8 дБ.

Заказная сборка и настройка позволили значительно улучшить эксплуатационные характеристики этих удивительных коммерческих усилителей. Например, радиоастрономы, как правило, добиваются снижения уровня шумов до 0,7 дБ для заказных усилителей в диапазоне L (1–2 ГГц), построенных с использованием полевых транзисторов на GaAs, и до 0,15 дБ, работая при температуре жидкого азота, (соответствующие шумовые температуры -50 К и 10 К; см. разд. 7.12). Новейшие разработки, использующие полевые транзисторы с высокой подвижностью электронов, достигают при 8,5 ГГц уровня шума, соответствующего 8 К. Наиболее знаменитым производителем этих удивительных устройств является Sandy Weinreb при National Radio Astronomy Observatory (Charlottesville, VA). Есть и небольшие фирмы такие, как Berkshire Thechnologies (Oakland, СА), которые изготовят для вас заказные усилители с такими ошеломляющими характеристиками; как правило, их охлаждаемые усилители имеют уровень шума, соответствующий температуре 5 К в L-диапазоне и 15 К при 8,5 ГГц. Для измерения уровня шума (шумовой температуры) усилителей, работающих в микроволновой области, неизменно используйте метод горячей/холодной нагрузки. Чтобы вспомнить, как это делается, вернитесь назад и просмотрите разд. 7.19.

Коммерческая конкуренция в отношении усилительных модулей столь же сильна, как и для других ВЧ-модульных компонентов. Законченные усилительные модули выпускают Aertech/TRW, Avantek, Aydin Vector, Hewlett-Packard, Narda, Scientific Communications и Watkins-Johnson. Если требуется построить ВЧ-систему, вы должны хорошо проштудировать каталог и выбрать модули для компоновки системы (рис. 13.16). Потом остается лишь закрепить их все на плате и соединить между собой коаксиальным кабелем.

Рис. 13.16. Высокочастотные модули различного исполнения: с разъемами, с выводами для сквозь-платного монтажа, с контактными площадками для поверхностного монтажа.

(Avantek, Inc.)

Широкополосные операционные усилители. Обычно считают, что операционные усилители — низкочастотные устройства, и они недостаточно хороши для работы в области выше 100 кГц или даже 1 МГц. Это в основном верно для того многообразия выпускаемых ОУ, у которых типичная величина fT лежит в области от 1 до 5 МГц (см. табл. 4.1). Однако как видно из табл. 7.3, имеется класс точных ОУ, у которых произведение усиления на ширину полосы достигает значения 100 МГц или около того. Реально, если допускается смещение напряжения на входе порядка 10 мВ, то можно получить ОУ с величиной fT, достигающей 1 ГГц.

Несколько отличаются ИМС «видеоусилителя», у которых вход и выход заземлены, а усиление постоянно. Это правильные операционные усилители (для определения конфигурации и усиления вы используете внешнюю обратную связь), и их можно использовать как усилители с замкнутым контуром для работы при частоте 100 МГц и более. Для получения хороших характеристик при построении многих таких широкополосных усилителей использовалась технология вертикальных pnp-процессов. В отличие от нормальных ОУ, часто встречаются усилители с несимметричным входным импедансом, вызываемым током обратной связи. В табл. 13.2 приведены некоторые из таких быстродействующих устройств.

Более 800 000 книг и аудиокниг! 📚

Получи 2 месяца Литрес Подписки в подарок и наслаждайся неограниченным чтением

ПОЛУЧИТЬ ПОДАРОК