Источники питания

14.02. Типы батарей

Обширное руководство по батареям ("Comprehensive Battery Guide") фирмы Duracell дает перечень из 133 батарей с описаниями таких их типов, как цинко-угольные, щелочно-марганцевые, литиевые, ртутные, серебряные, воздушно-цинковые и никель-кадмиевые. Включены даже их подклассы, как, например, Li/FeS2, Li/Mn02, LiS02, LiSOCl2 и «литиевые полупроводниковые». Другие фирмы-изготовители предлагают герметизированные свинцово-кислотные батареи и батареи гельного типа. Для действительно экзотической прикладной задачи вы могли бы даже принять во внимание топливные элементы или радиоактивные термальные формирователи. Что представляют собой все эти батареи? Как вам выбрать оптимальную для вашей портативной штуковины?

Предлагаемый перечень делится на так называемые гальванические элементы и аккумуляторы. Гальванические элементы спроектированы только для единственного цикла разряда, т. е. они неперезаряжаемые. Аккумуляторы (NiCd, свинцово-кислотные и гельного типа в вышеприведенном перечне) сконструированы так, чтобы быть подзаряжаемыми, в типовом случае от 200 до 1000 раз. Выбор гальванических элементов вы обычно делаете исходя из их химического состава и компромисса между такими параметрами, как цена, плотность энергии, долговечность при хранении, постоянство напряжения в течение разряда, производительность по пиковому току, температурный диапазон и популярность. Поскольку вы уже выбрали правильно батарею по химическому составу, то теперь надо вычислить какая батарея (или последовательное включение батарей) содержит достаточное количество энергии для вашего прибора.

К счастью, достаточно легко исключить из рассмотрения большинство из приведенных в этом каталоге батарей, если придерживаться нашего первого правила, а именно исключить дефицитные батареи. Кроме того, что их трудно достать, они обычно не свежие. Итак, как правило, лучше придерживаться того ассортимента элементов, которые имеются в продаже в любом аптекарском магазине (торгующем лекарствами, косметикой, журналами, мороженным и др.) или, возможно, универсальном магазине фотопринадлежностей даже, если в результате этого получите несколько худшие характеристики, чем при оптимальном выборе. Мы практически рекомендуем использовать широко употребимые батареи при проектировании любого потребительского электронного прибора; к тому же как потребители мы сами стараемся избегать тех недорогих чудес, в которых используются экзотические или дорогие батареи. (Вспоминаете те ранние детекторы задымления, для которых требовалась ртутная батарея с напряжением 11,2 В?)

Гальванические элементы. Теперь подробности. В табл. 14.1 сравниваются характеристики различных гальванических элементов, а в табл. 14.2 и на рис. 14.1 даны реальные параметры наиболее популярных элементов. Старомодный «сухой гальванический элемент» с эмблемой в виде кошки — это элемент LeClanche. Внутренняя его конструкция, как это можно предположить, является достаточно примитивной, а именно состоит из угольного стержня, вставленного в катодную смесь из двуокиси марганца, угля, аммония и хлористо-цинкового электролита. Имеется цилиндрическая прокладка, сделанная из пасты на основе порошкового крахмала, затем цинковый анод, отдаленный от жестяной банки. Верхняя его часть замазана парафином и битумным уплотнителем и сконструирована таким образом, чтобы давать выход газам, если слишком повышается их давление. Эти элементы являются наиболее дешевыми из тех, которые можно купить, но вы не сможете получить многого за ваши деньги. В частности, их напряжение падает, а полное сопротивление постоянно возрастает по мере Проектирование маломощных устройств 187 использования батареи; кроме того, емкость батареи резко снижается, если необходимо обеспечить высокие токи.

Таблица 14.1. Гальванические элементы

Тип · Достоинства · Недостатки

_____________________________________

Т: Цинко-угольный (LeClanche) (стандартный «сухой гальванический элемент»)

Д: Самый дешевый; широко выпускается

Н: Наименьшая плотность энергии (1–2 Вт·ч/дюйм3); спадающая кривая разряда; плох при работе с высоким током; при разряде увеличивается полное сопротивление; плохие рабочие характеристики на низкой температуре

* * *

Т: Цинко-угольный (хлорид цинка) («мощный» сухой гальванический элемент)

Д: Менее дорогой, чем щелочной); лучше LeClanche при высоком токе и низкой температуре

Н: Малая плотность энергии; спадающая кривая разряда

* * *

Т: Щелочно-марганцевый («щелочной» сухой гальванический элемент)

Д: Средняя стоимость; лучше, чем хлористо-цинковый при большом токе и низкой температуре; при разряде сохраняет низкое значение полного сопротивления; среднее значение плотности энергии (3,5 Вт·ч/дюйм3); широко выпускается

Н: Спадающая кривая разряда

* * *

Т: Ртутный

Д: Высокая плотность энергии (7 Вт·ч/дюйм3); плоская кривая разряда; хорош при высоких температурах; большая длительность хранения; низкое и постоянное значение полного сопротивления; напряжение холостого хода 1,35 В + 1 %

Н: Дорогой; плох при низкой температуре (0 °C)

* * *

Т: Оксид серебра

Д: Высокая плотность энергии (6 Вт·ч/дюйм3); плоская кривая разряда; хорош при высоких и низких температурах (до —20 °C); превосходная длительность хранения

Н: Дорогой

* * *

Т: Оксигалогенид лития

Д: Высокая плотность энергии (8 Вт·ч/дюйм3); наивысшая плотность энергии на единицу веса: плоская кривая разряда, превосходен при высоких и низких температурах (до —55 °C); чрезвычайно длительное время хранения (5-10 лет при 70 °C); легкий; высокое напряжение элемента (3 В)

Н: Дорогой

* * *

Т: Литиевый полупроводниковый

Д: Высокая плотность энергии (5–8 Вт·ч/дюйм3); превосходен при высоких и низких температурах (от —40 до 120 °C); невероятно длительный срок хранения (20 лет при 70 °C); легкий

Н: Дорогой; только для малого тока питания

«Мощные» сухие элементы построены аналогичным образом, но при более высоком процентном содержании хлористого цинка и соответственно различными механическими приспособлениями для еще большего выделения газа. Хотя у них общее содержание энергии лишь немного меньше, чем у элементов LeClanche, эти элементы значительно лучше по номинальной производительности даже при работе с высокими токами. Например, D-элемент LeClanche вырабатывает 4,2 ампер-часа (А·ч) на нагрузке 150 Ом, 1,2 А ч — на нагрузке 15 Ом и 0,15 А·ч — на нагрузке 1,5 Ом; аналогичный хлористо-цинковый элемент вырабатывает соответственно 5,6, 5,4 и 1,4 А·ч. Сам хлористо-цинковый элемент также демонстрирует меньшее падение емкости при низких температурах.

Щелочно-марганцевый элемент, как правило именуемый как просто «щелочной», при высоких токах разряда и на низких температурах работает еще лучше. Вывернутый наизнанку, для сравнения с угольно-цинковым элементом, он имеет в середине отрицательный анод из порошкового цинка и электролит из гидроокиси калия, окруженные отдаленным положительным катодом из двуокиси марганца и угля. Для сравнения с вышеприведенными параметрами можно указать, что щелочной D-элемент вырабатывает 10 А·ч на нагрузке 150 Ом, 8 А·ч — на нагрузке 15 Ом и 4 Ач — на нагрузке 1,5 Ом. Вследствие своего особого химического состава, щелочные батареи при разряде обеспечивают малое и медленно увеличивающееся внутреннее сопротивление по сравнению с быстро возрастающим внутренним сопротивлением обоих типов цинко-угольных элементов. Они также лучше работают при низких температурах.

Щелочные батареи имеют большую долговечность при хранении, чем элементы LeClanche или хлористо-цинковые. Как следует из рис. 14.1, кривая зависимости напряжения от степени разряда для всех трех типов батарей дает вам их простую сравнительную оценку. На рис. 14.2 представлены в сравнении рабочие характеристики этих трех типов «сухих гальванических элементов».

Рис. 14.1. Кривые разряда гальванических элементов.

(Эти и последующие рисунки в этой главе взяты из технической литературы по электрическим батареям следующих фирм: Агсо Solar, Duracell, Electrochem Industries, Evercady, Gates, Kodak. PowerSonio, Solavolt и Yuasa.)

Рис. 14.2. Сравнение рабочих характеристик цинковых «сухих гальванических элементов», а — зависимость емкости D-элемента от тока нагрузки; б — изменение напряжения и внутреннего сопротивления D-элемента в процессе разряда; в — зависимость емкости D-элемента от параметров рабочего цикла; г — зависимость емкости от температуры; д — зависимость длительности хранения (10 % потери емкости) от температуры.

Ртутные, окись-серебряные, литиевые — это пользующиеся подлинно большим спросом элементы с особенно высококачественными параметрами по сравнению с щелочными и цинко-угольными. В ртутном элементе используются амальгамированный цинковый анод, катод, состоящий из окиси двухвалентной ртути плюс уголь, и электролит из гидроокиси натрия или калия. Он превосходен с точки зрения стабильности напряжения холостого хода (1,35 В, стабильность порядка 1 %), а также постоянства напряжения в процессе разряда («плоская кривая разряда»); см. рис. 14.1. Он хорошо работает при температуре вплоть до 60 °C, но его рабочие параметры серьезно ухудшаются при температуре ниже —10 °C. Элемент на окиси серебра аналогичен ртутному элементу, но при замене окиси двухвалентной ртути на окись серебра. Он также обладает очень плоской кривой разряда, но обеспечивает более высокое напряжение холостого хода (1,6 В) и обладает улучшенными рабочими характеристиками на низких температурах (до -20 °C).

Литиевые элементы представляют собой новейшую разработку в ряду имеющихся на рынке гальванических элементов, но с несколько отличным химическим составом. Они обладают наивысшей плотностью энергии на единицу веса. Они имеют лучшее исполнение с точки зрения работы на высоких и низких температуpax, а также обладают исключительной долговечностью при хранении при всех температурах. Например, гальванический элемент D-типа с составом литийтионилхлорид (Li/SOCl2) вырабатывает почти в три раза больше энергии (10 А·ч при напряжении на зажимах 3,5 В), чем щелочной D-элемент сравнимых размеров и веса. Литиевые батареи могут работать на температурах, достигающих —50 °C и 70 °C (см. рис. 14.3), при температуре —40 °C они сохраняют 50 % своих возможностей при нормальной температуре, а это температура, при которой другие гальванические батареи вообще прекращают работать.

Рис. 14.3. Зависимость плотности энергии гальванических элементов от температуры.

Литиевые батареи имеют время сохраняемости от 5 до 20 лет при комнатной температуре и могут храниться на складе в течение 1–2 лет при температуре 70 °C, что приводит к высыханию всех других батарей. Они обладают плоской монотонной кривой разряда. Их продолжительное время хранения и напряжение 3–3,5 В делают литиевые батареи идеальным элементом для батарейной поддержки (резервный элемент питания), расположенной на плате КМОП-памяти.

Каждый химический состав литиевой батареи имеет свои собственные специфические особенности. Например, батареи с составом типа литийтрионилхлорид имеют тенденцию развивать пассивацию электрода, которая чрезвычайно поднимает их внутреннее сопротивление, что может привести к «перегоранию» батареи при большом броске тока. Литиевый сернистый ангидрид был причиной взрывов некоторых батарей.

Предупреждение: были инциденты, причиной которых были взрывы литиевых батарей, в некоторых случаях они причинили серьезный персональный ущерб. Предупредив вас об этом, мы не будем отвечать теперь за любые бедствия, которые вам могут принести литиевые батареи.

Аккумуляторы. Для электронного оборудования рекомендуем применять следующие типы аккумуляторов: а) никель-кадмиевые (NiCd) или б) герметизированные свинцово-кислотные. Оба типа аккумуляторов имеют меньшее содержание энергии, чем гальванические элементы (табл. 14.2), но они являются перезаряжаемыми. Никель-кадмиевые элементы выдают напряжение 1,2 В и, как правило, имеют емкость в диапазоне от 100 мА·ч до 5 А·ч и работают при температурах до —20 °C (и вплоть до +45 °C); свинцово-кислотные батареи вырабатывают напряжение 2 В на элемент и, как правило, созданы для обеспечения от 1 до 20 А·ч и могут работать при температурах до -65 °C (и вплоть до +65 °C). Оба типа батарей обладают относительно плоскими характеристиками разряда. Свинцово-кислотные батареи имеют низкие скорости саморазряда и претендуют на сохранение двух третей от начального заряда после годичного хранения при комнатной температуре (хотя наш опыт позволяет быть более скептически настроенными); никель-кадмиевые батареи имеют относительно плохие характеристики по сохранению заряда, в типовом случае теряя половину имеющегося заряда за 4 мес. (вот в это мы верим!) (см. рис. 14.4).

Рис. 14.4. Сохранение заряда в батарее аккумулятора.

Никель-кадмиевый D-элемент обеспечивает 5 А·ч (при напряжении 1,2 В), в то время как свинцово-кислотный D-элемент дает 2,5 А ч (при напряжении 2 В); сравнимый щелочной элемент дает 10 А·ч при 1,5 В.

Как никель-кадмиевые, так и герметизированные свинцово-кислотные батареи претендуют быть хорошими при 250-1000 циклах заряд/разряд (большее значение, если они каждый раз разряжены только частично; и меньшее при полном разряде или быстром проведении цикла заряд/разряд). Никель-кадмиевые батареи имеют общую ожидаемую долговечность хранения 2–4 года, если хранить их при постоянном капельном токе заряда (смотри ниже); долговечность герметизированных свинцово-кислотных батарей поддерживается при постоянном «подзаряживающем» напряжении и составляет 5-10 лет.

Стоит подчеркнуть, что эти перезаряжаемые батареи действительно являются герметичными; они не будут капать или таинственно подтекать ужасными химикалиями. Хотя, как правило, наименование «свинцово-кислотные» вызывает в воображении картины шершавых автомобильных аккумуляторов с разъеденными зажимами и подтекающей кислотой, герметизированные же их разновидности в действительности являются чистыми батареями: вы можете ставить их в любом положении, они не капают и не подтекают и, как правило, ведут себя хорошо. На практике на их основе можно разработать реальные электронные приборы без опасения, что ваша печатная плата превратится в «белую чуму» или дно корпуса, вашего дорогого корпуса, будет покрыто отвратительно пахнущей жидкостью.

Аккумуляторы умирают молодыми, если их не заряжать надлежащим образом. Эти процедуры отличны для никель- кадмиевых и кислотно-свинцовых аккумуляторов. Традиционно определяют скорости заряда через емкость самой батареи в ампер-часах; например, заряд при «С/10» означает подачу тока заряда, равного одной десятой емкости полно заряженной батареи в ампер-часах. Для вышеупомянутого никель-кадмиевого D-элемента он составит 500 мА.

Никель-кадмиевые элементы спроектированы таким образом, что они заряжаются при постоянном токе и выдерживают длительную подзарядку при С/10. Вследствие неэффективностей в цикле заряд/разряд вы должны заряжать при этой скорости в течение 14 ч, с тем чтобы гарантировать полную зарядку; вы можете подумать об этом как о подзарядке самой батареи на 140 %.

Хотя это и хорошо перезаряжать никель-кадмиевые батареи бесконечно при токе С/10, но лучше переключиться на «капельный» заряд в типовом случае при токе от С/30 до С/50. Однако никель-кадмиевые аккумуляторы являются «забавными», а именно обладают эффектом «памяти», так что капельной скорости заряда может и не хватить для восстановления полностью разряженного аккумулятора; в этом случае рекомендуется ток С/20.

Имеются прикладные задачи, когда вы не можете ждать целый день, пока это никель-кадмиевые аккумуляторы подзарядятся. В литературе по таким аккумуляторам дается разрешение заряжать нормальные элементы с более «высокой скоростью» от С/30 до С/10, если вы не делаете это слишком долго. При токе С/3 этим пределом является срок приблизительно в три дня. При таких условиях заряда нужно предусмотреть некоторый отвод газов в отличие от «нормального» режима подзарядки при токе С/10, когда выделяющийся кислород рекомбинирует внутри самого элемента. Существуют специальные «быстро заряжаемые» никель-кадмиевые элементы, спроектированные для заряда при токах от С/1 до С/3 в специальных зарядных устройствах, которые чувствуют условия полного заряда, используя текущий контроль температуры элемента (они имеют такой внутренний химический состав, что при достижении требуемого заряда быстро нагреваются). В отличие от ситуации со свинцово-кислотными батареями вы не можете надежно определить, когда никель-кадмиевый аккумулятор полностью зарядится, используя текущий контроль за напряжением на зажимах, поскольку оно меняется при бесконечно повторяемых циклах, температуре и скорости. Никель-кадмиевые аккумуляторы не должны заряжаться при постоянном напряжении, ни сохраняться «подзаряжаемыми» при фиксированном напряжении.

Вы можете приобрести удобные маленькие зарядные устройства никель-кадмиевых аккумуляторов у нескольких компаний, включая также и самих производителей батарей. Они, как правило, используются для заряда аккумуляторов всех популярных типов (D, С, АА и 9 В). Все никель-кадмиевые аккумуляторы имеют свои собственные патологии. Если вы похожи на нас, то, вероятно, возьмете с собой зарядное устройство для подстраховки от того, что ваш подзаряжаемый калькулятор неожиданно умрет при проведении, скажем, ревизии уплаты налогов. Как показывают графики (рис. 14.5), никель-кадмиевые аккумуляторы имеют эффекты «памяти», так что первый разряд после длительного периода подзарядки может быть плохим. Они являются критичными к подаче напряжения обратной полярности; таким образом, первый элемент, который заряжается, страшно страдает, если их последовательность полностью разряжена. Также никель-кадмиевые аккумуляторы не должны соединяться параллельно. Вы должны найти людей, помогающих различными «змеиными снадобьями», такими, как периодический «глубокий разряд» или ударная терапия в виде электролитического конденсатора большой емкости, разряжающегося через умирающий никель-кадмиевый аккумулятор. Хотя мы и скептически относимся к последнему средству, но периодический глубокий разряд полезен для здоровья никель-кадмиевого аккумулятора.

Рис. 14.5. «Глубокий разряд» восстанавливает «хорошее здоровье» никель-кадмиевой батареи.

Свинцово-кислотные. Эти многоцелевые батареи могут быть заряжены при приложении постоянного напряжения, при условии ограничения тока, постоянным током или используя что-нибудь среднее. При подзарядке ограниченным током и при постоянном напряжении вы подаете фиксированное напряжение (в типовом случае от 2,3 до 2,6 В на элемент); сама батарея первоначально получает высокий ток (вплоть до 2С), который затем падает, по мере того как она заряжается, окончательно достигая значения капельного тока, который и поддерживает саму батарею в полностью заряженном состоянии. Более высокое приложенное напряжение дает вам более быстрый заряд, но ценой большего зарядного тока и уменьшения общего времени жизни батареи. В наиболее простой реализации этого процесса можно использовать 3-контактный стабилизатор, такой, как 317, который обеспечивает питание ограниченным током при фиксированном напряжении. Заряд батареи можно поддерживать бесконечно при сохранении фиксированного «подзаряжающего» напряжения между 2,3 и 2,4 В на элемент (что соответствует капельному току от С/1000 до С/500). На рис. 14.6 показаны характеристики этих режимов. Эти заряжающие и подзаряжающие напряжения имеют мягкую температурную зависимость, которая должна быть отрегулирована на значение — 4 мВ/°С при работе на краях температурного диапазона.

Рис. 14.6. Избыточное подзаряжающее напряжение уменьшает срок службы батарей свинцово-кислотных аккумуляторов.

При подзарядке постоянным током (который не так часто используется) вы подаете фиксированный ток, как правило, от С/5 до С/20; напряжение на батарее по мере ее заряда постепенно возрастает, затем при достижении полного заряда наблюдается резкий его рост. В этой точке (соответствующей напряжению на зажимах 2,5 В/элемент) необходимо уменьшить ток, в типовом случае до фиксированного значения С/500, при котором будет поддерживаться полный заряд батареи бесконечно долго. Герметизированные свинцово-кислотные батареи будут иметь срок службы в течение 8-10 лет, когда их заряд производится при скорости С/500.

Прекрасный метод подзарядки свинцово-кислотных аккумуляторов предлагает так называемая двухшаговая процедура (рис. 14.7).

Рис. 14.7. Рекомендуемый цикл подзарядки батареи свинцово-кислотного аккумулятора («двухшаговый»).

После предварительного «капельного» заряда вы начинаете при высоком токе фазу «объемного заряда», при этом подавая высокий фиксированный ток Iмакс до тех пор, пока напряжение на батарее не достигнет «избыточного» значения, Uизб. Затем это напряжение поддерживается на постоянном уровне Uизб при проведении текущего контроля (падающего) тока, до тех пор пока этот ток не достигнет значения «избыточного переходного тока» Iизб-перех. После этого вы поддерживаете постоянным «подзаряжающее напряжение» Uподзар, которое меньше, чем напряжение Uизб. Для 12-вольтовой свинцово-кислотной батареи с емкостью 2,5 А·ч типовые значения составляют: Iмакс = 0,5 А, Uизб = 14,8 В, Iизб-перех = 0,05А и U = 14,0 В. Хотя смысл этой процедуры не очевиден, она приводит к быстрому и без повреждения подзаряду батареи. Фирма Unitrode изготавливает прекрасную ИС, а именно UC3906, которая имеет как раз все то, что необходимо для реализации этого процесса. Она даже включает в себя внутренний источник эталонного напряжения, который следит за температурными характеристиками, свинцово-кислотных элементов и требуется только внешний проходной р-n-р-транзистор и четыре устанавливающих параметры резистора.

Перспективность батарей и основные рекомендации. Как мы и утверждали вначале, это действительно хорошая идея проектировать прибор, используя популярную и легко доступную батарею. В верхней части перечня располагаются 9-вольтовые «транзисторные» батареи, известные под общим обозначением NEDA 1604 (1604 — LeClanche; 1604D — мощные; 1604А — щелочные; 1604М — ртутные; 1604LC — литиевые; 1604NC — никель-кадмиевые). Во всем мире вы можете купить 9-вольтовые щелочные батареи даже в любом отделе продуктового магазина (или открытого рынка).

Операционные усилители хорошо работают при напряжении питания +9 В; вы можете даже использовать ±4,5 В, если применить резистивный делитель и повторитель для формирования потенциала взвешенной «земли» (рис. 14.8; рассматривается дальше в разд. 14.08).

Рис. 14.8. Способ формирования с помощью единственной батареи источника питания с биполярным напряжением.

Существуют чудесные маленькие пластмассовые корпуса для приборов, которые заканчиваются внизу отделением для батареи на 9 В, поставку которых осуществляют многие фирмы-изготовители и по очень привлекательным ценам. Мы рекомендуем все-таки использовать щелочные элементы, а не цинко-угольные, поскольку они обладают улучшенными электрическими характеристиками, как это было показано ранее.

Новая литиевая батарея "Ultralife" фирмы Kodak с напряжением 9 В, которая выглядит как реальный победитель, имеет емкость 100 мА·ч, большую долговечность при хранении (сохраняя 80 % энергии после 10 лет хранения) и плоскую характеристику разряда (рис. 14.9). Разработчики в ней мудро используют 3 элемента, а не 2, так что напряжение на зажимах близко к 9 В, т. е. так же, как и у щелочной батареи. Наши предварительные измерения на ранних выборках показали, однако, в некоторой степени высокое внутреннее полное сопротивление.

Рис. 14.9. Кривые разряда 9-вольт батареи: «литиевая» — 3-элементная батарея "Ultralife" фирмы Kodak.

Семейство щелочных элементов типов АА, С и D имеет большую энергетическую емкость (и соответственно меньшее внутреннее полное сопротивление), чем 500 мА·ч батареи 1604А (в 3, 9 и 20 раз соответственно) и к тому же их легко получить. Но они отчасти менее удобны из-за проблем с хранением и с надежностью соединения при последовательном включении элементов. Каждый из нас замечал, что если потрясти тусклый карманный фонарь, то он обычно начинает светить ярче. Эта проблема связана с тенденцией некоторых разновидностей батарей (щелочных, ртутных) выращивать белый налет на своих зажимах (официально это называется «засаливание»).

Никель-кадмиевые батареи также продаются (хотя и не в каждой аптеке) в стандартных конфигурациях (АА, С, D и 9 В) для тех применений, где с точки здравого смысла обосновано использование аккумуляторов. Но при этом вы получите только около 25–50 % энергетической емкости и уменьшенное напряжение батареи (1,2 В против 1,5 В на элемент у щелочных).

Литиевые батареи имеются в наличии в тех же самых стандартных модификациях, хотя они обеспечивают 3 или более вольта на элемент. Большинство фирм-изготовителей также снабжает их залуженными выводами с целью обеспечения более надежного соединения; это имеет смысл, учитывая их продолжительный срок службы. Литиевые элементы также выпускаются в виде плоской «таблетки» с лужеными выводами, для использования в качестве батарейной поддержки КМОП-памяти или для питания календаря часов. Литиевая батарея на напряжение 9 В имеет прекрасную особенность, а именно позолоченные защелкивающиеся выводы, обеспечивающие более надежное соединение. Посмотрите наши предостережения о склонности литиевой батареи к взрывам.

В большинстве магазинов фототоваров даже маленьких городов вы можете найти широкий подбор ртутных, серебряных и литиевых элементов. Они используются в фотокамерах (и калькуляторах, и часах) и отличаются, как правило, разнообразием «таблеток». В качестве примера можно привести популярный ртутный элемент типа 625, едва ли больше, чем пуговица на куртке, при этом свежий элемент имеет емкость 250 мА·ч. Еще меньший по размеру элемент 76 на окиси серебра (а энергетически он эквивалентен ртутному элементу типа 675) имеет интересную особенность, а именно — это аналог литиевого 3-вольтового элемента (NEDA 5008L) того же диаметра и удвоенного веса, предназначенный для замены пары 1,5-вольтовых элементов. При этом напряжении можно непосредственно обеспечить работу КМОП логических схем, а также питать низковольтовые операционные усилители, такие, как LM10, серии ICL7610 и многофункциональные серии «Линейных КМОП» операционных усилителей фирмы TI (серии TLC251-254) и компараторы (TLC372/4, TLC339/393 и TLC3702/4).

Если же для вашей прикладной задачи требуется подзаряжаемость и высокий пиковый ток герметизированных свинцово-кислотных батарей или какой-либо экзотический вид гальванического элемента, вы должны, как правило, связаться с фирмами-изготовителями этих батарей или их дистрибьюторами. Что касается названий, то такие фирмы, как Gates, Powersonic и Yuasa специализируются по свинцово-кислотным аккумуляторам. Фирмы Duracell и Everyday доминируют на рынке гальванических элементов. Все эти компании предлагают полезные и обширные руководства по применению батарей.

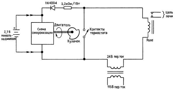
В следующих разделах мы рассмотрим альтернативные источники питания маломощного оборудования, а именно, включаемые в розетку блоки питания, солнечные элементы и сигнальные токи. Важно напомнить, что каждый из этих источников питания можно использовать для зарядки аккумуляторов. Например, популярные «установленные сзади» термостаты, которые на ночь выключают свой нагреватель, используют высокоимпедансный сигнальный переменный ток через реле на напряжение 24 В для зарядки никель-кадмиевых батарей, которые поддерживают работу тактового генератора в течение того периода, когда реле включено (рис. 14.10).

Рис. 14.10. «Устанавливаемый сзади» термостат.

В табл. 14.3 подытоживается наша информация по сравнению параметров различных типов батарей гальванических элементов.

14.03. Включаемые в розетку блоки питания

Калькуляторы, модемы, магнитофоны, телефонные наборные устройства, компактные измерительные приборы и еще множество маломощных устройств попадают к нам вместе с семейством черных квадратных включаемых в розетку блоков питания (рис. 14.11).

Рис. 14.11. Включаемые в розетку источники питания.

(С любезного разрешения фирмы Ault, Inc.)

Хотя маркировка на них обычно предупреждает, что их можно включать только с теми приборами, для которых они предназначены, вы можете приобрести эти блоки (с разнообразными техническими характеристиками) как в крупных, так и в небольших партиях (дистрибьюторы типа фирмы Radio Shack и Digi-Key; каждая имеет на своих складах несколько типов). Лучшие новинки обладают невероятно низкой стоимостью: включаемый в розетку блок питания (9 В нестабилизированного постоянного напряжения, ток 500 мА) стоит в больших партиях приблизительно 2,5 долл.

Включаемые в розетку блоки представляют хороший выбор источника питания для небольших приборов, которые потребляют несколько больше энергии, чем могут обеспечить батареи или для поддержания их подзаряжаемых батарей в заряженном состоянии. Они дешевле, чем встраиваемые в прибор дискретные или модульные блоки питания, и использование их позволяет экономить объем и отводить тепло (и вынести высокое напряжение) за пределами самого прибора. Кроме того, они обычно удовлетворяют требованиям по безопасности UL и CSA, что особенно важно, если вы хотите продавать ваш прибор, не проводя растянутый по времени процесс сертификации.

Включаемые в розетку блоки питания выпускаются в трех разновидностях: простые понижающие трансформаторы, нестабилизированные источники постоянного тока с фильтрами и качественные стабилизированные источники питания (как линейного, так и импульсного типа). Все они выпускаются с широкой номенклатурой напряжений и токов, а стабилизированные источники питания имеют даже полезные сочетания выходных напряжений, например, +5В(1 А)и +15 В (250 мА). Они имеют, кроме того, и обычные свойства интегральных стабилизаторов, а именно ограничение тока и защиту от перегрева. Вы можете заказать их в виде включаемого в розетку блока с тремя штырями (один заземляющий) и различными выходными разъемами; многие из более крупных блоков также выпускаются в виде автономных настольных блоков с кабелем питания от сети переменного тока. Одно слово о предосторожности: имеются нестандартизированные типы разъемов и значения номинальных значений напряжений. Действительно не существует даже стандартизации полярности! Таким образом, без всяких усилий можно сжечь прибор при ошибочном подключении блока к нему. Берегитесь!

Большую серию таких высококачественных включаемых в розетку блоков питания выпускает фирма Ault (Minneapolis, MN). По недорогим блокам питания посмотрите каталоги Condor (Sunnyvale, СА) или Multi Products International (Cedar Grove, NJ). Отметьте галочкой EEM (см. библиографию) адреса и другие фирмы-изготовители.

14.04. Солнечные элементы

Сочетание свинцово-кислотной или никель-кадмиевой батареи с кремниевыми солнечными элементами образует хороший источник питания для приборов с умеренным потреблением мощности, которые должны быть развернуты в удаленных местах и в течение продолжительного периода времени. Например, вы могли бы захотеть использовать бакен, который производит измерения в океане и периодически их передает. Если средняя мощность потребления составляет 1 Вт, то гальванические элементы становятся недопустимо громоздкими (вы должны иметь для употребления 500 щелочных D-элементов в течение года). Полный солнечный свет после прохождения атмосферы доставляет на землю приблизительно 1 кВт мощности на квадратный метр площади; после учета коэффициента полезного действия солнечных элементов (они имеют КПД приблизительно 10 % при работе на надлежащую нагрузку), длительности светового дня и цикличности погоды в средне-северных широтах (где среднее значение 100 Вт/м2 зимой и 250 Вт/м2 летом) вы можете получить среднюю мощность 25 Вт (в июле) или 10 Вт (в январе) на квадратный метр с высококачественных солнечных элементов, которые стоили в 1986 г. приблизительно 800 долл. При ярком солнечном свете такие солнечные модули вырабатывают до 100 Вт на согласованную нагрузку.

С блоком аккумуляторов для хранения энергии (свинцово-кислотные лучше, чем никель-кадмиевые, поскольку они имеют больший срок службы и рабочий диапазон температур) вы можете снимать среднюю мощность почти непрерывно; свинцово-цинковые элементы обладают в типовом случае КПД 70–80 %, и поскольку все факторы (включая погоду) учтены, то вы можете снимать мощность около 8 Вт на квадратный метр (зимой) и до 20 Вт на квадратный метр (летом), в среднем до 24 часов в сутки.

Для маломощных приборов, которые должны работать только при ярком свете, вы можете не включать батарею. Питаемые от солнечного света КМОП-калькуляторы с индикатором на жидких кристаллах являются преимуществом везде.

Вольт-амперные характеристики. Кремниевые солнечные элементы имеют простую и очень полезную вольт-амперную характеристику. Она показывает, что напряжение холостого хода практически не зависит от уровня света и в среднем составляет 0,5 В на элемент; сама же кривая UI — это просто перевернутая характеристика диода (рис. 14.12).

Рис. 14.12. Зависимость выходного напряжения солнечного элемента от тока нагрузки представляет собой просто перевернутую кривую U-I диода.

Типовые солнечные панели состоят из 36 последовательно соединенных элементов при напряжении холостого хода около 18 В. Напряжение на зажимах остается практически постоянным пока ток нагрузки увеличивается вплоть до своего максимального значения, при котором солнечный модуль становится источником постоянного тока, коим и остается при дальнейшем уменьшении полного сопротивления нагрузки. Этот максимальный ток изменяется в линейном масштабе пропорционально уровню света, давая набор характеристических кривых, как это изображено на рис. 14.13.

Рис. 14.13. Зависимость выходных параметров солнечного элемента от освещенности.

(MSVM4011 фирмы Solavolt)

Солнечные элементы работают хорошо при пониженных температурах, поскольку напряжение холостого хода падает при увеличении температуры (рис. 14.14).

Рис. 14.14. Зависимость выходных параметров солнечного элемента от температуры.

(MSVM4011 фирмы Solavolt)

При фиксированном уровне светового потока вырабатывается максимальная мощность, когда в рабочей точке обеспечивается максимальное произведение UI; другими словами, это точка, где кривая UI касается семейства гипербол (постоянное произведение UI), вычерченных на тех же осях. Проще говоря, это излом кривой UI. Поскольку полное сопротивление нагрузки, которое соответствует этому излому, быстро меняется в соответствии с уровнем светового потока, вы не можете надеяться сохранить оптимальное значение нагрузки (которое могло бы быть полным сопротивлением нагрузки, увеличивающимся обратно пропорционально уровню светового потока или другими словами нагрузка, которая отбирает ток пропорционально уровню светового потока при примерно постоянном напряжении). Однако в случае маломощных прикладных задач это не так существенно, что нагрузка отбирает максимальную мощность — собственно говоря это означает, что сама нагрузка записывается при нормальных условиях по световому потоку. Это, например, случай питаемых от солнечных батарей калькуляторов, в которых КМОП-схемы потребляют такой незначительный ток, что имеется резерв мощности, кроме случаев очень низких уровней светового потока. Из-за широкого диапазона напряжений питания «высоковольтной» КМОП ИС 740/4000В (от 3 до 18 В) и того факта, что солнечные элементы имеют напряжение холостого хода, которое относительно независимо от уровня светового потока, вам нет необходимости использовать любые стабилизаторы напряжения; питая КМОП-схему непосредственно от самого солнечного модуля, конечно через шунтирующий конденсатор. Типовой небольшой солнечный модуль, такой, как, например, Solarex SX-2, обеспечивает ток 290 мА при напряжении 8,5 В при солнечном свете и имеет напряжение холостого хода 11В; его можно использовать нестабилизированным для питания высоковольтных КМОП-схем или совместно со стабилизатором для любого семейства логических схем с напряжением питания +5 В.

В любом случае тогда используются аккумуляторы для хранения электрической энергии, при этом стоит отметить довольно хорошее согласование UI характеристик солнечного элемента с требованиями по заряду свинцово-кислотных элементов. Солнечный модуль обеспечивает примерно постоянный ток заряда в разряженной батарее, переходя к режиму постоянного «подзаряжающего» напряжения в конце цикла заряда батареи. Температурный коэффициент напряжения холостого хода (—0,5 %/°С) является приемлемо согласованным с рекомендованным температурным коэффициентом напряжения подзарядки свинцово-кислотных аккумуляторов (—0,18 %/°С). Итак, некоторые изготовители источников питания выпускают солнечные модули, которые предназначены непосредственно для подзарядки свинцово-кислотных аккумуляторов, например М65 фирмы Агсо (2,9 А, 14,5 В). Более же обычный путь — это согласовать солнечные модули с зарядами/подзарядными характеристиками свинцово-кислотных аккумуляторов с помощью схемы последовательного или параллельного стабилизатора, спроектированного специально для этих целей.

Многие солнечные модули и спроектированы для работы в таком режиме, с 20 В напряжения холостого хода и модулем согласующего стабилизатора для зарядки 12-вольтовых аккумуляторов. Стабилизатор переключает режим с зарядки на температурно-компенсированную подзарядку при автоматическом отключении нагрузки, если напряжение на батарее падает слишком низко. Эти системы выпускаются и на напряжения кратные 12 В (24 В, 36 В, 48 В и т. д.), и вы можете приобрести к ним дополнительные принадлежности, такие, как инверторы на 60 Гц (для получения переменного тока) или питаемые от постоянного тока криостаты, чердачные вентиляторы и др.

Некоторые из наиболее известных имен фирм — изготовителей солнечных модулей и систем на них — это Агсо Solar (Chatsworth, СА), Mobil Solar (Waltham, MA), Solarex (Rockville, MD) и Solavolt (Phoenix, AZ).

14.05. Сигнальные токи

He следует забывать и о возможности применения сигнальных токов для питания микромощных приборов. Четыре из наиболее общих благоприятных возможностей осуществления этого (см. рис. 14.15): а) постоянный ток удержания, протекающий в телефонной цепи, т. е. в режиме «поднятой трубки» (ответ абонента), б) напряжение переменного или постоянного тока, поступающее с релейной схемы, когда она не потребляет энергию, в) постоянный ток 4-20 мА, используемый в промышленной системе сигнализации с токовым контуром и г) последовательный порт RS-232 с биполярными сигналами «квитирования установления связи» (RTS, DSR и др.).

Рис. 14.15. Питание прибора от сигнальных токов: четыре структурные схемы, а — ток удержания телефонной линии; б — ток через катушку реле; в — ток контура от 4 до 20 мА; г — сигналы интерфейса стыка RS-232.

В первых двух структурах ваш источник мощности присутствует только часть времени - мощность пропадает, когда телефонная трубка повешена (режим «опущенной трубки») или когда релейная схема питается от вашего прибора. Если же вам мощность требуется постоянно, необходимо использовать перезаряжаемые аккумуляторы, заряд которых происходит только в течение периода присутствия мощности; для очень маломощных по току нагрузок альтернативой является использование «двухслойного» конденсатора с высоким значением емкости (вплоть до 5 Ф), аналогичный тип конденсатора используется и для сохранения содержимого КМОП-памяти.

Каждый из этих источников мощности имеет довольно строгие ограничения по податливости напряжения или по максимальному току. Далее приводятся их характеристики и некоторые рекомендации по поводу такого паразитного использования этих источников питания.

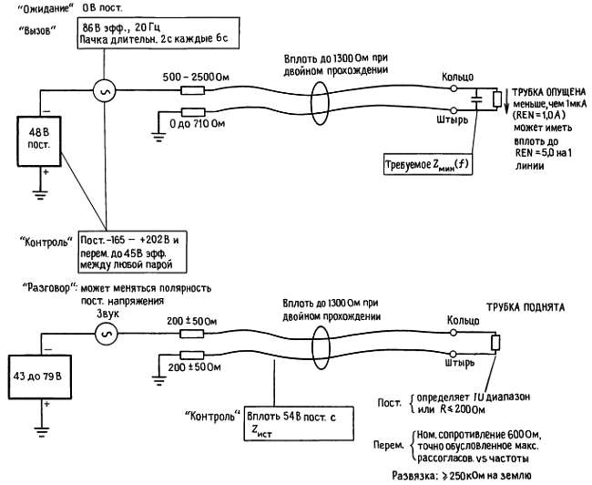
Питание от телефонной линии. Существует несколько различных состояний, в которых телефонная линия может находиться в зависимости от того в каком положении находится ваш телефонный аппарат и какие мероприятия проводит телефонная компания. Центральная телефонная станция (или эквивалентная соседняя) прикладывает различные постоянные (и переменные) напряжения к контактам двухпроводной телефонной линии (обозначенные как «штырь» и «кольцо») в течение различных этапов установления соединения (рис. 14.16).

Рис. 14.16. Режимы функционирования и испытания телефонных систем.

В незанятом состоянии линии центральная станция телефонной компании прикладывает —48 (±6) В постоянного напряжения, подаваемого через последовательный резистор с сопротивлением от 500 до 2500 Ом в контакт «кольцо», и нагружает линию через контакт «штырь» на землю через резистор с сопротивлением от 0 до 710 Ом. Кроме того, в типовом случае имеется вплоть до 1300 Ом внешнего линейного сопротивления между центральной телефонной станцией и вами («абонентом»). Когда вы поднимаете трубку, центральная телефонная станция переходит в режим набора номера, при этом вырабатывается тональный сигнал готовности, прикладывается постоянное напряжение от —43 до —79 В через последовательно включенный резистор 200 ±50 Ом к контакту «кольцо» и производится замыкание контакта «штырь» на землю через такое же полное сопротивление. Аналогичные постоянное напряжение и полные сопротивления источника присутствуют и в разговорном режиме (т. е после того, как соединение установлено), хотя телефонная компания может, и это их право, изменить полярность прикладываемого к контакту «кольцо» постоянного напряжения. Естественно, в режиме переговоров в линии также присутствуют накладываемые на это постоянное напряжение звуковые сигналы, передача которых и является основной задачей телефонии!

Существуют два других состояния линии. Во время звонка (вызова) телефонная компания подает сигнал частотой 20 Гц и среднеквадратичным значением 86 ± 2 В, сверх обычных —48 В постоянного смещения. Как и это постоянное напряжение вызывающий сигнал переменного тока прикладывается к контакту «кольцо». Официальные требования по вызову следующие: тональные посылки длительностью 2 с с интервалами 6 с. Во время режима испытания телефонная компания подает различные сигналы постоянного и переменного тока, с тем чтобы иметь уверенность, что линия функционирует надлежащим образом. Они могут подавать постоянные напряжения в диапазоне —165 + +202 В и переменные напряжения вплоть до 45 В среднеквадратичного значения между любой парой жил (кольцо, штырь, земля) в режиме положенной трубки и вплоть до 54 В постоянного тока от источника с полным сопротивлением 10 Ом в режиме снятой трубки.

Телефонная компания также регламентирует диапазон наводимых грозовыми разрядами «высоковольтных выбросов напряжения», которые вы можете обнаружить на своих телефонных линиях. В типовом случае они достигают нескольких тысяч вольт при токе в несколько сотен ампер; оборудование, подключенное к телефонной линии, должно иметь устройства подавления этих переходных процессов, так чтобы пережить эти импульсы. Кроме того, телефонная компания точно обозначает и «очень высоковольтные выбросы напряжения», которые могут возникнуть при очень близком ударе молнии. При этом могут наводиться напряжения до 10 кВ и токи до 1000 А и идея защиты состоит в том, чтобы, даже если ваше оборудование поджарится, никто не должен пострадать. Таким образом, технические требования устанавливают, что само оборудование не должно разлетаться в куски, вызывать возгорание или убивать кого-нибудь током.

Допустимые нагрузки точно устанавливаются в терминах «индекса эквивалентности вызывного звонка» (REN). Обычные телефонные аппараты имеют REN порядка 1,0 А, что соответствует следующим параметрам: а) в режиме опущенной трубки сопротивление по постоянному току 50 МОм, а полное сопротивление по переменному току устанавливается выше заданной кривой зависимости полного сопротивления от частоты (соответствует поддержанию |Z| > 125 кОм в диапазоне частот от 4 Гц до 3,2 кГц, хотя оно и может быть существенно ниже на определенных частотах и напряжениях), б) в режиме поднятой трубки характеристике по постоянному току, которая задается внутри приемлемого диапазона, указанного на рис. 14.17 (или которое измеряется как 200 Ом или меньше), и в) импеданс в режиме поднятой трубки, который составляет приблизительно 600 Ом в диапазоне частот от 200 Гц до 3,2 кГц (что, как правило, определяется через коэффициент отражения, при условии подачи сигнала от источника с внутренним сопротивлением 600 Ом и составляет по крайней мере 3,5 дВ в диапазоне от 200 Гц до 3,2 кГц и 7 дБ — в диапазоне от 500 Гц до 2,5 кГц).

Рис. 14.17. Допустимые условия по нагрузке в телефонной линии в режиме «поднятой» трубки. Незаштрихованная область доступа, спустя 1 с после поднятия трубки.

(Из Bell System Tech. Ref., Pub. 47001.)

Подключаемые к телефонной линии нагрузки должны быть по постоянному току изолированы от шины земли (50 МОм в режиме опущенной трубки и 250 кОм в режиме поднятой трубки). Общий REN допускается в пределах вплоть до 5,0 А, т. е. полное сопротивление нагрузки составляет 1/5 от выше приведенных значений. Сама телефонная компания требует уведомлять ее о вашем общем увеличении REN нагрузки. Из предварительно приведенных данных следует, что абонент не должен претендовать на получение тока в режиме опущенной трубки и минимальное мостовое сопротивление по постоянному току 50 МОм (для REN равного 1,0 А) является существенным техническим требованием по утечке - 50 МОм соответствуют току 1 мкА. Тем не менее при тщательном проектировании и подборе элементов вы можете поддержать КМОП-схемотехнику (цифровую или аналоговую) в состоянии покоя при токе в несколько микроампер, и иметь ее «проснувшейся» при снятии телефонной трубки. Используйте небольшой танталовый электролитический конденсатор (или «двухслойный» конденсатор энергетической поддержки памяти, имеющийся в крошечных корпусах и с емкостью до 5 Ф), для сохранения состояний, в течение набора номера или других переходных процессов. В разговорном режиме при поднятой трубке вам гарантируется постоянное напряжение 6 В (7,8 В спустя несколько секунд) при минимальном токе в 26 мА (см. рис. 14.17), который достаточен для функционирования большинства из микромощных схем; это вполне сравнимо с питания от батареи на 9 В.

С помощью микромощного стабилизатора с низким падением напряжения на нем, такой, как LP2950 (80 мкА ток покоя, 0,4 В падения напряжения при 100 мА тока в нагрузке), вы можете обеспечить питание цифровых схем от стабилизированного источника питания напряжением 5 В, как это показано на рис. 14.18. Если вы можете быть уверены в получении регулярных циклов функционирования в режиме поднятой трубки, то можно использовать имеющийся избыточный ток для поддержания подзаряжаемых батарей в заряженном состоянии. Например, если у вас имеется час режима поднятой трубки в течение дня, вы постоянно можете отбирать приблизительно миллиампер тока.

Рис. 14.18. Стабилизированный источник питания на сигнальном токе в режиме поднятой трубке (элементы защиты не показаны).

Предупреждение. Перед тем как приступить к проектированию любого прибора с непосредственным подключением к телефонной линии, будьте уверены в получении уместных технических характеристик. Вы должны удовлетворять требованиям устава ФКС (федеральная комиссия связи), который включает процедуры испытания и сертификации. Не принимайте на веру, что технические характеристики, предлагаемые в этой главе, являются корректными.

Релейные схемы. Те популярные «установленные сзади» термостаты, которые убавляют нагрев ночью и включают его снова за полчаса до вашего подъема, используют небольшую мощность переменного тока, которую можно отвести от релейной схемы без замыкания самого реле. Типовые механические реле управления потребляют ток в 100 мА или более при номинальном переменном напряжении на катушке 24 В и можно рассчитывать, что они останутся в разомкнутом состоянии при 10 % от этого нормального тока через катушку. Таким образом, вы можете получить 10 мА или около того при почти 24 В переменного напряжения для питания вашего прибора. Не забудьте включить подзаряжаемые элементы (или возможно конденсатор для сохранения содержимого памяти, если это все, что требуется), поскольку источник питания пропадает, когда замыкаются контакты подключения реле к источнику питания. На рис. 14.10 дана иллюстрация этой идеи.

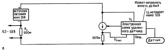
Промышленные токовые контуры. В промышленных условиях существует стандарт для токовых контуров системы сигнализации, в которых удаленный датчик (скажем, термопара; см. разд. 15.01) передает свои измерения посредством преобразования их в аналоговый ток, который тогда протекает в контуре.

Постоянное смещение этого контура обычно обеспечивается на приемном конце (рис. 14.15, в). Существуют два стандарта, а именно полномасштабные диапазоны от 4 до 20 мА и от 10 до 50 мА. Стандарт 4-20 мА является более популярным и обычно использует постоянное смещение в 24 В (хотя иногда и выше). Для упрощения часто желательно использовать ток сигнализации для питания расположенных на удаленном конце электронных схем. С этой целью вы можете использовать напряжение смещения в контуре для организации системы питания.

Имеющиеся коммерческие модули для системы токовых контуров, как правило, требуют, чтобы получатель данных обеспечивал максимальное сопротивление нагрузки R и минимальное постоянное смещение Uсм, такие чтобы (Uсм — 12 B)/Rсм было равно полномасштабному току. Другими словами, удаленный модуль может давать падение напряжения на себе вплоть до 12 В несмотря на то, что прикладывается полномасштабный ток контура. Конечно, сам модуль должен сохранять работоспособность, когда посылается в контур ток, соответствующий минимальному выходному сигналу. Итак, нижней границей является то, что вы уже имеете в наличии, т. е. по крайней мере напряжение 12 В при токе 4 мА для питания вашего оборудования; вы можете получить и больше, но не следует рассчитывать на это. Это избыток для даже более сложных схем, если вы тщательно проведете практическое микромощное проектирование.

Сигналы последовательного порта RS-232. Сам стандарт RS-232C/D определяет двухполярные сигналы данных и управления с существенной нагрузочной способностью (см. разд. 10.19); вы можете использовать один из сигналов управления (или даже сигнал данных) для питания маломощной схемы.

Официально выходной сигнал должен быть способен формировать уровни напряжения от ±5 до ±15 В на сопротивлении нагрузки от 3 до 7 кОм. Формирователи сигналов стыка RS-232 в общем случае, как правило, имеют выходное полное сопротивление в несколько сотен ом при ограничении по току в пределах от 5 до 15 мА. Для того чтобы подключить паразитное устройство к этому источнику питания, вы должны модифицировать свое программное обеспечение так, чтобы поддерживать заданную линию управления в известном (и стабильном) состоянии. Вы можете использовать даже пару управляющих линий, если они доступны, для получения двухполярного источника питания (+5 В, мин.). Напомним, что сигналы управления (RTS, DTR и др.) поддерживаются на ВЫСОКОМ уровне, который является обратным по отношению к сигналам данных.

Поскольку имеется обычно изобилие коммерческих источников переменного тока вокруг компьютера, вам по существу не следует делать любые сверхестественные ухищрения для высасывания «жизненных сил» из 25-контактного D разъема стыка. Однако для простой схемы последовательного порта — это элегантный источник питания. Вы можете приобрести коммерческие интерфейсы и модемы, которые работают таким образом.

Более 800 000 книг и аудиокниг! 📚

Получи 2 месяца Литрес Подписки в подарок и наслаждайся неограниченным чтением

ПОЛУЧИТЬ ПОДАРОК