Внимательный взгляд на МП 68008

Обилие микропроцессоров различных типов может поставить в тупик разработчика. Печальным правилом мира микропроцессоров является несовместимость различных микропроцессорных комплексов как в аппаратной реализации (сигнальные линии, интерфейсные протоколы и т. д.), так и в наборах команд. Вместо того чтобы пытаться подобрать наилучший микропроцессор для каждого применения, лучше остановиться на каком-то достаточно зарекомендовавшем себя микропроцессоре, создать для него систему разработки и накапливать с ее помощью опыт и знания. Это разумно еще и потому, что усилия и средства, затраченные на разработку программного обеспечения для микропроцессорной системы, часто превышают затраты на аппаратную разработку.

В этой главе мы рассмотрим МП Motorola 68008, являющийся младшим представителем элегантного и популярного семейства микропроцессоров 68000, находящих применение в таких микроЭВМ, как Macintosh, NeXT, Sun и Apollo. Этот микропроцессор практически идентичен МП 68000 (16-разрядная шина данных, 24-разрядная адресная шина), но упакован в 48-контактный DIP-корпус с 8-разрядной шиной данных и 20-разрядный адресной шиной. Микропроцессор выполняет те же программы, что и МП 68000; более узкая шина данных абсолютно прозрачна для использования.

11.01. Регистры, память и ввод-вывод

Регистры. На рис. 11.1 показаны внутренние регистры МП 68000 (мы будем использовать обозначение «68000» при описании черт, общих для МП 68000 и 68008).

Рис. 11.1. Регистры МП 68000/8.

Процессор содержит 8 регистров данных и 7 адресных регистров, причем все они в полной мере являются регистрами общего назначения; вспомним в связи с этим, что в МП 8086/8 регистр АХ (AL) должен использоваться в операциях ввода-вывода, DX — для адресации к портам и т. д. Регистры данных могут содержать «байты» (8 бит), «слова» (16 бит) и «данные слова» (32 бит), причем тип данных в любой операции указывается непосредственно в обозначении команды на языке ассемблера (см. ниже). Все вычисления и обработка байтов выполняются в регистрах данных.

Адресные регистры используются как указатели памяти или пространства ввода-вывода в 5 из 12 возможных для МП 68000 способов адресации; в адресных регистрах допустимо выполнение лишь нескольких арифметических операций (сложение, вычитание, сравнение, пересылка). Сегменты, как и сегментные регистры, отсутствуют; в микропроцессорах семейства 68000 всегда возможен доступ ко всему адресному пространству (1 или 4 Мбайт для МП 68008 в DIP — или четырехстороннем корпусе, 16 Мбайт для 68000, 4 Гбайт для 68020/30).

В микропроцессоре также имеются: указатель стека (фактически их два, но в каждый данный момент активен только один), программный счетчик PC (именуемый в МП 8086/8 «указатель команд») и регистр состояния SP. Последний содержит флаги (нуля, переноса, переполнения и др.), а также маску прерываний и биты режима.

Память и ввод-вывод. В отличие от МП 8086/8 в процессорах 68000 не предусмотрены отдельные сигналы магистрали ввода-вывода и в их системе команд отсутствуют команды ввода-вывода типа IN и OUT. Ввод-вывод осуществляется так же, как и обращение к памяти, с использованием адресов полной длины и стробирующих сигналов. Для подключения порта ввода-вывода вам следует декодировать адресные линии и сделать так, чтобы регистры ваших портов выглядели, как несуществующая память. Такой метод называется отображением ввода-вывода на пространство памяти; он используется во многих микропроцессорах. (Впрочем, даже в случае самостоятельного протокола ввода-вывода МП 8086 всегда можно отобразить ввод-вывод на пространство памяти с помощью стробирующих сигналов MEMR' и MEMW'.)

Преимущество отображения ввода-вывода на пространство памяти заключается в том, что для операций над регистрами портов можно использовать все команды, предназначенные для работы с памятью. Специальные команды IN/OUT МП 8086/8 заменяет команда MOVE; кроме этого, непосредственно над содержимым портов можно выполнять операции арифметические (сложения, вычитания, циклического сдвига, сравнения, проверки), логические (И, ИЛИ), а также над битами (установка бит, проверка бит). Единственный недостаток отображения ввода-вывода на пространство памяти заключается в необходимости декодировать много адресных линий; практически здесь не возникает трудностей, поскольку при большом адресном пространстве и малом числе портов ввода-вывода нет необходимости декодировать полный адрес (примеры см. ниже).

11.02. Система команд и способы адресации

В табл. 11.1 приведен полный набор команд МП 68000. Чтобы образовать правильный оператор (команду) языка ассемблера, следует указать операнды (с помощью одного из 12 режимов адресации) и тип данных (байтов, слово или длинное слово). На языке ассемблера фирмы Motorola оператор выглядит следующим образом:

ОПЕРАЦИЯ. размер источник, приемник

Здесь ОПЕРАЦИЯ берется из табл. 11.1, размер есть В, W или L (байт, слово или длинное слово соответственно), а источник и приемник могут представлять регистры, непосредственные константы или ячейки памяти. Ниже приведено несколько примеров с указанием способов адресации.

Таблица 11.1. Набор команд МП 68000/8

Операция · Описание

Арифметические

ABCD Сложение упакованных двоично-десятичных чисел

ADD Сложение

ASL Арифметический сдвиг влево

ASR Арифметический сдвиг вправо

CLR Очистка операнда

DIVS Деление (знаковое)

DIVU Деление (беззнаковое)

EXT Расширение знака

LSL Логический сдвиг влево

LSR Логический сдвиг вправо

MOVE Пересылка

MULS Умножение (знаковое)

MULU Умножение (беззнаковое)

NBCD Отрицание упакованного двоично-десятичного числа

NEG Отрицание

SBCD Вычитание упакованного двоично-десятичного числа

SUB Вычитание

Логические

AND Логическое И

BCHG Проверка и изменение бита

BCLR Проверка и очистка бита

BSET Проверка и установка бита

BTST Проверка бита

CHK Проверка регистра на границы

CMP Сравнение

EOR Исключающее ИЛИ

EXG Обмен регистров

NOT Побитовое дополнение

OR Логическое ИЛИ

RESET Возбуждение линии RESET

ROL Циклический сдвиг влево без расширения

ROR Циклический сдвиг вправо без расширения

ROXL Циклический сдвиг влево с расширением

ROXR Циклический сдвиг вправо с расширением

Scc1) Установить байт по условию

SWAP Обмен половин регистра

TAS Проверка и установка операнда

TST Проверка операнда и установка флагов

Управления

Всс1) Условный переход

BRA Безусловный переход (относительный)

BSR Переход на подпрограмму (относительный)

DBcc1) Проверка, декремент и переход

JMP Безусловный переход (7 режимов)

JSR Переход на подпрограмму (7 режимов)

LEA Загрузка эффективного адреса

LINK Подсоединение стека

NOP Холостая команда

PEA Загрузка в стек эффективного адреса

RTE Возврат из исключения

RTR Возврат, восстановление кодов условий

RTS Возврат из подпрограммы

STOP Останов

TRAP Ловушка (векторизованное исключение)

TRAPV Ловушка по переполнению

UNLK Отсоединение стека

Коды условий ("сс")

СС Перенос сброшен

CS Перенос установлен

EQ Равенство нулю

F Никогда не истина2)

GE Больше или равно нулю

GT Больше нуля

HI Выше

LE Меньше или равно нулю

LS Ниже или равно

LT Меньше нуля

MI Минус

NE Не равно нулю

PL Плюс

T Всегда истина2)

VC Переполнение сброшено

VS Переполнение установлено

____

1) См. «Коды условий».

2) Не используется в командах Вcс; вместо «ВТ» используйте BRA

MOVE.W (непосредственная,

# $FFFF,D0 регистровая)

MOVE.B (А0), (А1) (косвенная, косвенная)

ADD.L D5, (А2) + (прямая, косвенная с постинкрементом)

BTST.B #2$C0000 (непосредственная, абсолютная длинная)

В первом примере устанавливаются в 1 все 16 бит регистра D0 (символ «$» обозначает «шестнадцатиричное», а «#» указывает на «непосредственную» константу); вторая команда копирует байт из ячейки памяти, адрес которой находится в А0, в ячейку памяти, адрес которой находится в А1; третья прибавляет 32-разрядное знаковое целое к 4-байтовому («длинному») целому, которое начинается в памяти с байта, адресуемого через А2, после чего содержимое А2 увеличивается на 4; последняя команда проверяет бит 2 в ячейке памяти С0000Н, устанавливая соответствующим образом флаг нуля Z (для последующей команды условного перехода). Заметьте, что операнды cледуют в порядке — источник, приемник, что противоположно нотации МП 8086.

МП 68000 позволяет использовать почти все режимы адресации и размеры операндов с любой командой («Справочное пособие программиста МП 68000» исчерпывающе описывает все допустимые сочетания; наиболее полезная информация собрана в табл. 11.2). В результате написание изящных и эффективных программ на языке ассемблера оказывается относительно простой задачей. Например, работая с МП 8086 и желая проанализировать состояние флага порта ввода-вывода, вы должны будете сохранить и восстановить содержимое регистра AL и в сумме использовать 5 команд (PUSH, IN, TEST, POP, Jcc). МП 68000 позволяет выполнить ту же операцию с помощью всего двух команд: BTST и Всс; никакие регистры не нужны, потому что бит памяти (и, следовательно, регистры порта) можно проанализировать непосредственно. Более того, «автоинкрементный» режим адресации вроде «(А2) +» дает возможность работать с массивами. Хотя мы еще не описали все режимы адресации и команды, вы вполне сможете выполнить следующее упражнение.

Упражнение 11.1. Скопировать массив длиной $100 байт из таблицы, начинающейся в ячейке $А0000 в таблицу, начинающуюся в ячейке SA8000. При решении этой задачи будет полезна команд WGT метка (переход если больше нуля).

Режимы адресации. В приведенных выше примерах команд операции выполнялись над константами, содержимым регистров и содержимым ячеек памяти (или портов). Архитектура МП 68000 предусматривает богатый набор «режимов адресации» для определения этих операндов. В табл. 11.3 перечислены 12 режимов адресации, которые рассматриваются фирмой Motorola как 14. Вот что они значат:

Регистровая прямая адресация

Синтаксис: Dn (или An)

Пример: MOVE.W D0,D1

Операндом является содержимое указанного регистра

Непосредственная адресация

Синтаксис: #хххх

Пример: MOVE.B #$FF,D0

Операндом является указанная константа

Абсолютная адресация к памяти

Синтаксис: xxxx.W или xxxx.L

Пример: ADD.W D0JB000.W

Адрес операнда указан как непосредственная константа

Косвенная адресация

Синтаксис: (An)

Пример: SUB.W D0, (А0)

Указанный регистр содержит адрес операнда

Косвенная постинкрементная адресация

Синтаксис: (Аn) +

Пример: MOVE.B (А0) +, (А1) +

Аналогична косвенной, но после выполнения операции An инкрементируется на величину размера

Косвенная предекрементная адресация

Синтаксис: — 1Аn)

Пример: MOVE.W D0,-(A7)

An сначала декрементируется на величину размера, затем выполняется косвенная адресация

Косвенная адресация со смещением

Синтаксис: d16(An)

Пример: MOVE.L (А0),100(А0)

Адрес операнда определяется как (An) плюс 16-разрядное знаковое смещение d16

Косвенная индексная адресация со смещением

Синтаксис: d8(An,Xn.W [или. L]) (Хn может быть либо Dn, либо An)

Пример: MOVE.L 100(A0),100(A0,D7)

Адрес операнда определяется как (An) плюс (Хп) плюс 8-разрядное знаковое смещение d8

PC-относительная адресация со смещением

Синтаксис: d16(PC)

Пример: LEA 100(РС), АЗ

Адрес операнда отличается от адреса этой команды на величину 16-разрядного знакового смещения

PC-относительная адресация с индексом и смещением

Синтаксис: d8(PC,Xn.W или. L)

Пример: MOVE.W 100(PC,D0.W),D1

Адрес операнда отличается от адреса этой команды на величину суммы 8-разрядного знакового смещения и содержимого Хn.

Несколько пояснений: в первых двух режимах не адресуется память; адресуются регистры или непосредственные константы (т. е. константы, включенные в поток команд; они могут быть только источниками, но никогда не приемниками). Все остальные режимы служат для адресации памяти. Абсолютная адресация удобна для обращения к портам ввода- вывода или к отдельным ячейкам памяти.

Косвенная (особенно с постинкрементом или предекрементом) хороша для работы с массивами или стеком; кроме того, если адрес уже находится в адресном регистре, такая адресация быстрее абсолютной, так как при выполнении команды адрес (абсолютный) не требуется извлекать из памяти. PC-относительные режимы адресации особенно удобны при написании «позиционно-независимых» программ, поскольку все адреса определяются относительно самих программных строк; заметьте, что 8- и 16-разрядные смещения представляют собой знаковые целочисленные дополнения до 2, позволяя описывать ячейки, отстоящие от точки отсчета на ±127 или ±32767 байт соответственно. Обратите еще внимание на то, что непосредственные или РС-относительные операнды нельзя модифицировать (они «неизменяемы»).

11.03. Представление команд на машинном языке

Как уже упоминалось выше, язык ассемблера, использованный нами в примерах, не является «объектным кодом», фактически выполняемым микропроцессором. Скорее это мнемоническое представление, удобное для написания программ. Последовательность команд языка ассемблера, составляющая программу, должна быть преобразована в последовательность двоичных байт, выполняемых процессором. Как и в случае МП 8086, каждая команда языка ассемблера МП 68000 преобразуется (ассемблируется) в несколько байт машинного кода. Код операции (коп) всегда занимает 2 байт, но в тех случаях, когда требуется определить режимы адресации, к нему могут добавляться дополнительные слова (двухбайтовые). В зависимости от вида операции и режимов адресации команда может иметь длину от 2 до 10 байт. Например, команда

ADD.W (A1) +,D3

ассемблируется в код минимальной длины (2 байта), именно (D6 59)н, причем и номера регистров, и режимы адресации указываются (вместе с кодом операции) в самой 2-байтовой команде. С другой стороны, команда MOVE.W $FFFF,$A0000 ассемблируется в 8-байтовый код, а именно (33 FC FF FF 00 0А 00 00)н, причем в первых двух байтах указываются операция и режимы адресации, в следующих двух байтах — непосредственная константа, а в последних четырех байтах — абсолютный адрес (длинный) приемника.

ЦП, естественно, по самой своей конструкции умеет интерпретировать этот результирующий машинный код. Рассмотрение структуры машинного кода конкретной команды может помочь вам в понимании логики работы ЦП. На рис. 11.2 развернута структура самой употребительной команды МП 68000 MOVE.

Рис. 11.2. Структура команды MOVE.

Пройдемся по ней. Два лидирующих нуля идентифицируют (почти) команду, как операцию MOVE; следующие два бита определяют размер операндов, как это показано на рисунке. Любопытно отметить, что поскольку комбинация бит 00 не используется для описания размера, код 0000ххх…хх не входит число кодов команды MOVE (однако не думайте, что этот код пропадает — фирма Motorola использует его для других команд). Следующие 6 бит описывают режим адресации и регистр (если таковой используется) операнда-приемника, а последние 6 бит заключают ту же информацию об операнде-источнике; на рис. 11.2 показано, как кодируется эта информация. Заметьте, что последние 5 режимов адресации, не использующие регистр, разделяют между собой оставшийся номер режима (111) и различаются «фальшивыми» номерами регистра. Если режим адресации какого-либо из операндов требует дополнительной информации (непосредственные данные, абсолютные адреса, смещения), к коду команды добавляются дополнительные байты, как это показано на рис. 11.2.

Любопытно заметить, что МП 68000 расходует 1/4 х 3/4 = 19 % всех возможных кодов команд на команду MOVE, предоставляя все сочетания режимов адресации и для источника, и для приемника. Фирма Motorola не могла быть столь же расточительной для остальных 50 с лишком команд табл. 11.1, и возможности их адресации пришлось урезать.

К примеру, если использовать фирменное обозначение <еа> для полного набора команд, то можно образовать команды ADD < еа >, Dn или

ADD Dn, <еа>

но не все варианты полного сочетания

ADD <еа>, <еа>

В реальной жизни вы всегда пользуетесь ассемблером (который работает на компьютере или микропроцессорной «системе разработки») для выполнения черной работы по конструированию этих команд. Однако, чтобы убедиться, что мы действительно поняли суть дела, попробуем свои силы в «ручном ассемблировании». Закодируем команду

MOVE.W #$3FFF,(A1) +

Код размера равен 11 (слово); код режима приемника равен 011, а регистра — 001; для приемника код режима равен 111, а «регистра» — 100. Таким образом, код команды составляет

00 11 001 011 111 100, или 32FCH

а полностью команда кодируется как

32 FC 3F FF

Мы не без основания подозреваем, что дальнейшие абстрактные обсуждения системы команд и режимов адресации заставляет вас закрыть эту книгу навсегда. Поэтому давайте рассмотрим прострой пример программирования, после чего перейдем к сигналам магистрали МП 68008. После этого мы сможем выполнить полное проектирование микропроцессорного устройства на базе МП 68008, включая его программное обеспечение.

Иллюстрация команд и режимов адресации МП 68000 дана в программе 11.1, где показаны два способа копирования таблицы из 100Н байт, начинающейся в ячейке $8000, в непосредственно прилегающую область памяти (с адреса $8100).

В первом варианте для пересылки из памяти в память мы использовали косвенную адресацию со смещением (удобное средство, отсутствующее в МП 8086), а также инкремент указателя, декремент счетчика и условный переход. При частоте генератора 10 МГц цикл занимает 6,2 мкс, и вся таблица пересылается за 1,6 мс. Во втором варианте в программу введен второй адресный регистр, указывающий на приемник. В этом случае можно использовать постинкрементную адресацию и отказаться от команды ADDQ, что увеличивает скорость пересылки. Анализ на выход из цикла мы выполняем с помощью более эффективной (но рискованной) команды «декремент и условный переход» DBcc. В результате цикл выполняется почти в два раза быстрее (3,4 мкс на шаг, 0,87 мс на всю пересылку).

Упражнение 11.2. Напишите программу для вычисления суммы 16-разрядных слов в таблице, начинающейся с адреса $10000. Пусть длина таблицы в словах хранится в качестве первого элемента таблицы (он не должен входить в сумму); предположите также, что суммирование не приведет к переполнению.

Упражнение 11.3. Напишите программу для изменения порядка байтов в таблице, имеющей длину $100 байт и начинающуюся с адреса $1000.

Прямолинейный (но медленный) способ решения задачи заключается в изменении порядка байтов в процессе копирования во вспомогательный массив, который затем копируется на место исходного. Более быстрый способ предполагает изменение порядка байтов «на месте» (следите только, чтобы, шагая по таблице, не наступить себе же на ноги). Запрограммируйте оба метода.

11.04. Сигналы магистрали

Если вы усвоили взаимодействие сигналов на магистрали IBM PC, то разобраться с сигналами МП 68008 не составит труда — они схожи. Мы описали их в табл. 11.4 (имеющей тот же формат, что и табл. 10.1) и на рис. 11.3.

Рис. 11.3. Сигналы МП 68008.

Лучше всего воспользоваться уже испытанной последовательностью изучения и рассмотреть сначала программно-управляемую передачу данных («программно-управляемый ввод-вывод»), затем прерывания и, наконец, ПДП. Это не займет много времени.

Программно-управляемая передача данных. Программно-управляемая передача данных показана на рис. 11.4; мы также изобразили сигналы (CLK и AS'), которые в процессе проектирования схемы обычно можно игнорировать.

Рис. 11.4. Циклы чтения/записи МП 68008 (8 МГц, без состояний ожидания).

В МП 68008 используется один сигнал, стробирующий данные (DS'), а также линия направления чтения-записи (R/W) в отличие от IBM PC, где предусмотрены два стробирующих сигнала (IOR', IOW'). В цикле записи ЦП переводит сигнал R/W в низкое состояние, устанавливает адрес и данные и, выждав некоторое время, переводит в низкое состояние сигнал DS'. Приемник (память или устройство ввода-вывода) фиксирует данные, которые (в отличие от IBM PC) гарантированно установлены еще перед фронтом сигнала DS', и подтверждает прием, устанавливая в низкое состояние сигнал DTACK'. ЦП завершает цикл, снимая сигнал DS' и затем (выждав некоторое время на случай использования приемником Прозрачных фиксаторов) снимает адрес и данные. Таким образом, достоверность данных гарантируется в течение DS' плюс короткие интервалы до и после сигнала. Цикл чтения отличается лишь тем, что ЦП поддерживает линию R/W' в высоком состоянии (указывая тем самым, что выполняется чтение) и, к тому же, устанавливает сигнал DS' на один такт раньше, чтобы дать возможность источнику данных отозваться на требование данных. Данные должны быть установлены до окончания сигнала DS'; детали взаимодействия показаны на рис. 11.4.

Действие сигнала DTACK' требует дальнейшего обсуждения. Шина МП 68008 является асинхронной (см. разд. 10.14): установив сигнал DS', ЦП, перед тем, как завершить цикл, ожидает от адресуемого устройства сигнала подтверждения DTACK' (через проводное ИЛИ). Если сигнал DTACK' поступает перед концом такта S4, состояния ожидания не включаются в протокол, и последовательность сигналов выглядит точно так, как показано на рис. 11.4; если же DTACK' задерживается, ЦП удерживает все свои выходные сигналы в стабильном состоянии (включая в протокол магистрали после такта S4 «состояния ожидания») до появления сигнала DTACK', после чего завершает цикл тактами S5-S7. Состояния ожидания требуются только при работе с очень медленными устройствами, поэтому адресуемое устройство должно устанавливать сигнал DTACK' сразу же после распознания им на шине своего адреса (устройство может установить DTACK' по результатам декодирования адреса или образовав логическое И из сигнала декодирования и полученного им из ЦП сигнала AS', который указывает на достоверность адреса). Вообще говоря, если все устройства, подключенные к шине, являются быстрыми, вы можете, с известной долей риска, постоянно удерживать линию DTACK' в низком состоянии и полностью избавиться от состояний ожидания; эта методика отразилась в названии журнала, посвященного высокопроизводительным приложениям семейства МП 68000: «DTACK' заземлен».

Все это выглядит несколько запутанно, но в действительности сопряжение с МП 68008 выполняется очень просто. На рис. 11.5 изображен простейший порт ввода-вывода.

Рис. 11.5. Параллельный порт ввода-вывода, а — базовая схема; б — схема с реально существующими вентилями; в — реализация на основе ПЛМ.

Адресные сигналы декодируются и после поступления сигналов DS' и R/W' образуют сигналы, используемые для стробирования D-триггеров выходного регистра (для записи) и разрешения тристабильных выводов входного регистра (для чтения). Сигнал DTACK' устанавливается сразу после расшифровки адреса (если адресуется данный порт), поскольку для столь быстрых устройств, какими являются 8-разрядные регистры, состояния ожидания не требуются; мы использовали обычный прием преобразования драйвера с тремя состояниями в драйвер с открытым коллектором. Заметьте, что для стробирования D-триггеров мы использовали срез сигнала DS'; это сделано из-за того, что фронт сигнала DS' может отстоять от момента установки достоверных данных всего лишь на 35 нс (см. рис. 11.4), что опасно близко к времени упреждения многих 8-разрядных регистров (например, семейства LS и НСТ имеют минимальное время упреждения 20 нc). Так, если на шине данных используются шинные буферы (например, 8-разрядные двунаправленные буферы `245), то дополнительная задержка данных относительно сигнала DS' может привести к тому, что триггеры схемы `574 не успеют установиться. Используя срез сигнала, мы выигрываем дополнительные 140 мкc для увеличения времени упреждения. (При желании можно было использовать прозрачные фиксаторы, например `573, которые фиксируют данные по срезу сигналы фиксации; для таких фиксаторов характерное минимальное значение времени упреждения, как и времени удержания, составляет около 15 нc.)

Варианты схем, приведенные на рис. 11.5, учитывают практические детали. Оказывается, в большинстве логических семейств отсутствуют 3-входовые вентили ИЛИ! Одним из возможных решений является использование 2-входовых вентилей, как показано на рис. 11.5. Более современный способ - поместить всю вентильную логику в комбинационную ПЛМ; помимо уменьшения числа микросхем, это дает вам возможность, используя высокую плотность вентилей в ПЛМ, генерировать с помощью одной микросхемы стробирующие и разрешающие сигналы для дополнительных периферийных портов.

Одна незначительная деталь приведенного примера предвосхитила материал следующего раздела. В процессе обработки прерывания (см. ниже) МП 68008 выполняет цикл подтверждения прерывания, выглядящий, как цикл чтения самого верха памяти (линии А4-А19 установлены в 1). Если в этой области адресного пространства вы располагаете память или какие-то регистры, их надо заблокировать на время цикла прерывания, идентифицируемого по состоянию битов FC0-2 «функционального кода». Все это поясняется в следующем разделе.

Прерывания. В МП 68008 реализуются и автовекторизуемые, и полностью векторизуемые (с подтверждением) прерывания (если вы забыли, что это такое, см. разд. 10.11), для чего используется вторая группа сигналов шины из табл. 11.4. В обоих случаях вы запрашиваете прерывание, устанавливая на двух линиях приоритетного запроса (IPL') некоторую комбинацию низких уровней. Две линии определяют три уровня прерываний (четвертое состояние - на обеих линиях высокий потенциал - соответствует отсутствию прерывания). Эти линии схожи с линиями IRQ магистрали IBM PC, но поскольку они чувствительны к уровню, к каждому уровню прерываний можно подключить несколько прерывающих устройств, (Полезно заметить, что МП 68000, а также некоторые варианты МП 68008 имеют 3 линии IPL', что позволяет определить 7 уровней прерываний.)

ЦП, обнаружив запрос прерывания (по крайней мере одна линия в низком состоянии), выполняет цикл подтверждения (рис. 11.6), в течение которого идентифицируется источник прерываний.

Рис. 11.6. Цикл подтверждения прерывания.

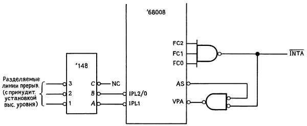
ЦП устанавливает на линиях А1-А3 значение уровня прерывания, а на линиях А4-А19 высокий уровень; все линии функционального кода FC0-2 устанавливаются в высокое состояние. Затем ЦП выполняет цикл чтения (устанавливая сигнал R/W' в высокое состояние). Теперь ваши внешние цепи определяют вид цикла подтверждения: автовекторизуемое (переход в соответствии с уровнем IPL') или с подтверждением (переход в соответствии с вектором, установленным прерывающим устройством на линиях D0-D7). Более просто реализуется автовекторизуемое прерывание (рис. 11.7).

Рис. 11.7. Автовекторизуемое прерывание.

Внешняя цепь обнаруживает цикл подтверждения по сигналам FC0-2 и одновременно с AS' устанавливает входной сигнал VPA'. После этого ЦП осуществляет переход на программу обслуживания, соответствующую уровню IPL прерывания. Для перехода используются векторы (т. е. 32-разрядные адреса программ обслуживания), расположенные по абсолютным адресам $68, $74 или $7C. Если число прерывающих устройств не превышает трех, автовекторизация весьма удобна. Собственно говоря, устройств может быть и больше, но вам придется опрашивать регистры состояния всех «подозрительных» устройств (т. е. устройств, подключенных к обслуживаемому уровню прерываний), чтобы найти виновника. И лишь в случае, когда у вам много потенциальных источников прерываний (маловероятная ситуация в небольшом устройстве на базе МП 68008), и к тому же требуется обеспечить минимальные временные задержки, целесообразно обратиться к схеме прерываний с подтверждением.

Полностью векторизируемые прерывания реализуются следующим образом. Прежде всего оставьте сигнал VPA' на входе ЦП в сброшенном состоянии (высокий уровень). Организуйте схему таким образом, чтобы каждое устройство, работающее в режиме прерываний, выставляло бы свой вектор на линии данных в ответ на цикл чтения ЦП, выполняемый при установленных в высокое состояние сигналах FC0-2 и при уровне IPL (считываемом с линией А1-3), совпадающем с уровнем запроса устройства. При этом схема должна обеспечить выдачу вектора только одним прерывающим устройством, даже если несколько устройств одновременно выставили запросы на прерывание. Этого можно добиться, используя сигнал приоритета прерывания INPT, проходящий последовательно через все устройства, образующие, таким образом, приоритетную цепочку, как это было описано в разд. 10.11; тем самым гарантируется, что подтверждение прерывания выполняется только устройством (соответствующего уровня IPL), которое электрически расположено ближе других к ЦП, даже если запросы на прерывание поступают от нескольких устройств одного уровня IPL.

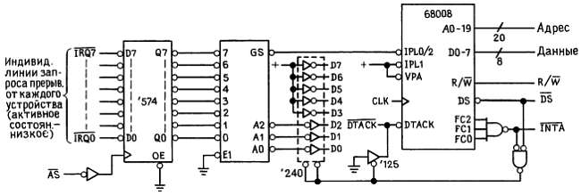
Другой, более элегантный метод показан на рис. 11.8.

Рис. 11.8. Полновекторизованное прерывание.

Здесь нет необходимости использовать неуклюжую цепочечную структуру, которая заменяется линиями запроса от каждого устройства. Состояния этих линий фиксируются в начале каждого цикла магистрали (фронтом сигнала AS) и поступают в дешифратор приоритета (который генерирует двоичный адрес возбужденного входа с максимальным номером, см. разд. 8.14). Кроме этого, дешифратор генерирует выходной сигнал (GS'), если возбуждается любой из входов; этот сигнал используется для инициации прерывания ЦП. Для простоты мы поместили прерывания от всех устройств на один уровень IPL. ЦП отзывается на прерывание, сохраняя в стеке адрес возврата, после чего инициирует цикл подтверждения (рис. 11.6). В течение цикла подтверждения наша схема устанавливает вектор (образованный в схеме приоритетного отбора), а также сигнал DTACK'. После этого ЦП выполняет векторный переход на соответствующий обработчик.

Рассмотренная схема проста в реализации, и для семейства МП 68000 она работает быстрее, чем схема автовекторизации. Далее, относительно просто достигается увеличение числа прерывающих устройств степенями 8 при использовании дополнительных микросхем `574 и `148. От каждого периферийного устройства требуется выделенная линия (не одна линия шины); хотя при этом нарушается симметрия шины данных, такой способ предпочтительнее приоритетной цепочки, которая совершенно перестает работать, если забыть надеть перемычки на неиспользуемые разъемы. Фактически в новых компьютерных магистралях (например, магистраль NuBus машины Macintosh II) все чаще используются линии прерываний, разведенные по разъемам.

Отметим любопытную (и немаловажную) деталь в приведенной схеме. Вам может показаться странным, что индивидуальные запросы прерываний, генерируемые в устройствах с помощью фиксируемых бит (см., например, рис. 10.12), повторно фиксируются в схеме — 574. Причина этого носит тонкий характер. Прерывающие устройства, как правило, являются асинхронными по отношению к тактовым сигналам ЦП, и могут генерировать прерывания в любое время. Если второе периферийное устройство пошлет запрос прерывания в тот момент, когда ЦП считывает вектор первого прерывающего устройства, а фиксаторы в схеме обработки прерываний отсутствуют, установленный на шине вектор изменится «на полдороги» (в течение цикла подтверждения прерывания и получения вектора), что приведет к непредсказуемым результатам. Вы можете возразить, что такая ситуация маловероятна, и будете правы; однако она может возникнуть и вы даже можете оценить вероятность ее появления. Откладывая момент принятия решения о «намерении прервать» на начало каждого цикла шины, мы устраняем отмеченную проблему (вообще говоря, из-за явления «метастабильности» незначительная вероятность ошибки остается; если вам не хватает поводов для беспокойства, см. разд. 8.17).

Упражнение 11.4. Пусть мы рискнули отказаться от фиксирующего регистра `574 в установке, содержащей два асинхронных устройства, посылающих сигналы прерываний со скоростью 1000 прерываний в секунду каждое. Предположим, что цикл получения вектора имеет критическое временное окно в 1 нc, в течение которого смена установленного вектора приведет к чтению неправильного вектора (т. е. ЦП прочитает номер вектора, отличный от обоих установленных векторов). Оцените, сколь часто ЦП, осуществляя векторный переход, будет попадать пальцем в небо (с аварией системы).

Еще одно замечание по поводу нашей схемы. В процессорах серии 68000 предусмотрена команда HALT, которая прекращает все процессы на шине, но не исключает повторного пуска системы с помощью прерывания (а также, естественно, полной перезагрузки). К сожалению, наша схема не предусматривает повторный пуск по прерыванию (почему?). Таким образом, вы должны либо обойтись без команды HALT, либо использовать какой-то другой сигнал (возможно, производный от сигнала CLK) для фиксации запросов прерываний.

В МП 68000 предусмотрена возможность установки 192 различающихся векторов прерываний с номерами от 40Н до FFH; соответствующие адреса переходов (т. е. адреса соответствующих сервисных программ) хранятся в ячейках памяти 100H-3FFH.

Прямой доступ к памяти. В системах на базе МП 68000 прямой доступ не реализуется установленным на плате контроллером ПДП с адресными счетчиками и проч., как это имеет место в системах с магистралью PC. Напротив, МП 68000 полностью освобождает шину, передавая ее новому ведущему; новый ведущий шины (которым может быть как другой МП 68000, так и простенький периферийный интерфейс) может затем выполнять любые действия, включая (но не ограничиваясь ими) классические функции ПДП пересылки данных в память или из нее.

Чтобы сделаться ведущим шины, любое устройство может выдать «Запрос шины», установив на линии BR' (через проводное ИЛИ) низкий уровень. ЦП очень серьезно относится к этой процедуре, во мгновение ока (?) устанавливая на линии «шина предоставлена» BG' низкий уровень. ЦП также прекращает контролировать состояние всех линий шины (кроме BG'), включая адрес, стробы и другие управляющие линии, помеченные индексом 2) в табл. 11.4. Теперь внешнее устройство контролирует шину, и это состояние длится до снятия сигнала BR', после чего ЦП возвращает себе роль ведущего. Внешний ведущий обязан управлять шиной по тем же правилам, которым следует ЦП, чтобы не сбивалась работа остальных устройств, подключенных к шине. Собственно, они даже и не узнают, что произошло что-то необычное, если только не посмотрят на состояние линий BR'/BG'.

Если ведущими шины пытаются стать несколько устройств, они должны как-то разобраться между собой (выполнить арбитраж). Заметьте, что ЦП контролирует состояние линии BG', тем самым в какой-то мере управляя всем процессом.

Остальные сигналы магистрали. Ниже дано описание остальных сигналов, перечисленных в табл. 11.4.

CLK. Это вход для сигналов тактового генератора (см. рис. 11.3 и 11.4). Мы рекомендуем использовать какой-либо из недорогих кварцевых генераторов в DIP-корпусе, выпускаемых компаниями CTS, Dale, Motorola, Statec или Vectron. МП 68008 лучше работает с тактовыми сигналами симметричной формы, которые легко получить с помощью триггера, подключенного к выходу генератора. Максимальная допустимая частота обычно указывается в обозначении микропроцессора (и памяти тоже): последние варианты МП 68008 работают до частоты 10 МГц (МС 68008Р10). Двухбайтовые команды обычно выполняются за четыре периода тактовых импульсов (как на рис. 11.4), однако команды с более сложными способами адресации должны несколько раз обращаться к памяти, что может потребовать до 70 тактов или около того.

BERR. Вы устанавливаете этот входной сигнал, чтобы сообщить ЦП, что произошел сбой в работе шины. Например, если никто не установит сигнал DTACK' в ответ на строб данных, ЦП будет ждать его вечно; это может произойти, если программа обращается к несуществующей памяти. Установка сигнала BERR' вызывает переход (напоминающий переход при прерывании и называемый «исключением») на программу обработчика. Ниже на рис. 11.10 будет показана простая схемная реализация сигнала BERR.

RESET' и HALT'. Эти сигнальные линии необычны в этом отношении, что служат и как входы (для сброса или останова процессора), и как выходы (с помощью которых ЦП может инициализировать систему). Взгляните снова на рис. 11.10, где показан простой способ использования этих линий.

Е (разрешение). Может показаться, что этот выходной сигнал имеет большое значение, однако это не так. Сигнал Е (в комбинации с VPA') облегчает подключение к МП 68008 старых периферийных микросхем серии 6800 (разработанных для синхронного относительно медленного 8-разрядного микропроцессора 6800). В других случаях сигнал Е можно игнорировать.

Более 800 000 книг и аудиокниг! 📚

Получи 2 месяца Литрес Подписки в подарок и наслаждайся неограниченным чтением

ПОЛУЧИТЬ ПОДАРОК