2.2. Простой металлоискатель

Заливадный Б. [6]

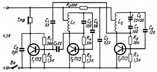
Принципиальная схема металлоискателя (рис. 6) собрана по классической схеме с использованием биений между частотами двух генераторов. Первый генератор собран на транзисторе Т2 с колебательным контуром L1, СЗ, а второй — на транзисторе ТЗ с контуром L2, С6, С7. Колебания обоих генераторов через конденсаторы С1 и С2 подаются на базу транзистора Т1, выполняющего функции смесителя и усилителя биений, которые воспроизводятся головными телефонами.

Конденсатором переменной емкости С6 устанавливают частоту второго генератора такой, чтобы получить биения возможно более низкой частоты. Тогда при приближении поисковой катушки L2 к металлическому предмету частота биений будет увеличиваться. Если же она уменьшается, нужно перестроить второй контур, пройдя через нулевые биения на зеркальную частоту.

В первом генераторе используют контур промежуточной частоты на 465 кГц с отводом от любого радиоприемника. Катушка L2 содержит 31 виток провода ПЭЛ диаметром 0,38 мм и наматывается на диэлектрическом кольце диаметром 250 мм. Экранировать ее не нужно. Вместо транзисторов П13 можно установить КТ361 с любым буквенным индексом, желательно Т2 и ТЗ одинаковые.

Металлоискатель позволяет обнаружить монету в земле на глубине около 2 см, а массивные изделия — на значительно большей глубине.

Рис. 6. Принципиальная схема простого металлоискателя

Более 800 000 книг и аудиокниг! 📚

Получи 2 месяца Литрес Подписки в подарок и наслаждайся неограниченным чтением

ПОЛУЧИТЬ ПОДАРОК