10.4. Камертон музыканта и певца

Банников В. [31]

Электронный камертон частотой 440 Гц можно сделать таким же портативным, как и его механический предшественник. А точность его частоты и громкость звучания значительно выше.

Для стабилизации частоты необходим кварцевый резонатор. Наиболее доступен резонатор от часов на 32768 Гц. Если ее удвоить и разделить на 149, полу чим 439,84 Гц. Погрешность составит всего 0,036 %, что вполне достаточно.

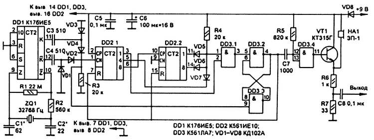
Принципиальная схема камертона показана на рис. 42. На генераторной части микросхемы DD1 и кварцевом резонаторе ZQ1 выполнен задающий генератор. На его выводах 11 и 12 формируются взаимно противофазные импульсы частотой 32768 Гц и подаются на диодный мост VD1-VD4, на выходе которого их частота увеличивается до 65536 Гц.

Рис. 42. Принципиальная схема камертона

Импульсы частотой 65536 Гц подаются на вход CN двоичного счетчика DD2.1, который совместно с счетчиком DD2.2 и элементами DD3.1-DD3.3 образуют делитель частоты на 149. В результате на выходе DD3.2 появляются импульсы частотой 440 Гц длительностью 8 мкс, а на выходе DD3.4–0,6 мс, что равно примерно четверти периода повторения импульсов частотой 440 Гц. Этот сигнал усиливается транзистором VT1 и воспроизводится пьезокерамическим излучателем НА1.

От источника питания напряжением 9 В камертон потребляет менее 2 мА, поэтому питать его можно от батареи «Крона», включая питание обычной кнопкой с самовозвратом.

Печатная плата и расположение элементов показаны на рис. 43.

Рис. 43. Печатная плата и расположение элементов камертона

Более 800 000 книг и аудиокниг! 📚

Получи 2 месяца Литрес Подписки в подарок и наслаждайся неограниченным чтением

ПОЛУЧИТЬ ПОДАРОК